Виробник радіально-свердлильного переносного верстата 2К522 - Гомельський завод верстатних вузлів ДЗСУ , заснований у 1961 році.
У 1976-1991 роках завод входив до складу Московського верстатобудівного об'єднання "Червоний пролетар". В даний час відкрите акціонерне товариство «Гомельський завод верстатних вузлів» виробляє металорізальні верстати та комплектуючі до них.
Верстати радіально-свердлувальні моделі 2К52 випускалися до 1990 року, потім у кінематичну схему верстата було внесено суттєві зміни. Зокрема, змінено кількість зубів практично у всіх зубчастиних передачах, що призвело до появи верстата з індексом 2К522.
Радіально-свердлильний переносний верстат моделі 2К522 призначений для обробки отворів у середніх та великих деталях у одиничному, дрібносерійному та серійному виробництві.
На верстаті 2К522 можна виконувати: свердління, розсвердлювання, зенкерування, розгортання, нарізування різьблення та розточування отворів. Найбільш ефективно може бути використаний при обробці отворів, розташованих під кутами в різних площинах великогабаритних деталей, інструментальних, ремонтних, експериментальних, складальних та виробничих цехах.
Радіально-свердлильний верстат 2К522 складається з наступних основних вузлів: основи, колони, корпусу, рукава, каретки, свердлильної головки, механізму затиску колони, системи подачі охолоджуючої рідини та електроустаткування.
На основу встановлюється колона з корпусом і рукавом, а з торця до нього кріпиться бак для рідини, що охолоджує.
Колона є сталевою трубою, встановленою в цоколі на двох підшипниках. У цоколі розміщено частинину електроапаратури та механізм затиску колони .
Корпус є чавунним виливком жорсткої форми і є базовою деталлю для складання коробки швидкостей, механізму переміщення корпусу по колоні механізму затиску корпусу на колоні.
У ніші корпусу змонтовано електроустаткування.
На лицьовій стороні корпусу розташовані рукоятки керування коробкою швидкостей, механізмом переміщення шпиндельної головки по колоні та пульт керування.
Рукав кріпиться до корпусу чотирма прихватами. По направляючих рукава переміщається каретка із закріпленою на ній свердлильною головкою. Поворот рукава навколо осі здійснюється рукояткою через черв'ячну передачу.
Свердлильна головка є чавунним виливком, в якому змонтовані шпиндель, коробка подач і штурвальний пристрій.
Шпиндель верстата має широкий діапазон регулювання частоти обертання та може просторово орієнтуватися за рахунок розвороту рукава та свердлильної головки.
Верстат 2К522 оснащений пристроєм обробки отворів на задану глибину та пристроями, що оберігають від перевантажень за крутним моментом та осьовою силою. При обробці великогабаритних деталей поза робочою поверхнею плити верстат виставляється за допомогою гвинтових опор. Обробку дрібних деталей рекомендується проводити на коробчастому столі, встановленому на плиті столу.
Відмінною особливістю верстата даного типорозміру є наявність поворотної колони та монтаж каретки свердлильної головки на направляючих рукавах на підшипниках кочення, що значно підвищує зручність експлуатації верстата.
Верстат виготовляється для експлуатації в умовах помірного клімату, на замовлення для експлуатації в умовах тропічного клімату, а також для обробки деталей у системі дюймової вимірювань.
Електроустаткування верстата може бути виконане для струму мережі живлення з частотою 50 і 60 Гц і напругою 220, 380, 400, 415, 440, 600 В.
За замовленням верстат виконується з електромеханічним затискачем колони, а також із системою подачі охолоджуючої рідини в зону різання.
Оригінальна конструкція радіально-свердлувального переносного верстата моделі 2К522 забезпечує широкі можливості та дозволяє:
Клас точності верстата Н згідно з ГОСТ 8-77.
Шорсткість оброблених поверхонь залежно від виконуваних робіт R = 80-20 мкм.
Синоніми: radial drilling machine.
Переміщення по площині столу великогабаритних та важких деталей викликає великі незручності та втрату часу. Тому при обробці великої кількості отворів у таких деталях застосовують радіально-свердлувальні верстати. При роботі на них деталь залишається нерухомою, а шпиндель зі свердлом переміщається щодо деталі та встановлюється у потрібне положення.
Свердлильні верстати призначені для свердління, зенкування, зенкерування, розгортання отворів, для підрізання торців виробів та нарізування різьблення мітчиками. Застосовуються вони в основному в одиничному та дрібносерійному виробництві, а деякі модифікації цих верстатів – в умовах масового та великосерійного виробництва.
Основними формоутворюючими рухами при свердлильних операціях є:
Кінематичні ланцюги, що здійснюють ці рухи, мають самостійні органи налаштування i v і i s за допомогою яких встановлюється необхідна швидкість обертання інструменту і його подача.
До допоміжних рухів відносяться:
Основними вузлами радіально-свердлильних верстатів є:
Основними параметрами верстата є найбільший діаметр свердління отвору сталі, виліт і максимальний хід шпинделя.

Загальний вигляд та компанування радіально-свердлувального верстата 2к522

Розташування складових частинин радіально-свердлувального верстата 2к522
Живлення ланцюгів електроустаткування здійснюється наступними напругами:
Електроустаткування верстата призначене для підключення до трифазної мережі змінного струму з глухозаземленим або ізольованим нейтральним дротом.
На верстаті встановлені трифазні короткозамкнуті асинхронні електродвигуни:

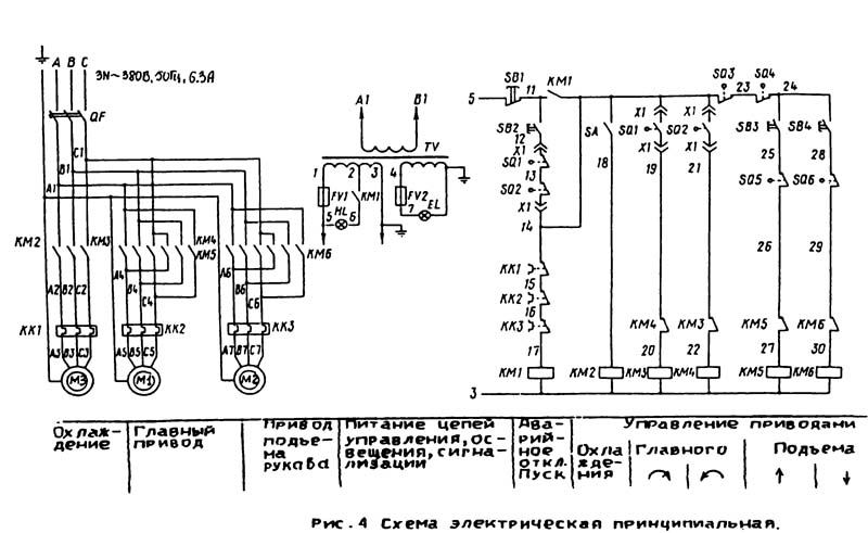
Схема електрична радіально-свердлувального верстата 2к522
Схема електрична радіально-свердлувального верстата 2К522. Дивитись у збільшеному масштабі

Перелік елементів радіально-свердлувального верстата 2к522
Перелік елементів радіально-свердлувального верстата 2К522. Дивитись у збільшеному масштабі

Схема з'єднань радіально-свердлувального верстата 2к522
Схема з'єднань радіально-свердлувального верстата 2К522. Дивитись у збільшеному масштабі
Электроаппаратура (за исключением нескольких аппаратов) смонтирована на панелі керування з задньої стороны бочки верстата.
На станке установлен один трехфазный короткозамкнутый асинхронный електродвигатель мощностью 1,5 кВт для приводу шпинделя і переміщення бочки. По особому заказу могут быть установлены електронасос Х14-22М і електромеханическая затискна головка.
При подключении верстата необходимо убедиться в соответствии напряжения і частоти питающей сети електрическим параметрам верстата, указанным в таблице, находящейся на двери електрошкаФа.
Ввод проводов заземления і електроживлення производится через кінцівое соединение, установленное на левой боковой стенке електрошкаФа поз.33 (Рис. 2) (вид со стороны електрошкаФа).
Подключение верстата к питающей сети выполнить медным Проводом сечением 1,5мм².
В случае необходимости выполнения заземления верстата стальной шиной используется спеціальний болт, расположенный ниже вводного кінцівого соединения поз.24 (Рис.2
Работу на станке следует начинать в следующем порядке:
Для аварийной остановки верстата следует нажать на красный, грибовидный толкатель кнопки SB1 или отключить вводной автоматический выключатель QF. При етом гаснет сигнальная лампа HL.
При установці на верстат електронасоса его увімкнення производится тумблером SA, расположенным на пульті керування.
На станке установлен светильник местного освещения НКПОЗ-60-002.
Електросхема з'єднань верстата приведена на РИС.5.
Захист електродвигателей і трансформатора от токов короткого замыкания производится автоматическим выключателем, защита ланцюгів керування і освещения - предохранителями.
Захист електродвигателей от длительных перегрузок осуществляется тепловыми реле.
Верстат заземляется подключением к специальному винту заземления защитного провода, надежно присоединенного к цеховому контуру заземления.
ВНИМАНИЕ ! ПРИ отключенном вводном выключателе его зажимы находятся под напряжением питающей сети.
При ручном перемещении рукава вверх или вниз рукоятка подъема нажимает на выключатель путевой SQ3, а при зажиме корпуса нажимается выключатель путевой SQ4. Данные выключатели размыкают ланцюг увімкнення електродвигуна М2 приводу переміщення рукава.
Обмеження переміщення рукава в крайньому верхньому та нижньому положенні здійснюється вимикачами колійними SQ5 та SQ6.
| Найменування параметру | 2К52-1 | 2K522 |
|---|---|---|
| Основні параметри верстата | ||
| Клас точності верстата | Н | Н |
| Найбільший умовний діаметр свердління сталі 45, мм | 25 | 32 |
| Діапазон нарізання різьблення в сталі 45, мм | М16 | М16 |
| Відстань від осі шпинделя до напрямної колони (виліт шпинделя), мм | 300...800 | 300...800 |
| Найбільше горизонтальне переміщення свердлильної головки по рукаву, мм | 410...900 | 500 |
| Найменша та найбільша відстань від торця шпинделя до плити, мм | 125...1000 | -220...960 |
| Найбільше вертикальне переміщення рукава по колоні (настановне), мм | 625 | 930 |
| Кут повороту рукава навколо колони, град | 360 | 360 |
| Кут повороту головки навколо горизонтальної осі, град | 360 | 360 |
| Рамер поверхні плити (ширина довжина), мм | 800 х 630 х 180 | 800 х 630 х 180 |
| Шпиндель | ||
| Найбільше осьове переміщення пінолі шпинделя (хід шпинделя), мм | 250 | 250 |
| Частота прямого обертання шпинделя, об/хв | 63...1600 | 45...2000 |
| Кількість швидкостей шпинделя прямого обертання | 8 | 12 |
| Межі робочих подач на один оборот шпинделя, мм/об | 0,125; 0,2; 0,315 | 0,056; 0,1; 0,18; 0,32 |
| Число ступенів робочих подач | 3 | 4 |
| Найбільший допустимий момент, що крутить, Н-м | 90 | 120 |
| Найбільше зусилля подачі, кН | 5 | 7 |
| Позначення кінця шпинделя за ГОСТ 24644-81 | Морзе 4 | |
| Затискач обертання колони | Ручний/ел. | Ручний/ел. |
| Затискач рукава на колоні | Ручний | Ручний |
| Затискач головки на рукаві | Ручний | Ручний |
| Електроустаткування. Привід | ||
| Кількість електродвигунів на верстаті | 2/ 3 | 3 |
| Електродвигун приводу головного руху, кВт | 1,5 | 1,5 |
| Електродвигун приводу переміщення рукава по колоні, кВт | - | 0,75 |
| Електродвигун насоса охолоджувальної рідини, кВт | 0,125 | 0,14 |
| Електродвигун затискача колони, кВт | ||
| Сумарна потужність встановлених електродвигунів, кВт | ||
| Габарити та маса верстата | ||
| Габарити верстата (довжина ширина висота), мм | 1760 х 915 х 1970 | 1480 х 940 х 1990 |
| Маса верстата, кг | 1250 | 950 |