Виробник - Рязанський верстатобудівний завод РСЗ , заснований у 1949 році.
Верстат токарно-гвинторізний 1М63 (початок серійного виробництва - 1968) замінив модель 163 . За всіма якісними показниками (продуктивності, точності, довговічності, надійності, зручності обслуговування, безпеки роботи тощо) перевершує верстат моделі 163.
У 1992 році токарний верстат 1М63 був замінений на більш досконалу модель 1М63Н .
Іноді верстат 1М63 називають ДІП-300 , що ні правильно, т.к. ДИП-300 (наздогнати і перегнати), висота центрів 300 мм - це реально існуюча модель - перша модель 163 серії, що випускалася в 1934 на заводі Червоний Пролетар.
Токарно-гвинторізні верстати 163 серії одні з найпоширеніших на території колишнього СРСР, призначені для обробки деталей середніх та великих розмірів, в умовах одиничного та дрібносерійного виробництва.
Токарно-гвинторізний верстат 1М63 призначений для виконання різних токарних робіт. На верстаті можна проводити зовнішнє і внутрішнє точення, включаючи точення конусів, розточування, свердління та нарізання метричної, модульної, дюймової та різьб. Оброблювані деталі встановлюються у центрах чи патроні.
Технічні характеристики та жорсткість конструкція станини, каретки, шпинделя верстата дозволяють повністю використовувати можливості роботи на високих швидкостях різання із застосуванням різців із швидкорізальної сталі або оснащених пластинами із твердих сплавів при обробці деталей із чорних та кольорових металів.
Супорт верстата 1М63 хрестової конструкції має механічне переміщення верхньої частинини, що дозволяє робити точення довгих конусів. Точення коротких конусів також здійснюється рухом верхньої частинини супорта.
Каретка супорта переміщається по направляючих станини (поздовжнє переміщення), по направляючих каретки переміщаються поперечні санки супорта (поперечне переміщення); як те, так і інше може бути ручним, механічним, робочим та прискореним. Поворотна частинина супорта, розташована на поперечних санках, має напрямні для переміщення верхньої частинини супорта (різцеві санки) з різцевою головкою. Bepxня частинина супорта (різцеві санки) також може переміщатися вручну та механічно. Гайка поперечного ггвинта має проріз для регулювання усунення люфту. Осьові зусилля поперечного ггвинта і ггвинта верхніх санок сприймаються затятими шарикопідшипниками. Напрямні поздовжнього переміщення супорта мають текстолітові накладки.
Супорт має швидке переміщення в поздовжньому та поперечному напрямках, яке здійснюється від індивідуального електродвигуна.
У верстаті механізовано всі основні операції:
1М63 – базова модель, початок випуску 1968 рік. Верстат замінив модель 163
1М63Ф306 - токарно-гвинторізний верстат з ЧПУ, початок серійного випуску 1973 рік.
1М63Ф101 - токарно-гвинторізний верстат з УЦИ, що забезпечує відлік поперечного переміщення супорта, початок серійного випуску 1976 рік.
1М63Б, 1М63БГ, 1М63БФ101 - токарно-гвинторізні швидкохідні підвищеної потужності.
1М63Д, 1М63ДФ101 - токарно-винторезные, Тбилиси, 1983 год.
1М63М, 1М63МФ101 - токарно-гвинторізні підвищеної потужності, Тбілісі, 1986 рік.
1М63МФ30 - токарний верстат із ЧПУ Електроніка НЦ-31, Тбілісі.
1М63МС5 - токарно-гвинторізний верстат 163 серии, Тбилиси, 1991 год.

Креслення робочого простору токарного верстата 1м63

Фото токарно-гвинторізного верстата 1м63
Фото токарно-гвинторізного верстата 1м63. Завантажити у збільшеному масштабі

Фото токарно-гвинторізного верстата 1м63
Фото токарно-гвинторізного верстата 1м63. Завантажити у збільшеному масштабі

Розташування основних вузлів токарно-гвинторізного верстата 1м63
Розташування основних вузлів токарно-гвинторізного верстата 1М63. Завантажити у збільшеному масштабі

Розташування органів керування токарно-гвинторізним верстатом 1м63

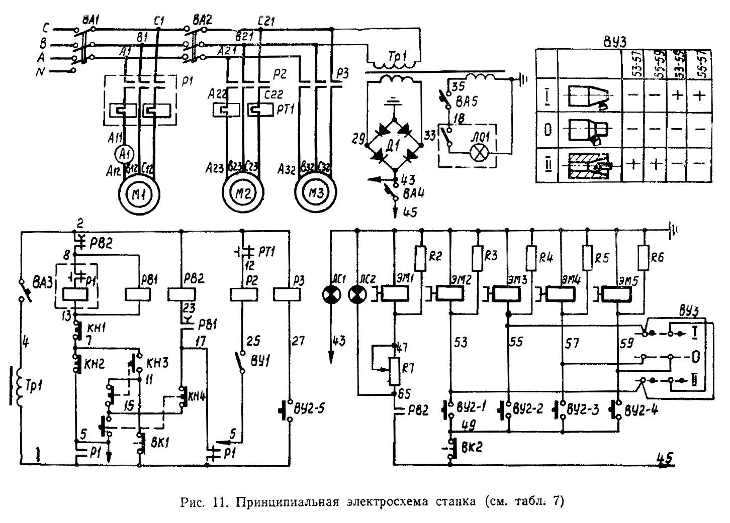
Електрична схема токарно-гвинторізного верстата 1М63 (1974 год)
Електрична схема токарно-гвинторізного верстата 1М63. Дивитись у збільшеному масштабі

Список елементів токарно-гвинторізного верстата 1М63
Список елементів токарно-гвинторізного верстата 1М63. Дивитись у збільшеному масштабі
Перед первоначальным пуском проверяется:
После проверки електроустаткування отсоединяются в станції керування провода живлення всех електродвигателей.
Увімкненням вводного автомата ВА1 електрообладнання верстата подключается к цеховой сети.
Воздействием на органы керування на пультах, на конечные выключатели і другие аппараты нажимного дії проверяется правильность і четкость срабатывания магнитных пускачів і апаратури керування електродвигунами і другими исполнительными пристроями.
Отключается вводной автомат ВА1 і подсоединяются к станції керування провода живлення електродвигателей.
Производится проверка електродвигателей і других исполнительных устройств путем их увімкнення.
Проверка і первоначальный пуск приводу подачі производите по експлуатационной документации завода-изготовителя.
Перед включением електроустаткування верстата необходимо выполнить наступні операции:
Загорается сигнальная лампочка ЛС1 белого цвета над вводным автоматом, сигнализирующая о включении автомата ВА1.
Увімкненням вводного автомата ВА1 осуществляется подача напряжения от внешней сети для живлення електроустаткування верстата.
Аварийное відключення електроприводов верстата производится нажатием на одну из кнопок «стоп», расположенных на соответствующих пультах.
Для снятия напряжения со верстата необходимо отключить вручную вводной автомат ВА1.
Электропривід обертання вироби осуществляется от асинхронного електродвигуна трехфазного тока M1 типа АО2-61-4, на 13 кВт, 1460 об/мин.
Пуск електродвигуна Ml осуществляется нажатием на кнопки КНЗ или КН4 «Пуск» (расположенные на пультах каретки і около коробки подач) при выключенном фрикционе. При етом з. (замыкающий) контакт конечного выключателя ВК1 замкнут. Пускатель Р1 получает питание і подключает електродвигатель головного руху к сети.
Одновременно з пускателем Р1 получают питание реле часу РВ1 і РВ2.
Керування вращением шпинделя осуществляется з помощью фрікциону, включаемого рукояткой. При отключенном фрикционе з. контакт ВК1 остается замкнутым, реле часу РВ1, РВ2 і тормозная муфта включены. При етом на шкафу загорается красная сигнальная лампа ЛС2. При работе двигуна головного руху на холостом ходу реле часу РВ2, настроенное на выдержку 2,5..3 мин, отключит катушку магнитного пускателя і соответственно двигатель от сети, одновременно реле часу РВ1, настроенное на выдержку 25 сек, потеряет питание і отключит тормозную муфту.
При включении фрікциону з. контакт ВК1 разрывается, отключает реле часу РВ2 і обеспечивает работу верстата.
Останов двигуна осуществляется нажатием на одну из кнопок «Стоп» КН1 или КН2.
При етом через з. контакт Р1 включается реле РВ2 і тормозная муфта ЭМ1.
Контроль за нагрузкой електродвигуна осуществляется по амперметру. Максимальный ток не должен превышать 25 А при напряжении 380 В і 44 А при напряжении 220 В.
Рабочие подачі осуществляются от двигуна головного привода, а быстрые ходу от електродвигуна типа 4АХ80А4 1,1 кВт, 1400 об/мин.
В фартуке верстата имеются четыре електромагнітні фрикционные муфты, две из которых используются для керування переміщенням каретки в продольном направлении і две для керування смещением суппорта в поперечном направлении. Керування муфтами производится рукояткой крестового переключателя, установленного на фартуке верстата, имеющего п'ять положений:
Увімкнення електродвигуна швидкого ходу при любом положении рукоятки переключателя обеспечивается пусковой толчковой кнопкой, встроенной в головку рукоятки крестового переключателя.
Во избежание одновременного увімкнення маточной гайки і електромагнітних муфт внутри фартука установлен блокировочный конечный выключатель ВК2, обрывающий ланцюг живлення муфт при включении маточной гайки.
Для предотобертання пробоя електромагнітних муфт і уменьшения искрообразования на контакте при отключении катушки предусмотрены разрядные сопротивления.
На фартуке верстата имеется переключатель режимов роботи ВУЗ на три положения, соответствующие трем видам работ:
Привід охлаждения осуществляется от електронасоса типа ПА-22 0,125 кВт 2800 об/мин.
Пуск і зупинка електродвигуна осуществляется включением переключателя, установленного на фартуке верстата.
Освещение робочого места осуществляется аппаратом местного освещения з лампочкой ЛО1 на 36В, 40 Вт, которая питается от обмотки на 36 В от трансформатора Tp1.
Монтажные електросхеми і расположение електроустаткування на станке показаны на рис. 12, 13, 14.

Електросхема панелі керування токарно-гвинторізного верстата 1М63
Електросхема панелі керування токарно-гвинторізного верстата 1М63. Дивитись у збільшеному масштабі

Монтажная схема токарно-гвинторізного верстата 1М63
Монтажная схема токарно-гвинторізного верстата 1М63. Дивитись у збільшеному масштабі

Розташування електроустаткування на станке 1М63
Розташування електроустаткування на станке 1М63. Дивитись у збільшеному масштабі

Розташування електроустаткування на станке 1М63
Розташування електроустаткування на станке 1М63. Дивитись у збільшеному масштабі
Технічні характеристики електроустаткування токарно-гвинторізного верстата 1М63
| Наименование параметра | 163 | 1М63 | 1М63Б | 1М63М | 1М63Н |
|---|---|---|---|---|---|
| Основні технические данные верстата | |||||
| Класс точності по ГОСТ 8-82 | Н | Н | Н | Н | Н/П |
| Наибольший диаметр заготовки обрабатываемой над станиной, мм | 630 | 630 | 630 | 630 | 630 |
| Наибольший диаметр заготовки обрабатываемой над суппортом, мм | 350 | 350 | 350 | 350 | 350 |
| Наибольший диаметр заготовки устанавливаемой над станиной, мм | 700 | 700 | 700 | 700 | 700 |
| Наибольший диаметр заготовки устанавливаемой над выемкой, мм | 900 | 900 | 900 | 900 | 900 |
| Высота центров, мм | 315 | 315 | 315 | 315 | 315 |
| Наибольший диаметр заготовки обрабатываемой в люнете, мм | 20...350 | ||||
| Наибольшая длина устанавливаемой детали РМЦ, мм | 1400 | 1400 | 1400 | 1500 | 1500 |
| Наибольшая масса обрабатываемого вироби, кг | 2000 | 3500 | |||
| Шпиндель | |||||
| Мощность приводу головного руху, кВт | 13 | 13 | 15 | 18,5 | 15 |
| Частота прямого/ обратного обертання шпинделя, об/мин | 10...1250 18...1800 |
10...1250 18...1800 |
10...1250 18...1800 |
12,5...1600 |
10...1250 18...1800 |
| Диаметр отверстия в шпинделе, мм | 70 | 70 | 70 | 80 | 80, 105 |
| Центр в шпинделе по ГОСТ 13214-79 | Морзе 6 | Морзе 6 | Морзе 6 | Морзе 6 | Морзе 6 |
| Кінець шпинделя по ГОСТ 12593-72 | 8 М | 8 М | 8 М | 8 М | 11 М |
| Размер внутреннего конуса шпинделя по ГОСТ 25557-82 | 100 | 100, 115 | |||
| Количество прямых/ обратных швидкостей шпинделя | 22/ 11 | 22/ 11 | 22/ 11 | 22/ 11 | 22/ 11 |
| Наибольший крутящий момент на шпинделе, кНм | 3,3 | 3 | |||
| Торможение шпинделя | есть | есть | есть | есть | есть |
| Подачи | |||||
| Наибольшее перемещение продольное/ поперечное, мм | 1260/ 400 | 1260/ 400 | 1260/ 400 | 1360/ 400 | 1350/ 400 |
| Наибольшее перемещение резцовых салазок, мм | 220 | 220 | 220 | 220 | 220 |
| Количество подач продольных/ поперечных/ резцовых салазок | 32/ 32/ 32 | 44/ 44/ 44 | 32/ 32/ 32 | 32/ 32/ 32 | 32/ 32/ 32 |
| Пределы рабочих подач продольных/ поперечных/ резцовых салазок (1-й ряд) | 0,064...1,025 0,026...0,38 |
0,06...1,0 0,024...0,37 0,019...0,31 |
0,06...1,0 0,024...0,37 0,019...0,31 |
0,06...1,0 0,024...0,37 0,019...0,31 |
|
| Пределы рабочих подач продольных/ поперечных/ резцовых салазок (2-й ряд) | 0.084...1,4 0,034...0,518 0,027...0,434 |
0.084...1,4 0,034...0,518 0,027...0,434 |
0.084...1,4 0,034...0,518 0,027...0,434 |
||
| Пределы/ количество шагов метрических резьб, мм | 1-192/ 56 | 1-192/ 56 | 1-224/ 47 | 1-224/ 46 | 1-224/ 47 |
| Пределы/ количество шагов дюймовых резьб, ниток/дюйм | 24-0,25/ 33 | 24-0,25/ 33 | 28-0,25/ 31 | 28-0,25/ 31 | 28-0,25/ 31 |
| Пределы/ количество шагов модульных резьб, модуль | 0,5-48/ 55 | 0,5-48/ 55 | 0,25-56/ 37 | 0,25-56/ 37 | 0,25-56/ 37 |
| Пределы/ количество шагов питчевых резьб, питч диаметральный | 96-7/8 /52 | 96-7/8 /52 | 112-0,5/ 30 | 112-0,5/ 30 | 112-0,5/ 30 |
| Скорость быстрых перемещений продольных/ поперечных, м/мин | 3,6/ 1,3 | 4,5/ 1,6 | 4,5/ 1,6 | 4,5/ 1,6 | 5,2/ 2 |
| Наибольшее усилие різання при поздовжньої/ поперечної подаче, кН | 2,22 | 6,80/ 3,7 | |||
| Цена деления лимба при продольном/ поперечном на диаметр перемещении, мм | 1/ 0,05 | 1/ 0,05 | 1/ 0,05 | 1/ 0,05 | 1/ 0,1 |
| Перемещение на оборот лимба при продольном/ поперечном перемещении, мм | 300/ 5 | 300/ 5 | 300/ 5 | 300/ 5 | 200/ 5 |
| Цена деления лимба при перемещении резцовых салазок, мм | 0,05 | 0,05 | 0,05 | 0,05 | 0,05 |
| Перемещение на оборот лимба при при перемещении резцовых салазок, мм | 5 | 5 | 5 | 5 | 5 |
| Задня бабка | |||||
| Наибольшее перемещение пиноли, мм | 240 | 240 | 240 | 240 | 220 |
| Электробладнання верстата | |||||
| Количество електродвигателей на станке | 3 | 3 | 3 | 3 | 3 |
| Електродвигун головного руху, кВт/ об/мин | 14/ 1450 | 13/ 1460 | 15/ 1460 | 18,5/ 1465 | 15/ 1465 |
| Електродвигун быстрых перемещений, кВт/ об/мин | 1,1/ 1400 | 1,1/ 1400 | 1,1/ 1400 | 1,1/ 1420 | |
| Електродвигун насоса СОЖ, кВт/ об/мин | 0,12 | 0,12/ 2800 | 0,12/ 2800 | 0,18/ 3000 | |
| Суммарная мощность електродвигателей, кВт | 16,22 | ||||
| Габарити і масса верстата | |||||
| Габарити верстата (длина, ширина, высота), мм | 3550 х 1740 х 1275 |
3530 х 1680 х 1290 |
1590 х 3655 х 1420 |
5240 х 1780 х 1550 |
|
| Масса верстата, кг | 3800 | 4300 | 4400 | 5750 |
1М63 Паспорт токарно-гвинторізного верстата, (djvu) 2,0 Мб, Скачать
Замовити
Хто володіє інформацією – той володіє світом.
Натан Ротшильд