Розробник верстата - Рязанське спеціальне бюро верстатобудування .
Виробник універсального токарно-гвинторізного верстата РТ117 Рязанський верстатобудівний завод РСЗ , заснований у 1949 році.
Універсальний токарно-гвинторізний верстат РТ117 є вдосконаленою моделлю верстата 1М65 .
Універсальный токарно-гвинторізний верстат моделі РТ117 (1Р117) сконструирован на базе верстата моделі 1н65.
Токарно-гвинторізний верстат РТ117 призначений в основному для виконання силових токарних робіт, для обробки деталей середніх та великих розмірів в умовах одиничного та дрібносерійного виробництва. На верстаті можна виробляти зовнішнє і внутрішнє точення, включаючи точення конусів, розточування, свердління та нарізування різьблень - метричної, модульної, дюймової, питной).
Токарно-гвинторізний верстат РТ117 виготовлений виключно з вітчизняних комплектуючих на базі верстата 1Н65 - має ту саму станину.
За рахунок підняття центрів збільшені діаметри деталі, що встановлюється і обробляється над станиною і над супортом (1Н65 = Ø 1000 мм, РТ117 = Ø 1140 мм).
Супорт верстата РТ117 має механічне переміщення верхньої частинини, що дозволяє робити точення довгих конусів. Точення коротких конусів також здійснюється рухом верхньої частинини супорта.
Зміна величин подач і налаштування на крок різьби, що нарізається, здійснюються перемиканням зубчастиних коліс коробки подач і налаштуванням гітари змінних шестерень.
Супорт має швидке переміщення в поздовжньому та поперечному напрямках, яке здійснюється від індивідуального електродвигуна.
Верстат РТ117 призначений для обробки чорних та кольорових металів з великими швидкостями різання різцями зі швидкорізальної сталі та твердих сплавів.
Коробка подач закритого типу забезпечує нарізування стандартного різьблення. Точні різьблення нарізаються із застосуванням змінних зубчастиних коліс, минаючи коробку подач.
Зміна чисел оборотів шпинделя та швидкості подачі супорта здійснюються перемиканням зубчастиних коліс коробки швидкостей та коробки подач за допомогою рукояток.
Переміщення задньої бабки та висування пінолі виконуються вручну обертанням маховичків.
Клас точності верстата Н або П згідно з ГОСТ 8-82Е. Шорсткість обробленої поверхні V 6.
Вид кліматичного виконання - УХЛ4 за ГОСТ 15150-69.
У 1930 році на Московському верстатобудівному заводі "Червоний пролетар" було прийнято рішення про розробку нового верстата токарного, стандартного, скорочено ТЗ. Дещо пізніше його перейменували на ДІП-200 – Догонім І Перегонім , за головним гаслом першої п'ятирічки, де 200 – висота центрів над станиною. Як прототип був обраний токарно-гвинторізний верстат німецької фірми VDF . У квітні 1932 року розпочалася підготовка випуску першої партії верстатів ДІП-200.
25 квітня 1932 року був зібраний і випробуваний перший радянський універсальний токарно-гвинторізний верстат з коробкою швидкостей - ДІП-200 . До кінця 1932 року було випущено 25 ДІПів.
У 1934 році на Московському верстатобудівному заводі "Червоний пролетар" освоюється випуск важких універсальних токарно-гвинторізних верстатів верстатів ДІП-300 (1д63) , ДІП-400 (1д64) , ДІП-500 (1д65) .
У 1940 році освоєно виробництво токарних верстатів ДІП-40 (1д64), ДІП-50 (1д65).
У 1944 році виробництво цих верстатів було передано на Рязанський верстатобудівний завод РСЗ , заснований у 1944 році.
Для освоєння виробництва верстатів на РСЗ першим був обраний токарно-гвинторізний верстат ДІП-400 з висотою центрів 400 м, який був докорінно перероблений і отримав назву - модель 164 .
У токарно-гвинторізному верстаті моделі 164 було передбачено преселективне керування швидкостями. Для зміни величини подач верстата було дві рукоятки. Керування переміщеннями супорта та каретки здійснювалося від однієї рукоятки, в яку вмонтовано кнопку для включення прискорених переміщень супорта та каретки. Верхня частинина супорта мала механічні рухи. У пінолі задньої бабки вмонтований центр, що обертається. Верстат був оснащений копіювальним пристроєм, у фартуху верстата встановлені електромагнітні муфти. Застосування легованих сталей для шестерень з відповідною термообробкою та шліфуванням по профілю зуба забезпечували надійність та довговічність верстата. Технічна характеристика верстата моделі 164 була вищою за рівень кращих зразків токарно-гвинторізних верстатів того часу.
Перший верстат було пред'явлено Державній комісії вже 21 грудня 1949 року. Верстат 164 встановлено на постамент біля головного корпусу заводу.
Верстат 164 згодом постійно уніфікувався, доопрацьовувався, удосконалювався, з'являлися нові моделі:
У 1953 році запущено у виробництво перший верстат 165-ї серії – модель 165 (діаметр обробки – Ø 1000 мм).
Серійний випуск токарних верстатів: 1м65 , 1н65 , РТ117 , РТ817 , РТ755Ф3 .

Посадочні та приєднувальні розміри верстата рт117

Фото важкого токарно-гвинторізного верстата рт117

Фото важкого токарно-гвинторізного верстата РТ117
Фото важкого токарно-гвинторізного верстата РТ117. Завантажити у збільшеному масштабі

Фото важкого токарно-гвинторізного верстата РТ117

Фото важкого токарно-гвинторізного верстата РТ117
Фото важкого токарно-гвинторізного верстата РТ117. Завантажити у збільшеному масштабі

Фото важкого токарно-гвинторізного верстата РТ117
Фото важкого токарно-гвинторізного верстата РТ117. Завантажити у збільшеному масштабі

Фото важкого токарно-гвинторізного верстата РТ117
Фото важкого токарно-гвинторізного верстата РТ117. Завантажити у збільшеному масштабі

Фото важкого токарно-гвинторізного верстата РТ117
Фото важкого токарно-гвинторізного верстата РТ117. Завантажити у збільшеному масштабі

Фото важкого токарно-гвинторізного верстата РТ117

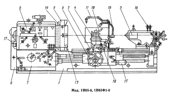
Розташування складових частинин токарного верстата рт117

Розташування складових частинин токарного верстата рт117

Розташування органів керування верстатом рт117
Органы керування токарно-гвинторізним верстата РТ117, РТ117. Скачать в увеличенном масштабе

Розташування органів керування верстатом рт117

Розташування органів керування на пультах верстата рт117

Кінематична схема токарно-гвинторізного верстата рт117
Схема кінематична токарно-гвинторізного верстата РТ117. Скачать в увеличенном масштабе
Станина является базовой сборочной единицей, на которой монтируются все остальные сборочные единицы і механізмы верстата.
На верхней частини станины расположены три призматические направляющие, из которых передняя і задня є базой каретки, а средняя — базой задньої бабки.
Внутри станины имеются наклонные люки для відведення стружки і охлаждающей жидкости в сторону, противоположную рабочему месту.
Под левой головной частью станины имеются ниши, в одной из которых смонтирован електродвигатель головного привода, а в другой — електронасос охлаждения з резервуаром для охлаждающей жидкости. Корито для сбора охлаждающей жидкости выполнено монолитным з корпусом станины.
В правой частини станины на передньої стенке смонтирован кронштейн со встроенными в него опорами ходового гвинта і ходового вала.
Для предотобертання провисания ходового гвинта і ходового вала в станке з РМЦ = 5000 мм имеются две подвески. Для верстатів моделей РТ117Г і РТ117ГФ1 в станине имеется выемка, в которой установлен съемный мостик.
Бабка передняя устанавливается на левой головной частини станины, фиксируется штифтами і крепится болтами. В корпусе її смонтированы: електромагнитная муфта для торможения шпинделя, шпиндельный узел, звено увеличения шага в 8 раз, механізм изменения направления переміщення каретки или нарезании резьб, механізм налаштування швидкостей шпинделя, вилки переміщення, рукоятки і другой детали, система змазки і електрошкаф.
Шпиндель смонтирован на трех опорах качения, из которых передняя і задня регулируемые.
Бабка задня перемещается по направляющим станины от редуктора ручного переміщення вращением валика.
В пиноль бабки встроен вращающийся шпиндель, у которого підшипники передньої опори регулируются з помощью гаек.
В шпинделе бабки задньої имеется прорезь для лапок хвостового режущего инструмента.
Суппорт крестовой конструкції имеет продольное перемещение вместе з кареткой по направляющим станины, а поперечное по направляющим каретки.
Оба переміщення осуществляются механически при помощи крестового переключателя і вручную вращением маховика і рукоятки каретки.
Резцовые салазки, несущие четырехпозиционную резцедержку, перемещаются вручную і механически по направляющим поворотной частини, которую можно повернуть вокруг оси на любой угол.
Каретка верстатів з пристрійм цифровой индикации снабжена преобразователем линейных перемещений, который соединяется з винтом поперечных перемещений з помощью сильфонной муфты.
Отсчет поперечного переміщення може осуществляться по лимбу і по табло УЦИ.
Фартук верстата выполнен закрытого типа со съемной передньої крышкой. Рух суппортной группе передається механізмом фартука от ходового вала или ходового гвинта.
Благодаря наличию в фартуке четырех електромагнітних муфт керування механическим переміщенням суппортной группы сосредоточено в одной рукоятке, причем направление увімкнення рукоятки совпадает з направлением подачі.
Возможно увімкнення швидкого ходу суппорта в направлении наклона рукоятки керування.
Благодаря обгонной муфте, вмонтированной в фартук, увімкнення швидкого ходу возможно при включенной подаче. Електродвигун ускоренного ходу установлен на фартуке.
В фартуке смонтирован механізм предохранительной муфты, исключающий поломку верстата при перегрузках.
Коробка подач закрытого типа со съемной передньої крышкой.
Механізм коробки подач позволяет получить первый ряд подач і все нарезаемые на станке різьби, не прибегая к изменению налаштування сменных шестерен.
Для получения второго ряда подач устанавливаются сменные колеса: а = 42, b = c = l26.
В состав верстата входит патрон четырехкулачковый несамоцентрирующий диаметром 1000 мм.
Для обробки нежестких деталей верстат снабжен двумя люнетами — подвижным і неподвижным.
Люнет подвижный крепится на каретке і поддерживает деталь непосредственно около резца. Диаметр охвата сухарями обеспечивается в пределах от 70 до 250 мм.
Люнет нерухомий устанавливается на направляючих станины в любом месте і закрепляется болтом, з помощью прихвата.
Он снабжен сухарями і роликами, которые устанавливаются в зависимости от условий обробки.
Диаметр охвата обрабатываемой детали в люнете нерухомому обеспечивается в пределах от 70 до 380 мм.

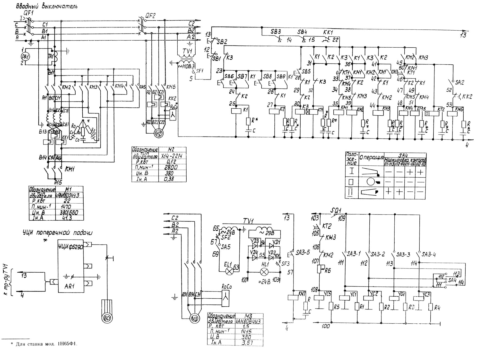
Електрична схема токарно-гвинторізного верстата рт117
Схема електрична принципова токарно-гвинторізного верстата РТ117. Скачать в увеличенном масштабе
| Наименование параметра | 1Н65 | РТ117 | РТ817 |
|---|---|---|---|
| Основні параметри | |||
| Класс точності по ГОСТ 8-82 | Н | Н | Н |
| Наибольший диаметр обрабатываемой заготовки над станиной, мм | 1000 | 1140 | 1370 |
| Наибольший диаметр обрабатываемой заготовки над суппортом, мм | 650 | 900 | 1110 |
| Наибольшая длина заготовки (РМЦ), мм | 1000, 3000, 5000 | 1000, 3000, 5000, 8000, 10000 | |
| Высота устанавливаемого резца, мм | 50 | 50 | |
| Наибольшая масса заготовки в центрах, кг | 5000 | 8000 (1000 з РМЦ от 5000 мм) |
|
| Шпиндель | |||
| Диаметр сквозного отверстия в шпинделе, мм | 128 | 128 | |
| Наибольший диаметр зажимаемого прутка, мм | 120 | 120 | |
| Наибольший крутящий момент на шпинделе, кН/м | 9,5 | 9,5 | 9,5 |
| Число ступеней частот прямого обертання шпинделя | 24 | 24 | |
| Частота прямого обертання шпинделя, об/мин | 5..500 | 5..500 | 5..500 |
| Размер внутреннего конуса в шпинделе | 100, 1:20 | ||
| Кінець шпинделя по ГОСТ 12595-72 | 2-15М | 2-15М | 2-15М |
| Диаметр стандартного патрона, мм | 1000 | 1000 | |
| Торможение шпинделя | есть | есть | |
| Суппорт. Подачи | |||
| Наибольшее продольное перемещение суппорта, мм | 700, 2700, 4500 | 2710..4600 | |
| Наибольшее поперечное перемещение суппорта, мм | 600 | 700 | |
| Цена деления лимба при продольном перемещении, мм | 0,1 | ||
| Цена деления лимба при поперечном перемещении, мм | 0,05 | ||
| Наибольшее продольное перемещение на оборот лимба, мм | 50 | ||
| Наибольшее поперечное перемещение на оборот лимба, мм | 6 | ||
| Число ступеней продольных подач | 40 | ||
| Пределы продольных подач, мм/об | 0,05..3,05 | 0,04..2,42 | |
| Пределы поперечных подач, мм/об | 0,017..1,04 | 0,022..0,88 | |
| Наибольшее продольное усилие різання Pz, кН | 41 | ||
| Наибольшее поперечное усилие різання Pх, кН | |||
| Скорость быстрых перемещений суппорта продольных/ поперечных, м/мин | 3/ 1 | 3/ 1 | |
| Количество нарезаемых різьб метрических | 44 | ||
| Пределы шагов нарезаемых різьб метрических, мм | 1..120 | 1..96 | |
| Кількість нарізних різьблень дюймових | 31 | ||
| Межі кроків різьблення дюймових, ниток на дюйм | 28...¼ | 24..0,25 | |
| Кількість нарізних різьблень модульних | 37 | ||
| Межі кроків різьблення нарізаних модульних, модуль | 0,5..30 | 0,5..24 | |
| Кількість нарізних різьблення питчових, пітч діаметральний | ні | 96..1 | |
| Вимикаючі упори поздовжні | є | є | |
| Вимикаючі упори поперечні | є | є | |
| Різцеві санки (верхній супорт) | |||
| Найбільше переміщення різцевих санчат, мм | 240 | 240 | |
| Ціна поділу лімба переміщення різцевих санчат, мм | 0,05 | ||
| Число ступенів подач | 40 | ||
| Межі поздовжніх подач, мм/про | 0,017..1,04 | 0,022..0,88 | |
| Швидкість швидких переміщень, мм/хв. | 1 | ||
| Найбільший кут повороту, град | ±90° | ||
| Ціна одного поділу кута повороту, град | 1° | ||
| Задня бабка | |||
| Центр у шпинделі за ГОСТ 13214-79 | |||
| Найбільше переміщення пінолі, мм | 300 | ||
| Найбільше переміщення пінолі зі встановленим інструментом, мм | |||
| Діаметр пінолі, мм | |||
| Найбільше переміщення бабки у поперечному напрямку, мм | ±15 | ||
| Електроустаткування | |||
| Кількість електродвигунів на верстаті | 3 | ||
| Електродвигун головного приводу, кВт | 22 | 22..30 | |
| Електродвигун швидкого ходу супорта, кВт | 1,5 | ||
| Привід насоса мастила | |||
| Насос охолодження (помпа) | 0,12 | ||
| Сумарна потужність усіх електродвигунів, кВт | 23,62 | ||
| Габарити та маса верстата | |||
| Габарити верстата (довжина ширина висота) РМЦ = 2800,3000 мм | 4100..8180 х 2200 х 1770 | 4100..13000 х 2110 х 2000 | |
| Маса верстата РМЦ = 3000 кг | 9850..15750 | 11000..22000 |
Замовити
Хто володіє інформацією – той володіє світом.
Натан Ротшильд