Виробник токарного верстата РТ705Ф312 - Рязанський верстатобудівний завод РСЗ , заснований у 1949 році.
Свій перший верстат Рязанський верстатобудівний завод випустив 21 лютого 1949 - це був токарно-гвинторізний верстат 164 серії. Протягом короткого часу заводом було запущено в виробництво ще три серії токарних верстатів - 166, 165 у 1953 році, 163 у 1956 році.
У міру вдосконалення конструкції верстатів завод випускав все більш сучасні моделі - 1М63 , 1М63Б , 1М63БФ101 , 1М63Н , 16К30 , 1А64 , 16К40 , 1М65 , 1Н65 .
На основі універсальних токарних верстатів Рязанським верстатобудівним заводом був освоєний випуск токарних верстатів з ЧПУ - 16К30Ф3 , 16М30Ф3 , 16К40РФ3, 16Р50Ф3 та ін.
Також заводом освоєно випуск сучасних токарних обробних центрів з числом координат від 4 до 8, токарних верстатів з ЧПУ похилої 1П756ДФ3 і горизонтальної компоновок, трубообробних верстатів 1А983 , 1Н983 - для обробки кінців труб діаметром до 460 мм, колесотокарних, колесотокарних та ін.
Верстат з ЧПУ РТ705Ф312 призначений для токарної обробки зовнішніх циліндричних, конічних та фасонних поверхонь деталей типу валів в один або кілька проходів замкнутим автоматичним циклом у механічних цехах машинобудівних заводів та інших галузях промисловості.
На верстаті РТ705Ф312 можна проводити зовнішнє точення, розточування, свердління, нарізування різьблення.
Регулювання поздовжніх та поперечних подач безступінчасте.
Широкий діапазон регулювання частоти обертання шпинделя та подач, жорсткість основних вузлів верстата дозволяють проводити обробку деталей із звичайних та спеціальних матеріалів, закріплених у центрах чи патроні.
У верстаті використовуються 4-х позиційні револьверні головки з вертикальною віссю обертання. Верстати на замовлення можуть оснащуватися борштангою для розточування глибоких отворів або одночасно борштангою та різцеутримувачем.
Пуск і зупинка шпинделя здійснюється через електромагнітну муфту, вбудовану в приймальний шків.
Реверс шпинделя здійснюється за рахунок електродвигуна.
Гальмування шпинделя здійснюється за рахунок гальмівної електромагнітної муфти.
Шпиндель має 3 х 24 швидкості в діапазоні 5..1250 об/хв.
Зміна швидкості шпинделя здійснюється за рахунок перемикання блоків шестерень за допомогою двох ручок на передній бабці верстата.
Електродвигун головного приводу 3-х швидкісний, що дозволяє програмувати кількість обертів шпинделя.
Механізм поздовжніх переміщень складається з наступних вузлів:
Кроковий двигун із гідропідсилювачем є джерелом джерелом руху приводу
Механізм поперечних переміщень складається з наступних вузлів:
Клас точності верстата Н згідно з ГОСТ 8-77.
Розробник - Рязанське спеціальне конструкторське бюро верстатобудування.

Габарит робочого простору токарного верстата з ЧПУ РТ705Ф312
Габарит робочого простору токарного верстата з ЧПУ РТ705Ф312. Дивитись у збільшеному масштабі

Шпиндель токарного верстата з ЧПУ РТ705Ф312
Шпиндель токарного верстата з ЧПУ РТ705Ф312. Дивитись у збільшеному масштабі
Регулювання шпиндельних опор проводиться у наступній послідовності:

Фото токарного верстата з ЧПУ РТ705Ф312

Фото токарного верстата з ЧПУ РТ705Ф312

Схема розташування органів керування токарним верстатом з ЧПУ РТ705Ф312

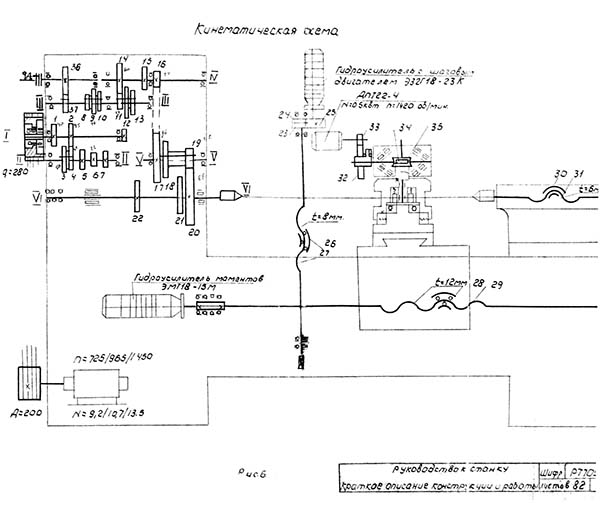
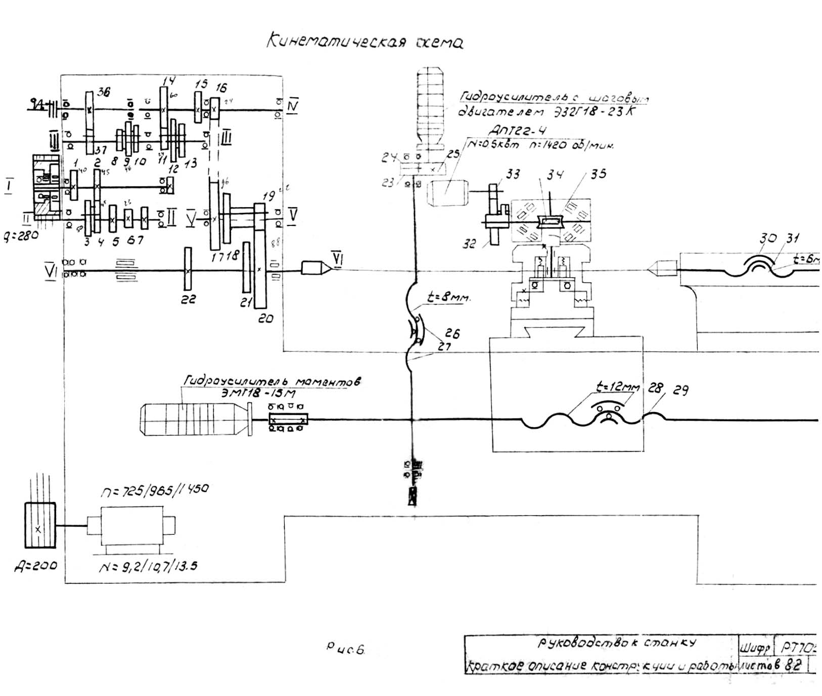
Кінематична схема токарного верстата з ЧПУ РТ705Ф312
Кінематична схема токарного верстата з ЧПУ РТ705Ф312. Дивитись у збільшеному масштабі

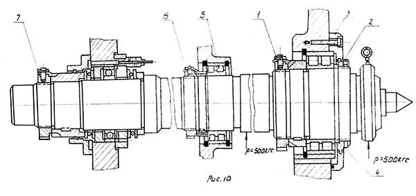
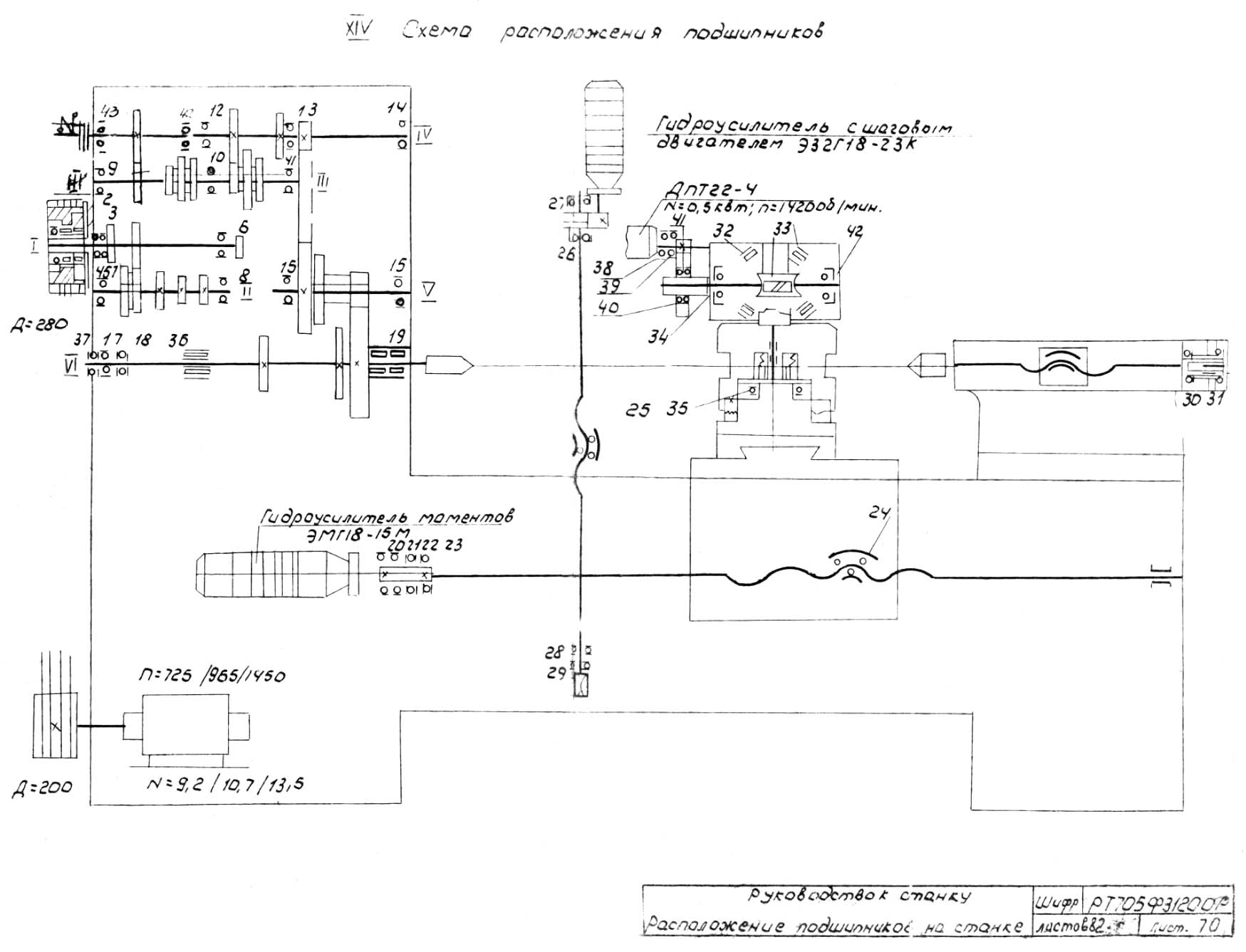
Схема розположення підшибників токарного верстата з ЧПУ РТ705Ф312
Схема розположення підшибників токарного верстата з ЧПУ РТ705Ф312. Дивитись у збільшеному масштабі

Регулювання фрікциону токарного верстата з ЧПУ РТ705Ф312
Регулювання фрікциону токарного верстата з ЧПУ РТ705Ф312. Дивитись у збільшеному масштабі

Привід продольных подач токарного верстата з ЧПУ РТ705Ф312
Привід продольных подач токарного верстата з ЧПУ РТ705Ф312. Дивитись у збільшеному масштабі

Привід поперечных подач токарного верстата з ЧПУ РТ705Ф312
Привід поперечных подач токарного верстата з ЧПУ РТ705Ф312. Дивитись у збільшеному масштабі

Різцетримка токарного верстата з ЧПУ РТ705Ф312
Різцетримка токарного верстата з ЧПУ РТ705Ф312. Дивитись у збільшеному масштабі

Гідроусилитель крутящего момента токарного верстата з ЧПУ РТ705Ф312
Гідроусилитель крутящего момента токарного верстата з ЧПУ РТ705Ф312. Дивитись у збільшеному масштабі
| Наименование параметра | РТ705Ф312 | РТ706Ф312 |
|---|---|---|
| Основні параметри верстата | ||
| Класс точності верстата по ГОСТ 8—82 | Н | Н |
| Наибольший диаметр обрабатываемого вироби над станиной, мм | 630 | 630 |
| Наибольший диаметр обрабатываемого вироби над суппортом, мм | 350 | 350 |
| Наибольшая длина обрабатываемого вироби (РМЦ), мм | 1400 | 710 |
| Наибольшая масса обрабатываемого вироби, кг | ||
| Количество управляемых осей (всего/ одновременно) | ||
| Шпиндель | ||
| Диаметр отверстия в шпинделе, мм | 70 | 70 |
| Наибольший диаметр прутка проходящего через отверстие в шпинделе, мм | 65 | 65 |
| Пределы оборотів шпинделя, об/мин (количество швидкостей) | 5..1250 | 5..1250 |
| Кінець шпинделя по ГОСТ 12593-72 | ||
| Размер центра в шпинделе по ГОСТ 18259-72 | Конус метрический 80 | Конус метрический 80 |
| Наибольший крутящий момент на шпинделе, кгс*м | ||
| Суппорт | ||
| Наибольшее перемещение суппорта: продольное/ поперечное, мм | 1230/ 300 | 550/ 300 |
| Высота резца, устанавливаемого в резцедержателе, мм | 32 х 25 | 32 х 25 |
| Количество инструментов, устанавливаемых в резцедержатель, мм | 4 | 4 |
| Розміри нарезаемых метрических резьб, мм | ||
| Диапазон швидкостей подач (продольных / поперечных), мм/мин | 15..2700/ 3..640 | 15..2700/ 3..640 |
| Скорость быстрых ходов (продольных/ поперечных), м/мин | ||
| Дискретність завдання переміщення (подовжнього/поперечного, мм | ||
| Точність переміщення (подовжнього/поперечного, мм | ||
| Найбільше зусилля подачі (поздовжнє/поперечне), кг | ||
| Запобігання перевантаженню | ні | ні |
| Задня бабка | ||
| Центр шпинделя задньої бабки за ГОСТ 13214-67 | Морзе 5 | Морзе 5 |
| Найбільше переміщення пінолі, мм | 240 | 240 |
| Швидкість переміщення пінолі, мм/хв. | ||
| Швидкість переміщення задньої бабки, мм/хв. | ||
| Параметри систем ЧПУ | ||
| Позначення системи ЧПУ | 2ПТ-71/Н22-М | 2ПТ-71/Н22-М |
| Кількість керованих координат (всього/одночасно) | ||
| Дискретність відліку переміщень по осях X та Z, мм | ||
| Електроустаткування та приводи верстата | ||
| Електромережа | 380/220 В,50 Гц | 380/220 В,50 Гц |
| Кількість електродвигунів на верстаті | ||
| Електродвигун головного приводу, кВт (об/хв) | 9,2/ 10,7/ 13,5 (725/ 965/ 1450) | 9,2/ 10,7/ 13,5 (725/ 965/ 1450) |
| Електродвигун регульованого насоса, кВт (об/хв) | 7,5 (1440) | 7,5 (1440) |
| Електродвигун різцетримки, кВт (об/хв) | 0,5 (1410) | 0,5 (1410) |
| Електродвигун насоса підживлення, кВт (об/хв) | 1,1 (1440) | 1,1 (1440) |
| Електродвигун насоса охолодження, кВт (об/хв) | 0,15 (2800) | 0,15 (2800) |
| Сумарна потужність електродвигунів, кВт | ||
| Сумарна потужність верстата, кВт | ||
| Габарити та маса верстата | ||
| Габарити верстата (довжина x ширина x висота), мм | 3660 х 1700 х 1500 | 3070 х 1700 х 1500 |
| Маса верстата з ЧПУ, кг | 5500 | 5000 |