Виробник радіально-свердлильного верстата моделі 2К550в - Гомельський завод верстатних вузлів ДЗСУ , заснований у 1961 році.
Радіально-свердлильний верстат 2К550 є аналогом верстата 2А554 (Одеса).
Верстат радіально-свердлильний 2К550В призначений для свердління, розсвердлювання, зенкерування, розгортання, розточування отворів, нарізування різьблення мітчиками, підрізування торців різцем, а також виконання інших аналогічних операцій при обробці різних корпусних деталей в механічних цехах одиничного, дрібного. складальних цехах заводів важкого транспортного машинобудування. При оснащенні верстата пристроями та спеціальним інструментом його можна використовувати для високопродуктивної обробки великогабаритних деталей у великосерійному виробництві.
Номінальні значення температури навколишнього повітря під час експлуатації верстата +1°С…35°С.
Відносна вологість повітря має бути не більше 80% за температури + 25°С.
Клас точності верстата – Н за ГОСТ 8.

Габарити робочого простору свердлувального верстата 2к550в

Габарити верстата 2к550в.

Стіл коробчатий знімний верстата 2к550в
Стіл коробчатий знімний призначений для встановлення та кріплення на ньому лещат, верстатних пристроїв на верхній та бічній робочих поверхнях.
Кріплення коробчатого столу здійснюється чотирма Т-подібними болтами М20, що входять в комплект поставки.

Кінець шпинделя та плита основи верстата 2к550в

Фото радіально-свердлувального верстата 2к550в

Свердлильна головка радіально-свердлувального верстата 2к550в

Пульт керування радіально-свердлильного верстата 2к550в

Розташування складових частинин свердлувального верстата 2к550в

Розташування органів керування радиально-сверлильным верстатом 2к550в
Електроустаткування верстата рассчитано на подключение к трехфазной сети переменного тока напряжением 380 В з частотой 50 Гц. Тип питающей сети і системы заземления TN или ТТ.
Электроавтоматика верстата питается от следующих величин напряжения вторичного источника живлення переменного тока:
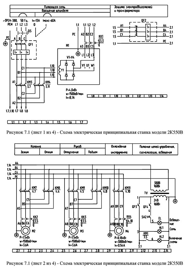
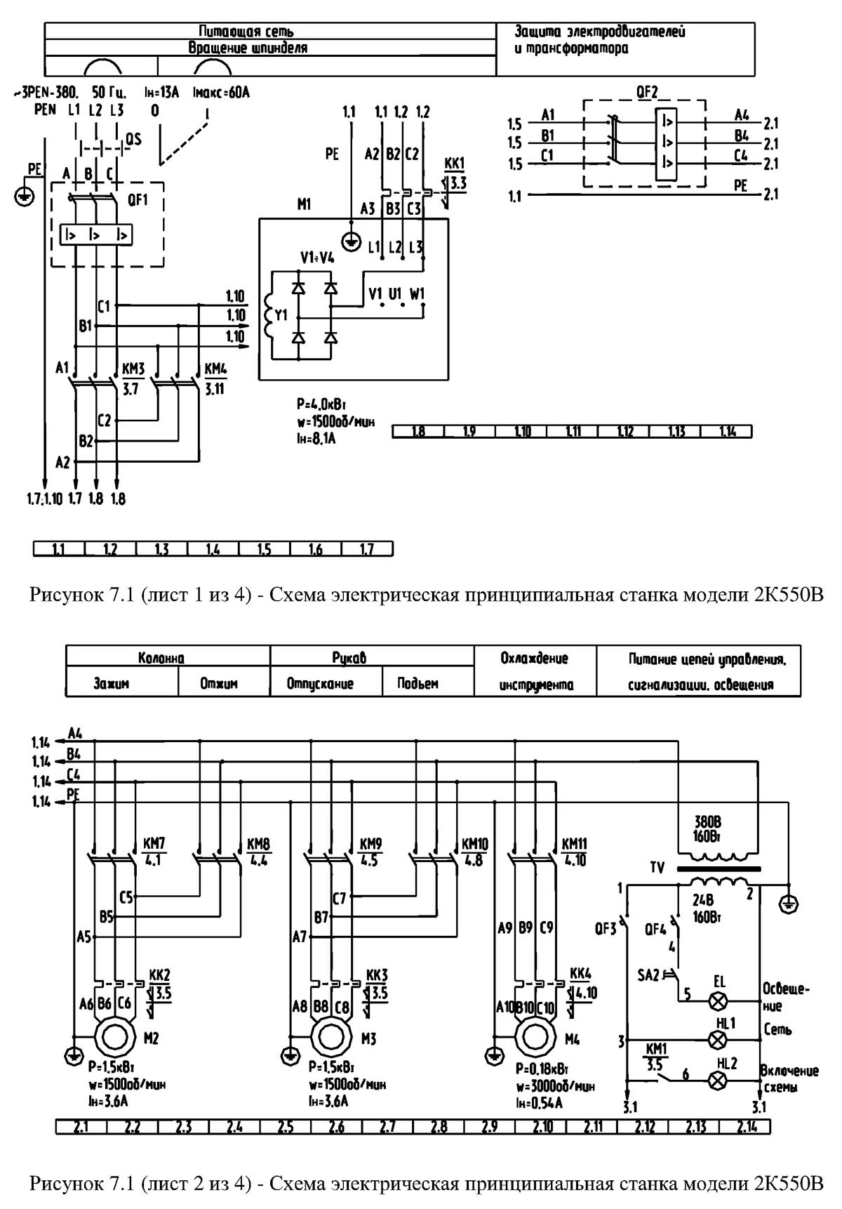
Електроустаткування верстата выполнено согласно схеме електрической принципиальной 055.8000.000 Э3 (рис.7.1) і перечню елементів, указанных в таблице 7.1.
Електрична схема разработана для типа питающей сети TN.
Электрические соединения верстата выполнены по схеме електрической з'єднань 055.8000.000 Э4 (рис.7.2) і таблице з'єднань проводов (табл. 7.2).
Электрические соединения електрошафи выполнены по схеме 055.8500.000 Э4 (рис.7.3 ) і таблице проводов (табл.7.3 ).
На станке установлены четыре трехфазных асинхронных електродвигуна:
Электрическое освещение верстата выполнено з помощью пристроенного светильника EL. В станке отсутствует електронная аппаратура, поетому он не излучает радиопомехи і устойчив к ним в соответствии з СТБ МЭК 60439.1-2007 (для России ГОСТ Р51321.1-2000).

Електрична схема радиально-сверлильного верстата 2к550в
Схема електрична радиально-сверлильного верстата 2К550В. Дивитись у збільшеному масштабі

Електрична схема радиально-сверлильного верстата 2к550в
Схема електрична радиально-сверлильного верстата 2К550В. Дивитись у збільшеному масштабі

Список елементів радиально-сверлильного верстата 2к550в
Список елементів радиально-сверлильного верстата 2к550в. Дивитись у збільшеному масштабі

Список елементів радиально-сверлильного верстата 2к550в
Список елементів радиально-сверлильного верстата 2к550в. Дивитись у збільшеному масштабі

Схема з'єднань радиально-сверлильного верстата 2к550в
Схема з'єднань радиально-сверлильного верстата 2к550в. Дивитись у збільшеному масштабі
Работу на станке следует начинать в следующем порядке:
Переключатель SA3 установите в режиме сверления. (Его контакты разомкнуты). При повороте рукоятки «Увімкнення шпинделя» на себя или от себя срабатывают путевые выключатели SQ1 і SQ2, при етом включается електродвигатель Ml приводу шпинделя на правое или левое вращение соответственно.
Переключатель SA3 установите в режиме резьбонарізання. (Его контакты замкнуты). При етом включается пускатель КМ6, который своим н.з. контактом (18-20) разблокирует микропереключатель SQ4, а н.о. контактами (22-23) і (26-27) подготовит ланцюги пускачів КМ4 і КМ5 к автоматическому резьбонарезанию. Перемещением рукоятки «Увімкнення шпинделя» на себя включаем правое вращение шпинделя. Происходит нарезание різьби до срабатывания микропереключателя SQ4. При етом микропереключатель своим н.з. контактом (18-20) разомкнет ланцюг пускателя КМЗ, а своим контактом (13-25) включит пускатель КМ5, который срабатывает і становится на самопитание. Шпиндель вращается влево і происходит возвращение инструмента в исходное положение.
Перемещение рукава вверх или вниз осуществляется при нажатии на кнопки SB4 или SB3 соответственно. Крайние положения рукава ограничены конечными выключателями SQ9 і SQ10. Подъем рукава осуществляется нажатием і удержанием в течение 1..2 сек. кнопки SB4. При етом включается пускатель КМ 11 і електродвигатель приводу рукава М3. Винт переміщення рукава сначала вращается вхолостую, перемещая сидящую на нем гайку отжима. С окончанием отжима рукава гайка отжима входит в зацепление з грузовой, після чего срабатывает конечный выключатель SQ11 і начинается перемещение рукава вверх. После срабатывания выключатель SQ11 ставит пускатель КМ10 на самопитание і подго¬тавливает увімкнення пускателя КМ9 і реверс електродвигуна М3 для зажиму рукава в новом положении. При достижении рукава в нужной точке кратковременным нажатием на кнопку SB3 отключается подъем рукава (отключается пускатель КМ10) і начинается зажим рукава (включается пускатель КМ9). По окончании зажиму рукава отключается конечный выключатель SQ11, который і отключает пускатель КМ9 і електродвигатель М3.
Опускание рукава происходит при нажатии на толчковую кнопку SB3. При етом срабатывает пускатель КМ9 і електродвигатель М3. Происходит разжим рукава. По окончании разжима рукава срабатывает конечный выключатель SQ12 і происходит опускание рукава. При достижении рукава нужного положения необходимо отпустить кнопку SB3. Происхо¬дит відключення пускателя КМ9 і включается пускатель КМ10. Рукав зажимается до отклю¬чения конечного выключателя SQ12, который отключает пускатель КМ10 і електродвига¬тель М3.
Для исключения одновременного срабатывания пускачів КМ 10 і КМ 11 их ланцюги взаимно блокируются размыкающими контактами.
Увімкнення електронасоса производится переключателем SA4; светильник местного освещения включается переключателем SA2.
Для аварийной остановки верстата следует нажать на красный грибовидный толкатель кнопки SB1. При етом восстановление ланцюги аварийной остановки возможно только після приведения толкателя кнопки SB1 в исходное положение вручную.
Захист силових ланцюгів електродвигателей, трансформатора, ланцюгів керування і освещения от токов короткого замыкания производится автоматическими выключателями QF1, QF2, QF3, QF4
Захист електродвигателей от длительных перегрузок осуществляется тепловыми реле КК1, КК2, КК3, КК4.
Внешний защитный проводник должен быть подключен к зажиму РЕ, расположенному на боковой стенке цоколя ниже вводного штуцера или на узел заземления, который находится рядом з вводным клеммным зажимом.
В електросхеме верстата предусмотрены наступні меры предупреждения аварийных ситуаций, обеспечивающие безопасность роботи при неправильных діїх оператора, выходе из строя окремих елементів верстата, отключении електроживлення:
Тормозная способность тормоза шпинделя достигает следующих показателей:
Обслуживать електрообладнання верстата, заниматься его наладкой і ремонтом имеют право лица, имеющие допуск к обслуговування електроустановок до 1000 В, знающие правила технической експлуатации і безопасного обслуживания електроустановок промышленных предприятий і изучившие работу верстата
При етом необходимо руководствоваться указаниями мер безопасности в настоящем руководстве і в руководстве по експлуатации механической частини верстата, а также в прилагаемой експлуатационной документации на комплектующие вироби.
Верстат должен быть надежно подключен к цеховому заземляющему устройству. Все металлические частини (основание, корпуса електродвигателей, каркас електрошафи і пульт керування), которые могут оказаться под напряжением выше 25 В, должны быть тщательно заземлены.
После установки верстата, до подключения его к цеховой сети, необходимо проверить непрерывность ланцюги защиты, Непрерывность ланцюги защиты проверяется пропусканием через нее тока не менее 10 А, частотой 50 Гц, направленного от источника БСНН в течение 10 с. Испытание должно быть проведено между зажимом РЕ (пункт 4.5.3) і различными точками ланцюги защиты (на двигунах, силовой панелі).
Измеренное значение напряжения между зажимом РЕ і вузлами заземления X, X не должно превышать 2,6 В, а между зажимом РЕ і другими контрольными точками - не более 3,3 В.
Первоначальный пуск осуществляется в следующей післядовательности:
При первоначальном пуске следует производить наступні проверки:
| Наименование параметра | 2к550в | 2м55 | 2а554 |
|---|---|---|---|
| Основні параметри верстата | |||
| Класс точності верстата | Н | Н | Н |
| Наибольший условный диаметр сверления в стали 45 ГОСТ 1050-88, НВ 207..229, мм | 55 | 50 | 50 |
| Наибольший условный диаметр сверления в чугуне СЧ20 ГОСТ 1412-85, мм | 65 | 63 | 63 |
| Диапазон нарезаемой різьби в стали 45 ГОСТ 1050-88, мм | М45 | М52 х 5 | |
| Расстояние от оси шпинделя до направляющей колонны (вылет шпинделя), мм | 370..1600 | 375..1600 | 375..1600 |
| Наибольшее горизонтальное перемещение сверлильной головки по рукаву, мм | 1280 | 1225 | 1225 |
| Наименьшее і наибольшее расстояние от торца шпинделя до плиты, мм | 580..1600 | 450..1600 | 450..1600 |
| Наибольшее вертикальное перемещение рукава по колонне (установочное), мм | 720 | 750 | 750 |
| Скорость вертикального переміщення рукава по колонне, м/мин | 1,4 | ||
| Угол поворота рукава вокруг колонны, град | 360° | 360° | 360° |
| Рамер поверхности плиты (ширина длина), мм | 900 х 1670 | 1000 х 2555 | 1020 х 2555 |
| Наибольшая масса инструмента, устанавливаемого на станке, кг | 15 | ||
| Шпиндель | |||
| Наибольшее осевое перемещение пиноли шпинделя (ход шпинделя), мм | 300 | 400 | 400 |
| Перемещение шпинделя на одно деление лимба, мм | 1 | 1 | 1 |
| Перемещение шпинделя на оборот лимба, мм | 122,6 | 120 | |
| Диаметр гильзы шпинделя, мм | 90 | ||
| Обозначение кінця шпинделя по ГОСТ 24644 | Морзе 5 АТ6 | Морзе 5 | Морзе 5 АТ6 |
| Частота прямого обертання шпинделя, об/мин | 40..1730 | 20..2000 | 18..2000 |
| Количество швидкостей шпинделя прямого обертання | 12 | 21 | 24 |
| Пределы рабочих подач на один оборот шпинделя, мм/об | 0,6..1,5 | 0,056..2,5 | 0,045..5,0 |
| Число ступеней рабочих подач | 9 | 12 | 24 |
| Пределы рабочих подач на один оборот шпинделя при нарезании різьби, мм | 1,0...5,0 | ||
| Наибольший допустимый крутящий момент на шпинделе, Н*м | 600 | 710 | 710 |
| Наибольшее усилие подачі, кН | 20 | 20 | 20 |
| Зажим обертання колонны в цоколе | Автом | Гідро | Гідро |
| Зажим рукава на колонне | Автом | Электр | Электр |
| Зажим сверлильной головки на рукаве | Гідр | Гідр | |
| Відключення подачі при достижении заданной глубины сверления | Автом/ ручн | ||
| Увімкнення реверса шпинделя при достижении заданной глубины різьби | Автом/ ручн | ||
| Електроустаткування. Привод | |||
| Количество електродвигателей на станке | 4 | 6 | 7 |
| Електродвигун приводу головного руху, кВт (об/мин) | 4 | 4,5 | 5,5 |
| Електродвигун приводу переміщення рукава, кВт (об/мин) | 1,5 | 2,2 | 2,2 |
| Електродвигун приводу гідрозажиму колонны, кВт (об/мин) | 1,5 | 0,55 | 0,55 |
| Електродвигун приводу гідрозажиму сверлильной головки, кВт (об/мин) | - | - | - |
| Електродвигун насоса охлаждающей жидкости, кВт (об/мин) | 0,18 | 0,125 | 0,125 |
| Електродвигун набора швидкостей, кВт (об/мин) | - | 0,15 | 0,15 |
| Електродвигун набора подач, кВт | - | 0,15 | 0,15 |
| Електродвигун приводу ускоренного переміщення шпинделя, кВт | - | - | 0,55 |
| Суммарная мощность установленных електродвигателей, кВт | 8,9 | ||
| Габарити і масса верстата | |||
| Габарити верстата (длина ширина высота), мм | 2500 х 900 х 2700 | 2665 х 1020 х 3430 | 2665 х 1030 х 3430 |
| Масса верстата, кг | 3500 | 4700 | 4700 |