metalinstryment.com
Довідник по металорізальних верстатів та пресовому обладнанні

Электросхеми фрезерных верстатів:
6М82, 6М82Г, 6М82Ш, 6М82ГБ, 6М83, 6М83Г, 6М83Ш, 6М12П, 6М12ПБ, 6М13П, 6М13ПБ
схеми, опис, характеристики

Верстат горизонтальный фрезерный консольный







Відомості про виробника консольно-фрезерных верстатів 6М82, 6М82Г, 6М82Ш, 6М82ГБ, 6М83, 6М83Г, 6М83Ш, 6М12П, 6М12ПБ, 6М13П, 6М13ПБ

Производитель универсальных фрезерных верстатів - Горьковский завод фрезерных верстатів, основанный в 1931 году.

Производство фрезерных верстатів на Горьковском станкостроительном заводе началось в 1932 году.





Серия М Горьковского завода фрезерных верстатів ГЗФС


Модифікації консольно-фрезерных верстатів серии 6М

Серия 6М консольно-фрезерных верстатів - 6М12П, 6М12ПБ, 6М13П, 6М13ПБ, 6М82, 6М82Г, 6М82ГБ, 6М82Ш, 6М83, 6М83Г, 6М83Ш, запущенна в 1961 году, включет в себя несколько модификаций:


История выпуска верстатів Горьковским заводом, ГЗФС

В 1937 году на Горьковском заводе фрезерных верстатів были изготовлены первые консольно-фрезерные верстати серии 6Б моделей 6Б12 і 6Б82 з рабочим столом 320 х 1250 мм (2-го типоразмера).

В 1951 году запущена в производство серия консольно-фрезерных верстатів: 6Н12, 6Н13П, 6Н82, 6Н82Г. Верстат 6Н13ПР получил “Гран-При” на всемирной выставке в Брюсселе в 1956 году.

В 1960 году запущена в производство серия консольно-фрезерных верстатів: 6М12П, 6М13П, 6М82, 6М82Г, 6М83, 6М83Г, 6М82Ш.

В 1972 году запущена в производство серия консольно-фрезерных верстатів: 6Р12, 6Р12Б, 6Р13, 6Р13Б, 6Р13Ф3, 6Р82, 6Р82Г, 6Р82Ш, 6Р83, 6Р83Г, 6Р83Ш.

В 1975 году запущены в производство копировальные консольно-фрезерные верстати: 6Р13К.

В 1978 году запущены в производство копировальные консольно-фрезерные верстати 6Р12К-1, 6Р82К-1.

В 1985 году запущена в производство серия 6Т-1 консольно-фрезерных верстатів: 6Т12-1, 6Т13-1, 6Т82-1, 6Т83-1 і ГФ2171.

В 1991 году запущена в производство серия консольно-фрезерных верстатів: 6Т12, 6Т12Ф20, 6Т13, 6Т13Ф20, 6Т13Ф3, 6Т82, 6Т82Г, 6Т82ш, 6Т83, 6Т83Г, 6Т83Ш.








Електроустаткування консольно-фрезерных верстатів 6М82, 6М82Г, 6М82Ш, 6М82ГБ, 6М83, 6М83Г, 6М83Ш, 6М12П, 6М12ПБ, 6М13П, 6М13ПБ. 1961 год

Загальні відомості

Питание ланцюгів електроустаткування осуществляется следующими напряжениями:

Електроустаткування верстата предназначено для подключения к трехфазной сети переменного тока з глухозаземленным или изолированным нейтральным проводом.

Нулевая защита всех електродвигателей, а также защита от коротких замыканий плавкими предохранителями і от перегрузок при помощи тепловых реле.

На верстатах установлены три или четыре трехфазных короткозамкнутых асинхронных електродвигуна.


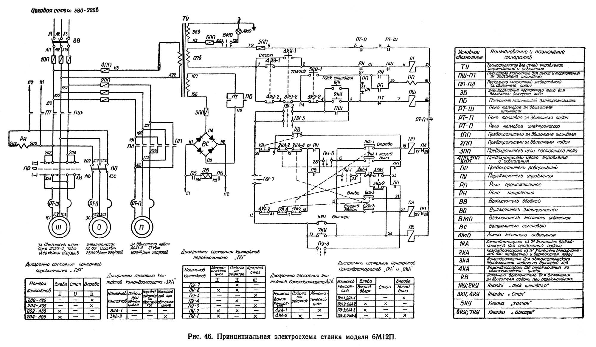
Схема електрична принципова фрезерных верстатів 6М12П, 6М12ПБ, 6М82, 6М82Г, 6М82ГБ, 6М82Ш, 6М13П, 6М13ПБ, 6М83, 6М83Г, 6М83Ш. 1966 год

Схема електрична принципова фрезерных верстатах 6М12П, 6М12ПБ, 6М82, 6М82Г, 6М82ГБ, 6М82Ш, 6М13П, 6М13ПБ, 6М83, 6М83Г, 6М83Ш

Електричнапринципова схема фрезерных верстатів серии 6М

Схема електрична принципова консольно-фрезерных верстатах серии 6М. Дивитись у збільшеному масштабі



Диаграммы переключателей. Назначение путевых выключателей на фрезерных верстатах 6М12П, 6М12ПБ, 6М82, 6М82Г, 6М82ГБ, 6М82Ш, 6М13П, 6М13ПБ, 6М83, 6М83Г, 6М83Ш

Диаграммы переключателей. Назначение путевых выключателей фрезерных верстатів серии 6М

Диаграммы переключателей. Назначение путевых выключателей на консольно-фрезерных верстатах серии 6М. Дивитись у збільшеному масштабі



Список елементів схеми електрической принципиальной фрезерных верстатів 6М12П, 6М12ПБ, 6М82, 6М82Г, 6М82ГБ, 6М82Ш, 6М13П, 6М13ПБ, 6М83, 6М83Г, 6М83Ш

Список елементів схеми електрической принципиальной фрезерных верстатів серии 6М

Список елементів схеми електрической принципиальной консольно-фрезерных верстатах серии 6М. Дивитись у збільшеному масштабі



Cхема розположення електроустаткування на вертикальних консольно-фрезерных верстатах 6М12П, 6М12ПБ, 6М13П, 6М13ПБ

Cхема розположення електроустаткування на консольно-фрезерных верстатах 6М12П, 6М12ПБ, 6М13П, 6М13ПБ

Cхема розположення електроустаткування на верстатах 6М12П, 6М12ПБ, 6М13П, 6М13ПБ

Cхема розположення електроустаткування на консольно-фрезерных верстатах 6М12П, 6М12ПБ, 6М13П, 6М13ПБ. Скачать в увеличенном масштабе



Cхема розположення електроустаткування на горизонтальных консольно-фрезерных верстатах 6М82, 6М82Г, 6М82ГБ, 6М83, 6М83Г

Cхема розположення електроустаткування на горизонтальных консольно-фрезерных верстатах 6М82, 6М82Г, 6М82ГБ, 6М83, 6М83Г

Cхема розположення електроустаткування на верстатах 6М82, 6М82Г, 6М82ГБ, 6М83, 6М83Г

Cхема розположення електроустаткування на горизонтальных консольно-фрезерных верстатах 6М82, 6М82Г, 6М82ГБ, 6М83, 6М83Г. Скачать в увеличенном масштабе



Cхема розположення електроустаткування на широкоуниверсальных консольно-фрезерных верстатах 6М82Ш, 6М83Ш

Cхема розположення електроустаткування на широкоуниверсальных консольно-фрезерных верстатах 6М82Ш, 6М83Ш

Cхема розположення електроустаткування на верстатах 6М82Ш, 6М83Ш

Cхема розположення електроустаткування на широкоуниверсальных консольно-фрезерных верстатах 6М82Ш, 6М83Ш. Скачать в увеличенном масштабе



Список графических символів на консольно-фрезерном станке

Список графических символів на консольно-фрезерном станке

Список графических символів на консольно-фрезерном станке

Список графических символів на консольно-фрезерном станке. Скачать в увеличенном масштабе



Список графических символів на консольно-фрезерном станке

Список графических символів на консольно-фрезерном станке

Список графических символів на консольно-фрезерном станке. Скачать в увеличенном масштабе



Список графических символів на консольно-фрезерном станке

Список графических символів на консольно-фрезерном станке

Список графических символів на консольно-фрезерном станке. Скачать в увеличенном масштабе







Електроустаткування консольно-фрезерных верстатів 6М82, 6М82Г, 6М82Ш, 6М82ГБ, 6М83, 6М83Г, 6М83Ш, 6М12П, 6М12ПБ, 6М13П, 6М13ПБ. 1961 год

Загальні відомості

Питание ланцюгів електроустаткування осуществляется следующими напряжениями:

Електроустаткування верстата предназначено для подключения к трехфазной сети переменного тока з глухозаземленным или изолированным нейтральным проводом.

Нулевая защита всех електродвигателей, а также защита от коротких замыканий плавкими предохранителями і от перегрузок при помощи тепловых реле.


Схема електрична принципова фрезерных верстатів 6М12П, 6М12ПБ, 6М82, 6М82Г, 6М82ГБ, 6М82Ш, 6М13П, 6М13ПБ, 6М83, 6М83Г, 6М83Ш. 1961 год

Схема електрична принципова фрезерных верстатах 6М12П, 6М12ПБ, 6М82, 6М82Г, 6М82ГБ, 6М82Ш, 6М13П, 6М13ПБ, 6М83, 6М83Г, 6М83Ш

Електричнапринципова схема фрезерных верстатів серии 6М

Схема електрична принципова консольно-фрезерных верстатах серии 6М. Дивитись у збільшеному масштабі

Схема електрична принципова консольно-фрезерных верстатах серии 6М. Дивитись у збільшеному масштабі



Список елементів схеми електрической принципиальной консольно-фрезерных верстата

Список елементів схеми електрической принципиальной консольно-фрезерных верстатах

Список елементів схеми електрической принципиальной консольно-фрезерных верстатів

Список елементів схеми електрической принципиальной консольно-фрезерных верстатах. Скачать в увеличенном масштабе



Розташування електроустаткування

Вся пусковая електроаппаратура установлена в двух нишах станины верстата.

В каждой нише имеется по две панелі з електроаппаратурой; четыре панелі составляют комплект панелей керування верстата, имеющий общую монтажную схему (рис. 51).

Для подключения електроустаткування к сети і его отключения имеется вводный выключатель, рукоятка которого расположена на дверке левой ниши.

Опис електроустаткування

Керування електродвигуном шпинделя — кнопкове. Выбор направления обертання шпинделя производится реверсивным переключателем ПР, который устанавливает нужное вращение двигуна шпинделя.

Керування електродвигуном подачі производится от двух командоапаратів.

Командоаппарат поздовжньої подачі 1КА состоит из двух конечных выключателей: для увімкнення правого і левого ходов стола.

Командоаппарат поперечної і вертикальной подач 2КА также состоит из двух конечных выключателей. Рукоятка командоаппарата 2КА имеет п'ять положений: назад, вниз, вперед, вверх і среднее нейтральное.

Для выполнения на станке разных режимов роботи в електросхеме имеется переключатель ПУ на три положения рукоятки. При первом положении — «Автоматический цикл» — выполняются только автоматические циклы продольного ходу стола, при втором положении — «Подача от рукояток» — производится нормальная робота верстата і при третьем положении — «Круглый стол» — производится робота круглым столом, который как пристрій може быть установлен на столе верстата.

Керування вращением круглого стола происходит при одностороннем вращении двигуна подачі.

Электронасос для охлаждающей жидкости управляется от выключателя ВО.

Выключатель ВМО служит для отключения местного освещения верстата.

Специальный електромагнит ЭБ постоянного тока (рис. 52) служит для приводу фрикционной муфты швидкого ходу.

Одновременно з включением швидкого ходу електромагнит отключает кулачковую муфту подачі.

Питание електромагнита ЭБ выполняется от селенового выпрямителя ВС, основне назначение которого — давать подмагничивающий ток двигателю шпинделя при торможении.

Вводный выключатель ВВ і реверсивный переключатель ПР предназначены для отключения ненагруженных ланцюгів, поетому при пользовании етими аппаратами електродвигатель шпинделя необходимо предварительно отключить кнопкой «Стоп».

Работа електросхеми при ручном управлении

Переключатель керування ПУ должен быть установлен в положении «Подача от рукояток».

После выбора направления обертання шпинделя переключателем ПР рукоятку вводного выключателя ВВ необходимо установить в положение «Включено». При етом будет подано напряжение сети на, клеммы магнитного пускателя ПШ.

От нажатия кнопки «Шпиндель» магнитный пускатель ПШ включается, і двигатель шпинделя будет вращаться.

При включенном пускателе ПШ рукояткой командоаппарата 1КА (или 2КА) можно включить рух стола со скоростью рабочей подачі. Для получения руху стола вправо (или назад, вниз) включается пускатель ПП, при левом ходе (или ходух вперед, вверх) работает пускатель ПЛ двигуна подачі.

Рух стола со скоростью швидкого ходу происходит только при нажатой кнопке «Быстро», которая включает пускатель ПБ електромагнита швидкого ходу.

Быстрым ходом стола можно пользоваться как при включенном, так і при отключенном двигунах шпинделя. При отключенном шпинделе быстрый ход осуществляется благодаря шунтированию контакта ПШ 12-28 контактом ПБ при нажатии кнопки «Быстро».

Автоматический останов двигуна подачі при движении стола (консоли или салазок) происходит при переводе кінцівым кулачком рукоятки командоаппарата 1КА (или 2КА) в нейтральное положение, при етом разрывается ланцюг живлення пускателя ПП (или ПЛ), і двигатель останавливается.

Работа електросхеми при автоматическом управлении

Автоматическое керування применяется только для продольного ходу стола.

На станке можно выполнять наступні автоматические циклы:

При маятниковом цикле рабочая подача стола автоматически чередуется з быстрым ходом в каждом направлении.

Для роботи на автоматическом цикле переключатель ПУ должен быть установлен в положение «Автоматический цикл».

Кроме того, необходимо также сделать механическое переключение валика, имеющегося в салазках верстата, из положения «Ручное керування» в положение «Автоматический цикл». При післяднем положении валика кулачковая муфта продольного ходу заперта, і конечный выключатель 4КА нажат. Это обеспечивает керування продольным движением стола только от командоапаратів 1КА і 3КА при сблокированных поперечної і вертикальной подачах.

Для объяснения роботи схеми в автоматическом цикле разберем выполнение правого скачкообразного цикла з реверсом. Этот цикл состоит из автоматических переключений:

Для получения швидкого ходу стола в начале цикла нужно предварительно убедиться в том, что командоаппарат 3КА, управляющий работой пускателя ПБ при автоматических циклах, находится в не нажатом состоянии, т. е. через его контакт 43-26 происходит питание пускателя ПБ.

Если контакт 3КА 43-26 не закрыт, то необходимо сделать поворот звездочки з восемью выступами, сидящей на валу рукоятки командоаппарата 1КА на один выступ, після чего контакт 3КА 43-26 закроется.

При повороте рукоятки командоаппарата 1КА вправо включится быстрый ход стола вправо, так как произойдет увімкнення пускачів /7/7 для двигуна подачі і ПБ для електромагнита.

Відключення швидкого ходу происходит, когда в нужной точке пути стола откидной кулачок сделает поворот звездочки на один выступ, при етом контакт 43-26 командоаппарата 3КА раскроется, електромагнит ЭБ будет отключен, і стол продолжит рух со скоростью рабочей подачі.

Для переключения руху в нужной точке пути з рабочей подачі вправо на быстрый ход влево в пазу стола должны быть установлены рядом два кулачка:

Когда кулачок № 1 переводит рукоятку командоаппарата 1КА в положение влево, то перед моментом раскрытия контакта 15-16 от нажатия кулачка № 3 на звездочку з выступами в командоаппарате 3КА контакт 43-26 уже закрывается, что обеспечивает питание пускателя ПП по ланцюги 15-42-43-25-16 при раскрытом контакте 15-16 командоаппарата 1КА (см. в схеме диаграмму переключателя 3КА).

После перевода рукоятки в положение влево кулачок 3 повернет звездочку на один выступ і в командоаппарате 3КА раскроется контакт 43-26, отключая пускатель ПП — подача вправо. Закрытие нормально закрытого контакта пускателя ПП 22-18 замыкает ланцюг живлення пускателя ПЛ, і двигатель реверсируется. Одновременно контакт 3КА 43-26 включает пускатель ПБ, і стол идет быстро влево.

Остановка швидкого ходу влево происходит при переводе кулачком № 2 рукоятки командоаппарата 1КА в нейтральное положение, в котором отключаются двигатель подачі і електромагнит ЭБ.

Наладку на автоматические циклы следует производить без обрабатываемой детали, так как ошибки при наладке могут привести к включению швидкого ходу вместо подачі, что може вызвать поломку инструмента.

Работа схеми при остальных автоматических циклах аналогична вышеописанной.

Импульсное увімкнення двигателей

Для получения швидкого сцепления зубьев зубчатых колес при переключениях швидкостей шпинделя предусмотрен кратковременный поворот двигуна шпинделя.

Для указанной цели имеется кнопка «Толчок», при нажатии которой двигатель шпинделя получает кратковременное вращение. Кратковременность увімкнення пускателя ПШ происходит благодаря тому, что при его включении получает питание реле РП, которое, становясь на самопитание, разрывает своим контактом 33-27 ланцюг живлення пускателя ПШ.

При переключениях подачі также имеется возможность кратковременного увімкнення двигуна подачі з помощью конечного выключателя KB, который включает двигатель в то время, когда ручка переключения находится в выдвинутом положении.

Торможение шпинделя

Электропривід шпинделя имеет динамическое торможение двигуна, которое благодаря плавно нарастающему тормозному моменту лучше обеспечивает сохранность механізма при експлуатации, чем другие способы торможения.

Для выполнения динамического торможения установлено следующее електрообладнання:

  1. Селеновый выпрямитель ВС, соединенный со специальной обмоткой трансформатора ТУ. Эта обмотка имеет напряжение 55 В при напряжении сети 380 В і 36 В при 220 В.
  2. Магнитный пускатель ПТ для увімкнення постоянного тока в обмотку статора двигуна на время торможения.
  3. Промежуточное реле РН, имеющее катушку для напряжения сети трехфазного тока.

При нажатии кнопки «Стоп» її нормально закрытый контакт отключает пускатель ПШ, і статор двигуна от сети отключается. В отключенной обмотке статора затухающее поле ротора наводит напряжение, приблизительно равное напряжению сети.

Во избежание пробоя селенового выпрямителя післядний включается в ланцюг статора только після снижения наведенного напряжения до малой величины. Контроль исчезновения наведенного напряжения выполняет реле напряжения РН.

Когда реле РН обесточивается, оно своим нормально закрытым контактом 23-41 замыкает ланцюг живлення пускателя ПТ, который подает в обмотку статора постоянный подмагничивающий ток, чем обеспечивается торможение двигуна.

После остановки шпинделя кнопку «Стоп» отпускают, при етом пускатель ПТ отключает селеновый выпрямитель от статора.

Процесс торможения двигуна длится при наибольшей включенной скорости шпинделя 1600 об/мин 3—5 сек.

Блокировки верстата

Електросхема имеет ряд блокировок, которые введены для обеспечения правильной експлуатации верстата і его електроустаткування:

  1. Одновременное увімкнення рукояток командоапаратів 1КA і 2КА вызывает остановку двигуна подачі, так как совместная робота двух подач не допускается кинематикой верстата
  2. В положении переключателя ПУ «Автоматический цикл» исключены робота поперечної і вертикальной подач і керування от кнопки «Быстро»
  3. В положении переключателя ПУ «Круглый стол» робота поздовжньої, поперечної і вертикальной подач невозможна
  4. В положении переключателя ПУ «Подача от рукояток» нормально замкнутые контакты в реверсивном пускателе двигуна подачі зашунтированы для получения принудительного реверсирования двигуна подачі в случае «прилипания» якоря к нерухомомуу сердечнику магнита в пускателе
  5. Не допускается рабочая подача во всех направлениях, а также вращение круглого стола при не включенном двигателе шпинделя.


Опис електроустаткування фрезерных верстатів. Відеоролик.





    Список литературы:

  1. Консольно-фрезерные верстати серии "М" № 2; 3. Руководство к електрооборудованию 380 в 50 Гц

  2. Игнатов В.А. Електроустаткування современных металлорежущих верстатів і обрабатывающих комплексов, 1991
  3. Комаров А.Ф. Наладка і експлуатация електроустаткування металлорежущих верстатів, 1975
  4. Розман Пристрій, наладка і експлуатация електроприводов металлорежущих верстатів, 1985
  5. Чернов Е.А. Комплектные електроприводы верстатів з ЧПУ, 1989
  6. Харизоменов И.В. Электрическое обладнання металлорежущих верстатів, 1958




Связанные ссылки