metalinstryment.com
Довідник по металорізальних верстатів та пресовому обладнанні

6Т83 Верстат горизонтальный консольно-фрезерный з поворотным столом - універсальний
схеми, опис, характеристики

Верстат горизонтальный фрезерный консольный 6Т83








Відомості про виробника консольно-фрезерного верстата 6Т83

Производитель серии универсальных фрезерных верстатів 6Т83 - Горьковский завод фрезерных верстатів, основанный в 1931 году.

Завод специализируется на выпуске широкой гаммы универсальных фрезерных верстатів, а, также, фрезерных верстатів з УЦИ і ЧПУ, і является одним из наиболее известных станкостроительных предприятий в России.

Производство фрезерных верстатів на Горьковском станкостроительном заводе началось в 1932 году.

В 1985 году завод начал выпуск серию горизонтальных консольно-фрезерных верстатів 6Т82 і 6Т83, которые є дальнейшим развитием верстатів аналогичных моделей серии Р (6Р82, 6Р83).

Сегодня консольно-фрезерный верстат 6Т83 - выпускает:






Продукция Горьковского завода фрезерных верстатів ГЗФС


6Т83 Верстат консольно-фрезерный горизонтальный з поворотным столом (універсальний). Назначение і область применения

Горизонтальный універсальний консольно-фрезерный верстат 6Т83 сконструирован на основе базовой моделі 6Т83-1 з високою степенью унификации функциональных вузлів і деталей.

Консольно-фрезерные верстати моделей 6Т83 предназначены для фрезерування всевозможных деталей из стали, чугуна і цветных металлов цилиндрическими, дисковыми, фасонными, угловыми, торцовыми, кінцівыми і другими фрезами в условиях индивидуального і серийного производства. Возможность налаштування верстата на различные напівавтоматические і автоматические циклы позволяет успешно использовать верстати для выполнения работ операционного характера в поточных і автоматических лініях в крупносерийном производстве.

На станке можно обрабатывать вертикальные і горизонтальные плоскости, пазы, углы, рамки, зубчасті колеса і т.д. На станке моделі 6Т83 можно фрезеровать всевозможные спирали, для чего стол его поворачивается вокруг своей вертикальной оси.

Принцип роботи і особливості конструкції верстата 6Т83

По сравнению з ранее выпускавшимися верстатами серии Р (6Р82, 6Р83) в верстатах серии Т (6Т82, 6Т83) увеличены частоти обертання шпинделя, скорости быстрых перемещений і подач стола. Для удобства переміщення стола вручную маховик помещен з передньої стороны верстата.

Універсальный консольно-фрезерный верстат моделі 6Т82 отличается от горизонтального консольно-фрезерного верстата моделі 6Т82Г тем, что его стол може быть повернут вокруг вертикальной оси на угол до 45° в обе стороны, тогда как стол верстата моделі 6Т82Г — неповоротный.

Верстати моделі 6Т83 отличаются от верстатів 6Т82 увеличенными размерами робочого стола і более мощным двигателем головного руху.

Горизонтальный быстроходный консольно-фрезерный верстат моделі 6Т82ГБ отличается от верстата моделі 6Т82Г наличием более высоких чисел оборотів шпинделя і подач стола.

Верстати предназначены для выполнения различных фрезерных работ в условиях как индивидуального, так і крупносерийного производства. В условиях крупносерийного производства верстати могут быть успешно использованы также для выполнения работ операционного характера.

Технічна характеристика і высокая жесткость верстатів позволяют полностью использовать возможности как быстрорежущего, так і твердосплавного инструмента.

Технологические возможности верстата могут быть расширены з применением делительной головки, поворотного круглого стола, накладной универсальной головки і других пристосувань.

Верстати автоматизированы і могут быть настроены на различные, автоматические циклы, что повышает производительность труда, исключает необходимость обслуживания верстатів рабочими високою квалификации і облегчает возможность организации многостаночного обслуживания.

Особенностями конструкції верстата являются:

Для сокращения вспомогательного часу і удобства керування в верстатах предусматриваются:

Класс точності верстата Н по ГОСТ 8—77.


Модифікації консольно-фрезерных верстатів серии "Т"

На базе верстатів серии «Т» разработаны различные модификации і специализированные верстати:

Модифікації 6Т…-27 имеют увеличенное на 100 мм расстояние от оси (торца) шпинделя до рабочей поверхности стола і механізм пропорционального (в 2 раза) замедления рабочей подачі.


История выпуска верстатів Горьковским заводом, ГЗФС

В 1937 году на Горьковском заводе фрезерных верстатів были изготовлены первые консольно-фрезерные верстати серии 6Б моделей 6Б12 і 6Б82 з рабочим столом 320 х 1250 мм (2-го типоразмера).

В 1951 году запущена в производство серия консольно-фрезерных верстатів собственной конструкції (Новые): 6Н12, 6Н13П, 6Н82, 6Н82Г. Верстат 6Н13ПР получил “Гран-При” на всемирной выставке в Брюсселе в 1956 году.

В 1960 году запущена в производство серия консольно-фрезерных верстатів: 6М12П, 6М13П, 6М82, 6М82Г, 6М83, 6М83Г, 6М82Ш.

В 1972 году запущена в производство серия консольно-фрезерных верстатів: 6Р12, 6Р12Б, 6Р13, 6Р13Б, 6Р13Ф3, 6Р82, 6Р82Г, 6Р82Ш, 6Р83, 6Р83Г, 6Р83Ш.

В 1975 году запущены в производство копировальные консольно-фрезерные верстати: 6Р13К.

В 1978 году запущены в производство копировальные консольно-фрезерные верстати 6Р12К-1, 6Р82К-1.

В 1985 году запущена в производство серия 6Т-1 консольно-фрезерных верстатів: 6Т12-1, 6Т13-1, 6Т82-1, 6Т83-1 і ГФ2171.

В 1991 году запущена в производство серия консольно-фрезерных верстатів: 6Т12, 6Т12Ф20, 6Т13, 6Т13Ф20, 6Т13Ф3, 6Т82, 6Т82Г, 6Т82ш, 6Т83, 6Т83Г, 6Т83Ш.






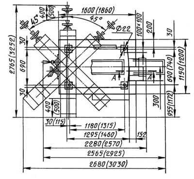
Габаритные розміри робочого простору фрезерного верстата 6Т83

6Т83 Габаритные розміри робочого простору універсального горизонтального консольно-фрезерного верстата

Креслення робочого простору фрезерного верстата 6Т83


Присоединительные базы фрезерного верстата 6Т83

6Т83 Присоединительные базы універсального горизонтального консольно-фрезерного верстата

Присоединительные базы фрезерного верстата 6Т83


Загальний вигляд горизонтального консольно-фрезерного верстата 6Т83

Загальний вигляд  6Т83 cтанок горизонтальный консольно-фрезерный

Фото консольно-фрезерного верстата 6Т83


Cклад і конструкция фрезерного верстата 6Т83

состав горизонтального консольно-фрезерного верстата 6Т83

Cклад і конструкция фрезерного верстата 6Т83

Список складових частин фрезерного верстата 6Т83

  1. станина;
  2. коробка переключения;
  3. пульт боковой;
  4. коробка швидкостей;
  5. пристроя електромеханического зажиму инструмента;
  6. шкаф керування;
  7. стол і салазки;
  8. механізм замедления подачі;
  9. пульт основной;
  10. консоль;
  11. коробка подач




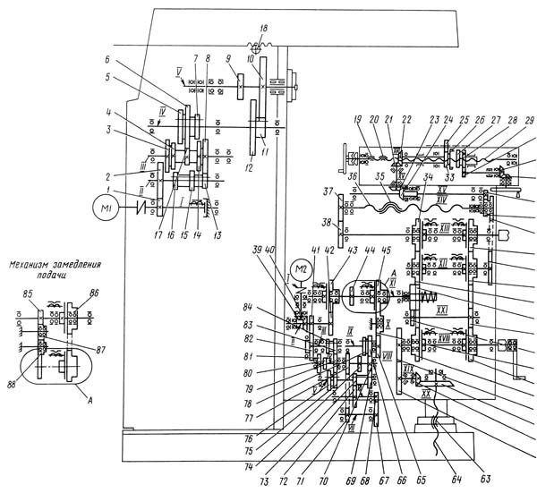
Кінематична схема фрезерного верстата 6Т83

Кінематична схема 6Т83 cтанок горизонтальный консольно-фрезерный

Кінематична схема фрезерного верстата 6Т83

Схема кінематична горизонтального консольно-фрезерного верстата 6Т83. Скачать в увеличенном масштабе



Привід подач осуществляется от отдельного фланцевого електродвигуна, смонтированного в консоли. Рабочие подачі настраиваются з помощью переключаемых зубчатых колес коробки подач, состоящих из двух трехвенцовых блоков і одного передвижного зубчатого колеса з кулачковой муфтой. На післяднем валу коробки в кінематичної ланцюги рабочих подач предусмотрена шариковая пружинная регулируемая муфта, предохраняющая механізм подач от перегрузок.

С післяднего вала коробки подач рух передається в консоль. Затем через ряд цилиндрических і конических зубчатых колес, смонтированных в консоли і салазках, путем увімкнення соответствующей кулачковой муфты приводится во вращение один из трех ходовых винтов, і таким образом осуществляются продольная, поперечная или вертикальная подачі.

Переключаемые зубчасті колеса коробки подач позволяют при разных зацеплениях получить 18 различных подач.

Кинематическая ланцюг для ускоренных (установочных) перемещений стола, салазок і консоли выполняется путем передачи руху от двигуна через паразитные зубчасті колеса непосредственно на зубчатое колесо фрікциону швидкого ходу, смонтированного на післяднем валу коробки подач.

Указанный фрикцион сблокирован з муфтой рабочих подач, тем самым устраняются случаи их одновременного увімкнення.


Cхема електрична фрезерного верстата 6Т83

Схема електрична принципова 6Т83 cтанок горизонтальный консольно-фрезерный

Електрична схема фрезерного верстата 6Т83

Схема електрична принципова консольно-фрезерного верстата 6Т83. Скачать в увеличенном масштабе





Настановне креслення фрезерного верстата 6Т83

Настановне креслення 6Т83 cтанок горизонтальный консольно-фрезерный

Настановне креслення фрезерного верстата 6Т83




6Т83 Верстат консольно-фрезерный горизонтальный з поворотным столом - універсальний. Відеоролик.



Технічні характеристики верстатів моделей 6Т83

Наименование параметра 6Т82 6Т82Г 6Т83 6Т83Г
Класс точності по ГОСТ 8-82 Н Н Н Н
Рабочий стол
Максимальная нагрузка на стол (по центру), кг 400 400 630 630
Розміри рабочей поверхности стола (длина х ширина), мм 1250 х 320 1250 х 320 1600 х 400 1600 х 400
Число Т-образных пазов Розміри Т-образных пазов 3 3 3 3
Наибольшее перемещение стола продольное/ поперечное/ вертикальное механическое, мм 800/ 320/ 370 800/ 320/ 370 1000/ 400/ 360 1000/ 400/ 360
Расстояние от оси шпинделя до стола при ручном перемещении, мм 30...400 30...400 30...390 30...390
Расстояние от оси шпинделя до хобота, мм 155 155 190 190
Наибольший угол поворота стола, град ±45 нет ±45 нет
Цена одного деления шкалы поворота стола, град 1 нет 1 нет
Перемещение стола на одно деление лимба (продольное, поперечное, вертикальное), мм 0,05 0,05 0,05 0,05
Перемещение стола на один оборот лимба продольное/ поперечное/ вертикальное, мм 6/ 6/ 2 6/ 6/ 2 6/ 6/ 2 6/ 6/ 2
Шпиндель
Частота обертання шпинделя, об/мин 31,5...1600 31,5...1600 31,5...1600 31,5...1600
Количество швидкостей шпинделя 18 18 18 18
Механіка верстата
Быстрый ход стола продольный/ поперечний/ вертикальний, м/мин 4/ 4/ 1,33 4/ 4/ 1,33 4/ 4/ 1,33 4/ 4/ 1,33
Число ступеней рабочих подач стола 22 22 22 22
Пределы рабочих подач. Продольных і поперечных, мм/мин 12,5...1600 12,5...1600 12,5...1600 12,5...1600
Пределы рабочих подач. Вертикальных, мм/мин 4,1...530 4,1...530 4,1...530 4,1...530
Наибольшее усилие різання при поздовжньої/ поперечної/ вертикальной подаче, кН 15/ 12/ 5 15/ 12/ 5 20/ 12/ 8 20/ 12/ 8
Выключающие упоры подачі продольных есть есть есть есть
Выключающие упоры подачі поперечных, вертикальних нет нет нет нет
Блокировка ручной і механической подачі (поздовжньої, поперечної, вертикальной) есть есть есть есть
Блокировка раздельного увімкнення подачі есть есть есть есть
Автоматическая прерывистая подача Продольная есть есть есть есть
Автоматическая прерывистая подача Поперечная і вертикальная нет нет нет нет
Торможение шпинделя есть есть есть есть
Предохранение от перегрузки (муфта) есть есть есть есть
Привод
Електродвигун приводу головного руху, кВт/ об/мин 7,5/ 1455 7,5/ 1455 11/ 1460 11/ 1460
Електродвигун приводу подач, кВт/ об/мин 3/ 1435 3/ 1435 3/ 1435 3/ 1435
Електродвигун зажиму инструмента, кВт/ об/мин 0,25/ 2760 0,25/ 2760 0,25/ 2760 0,25/ 2760
Електродвигун насоса охлаждающей жидкости, кВт/ об/мин 0,12/ 2800 0,12/ 2800 0,12/ 2800 0,12/ 2800
Электронасос охлаждающей жидкости Тип Х14-22М Х14-22М Х14-22М Х14-22М
Производительность насоса СОЖ, л/мин 22 22 22 22
Суммарная мощность всех електродвигателей, кВт 10,87 10,87 14,37 14,37
Габарити і масса верстата
Габарити верстата (длина ширина высота), мм 2280 1965 1690 2280 1965 1690 2579 2252 1770 2579 2252 1770
Масса верстата, кг 3150 3900

    Список литературы:

  1. Верстати консольно-фрезерные 6Т82Г-1, 6Т82-1, 6Т83Г-1, 6Т83-1. Руководство по експлуатации 6Т82Г-1.00.000 РЭ,
  2. Верстати фрезерные консольные широкоуниверсальные 6Т82Ш, 6Т83Ш. Руководство по експлуатации 6Т82Ш.00.000 РЭ, 1986
  3. Консольно-фрезерные верстати 6Т82Г-1, 6Т82-1, 6Т12-1, 6Т82Ш-1, 6Т83Г-1, 6Т83-1, 6Т13-1, 6Т83Ш-1. Руководство по експлуатации електроустаткування 6Т82Г.00.000 РЭ1

  4. Аврутин С.В. Основы фрезерного дела, 1962
  5. Аврутин С.В. Фрезерне дело, 1963
  6. Ачеркан Н.С. Металлорежущие верстати, Том 1, 1965
  7. Барбашов Ф.А. Фрезерне дело 1973
  8. Барбашов Ф.А. Фрезерные роботи (Профтехобразование), 1986
  9. Блюмберг В.А. Справочник фрезеровщика, 1984
  10. Григорьев С.П. Практика координатно-расточных і фрезерных работ, 1980
  11. Копылов Работа на фрезерных верстатах,1971
  12. Косовский В.Л. Справочник молодого фрезеровщика, 1992
  13. Кувшинский В.В. Фрезерование,1977
  14. Ничков А.Г. Фрезерные верстати (Библиотека станочника), 1977
  15. Пикус М.Ю. Справочник слесаря по ремонту металлорежущих верстатів, 1987
  16. Плотицын В.Г. Расчёты настроек і наладок фрезерных верстатів, 1969
  17. Плотицын В.Г. Наладка фрезерных верстатів,1975
  18. Рябов С.А. Современные фрезерные верстати і их оснастка, 2006
  19. Схиртладзе А.Г., Новиков В.Ю. Технологическое обладнання машиностроительных производств, 1980
  20. Тепинкичиев В.К. Металлорежущие верстати, 1973
  21. Чернов Н.Н. Металлорежущие верстати, 1988
  22. Френкель С.Ш. Справочник молодого фрезеровщика (3-е изд.) (Профтехобразование), 1978