metalinstryment.com
Довідник по металорізальних верстатів та пресовому обладнанні

6М82Ш Верстат широкоуніверсальний консольно-фрезерный
схеми, опис, характеристики

Верстат широкоуніверсальний фрезерный консольный 6М82Ш







Відомості про виробника консольно-фрезерного верстата 6М82Ш

Производитель универсальных фрезерных верстатів 6М82Ш Горьковский завод фрезерных верстатів, основанный в 1931 году.

Завод специализируется на выпуске широкой гаммы универсальных фрезерных верстатів, а, также, фрезерных верстатів з УЦИ і ЧПУ, і является одним из наиболее известных станкостроительных предприятий в России.

Производство фрезерных верстатів на Горьковском станкостроительном заводе началось в 1932 году.





Продукция Горьковского завода фрезерных верстатів ГЗФС


6М82Ш Верстат фрезерный консольный широкоуніверсальний. Назначение і область применения

В 1961 году завод начал выпуск серию горизонтальных консольно-фрезерных верстатів 6М82 і 6М83, которые є дальнейшим развитием верстатів аналогичных моделей серии Н.

Широкоуніверсальний консольно-фрезерный верстат 6М82Ш заменил в производстве устаревшую модель 6Н82Ш і был заменен на более совершенную модель 6Р82Ш.

Консольно-фрезерный верстат моделі 6М82Ш предназначен для фрезерування всевозможных деталей из стали, чугуна і цветных металлов цилиндрическими, дисковыми, фасонными, угловыми, торцовыми, кінцівыми і другими фрезами в условиях индивидуального і серийного производства. Возможность налаштування верстата на различные напівавтоматические і автоматические циклы позволяет успешно использовать верстати для выполнения работ операционного характера в поточных і автоматических лініях в крупносерийном производстве.

На станке можно обрабатывать вертикальные і горизонтальные плоскости, пазы, углы, рамки, зубчасті колеса, можно фрезеровать всевозможные спирали, для чего стол его поворачивается вокруг своей вертикальной оси.

На станке моделі 6М82Ш можно успешно обрабатывать легкие сплавы.

Фрезерные верстати 6М82Ш предназначены для выполнения различных фрезерных работ в условиях как индивидуального, так і крупносерийного производства. В условиях крупносерийного производства верстати могут быть успешно использованы также для выполнения работ операционного характера.

Особливості конструкції і принцип роботи верстата 6М82Ш

Преимуществом широкоуниверсальных фрезерных верстатів, как указывалось выше, является возможность производить з одной установки обработку заготовки з разных сторон, что очень важно в инструментальном, ремонтном і опытном производствах где установка, выверка і закрепление заготовки занимают много часу і требуют високою квалификации робочого.

По сравнению з ранее выпускавшимися верстатами серии Н в верстатах серии М увеличены частоти обертання шпинделя, скорости быстрых перемещений і подач стола. Для удобства переміщення стола вручную маховик помещен з передньої стороны верстата.

Широкоуниверсальные консольно-фрезерные верстати моделей 6М82Ш і 6М83Ш представляют собой оригинальные верстати високою точності і жесткости.

Верстати моделі 6М83Ш отличаются от верстатів 6М82Ш увеличенными размерами робочого стола і более мощным двигателем головного руху.

Широкоуніверсальний фрезерный верстат 6М82Ш является модификацией горизонтально-фрезерного верстата 6М82Г. Верстат имеет два шпинделя, из которых один горизонтальный, как у верстата 6М82Г, второй расположен в поворотной головке і може быть установлен под углом ±90° в поздовжньої плоскости стола і под углом ±45° в поперечної плоскости стола.

Технічна характеристика і высокая жесткость верстатів позволяют полностью использовать возможности как быстрорежущего, так і твердосплавного инструмента.

Технологические возможности верстата могут быть расширены з применением делительной головки, поворотного круглого стола, накладной универсальной головки і других пристосувань.

Верстати автоматизированы і могут быть настроены на различные, автоматические циклы, что повышает производительность труда, исключает необходимость обслуживания верстатів рабочими високою квалификации і облегчает возможность организации многостаночного обслуживания.

Преимущества верстата 6М82Ш

Для сокращения вспомогательного часу і удобства керування в верстатах предусматриваются:


Пределы использования верстатів по мощности і силовым нагрузкам

При высоких і средних числах оборотів шпинделя пределы использования верстатів ограничиваются головним образом допустимыми значениями швидкостей різання для фрез і мощностью електродвигуна головного руху.

Во всех случаях обробки, где возможно применение скоростного фрезерування, рекомендуется использовать верстати на скоростных режимах как наиболее производительных і обеспечивающих спокойную, виброустойчивую работу верстатів.

Фрезерование цилиндрическими быстрорежущими фрезами разрешается з нагрузкой стола усилием подачі не более 1500 кг.

Как показала практика експлуатации консольно-фрезерных верстатів, при работе фрезами из быстрорежущей стали иногда при некотором соотношении параметров режимов різання возникают вибрации. В етих случаях рекомендуется увеличить подачу на зуб или применить фрезы конструкції Карасева з неравномерным шагом і крутой спиралью.

При работе верстата на тяжелых режимах різання лимитирующими факторами, как правило, є стойкость і прочность режущего инструмента.

С етой точки зрения можно рекомендовать в качестве предельных режимов фрезерування наступні:

Работа торцовыми фрезами по стали

Работа цилиндрическими наборными фрезами по чугуну

Работа торцовыми фрезами по чугуну

Наиболее рациональным является использование полной мощности електродвигуна при работе на средних числах оборотів шпинделя і использование 70—75% мощности електродвигуна при работе на низких (4—-5 ступенях) числах оборотів.

Класс точності верстата Н по ГОСТ 8—77.


Модифікації консольно-фрезерных верстатів серии 6М

Серия 6М консольно-фрезерных верстатів - 6М12П, 6М12ПБ, 6М13П, 6М13ПБ, 6М82, 6М82Г, 6М82ГБ, 6М82Ш, 6М83, 6М83Г, 6М83Ш, запущенна в 1961 году, включет в себя несколько модификаций:


История выпуска верстатів Горьковским заводом, ГЗФС

В 1937 году на Горьковском заводе фрезерных верстатів были изготовлены первые консольно-фрезерные верстати серии 6Б моделей 6Б12 і 6Б82 з рабочим столом 320 х 1250 мм (2-го типоразмера).

В 1951 году запущена в производство серия консольно-фрезерных верстатів собственной конструкції (Новые): 6Н12, 6Н13П, 6Н82, 6Н82Г. Верстат 6Н13ПР получил “Гран-При” на всемирной выставке в Брюсселе в 1956 году.

В 1960 году запущена в производство серия консольно-фрезерных верстатів: 6М12П, 6М13П, 6М82, 6М82Г, 6М83, 6М83Г, 6М82Ш.

В 1972 году запущена в производство серия консольно-фрезерных верстатів: 6Р12, 6Р12Б, 6Р13, 6Р13Б, 6Р13Ф3, 6Р82, 6Р82Г, 6Р82Ш, 6Р83, 6Р83Г, 6Р83Ш.

В 1975 году запущены в производство копировальные консольно-фрезерные верстати: 6Р13К.

В 1978 году запущены в производство копировальные консольно-фрезерные верстати 6Р12К-1, 6Р82К-1.

В 1985 году запущена в производство серия 6Т-1 консольно-фрезерных верстатів: 6Т12-1, 6Т13-1, 6Т82-1, 6Т83-1 і ГФ2171.

В 1991 году запущена в производство серия консольно-фрезерных верстатів: 6Т12, 6Т12Ф20, 6Т13, 6Т13Ф20, 6Т13Ф3, 6Т82, 6Т82Г, 6Т82ш, 6Т83, 6Т83Г, 6Т83Ш.








Габарит робочого простору і присоединительные базы фрезерного верстата 6М82Ш

6М82Ш Габаритные розміри робочого простору і присоединительные базы широкоуніверсального консольно-фрезерного верстата

Габарит робочого простору і присоединительные базы фрезерного верстата 6М82Ш


Загальний вигляд широкоуніверсального консольно-фрезерного верстата 6М82Ш

Загальний вигляд  6М82Ш cтанок широкоуніверсальний консольно-фрезерный

Фото фрезерного верстата 6М82Ш


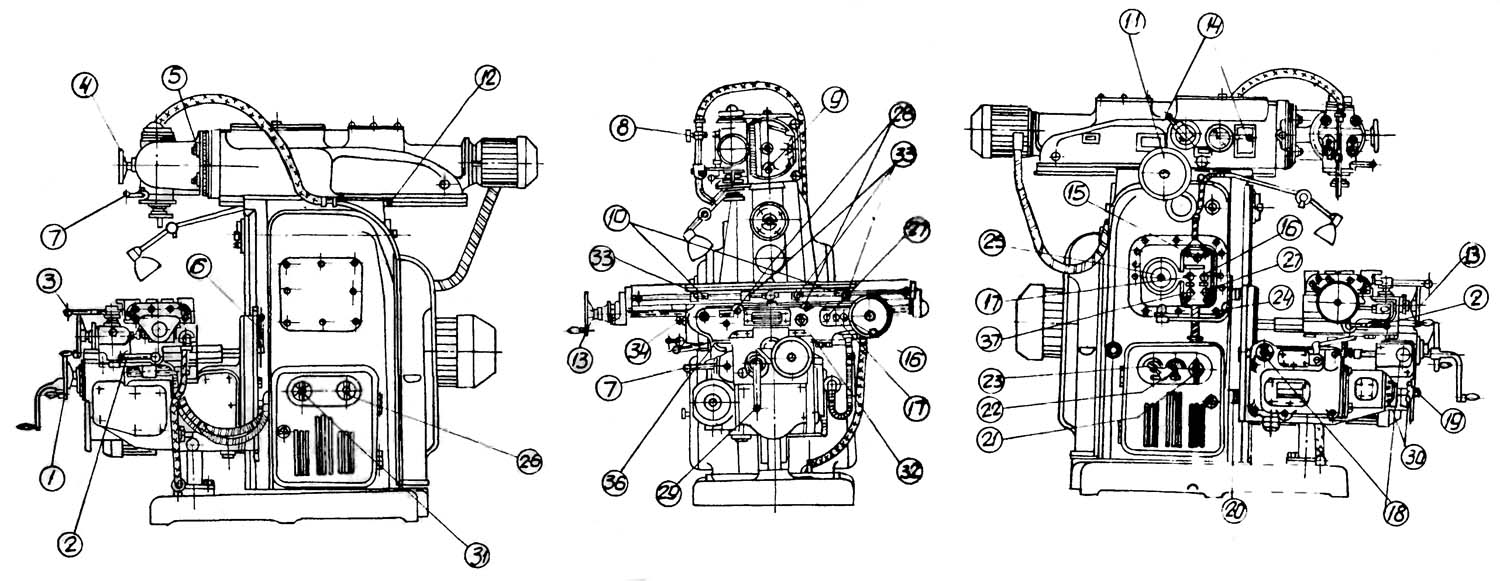
Розташування органів керування консольно-фрезерным верстатом 6М82Ш

Розташування органів керування консольно-фрезерным верстатом 6М82Ш

Розташування органів керування консольно-фрезерным верстатом 6М82Ш

Розташування органів керування консольно-фрезерным верстатом 6М82Ш. Дивитись у збільшеному масштабі



Список органів керування на станке 6М82Ш

  1. Маховик ручного поперечного переміщення стола
  2. Рукоятка зажиму салазок на направляючих консоли
  3. Рукоятка керування продольными переміщення стола
  4. Маховик переміщення гильзы шпинделя
  5. Гайки зажиму поворотной фрезерной головки
  6. Рукоятки зажиму консоли
  7. Рукоятка зажиму гильзы шпинделя
  8. Кран регулювання интенсивности охлаждения
  9. Гайка штифта нулевого положения
  10. Кулачки ограничения ходу стола в крайних положениях или реверса стола при работе на автоматическом і напівавтоматическом циклах
  11. Маховик переміщення хобота
  12. Винт зажиму хобота на станине
  13. Маховики продольного переміщення стола
  14. Рукоятки переключения швидкостей шпинделя поворотной фрезерной головки
  15. Выключатель местного освещения
  16. Кнопка "Стоп"
  17. Кнопка "Шпиндель"
  18. Рукоятки увімкнення вертикальних і поперечных подач стола
  19. Кнопка увімкнення фиксации механізма переключения подач
  20. Кулачок ограничения вертикального ходу стола
  21. Переключатель обертання горизонтального шпинделя влево-вправо
  22. Выключатель насоса охлаждения "Включено-выключено"
  23. Переключатель ввода "Включено-выключено"
  24. Рукоятка переключения чисел оборотів горизонтального шпинделя
  25. Лимб переключения чисел оборотів горизонтального шпинделя
  26. Реверсивный переключатель направления обертання вертикального шпинделя
  27. Кнопка "Быстро"
  28. Винты зажиму стола на салазках
  29. Рукоятка подъема консоли
  30. Грибок і лимб для переключения подач стола
  31. Переключатель керування стола "автоматический цикл - ручное керування - робота з круглым столом"
  32. Переключатель на автоматический цикл или ручное керування стола
  33. Кулачки переключения стола з подачі на "быстро" или з "быстро" на подачу
  34. Рукоятка ручного насоса змазки стола
  35. Гайка зажиму серьги на направляючих хобота
  36. Кулачки ограничения поперечного ходу стола
  37. Кнопка "Импульс шпинделя"




Кінематична схема фрезерного верстата 6М82Ш

Кінематична схема 6М82Ш cтанок широкоуніверсальний консольно-фрезерный

Кінематична схема фрезерного верстата 6М82Ш

Кінематична схема консольно-фрезерного верстата 6М82Ш. Дивитись у збільшеному масштабі



На кінематичної схеме верстата 6М82Ш легко различить три кинематические ланцюги: ланцюг головного руху горизонтального шпинделя, ланцюг головного руху вертикального (поворотного) шпинделя і ланцюг подач. Каждая кінематична ланцюг имеет самостоятельный привід от електродвигуна. Ланцюг головного руху горизонтального шпинделя выполнена аналогично ланцюги головного руху верстата 6М82 Горизонтальный шпиндель получает вращение от електродвигуна мощностью 7 кВт через упругую соединительную муфту і зубчасті колеса механізма коробки швидкостей. Числа оборотів шпинделя изменяются путем переруху трех зубчатых блоков по шлицевым валам. Коробка швидкостей позволяет сообщать шпинделю 18 швидкостей в диапазоне 31,5—1600 об/мин

Ланцюг головного руху вертикального (поворотного) шпинделя выполнена самостоятельно і расположена в хоботе. Шпиндель получает вращение от електродвигуна мощностью 2,8 кВт, расположенного на хоботе, через упругую соединительную муфту і зубчасті колеса механізма коробки швидкостей. Числа оборотів шпинделя изменяются путем переруху двух зубчатых блоков по шлицевым валам.

Коробка швидкостей позволяет сообщить шпинделю 9 различных швидкостей: 90, 125, 180, 250, 355, 500, 710, 1000 і 1400 об/мин.

Диапазон чисел оборотів може быть изменен заменой післядней пары зубчатых колес z=30 і z=42 в хоботе, для чего по особому заказу даются зубчасті колеса для диапазонов-63—1000 і 125—2000 об/мин.

Попробуйте сами вычертить структурную сетку швидкостей вертикального (поворотного) шпинделя і составить таблицу сцеплений зубчатых колес коробки швидкостей.

Ланцюг подач. Верстати 6М82Ш і 6М83Ш могут мати продольные і поперечные рабочие подачі в диапазоне 25 — 1250 мм/мин (быстрый ход 3000 мм/мин) і вертикальные рабочие подачі в диапазоне 8,3—416,6 мм/мин (быстрый ход 1000 мм/мин) подобно базовым верстатам второго і третьего размеров (см. табл. 28, 29 і 30).


Опис конструкції основних вузлів широкоуніверсального консольно-фрезерного верстата 6М82Ш

Вид хобота верстата 6М82Ш з серьгой і накладной головкой

Вид хобота верстата 6М82Ш з серьгой і накладной головкой

Вид хобота верстата 6М82Ш з серьгой і накладной головкой


6М82Ш Установка і крепление фрез

6М82Ш Установка і крепление фрез

Установка і крепление фрез на станке 6М82Ш


6М82Ш Розташування підшибників на станке

Розташування підшибників на станке 6М82Ш

Розташування підшибників на станке 6М82Ш

Схема розположення підшибників на станке консольно-фрезерном 6М82Ш. Дивитись у збільшеному масштабі



Регулювання широкоуніверсального консольно-фрезерного верстата 6М82Ш

Регулювання шпиндельных підшибників поворотной головки 6М82Ш

Регулювання широкоуніверсального фрезерного верстата 6М82Ш





Регулювання шпиндельных підшибників поворотной головки верстата 6М82Ш

Для регулировки підшибників необходимо отвернуть пробку I, находящуюся на передньої стороне поворотной головки. Перемещением гильзы і поворотом шпинделя установить гайку 3 з винтом 2 против отверстия. Ослабить винт 2 и, удерживая гайку 3, повернуть шпиндель до выбора люфта в підшипниках. По достижении необходимого зазору винт 2 затянуть і ввернуть пробку I. Проверить нагрев підшибників при работе на 1400 об/мин. Температура нагрева не должна превышать 70*С. При большем нагреве необходимо ослабить затяжку підшибників гайкой 3.

Регулювання шпиндельных підшибників накладной головки

Для регулировки підшибників необходимо снять кожух I, отогнуть зуб предохранительной шайбы 2, ключом подтянуть гайку 3 до выбора люфта в підшипниках так, чтобы зуб предохранительной шайбы совпал з пазом на гайке. Затем зуб предохранительной шайбы 2 загнуть в паз гайки і поставить кожух I. проверить нагрев підшибників при работе на 1400 об/мин. Температура нагрева не должна превышать 70°С. При большем нагреве необходимо ослабить затяжку підшибників гайкой 3.


Регулювання підшибників горизонтального шпинделя 6М82Ш

Регулювання підшибників горизонтального шпинделя фрезерного верстата 6М82Ш

Регулювання підшибників горизонтального шпинделя

1. Регулювання переднего підшипника производится подшлифовкой 2-х полуколец I.

Для устранения радиального люфта в 0,01 мм необходимо подшлифовать полукольца I на 0,12 мм.

После подшлифовки і установки полуколец I, подшипник затягивается гайкой 2.

Для доступа к гайке необходимо вдвинуть хобот, снять крышку, закрывавшую верхнее окно станины.

2. Регулювання средних підшибників производится подшлифовкой кольца 2 з післядующей затяжкой підшибників фланцем 4.

Регулювання механізма вертикальной і поперечної подач

При нечеткости роботи рукоятки увімкнення поперечної і вертикальной подачі необходимо: ослабить гайку 3 через отверстие, закрытое пробкой 4, за шлиц подвернуть штифт з шариком 2 так, чтобы в крайних положениях рукоятки не было заклинивания. После регулировки контргайка 3 должна быть тщательно законтрена. Для регулировки необходимо демонтировать пробку 4 і крышку консоли над центральным рычагом 5, а після регулировки пробку 4 і крышку поставить на свои места.

Регулювання механізма поздовжньої подачі стола

Регулювання производится подтяжкой пружины 4 пробкой 3, пружины 2 пробкой I.

Пружина 4 обеспечивает надежное увімкнення кулачковой муфты поздовжньої подачі. При правильной регулировке муфта не должна прощелкивать при работе.

Для регулировки пружины 4 необходимо продвинуть шестигранный ключ через пробку I до соединения з пробкой 3 і поворота ключа регулировать пружину 4 до требуемого зусилля.

Пружина 2 обеспечивает фиксацию рукоятки продольного ходу стола в среднем і 2-х крайних положениях, а также отсечку рукояти из крайнего положения в среднее.

Регулювання производится поджатием пружины 2 при помощи пробки I.

Следует помнить, что чрезмерное поджатие пружины 2 ослабляет действие пружины 4.


Механізм подач консольно-фрезерного верстата 6М82Ш





6М82Ш Верстат консольно фрезерный широкоуніверсальний. Відеоролик.





Технічні характеристики верстатів моделей 6М82Ш і 6М83Ш

Наименование параметра 6М82Ш 6М83Ш
Основні параметри верстата
Класс точності по ГОСТ 8-82 Н Н
Розміри рабочей поверхности стола (длина х ширина), мм 1250 х 320 1600 х 400
Расстояние от оси горизонтального шпинделя до стола при ручном перемещении, мм 30..450 30..450
Расстояние от оси горизонтального шпинделя до хобота, мм 155 190
Расстояние от торца шпинделя поворотной головки до стола, мм 80..515 15..495
Расстояние от оси шпинделя поворотной головки до направляючих станины (вылет), мм 260..820 250..900
Рабочий стол
Максимальная нагрузка на стол (по центру), кг 250 300
Число Т-образных пазов Розміри Т-образных пазов 3 3
Наибольшее продольное перемещение стола, мм 700 900
Наибольшее поперечное перемещение стола механическое, мм 240 300
Наибольшее поперечное перемещение стола ручное без ограничительных кулачков, мм 260 320
Наибольшее вертикальное перемещение стола, мм 420 420
Перемещение стола на одно деление лимба (продольное, поперечное, вертикальное), мм 0,05 0,05
Скорость швидкого продольного і поперечного ходу стола, м/мин 3 3
Скорость швидкого вертикального ходу стола, м/мин 1 1
Число ступеней рабочих подач стола 18 18
Пределы продольных і поперечных рабочих подач стола, мм/мин 25...1250 25...1250
Пределы вертикальних рабочих подач стола, мм/мин 8,3...416,6 8,3...416,6
Горизонтальный шпиндель. Шпиндель поворотной і накладной головок
Частота обертання горизонтального шпинделя, об/мин 31,5...1600 31,5...1600
Количество швидкостей горизонтального шпинделя 18 18
Частота обертання шпинделя поворотной і накладной головок, об/мин 90..1400 90..1400
Количество швидкостей шпинделя поворотной і накладной головок 9 9
Внутренний конус горизонтального шпинделя. №3 ГОСТ 836-62 №3 ГОСТ 836-62
Внутренний конус шпинделя поворотной і накладной головок. №2 ГОСТ 836-62 №2 ГОСТ 836-62
Диаметр оправок, мм 32, 50 32, 50
Диаметр отверстия горизонтального шпинделя, мм 29 29
Диаметр отверстия шпинделя поворотной і накладной головок, мм 17 17
Диаметр переднего підшипника горизонтального шпинделя, мм 113,75 113,75
Диаметр переднего підшипника шпинделя поворотной і накладной головок, мм 65 65
Торможение шпинделя есть есть
Предохранение шпинделя от перегрузки (муфта) есть есть
Механіка верстата
Выключающие упоры подачі продольных есть есть
Выключающие упоры подачі поперечных, вертикальних нет нет
Блокировка ручной і механической подачі (поздовжньої, поперечної, вертикальной) есть есть
Блокировка раздельного увімкнення подачі есть есть
Автоматическая прерывистая подача Продольная есть есть
Автоматическая прерывистая подача Поперечная і вертикальная нет нет
Привод
Количество електродвигателей на станке 4 4
Електродвигун приводу головного руху, кВт 7,5 10
Електродвигун приводу шпинделя поворотной головки, кВт 2,2 2,2
Електродвигун приводу подач, кВт 2,2 3
Електродвигун насоса охлаждающей жидкости, кВт 0,125 0,125
Электронасос охлаждающей жидкости Тип ПА-22У2 ПА-22У2
Производительность насоса СОЖ, л/мин 22 22
Габарити і масса верстата
Габарити верстата (длина ширина высота), мм 2100 х 1760 х 1888 2630 х 2140 х 2015
Масса верстата, кг 3150 4400


    Список литературы:

  1. Широкоуниверсальные консольно-фрезерные верстати 6М82Ш, 6М83Ш. Руководство по уходу і обслуговування, 1961

  2. Аврутин С.В. Основы фрезерного дела, 1962
  3. Аврутин С.В. Фрезерне дело, 1963
  4. Ачеркан Н.С. Металлорежущие верстати, Том 1, 1965
  5. Барбашов Ф.А. Фрезерне дело 1973
  6. Барбашов Ф.А. Фрезерные роботи (Профтехобразование), 1986
  7. Блюмберг В.А. Справочник фрезеровщика, 1984
  8. Григорьев С.П. Практика координатно-расточных і фрезерных работ, 1980
  9. Копылов Р.Б. Работа на фрезерных верстатах, 1971
  10. Косовский В.Л. Справочник молодого фрезеровщика, 1992
  11. Кувшинский В.В. Фрезерование,1977
  12. Ничков А.Г. Фрезерные верстати (Библиотека станочника), 1977
  13. Пикус М.Ю. Справочник слесаря по ремонту металлорежущих верстатів, 1987
  14. Плотицын В.Г. Расчёты настроек і наладок фрезерных верстатів, 1969
  15. Плотицын В.Г. Наладка фрезерных верстатів,1975
  16. Рябов С.А. Современные фрезерные верстати і их оснастка, 2006
  17. Схиртладзе А.Г., Новиков В.Ю. Технологическое обладнання машиностроительных производств, 1980
  18. Тепинкичиев В.К. Металлорежущие верстати, 1973
  19. Чернов Н.Н. Металлорежущие верстати, 1988
  20. Френкель С.Ш. Справочник молодого фрезеровщика (3-е изд.) (Профтехобразование), 1978