metalinstryment.com
Довідник по металорізальних верстатів та пресовому обладнанні

6Т83Ш Верстат консольно-фрезерный широкоуніверсальний
схеми, опис, характеристики

6Т83Ш Верстат широкоуніверсальний фрезерный консольный



Відомості про виробника консольно-фрезерного верстата 6Т83Ш

Производитель серии универсальных фрезерных верстатів 6Т83Ш - Горьковский завод фрезерных верстатів, основанный в 1931 году.

Завод специализируется на выпуске широкой гаммы универсальных фрезерных верстатів, а, также, фрезерных верстатів з УЦИ і ЧПУ, і является одним из наиболее известных станкостроительных предприятий в России.

Производство фрезерных верстатів на Горьковском станкостроительном заводе началось в 1932 году.

В 1985 году завод начал выпуск серию горизонтальных консольно-фрезерных верстатів 6Т83Ш, 6Т83, 6Т82, которые є дальнейшим развитием верстатів аналогичных моделей серии Р (6Р82Ш, 6Р82, 6Р83).

Сегодня консольно-фрезерный верстат 6Т83ш - выпускает:






Продукция Горьковского завода фрезерных верстатів ГЗФС


6Т83Ш Верстат широкоуніверсальний консольно-фрезерный. Назначение і область применения

Широкоуніверсальний консольно-фрезерный верстат 6Т83Ш сконструирован на основе базовой моделі 6Т83Ш-1 з високою степенью унификации функциональных вузлів і деталей.

В 1991 году завод начал выпуск серию горизонтальных консольно-фрезерных верстатів 6Т82ш і 6Т83Ш, которые є дальнейшим развитием верстатів аналогичных моделей серии Р (6Р82ш, 6Р83ш).

По сравнению з ранее выпускавшимися верстатами серии Р (6Р82Ш, 6Р83Ш) в верстатах серии Т увеличены частоти обертання шпинделя, скорости быстрых перемещений і подач стола. Для удобства переміщення стола вручную маховик помещен з передньої стороны верстата.

Верстат широкоуніверсальний консольно-фрезерный 6Т83Ш предназначен для выполнения разнообразных фрезерных работ, головним образом, при изготовлении металлических моделей штампов, пресс-форм для работ в условиях серийного і единичного производства.

Широкоуніверсальний консольно-фрезерный верстат 6Т83Ш предназначен для фрезерування всевозможных деталей из стали, чугуна і цветных металлов цилиндрическими, дисковыми, фасонными, угловыми, торцовыми, кінцівыми і другими фрезами. Возможность налаштування верстата на различные напівавтоматические і автоматические циклы позволяет успешно использовать верстати для выполнения работ операционного характера в поточных і автоматических лініях в крупносерийном производстве.

В станке используется горизонтальный шпиндель при обработке плоскостей торцовыми і цилиндрическими фрезами, возможна раздельная і одновременная робота обоими шпинделями имеется пристрій для ограничения зазору в винтовой паре продольного переміщення стола.

На станке можно обрабатывать вертикальные і широкоуниверсальные плоскости, пазы, углы, рамки, зубчасті колеса і т. д

Для обробки различного вида поверхностей, а также крупногабаритных моделей, превышающих по своим размерам габарити стола, шпиндельна головка смонтирована на выдвижном хоботе і може поворачиваться под углом в двух взаимно перпендикулярных плоскостях.

На станке предусмотрен горизонтальный шпиндель, который може быть использован при обработке плоскостей торцовыми і цилиндрическими фрезами.

Предусмотрена как раздельная, так і одновременная робота двумя шпинделями. При установці серег, прилагаемых к верстату, верстат може быть использован как горизонтально-фрезерный.

Для расширения возможностей верстата, кроме серег, прилагается дополнительная накладная поворотная головка. Накладная головка позволяет обрабатывать крупногабаритные детали, а также производить простейшие расточные роботи.

Наличие механізма выборки люфта в винтовой паре поздовжньої подачі стола позволяет производить встречное і попутное фрезерование как в простых режимах, так і режимах з автоматическими циклами.

Фрезерование зубчатых колес, разверток, контура кулачков і прочих деталей, требующих периодического или непрерывного поворота вокруг своей оси, производится на данных верстатах з применением делительной головки или накладного круглого стола.

Смазка направляючих консоли і вузла "стол — салазки" осуществляется от плунжерного насоса централизованно. Благодаря еффективной смазке повышается долговечность роботи етих вузлів, обеспечивается более длительное сохранение первоначальной точності і сокращается время на обслуговування. Шероховатость обработанной поверхности Rz 20 мкм. Класс точності верстата П.

Технологические возможности верстата могут быть расширены з применением делительной головки, поворотного круглого стола, накладной универсальной головки і других пристосувань.

Верстат оснащен хоботом, на котором установлены накладная і поворотная шпиндельные головки (поворотная шпиндельна головка у верстатів 6Т82Ш-35, 6Т82Ш-36 і 6Т83Ш-35, 6Т83Ш-36) з индивидуальной коробкой швидкостей і отдельным приводом, обеспечивающими возможность обробки детали инструментом, установленным к рабочей поверхности стола практически под любым углом в любой плоскости.

Особливості конструкції верстата 6Т83Ш:

Технологические особливості конструкції верстата 6Т83Ш:

Повышена долговечность верстата і жесткость за счёт прямоугольных направляючих станины і консоли, снижено усилие подъёма консоли за счёт индивидуальной змазки гвинта вертикального переміщення, введены дополнительные пристроя для защиты от разлетающейся стружки і емульсии.

Технічна характеристика і высокая жесткость верстатів позволяют полностью использовать возможности как быстрорежущего, так і твердосплавного инструмента.

Для сокращения вспомогательного часу і удобства керування в верстатах предусматриваются:

Верстати автоматизированы і могут быть настроены на различные автоматические циклы, что повышает производительность труда, исключает необходимость обслуживания верстатів рабочими високою квалификации і облегчает возможность организации многостаночного обслуживания.

Класс точності верстата П по ГОСТ 8—77.


Модифікації консольно-фрезерных верстатів серии "Т"

На базе верстатів серии «Т» разработаны различные модификации і специализированные верстати:

Модифікації 6Т…-27 имеют увеличенное на 100 мм расстояние от оси (торца) шпинделя до рабочей поверхности стола і механізм пропорционального (в 2 раза) замедления рабочей подачі.


История выпуска верстатів Горьковским заводом, ГЗФС

В 1937 году на Горьковском заводе фрезерных верстатів были изготовлены первые консольно-фрезерные верстати серии 6Б моделей 6Б12 і 6Б82 з рабочим столом 320 х 1250 мм (2-го типоразмера).

В 1951 году запущена в производство серия консольно-фрезерных верстатів собственной конструкції (Новые): 6Н12, 6Н13П, 6Н82, 6Н82Г. Верстат 6Н13ПР получил “Гран-При” на всемирной выставке в Брюсселе в 1956 году.

В 1960 году запущена в производство серия консольно-фрезерных верстатів: 6М12П, 6М13П, 6М82, 6М82Г, 6М83, 6М83Г, 6М82Ш.

В 1972 году запущена в производство серия консольно-фрезерных верстатів: 6Р12, 6Р12Б, 6Р13, 6Р13Б, 6Р13Ф3, 6Р82, 6Р82Г, 6Р82Ш, 6Р83, 6Р83Г, 6Р83Ш.

В 1975 году запущены в производство копировальные консольно-фрезерные верстати: 6Р13К.

В 1978 году запущены в производство копировальные консольно-фрезерные верстати 6Р12К-1, 6Р82К-1.

В 1985 году запущена в производство серия 6Т-1 консольно-фрезерных верстатів: 6Т12-1, 6Т13-1, 6Т82-1, 6Т83-1 і ГФ2171.

В 1991 году запущена в производство серия консольно-фрезерных верстатів: 6Т12, 6Т12Ф20, 6Т13, 6Т13Ф20, 6Т13Ф3, 6Т82, 6Т82Г, 6Т82ш, 6Т83, 6Т83Г, 6Т83Ш.






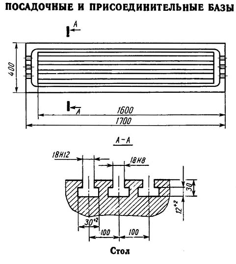
Габаритные розміри робочого простору фрезерного верстата 6Т83Ш

6Т83Ш Габаритные розміри робочого простору і присоединительные базы універсального горизонтального консольно-фрезерного верстата

Креслення робочого простору фрезерного верстата 6т83ш


Посадочные і присоединительные базы фрезерного верстата 6Т83Ш. Рабочий стол

6Т83Ш Габаритные розміри робочого простору і присоединительные базы універсального горизонтального консольно-фрезерного верстата

Присоединительные базы фрезерного верстата 6т83ш


Посадочные і присоединительные базы фрезерного верстата 6Т83Ш. Шпиндель

6Т83Ш Габаритные розміри робочого простору і присоединительные базы універсального горизонтального консольно-фрезерного верстата

Шпиндель фрезерного верстата 6т83ш


Загальний вигляд універсального фрезерного верстата 6Т83Ш

Загальний вигляд  6Т83Ш cтанок широкоуніверсальний консольно-фрезерный

Фото широкоуніверсального фрезерного верстата 6т83ш

Фото консольно-фрезерного верстата 6Т83ш. Скачать в увеличенном масштабе



фото 6Т83Ш cтанок широкоуніверсальний консольно-фрезерный

Фото широкоуніверсального фрезерного верстата 6т83ш


фото 6Т83Ш cтанок широкоуніверсальний консольно-фрезерный

Фото широкоуніверсального фрезерного верстата 6т83ш


фото 6Т83Ш cтанок широкоуніверсальний консольно-фрезерный

Фото широкоуніверсального консольно-фрезерного верстата 6т83ш



Розташування складових частин на станке 6Т83Ш

Розташування складових частин на широкоуниверсальном консольно-фрезерном станке 6Т83Ш

Розташування складових частин на станке 6Т83Ш

Список складових частин фрезерного верстата 6Т83Ш

  1. станина - 6Т83Г.10.000-07;
  2. коробка переключения6Р83.5;
  3. пульт боковой - 6Т82Г-1.85А;
  4. коробка швидкостей6Т83Ш.30;
  5. комплект пристроя електромеханического зажиму инструмента - 6Р13К.93.100-03
  6. хобот - 6Т83Ш-1.150;
  7. поворотная головка - 6Т82Ш-1.310;
  8. накладная головка - 6Т82Ш-1.320;
  9. шкаф керування - 6Т83Ш-29.811;
  10. стол і салазки - 6Т83Г-1.70.000-07;
  11. механізм замедления подачі;
  12. пульт основной - 6Т82Г-29.821;
  13. консоль - 6Т83Ш-29.600;
  14. коробка подач - 6Т82Г-1.40

Розташування органів керування фрезерным верстатом 6Т83Ш

Розташування органів керування широкоуниверсальным фрезерным верстатом 6Т83Ш

Розташування органів керування фрезерным верстатом 6Т83Ш

Список органів керування фрезерного верстата 6Т83Ш

  1. Указатель швидкостей шпинделя
  2. Кнопка "Пуск шпинделя" (дублирующая)
  3. Переключатель "Зажим - отжим инструмента"
  4. Кнопка "Перемещение стола вправо - вперед - вниз"
  5. Переключатель выбора направления переміщення стола
  6. Кнопка "Перемещение стола влево - назад - вверх"
  7. Кнопка "Стоп переміщення стола"
  8. Кнопка "Толчок шпинделя"
  9. Кнопка "Стоп шпинделя" (дублирующая)
  10. Кнопка "Стоп" аварийная
  11. Кнопка "Быстрое перемещение стола" (дублирующая)
  12. Рукоятка переключения швидкостей шпинделя
  13. Кнопка "Толчок шпинделя" поворотной головки
  14. Рукоятки переключения швидкостей шпинделя поворотной головки
  15. Ручное перемещение хобота
  16. Зажимы серьги
  17. Зажим поворотной головки
  18. Маховичок выруху гильзы шпинделя
  19. Рукоятка зажиму гильзы шпинделя
  20. Зажимы салазок
  21. Кнопка "Перемещение стола влево"
  22. Кнопка "Перемещение стола вправо"
  23. Зажимы стола
  24. Переключатель увімкнення режима роботи стола "Ручной - Механический"
  25. Маховик ручного продольного переміщення стола
  26. Кольцо - нониус
  27. Лимб механізма поперечных перемещений стола
  28. Ручное поперечное перемещение стола
  29. Ручное вертикальное перемещение стола
  30. Грибок переключения подач
  31. Кнопка "Перемещение стола вперед"
  32. Кнопка "Перемещение стола назад"
  33. Кнопка "Стоп" аварийная
  34. Кнопка "Пуск шпинделя"
  35. Переключатель выбора режимов роботи верстата
  36. Кнопка "Стоп шпинделя"
  37. Кнопка "Быстрое перемещение стола", "Пуск цикла"
  38. Кнопка "Перемещение стола вниз"
  39. Кнопка "Перемещение стола вверх"
  40. Маховик ручного продольного переміщення стола (дублирующий)
  41. Зажим хобота на станине
  42. Вводной выключатель
  43. Переключатель направления обертання шпинделя "Влево - вправо"
  44. Переключатель насоса охлаждения "Включено - выключено"
  45. Переключатель направления обертання шпинделя накладной головки "Влево - вправо"
  46. Переключатели выбора автоматических циклов
  47. Переключатель выбора пульта керування
  48. Зажим консоли
  49. Рукоятка ручного вертикального і поперечного перемещений стола (съемная)
  50. Зажим накладной головки
  51. Штифт нулевой фиксации
  52. Кнопка живлення нулевого расланцюгителя вводного выключателя




Кінематична схема широкоуніверсального консольно-фрезерного верстата 6Т83Ш

Кінематична схема широкоуніверсального консольно-фрезерного верстата 6Т83Ш

Кінематична схема фрезерного верстата 6Т83Ш

Кінематична схема широкоуніверсального консольно-фрезерного верстата 6Т83Ш. Скачать в увеличенном масштабе



Привід горизонтального шпинделя і шпинделя накладной головки осуществляется от окремих фланцевых електродвигателей через упругие соединительные муфты.

Частота обертання шпинделей изменяется путем переруху зубчатых блоков по шлицевым валам. Горизонтальный шпиндель имеет 18, а шпиндель накладной головки - 11 различных швидкостей. Список деталей к кінематичної схеме приведем в табл. 4.

Привід подач, включающий ланцюг ускоренного ходу, ланцюг рабочих подач осуществляется от фланцевого електродвигуна, размещенного на правой стороне консоли Посредством четырех двухвенцовых зубчатых блоков і одновенцового подвижного зубчатого колеса увімкнення перебора, коробка подач обеспечивает получение 22 различных подач, которые передаются на выходной вал привода, снабженный муфтой увімкнення ускоренного ходу, муфтой увімкнення рабочих подач і предохранительной шариковой муфтой. С зубчатого венца предохранительной муфты 53 рух поступает на коробку раздачи движений по ходовым гвинтам, где для каждой координаты перемещений стола установлено по одной управляющей електромагнитной муфте. Рух стола в заданном направлении обеспечивается включением соответствующей муфты в раздаточной коробке.

Ускоренные переміщення получаются включением муфты ускоренного ходу 43 і електродвигуна подач, рух з которого через конические зубчасті колеса 39 і 40 передається на вал II а затем через колесо 42 сообщается зубчатому венцу муфты 43, свободно обкатывающемуся на валу XI і взаимодействующему з електромагнитной муфтой увімкнення ускоренного ходу.

Рабочие переміщення обеспечиваются включением муфты подач 45 при работающем двигателе і разомкнутой муфте ускоренного ходу. Скорость обертання выходного вала XI при включенной подаче определяется положением передвижных зубчатых блоков в коробке подач.

При включении механического переміщення стола верстата начало руху происходит з выдержкой часу до 2 с.

Установчі ручні переміщення стола производятся маховиками 26 і 44. Перемещения салазок і консоли - съемной рукояткой 53 (рис. 13), гильзы поворотного ходу - маховиком 18.


Опис сборочных единиц широкоуніверсального фрезерного верстата 6Т83Ш


Станина

Станина - основная сборочная единица, на которой монтируются составные частини і механізмы верстата.

Жесткость конструкції станины достигается за счет развитого основания і большого числа ребер.

По вертикальным направляющим станины перемещается консоль, по горизонтальным - хобот.

Для ограничения ходу консоли з левой стороны станины крепится планка з кулачками.

С правой стороны на станине установлена станція керування.

Сзади к станине прифланцованы електродвигатели головного руху і механізма крепления инструмента.

Внутри корпуса станины имеется резервуар для масла. Станина устанавливается на основание, которое служит і опорой гвинта подъема консоли. Сзади на основании установлен насос подачі охлаждающей жидкости.


Хобот і коробка швидкостей шпинделя поворотной головки фрезерного верстата 6Т83Ш

Коробка швидкостей шпинделя поворотной головки фрезерного верстата 6Т83Ш

Хобот і коробка швидкостей шпинделя поворотной головки фрезерного верстата 6Т83Ш

Хобот представляет собой самостоятельную сборочную единицу. В нем монтируется коробка швидкостей (рис. 16) приводу шпинделя поворотной головки. Изменение швидкостей шпинделя осуществляется передвижением зубчатых блоков по шлицевым валам рукоятками 14 (рис. 13) в соответствии з установленными на них табличками.

Перемещение хобота в направляючих станины осуществляется вращением рукоятки 15. Перед переміщенням хобота необходимо отвернуть винт 45 на четыре-пять оборотів для получения легкого ходу.

При необходимости использования верстата как обычного горизонтального на направляючих хобота могут быть установлены серьги (рис. 15). Расточка отверстия серьги под подшипник выполнена индивидуально для каждого верстата, поетому ПЕРЕСТАНОВКА СЕРЕГ С ОДНОГО СТАНКА НА ДРУГОЙ ЗАПРЕЩАЕТСЯ.

Как правило, на станке 6Т82Ш применяется одна из серег I или II на станке 6Т83Ш - серьга II; при тяжелых режимах обробки на станке 6Т83Ш могут быть использованы две серьги II.


Разрез поворотной головки широкоуніверсального фрезерного верстата 6Т83Ш

Разрез поворотной головки широкоуніверсального фрезерного верстата 6Т83Ш

Разрез поворотной головки широкоуніверсального фрезерного верстата 6Т83Ш

Поворотная головка крепится к хоботу через промежуточную плиту 1 при помощи болтов, введенных в кольцевой Т-образный паз, і центрируется в кольцевой выточке (рис 16).

Поворотная головка зафиксирована в нулевом положении по отношению к фланцу хобота. Для поворота головки следует освободить її от нулевой фиксации вращением гайки штифта фиксации і вытягиванием штифта 55 (рис. 13).

Шпиндель поворотной головки получает вращение от коробки швидкостей хобота через кулачковую муфту 1 і конические зубчасті колеса 2, 3 (рис. 17) і 4, 5 (рис. 18).

Шпиндель представляет собой двух опорный вал, смонтированный в выдвижной гильзе.

Перемещение гильзы поворотной головки производится маховичком, связанным при помощи червяка і зубчатого колеса з рейкой, нарезанной на гильзе шпинделя.

Механізм зажиму гильзы включает в себя нерухомий упор 1 (рис. 19) і тягу 2.


Накладная головка широкоуніверсального фрезерного верстата 6Т83Ш

Накладная головка широкоуніверсального фрезерного верстата 6Т83Ш

Накладная головка фрезерного верстата 6Т83Ш

Накладная головка крепится к поворотной головке посредством Т-образного паза. Шпиндель накладной головки получает вращение от шпинделя поворотной головки (рис. 20).


Коробка швидкостей верстата 6Т83Ш

Коробка швидкостей горизонтального шпинделя смонтирована непосредственно в корпусе станины. Соединение коробки з валом електродвигуна осуществляется упругой муфтой, На промежуточных валах смонтированы два тройных і один двойной блок шестерен. На моторном валу установлена електромагнитная муфта II (рис. 21), служащая для торможения шпинделя при останове.

Осмотр коробки швидкостей можно произвести через окно з правой стороны станины.


Шпиндель верстата

Шпиндель верстата (рис. 21) представляет собой двух опорный вал, геометрическая точность обертання которого определяется, в основном, підшипниками 2 і 4.





Коробка переключения швидкостей верстата 6Т83Ш

Коробка переключения швидкостей широкоуніверсального фрезерного верстата 6Т83Ш

Коробка переключения швидкостей фрезерного верстата 6Т83Ш

Коробка переключения швидкостей позволяет выбирать требуемую скорость без послідовного прохождения промежуточных ступеней.

Рейка 1 (рис. 22), передвигаемая рукояткой переключения 5. посредством сектора 2 через вилку 10 (рис. 23) перемещает в осевом направлении валик 3 з диском переключения 9. Диск переключения поворачивается указателем швидкостей 11 через конические зубчасті колеса 2 і 4. Диск имеет несколько рядов отверстий определенного размера, расположенных против штифтов 8 реек 5 і 7, зацепляющихся попарно з зубчатым колесом 6.

На одной из каждой пары реек крепится вилка переключения. При перемещении диска нажимом на штифт одной из пары обеспечивается возвратно-поступательное перемещение реек. При етом вилки в кінці ходу диска занимают положение, соответствующее зацеплению окремих пар зубчатых колес. Для исключения возможности жесткого упора зубчатых колес при переключении штифты 8 реек подпружинены.

Фиксация лимба при выборе скорости обеспечивается шариком 1, заскакивающим в пазы звездочки 12.

Регулювання пружины 13 для четкой фиксации лимба і нормального зусилля при его повороте производится пробкой 14.

Рукоятка 5 (рис. 22) во включенном положении удерживается за счет пружины 4 і шарика 3. При етом шип рукоятки входит в паз фланца.

Соответствие швидкостей значениям, отмеченным на указателе, достигается определенным положением конических шестерен 2 і 4 (рис. 23) по зацеплению. Правильное зацепление устанавливается по кернам на торцах сопряженного зуба і впадины или при установці указателя в положение скорости 31,5 об/мин і диска з вилками в положение скорости 31,5 об/мин.

Зазор в зацеплении конической пары не должен быть больше 0,2 мм, так как диск за счет етого може повернуться до 1 мм. Смазка коробки переключения осуществляется от системы змазки коробки швидкостей разбрызгиванием масла, поступающего из трубки в верхней частини станины. Отсутствие масляного дождя може вызвать недопустимый нагрев щечек вилок переключения і привести к заеданию вилок, их деформации или поломке.


Коробка подач верстата 6Т83Ш

Коробка подач широкоуніверсального фрезерного верстата 6Т83Ш

Коробка подач фрезерного верстата 6Т83Ш

Коробка подач обеспечивает перемещение стола по трем координатам з заданной скоростью.

Вращение на входное колесо 1 (рис. 24) коробки подач поступает з зубчатого венца 5 (рис. 26), установленного на валу 7 консоли. Получаемые в результате переключения блоков шестерен скорости через выходное колесо 3 (рис. 24) і паразитную шестерню 20 (рис. 26) передаются на муфту подач 18, установленную на размещенном в консоли выходном валу 16 ланцюги ускоренного ходу. Коробка подач і ланцюг ускоренного ходу от поломок при перегрузках защищены шариковой предохранительной муфтой 22.

Величина момента, развиваемого муфтой, регулируется изменением зусилля пружин, воздействующих на шарики, размещенные в пазах на торце зубчатого колеса. При перегрузке механізма подач шарики, преодолевая зусилля пружин, выдавливаются из пазов, і зубчатое колесо 21 начинает проскальзывать относительно вала 16. при етом рабочая подача прекращается.

Регулювання муфты считается правильным, если не происходит її срабатывание при быстром перемещении консоли вверх.

Для достижения плотности стыка коробки подач з консолью по периметру привал очного фланца коробки выполнена канавка прямоугольного сечения, в которую заложен уплотнительный шнур Ø5 мм из маслобензостойкой резины. Подача змазки к вузлам приводу подач осуществляется плунжерным насосом з приводом от шарикопідшипника 2, насаженного на ексцентрично выполненную ступицу входного колеса 1 (рис. 24).


Механізм переключения подач

Механізм переключения подач широкоуніверсального фрезерного верстата 6Т83Ш

Механізм переключения подач фрезерного верстата 6Т83Ш

Механізм переключения подач (рис 25) включает жестко связанный з валом 6 диск 7, подвижный вдоль оси вала диск 2, штанги 5 з переключающими вилками. При переключениях диски движутся во встречном направлении и, воздействуя на торцы штанг, перемещают их і связанные з ними блоки переключаемых шестерен в осевом направлении. Заданное направление переміщення штанг (вправо-влево) обеспечивается наличием в дисках отверстий, расположенных против соответствующих торцев штанг. Ступица диска 7 снабжена кольцевой проточкой і зубчатым колесом 8. посредством которых механізм переключения подач связан з валом керування 9.

Для переключения подачі необходимо нажать кнопку 14 і вытянуть грибок 13 на, себя до отказа, При етом вал 9 потянет за собой связанный з ним вал 6 з диском 7, Диск 2, связанный при помощи рейки 1 і шестерни 21 з валом 6, в етом случае будет двигаться в противоположном направлении до упора его ступицы в винт 4, а концы штанг освободятся от взаимодействия з дисками. Последующим поворотом грибка 13 вокруг оси установить по лимбу 11 требуемую величину подачі против стрелки-указателя 10.

Переключення подачі производится переміщенням грибка в осевом направлении до первоначального фиксированного положения. Если дослать грибок в исходное положение не удается, то следует снова повторить рух на себя. При етом, воздействием диска 20 через толкатель 19 будут замкнуты контакты конечного выключателя 18, управляющие импульсным включением двигуна подач, після етого возврат грибка в исходное положение пройдет без затруднений.

Смещение дисков 2 і 7 в осевом направлении предотвращается фиксацией вала 9 во включенном положении двумя шариками 16 і втулкой 15. При нажиме на кнопку 14 шарики попадают в кольцевую проточку валика 17 і освобождают от фиксации вал 9. Фиксация поворота дисков переключения осуществляется подпружиненным шариком 3, расположенным в отверстии рейки 1.


Консоль

Консоль широкоуніверсального фрезерного верстата 6Т83Ш

Консоль фрезерного верстата 6Т83Ш

Консоль является базовым узлом, объединяющим вузли ланцюги подач верстата. Непосредственно в корпусе консоли встроены ланцюг ускоренных перемещений, коробка раздачи движений по ходовым гвинтам і вал керування механізмом переключения подач. На левой стороне консоли прифланцована съемная коробка подач з патрубком для залива масла, а также расположены указатели роботи насоса і уровня масла в масляном резервуаре консоли. С правой стороны крепятся електродвигатель подач і распредели тельная коробка для живлення електромагнітних муфт, размещенная под защитным кожухом електродвигуна.

Наличие распределительной коробки з клеммными рейками позволяет, не вскрывая консоли, прозвонить ланцюг любой из електромагнітних муфт в приводе подач.

На переднем торце консоли размещена кнопка периодической подачі масла к направляющим стола, салазки. Здесь же расположен грибок переключения подач.

Корпус консоли разделен поперечної перегородкой на два отсека В переднем отсеке встроена муфтовая коробка раздачи движений по ходовым гвинтам. Доступ к муфтам при осмотрах і ремонтных работах осуществляется через боковые окна: через правое - к предохранительной і муфтам поперечного ходу, через левое - к муфтам вертикальних перемещений.

Демонтаж і установка муфт продольного ходу производятся через отверстие в передньої стенке консоли, закрытое опорным фланцем підшипника муфтового вала.

При демонтаже валов з муфтами поперечного і вертикального перемещений стола не следует нарушать первоначальную налаштування положения блокировочных конечных выключателей, обеспечивающих відключення електромагнітних муфт при пользовании съемной рукояткой установочных перемещений.

Ланцюг ускоренного ходу представляет собой две пары постоянно сцепленных зубчатых передач, установленных на валах 11, 7 і 16 (рис. 26), зубчасті колеса 9, 6 і 3 етих передач жестко соединены з валами 11 і 7, а ведомое колесо 15 свободно вращается на валу 16 і жестко соединяется з ним при замыкании муфты ускоренного ходу 14.

На валу. 16 кроме муфты увімкнення ускоренного ходу, размещены муфты увімкнення подач 18. а также предохранительная муфта 22, через которую передається рух на коробку раздачи руху по ходовым гвинтам,

С муфтового вала 25 через зубчасті колеса 2 і 1 вращение передається на винт поперечных перемещении 32. На винт вертикальних перемещений обертання поступают з вала 27 через цилиндрическую зубчатую пару 29, 30 і конические зубчасті колеса 5 і 4 (рис. 27).

Вращение на винт продольных перемещений передається з вала 28 посредством двойного блока 26, свободно установленного на кінці гвинта поперечных перемещений, на шлицевый вал 31.

Далее вращение через две конические пары шестерен 12, 13 і 14, 4 поступает на гильзу 10 (рис. 28), связанную з винтом продольных перемещений 1, посредством скользящей шпонки.





Стол і салазки

Стол і салазки широкоуніверсального фрезерного верстата 6Т83Ш

Стол і салазки фрезерного верстата 6Т83Ш

Стол і салазки (рис. 28, 29) обеспечивают продольные і поперечные переміщення стола.

Ходовой винт 1 (рис. 28) получает вращение через скользящую шпонку гильзы 10, смонтированной во втулке 7. Гильза 10 через шлицы получает вращение от зубчатой полумуфты 6 при сцеплении її з зубчатой полумуфтой 5, жестко связанной з коническим зубчатым колесом 4. Полумуфта 5 имеет зубчатый венец, з которым зацепляется зубчатое колесо приводу круглого стола. Полумуфта 6 имеет зубчатый венец для осуществления обертання гвинта поздовжньої подачі при переміщеннях от маховика 5 (рис. 29). Вращение на зубчатой венец передається от шестерни 4, которая подпружинена на случай попадания зуба на зуб. Зацепление зубчатого венца 3 полумуфты з шестерней 4 возможно только в случае расцепления полумуфты 6 з полумуфтой 5 (рис. 28) і осуществляется переміщенням рейки 1 (рис. 29) от переключателя 6, закрепленного на валике 2. Таким образом осуществляется блокировка маховика 5.

Гайки 2 і 3 ходового гвинта 1 (рис. 28) расположены в левой частини салазок. Правая гайка 3 зафиксирована двумя штифтами в корпусе салазок; левая гайка 2, упираясь торцем в правую, при повороте її червяком выбирает люфт в винтовой паре.

Стол соединяется з ходовым винтом через кронштейны, установка которых на торцах стола производится по фактическому расположению гвинта і фиксируется контрольными штифтами. Упорные підшипники смонтированы на разных концах гвинта, что устраняет возможность его роботи на продольный изгиб. При монтаже гвинта обеспечивается предварительный натяг ходового гвинта гайками з усилием 1000...1250 Н (100... 125 кгс).

Зажим салазок на направляючих консоли обеспечивается планками 9, на которые воздействует ексцентрик валика 8.


Пристрій електромеханического зажиму инструмента

Пристрій електромеханического зажиму инструмента 6Т83Ш

Пристрій електромеханического зажиму инструмента верстата 6Т83Ш

Пристрій електромеханического зажиму инструмента (рис.30) предназначено для закрепления инструмента в шпинделе верстата.

Затяжка і выталкивание инструмента производятся з помощью перемещающейся тяги 3. расположенной внутри шпинделя 5. Возвратно-поступательное перемещение тяги 3 обеспечивается резьбовым соединением її со шлицевым валиком 2, получающим вращательное рух от головки електромеханического зажиму инструмента 1. На кінці тяги 3 имеется Т-образная головка, которая соединяется з Т-образным пазом захвата 4, ввернутого в оправку з фрезой.

Установка фрез на оправках производится в зависимости от их размера і вида (рис. 31).

Захват 1 (рис. 31) должен быть установлен таким образом, чтобы Т-образный паз захвата был перпендикулярен ведущим пазам оправки или фрезы 3 і выдержан размер 43 ± 1,5 мм.

Номенклатура оправок і переходных втулок, поставляемых з верстатом, приведена в разделе 3 "Комплект поставки".

Закрепление фрезерной оправки в шпинделе осуществляется в следующей післядовательности: оправку з фрезой вставить в конусное отверстие шпинделя і путем поворота на угол 90° соединить з головкой тяги 2. Перевести переключатель 3 (рис. 13) в положение "Зажим инструмента". При етом оправка з фрезой втягивается в шпиндель. Окончание зажиму определяется по прощелкиванию кулачковой муфты механізма.

При отжиме инструмента необходимо: выключить шпиндель кнопкой 9 или 39 (рис 13) і проследить, чтобы шпиндель остановился. Перевести переключатель 3 в положение "Отжим инструмента" і держать до тех пор, пока фрезерна оправка не выйдет из шпинделя на длину не более 15... 20 мм, т.е. оправка должна расланцюгиться з ведущими шпонками шпинделя.

При большем перемещении оправки валик 2 (рис. 30) може полностью вывернуться из тяги 3. Тогда при зажиме инструмента тягу нужно поджать вдоль оси, чтобы резьбовой конец валика ввернулся в резьбовое отверстие тяги ВНИМАНИЕ! ПРИ ПЕРВОНАЧАЛЬНОМ ВКЛЮЧЕНИИ ШПИНДЕЛЯ НЕОБХОДИМО ПРОИЗВЕСТИ ЗАЖИМ ИНСТРУМЕНТА.

Зажим инструмента производить при установленном на лимбе числе оборотів шпинделя верстата не более 400, При проверке обертання шпинделя без инструмента необходимо произвести холостое втягивание тяги 3 до прощелкивания кулачковой муфты, имитируя зажим инструмента, в противном случае шпиндель включаться не будет. Для кінцівых фрез з коническим хвостовиком, имеющим конус Морзе 5, применяется втулка переходная з конусностью 7:24 (рис. 32).


Список графических символів на фрезерном станке 6Т83Ш

Список графических символів на фрезерном станке 6Т83Ш

Список графических символів на фрезерном станке 6Т83Ш





Схема електрична фрезерного верстата 6Т83Ш

Схема електрична 6Т83Ш cтанок широкоуніверсальний консольно-фрезерный

Електрична схема фрезерного верстата 6Т83Ш

Схема електрична принципова консольно-фрезерного верстата 6Т83ш. Скачать в увеличенном масштабе





Настановне креслення фрезерного верстата 6Т83Ш

6Т83Ш Настановне креслення cтанок широкоуніверсальний консольно-фрезерный

Настановне креслення фрезерного верстата 6Т83Ш


Ремонт фрезерного верстата 6Т83Ш

Осмотр верстата

  1. Наружный осмотр верстата(без разборки для выявления дефектов) состояния і роботи верстата в целом ипо вузлам;
  2. Осмотр і проверка состояния механізмов приводу головного руху і подач;
  3. Регулювання зазоров ходовых винтов стола;
  4. Регулювання підшибників шпинделя;
  5. Проверка роботи механізмов переключения швидкостей і подач;
  6. Регулювання механізмів увімкнення кулачковых муфт і подач і фрикционной муфты ускоренного ходу;
  7. Регулювання клиньєв стола, салазок, консоли і хобота;
  8. Осмотр направляючих, зачистка забоин і задиров;
  9. Подтяжка ослабевших крепежных деталей;
  10. Проверка исправности дії ограничительных кулачков;
  11. Проверка состояния і мелкий ремонт систем охлаждения і змазки;
  12. Проверка состояния і ремонт оградительных устройств;
  13. Выявление деталей, требующих замены при ближайшем ремонтi (начиная со второго малого ремонта);

Малый ремонт верстата

  1. Частичная разборка вузлів;
  2. Промывка всех вузлів;
  3. Регулювання или замена підшибників качения;
  4. Зачистка заусениц і забоин на зубьях шестерен, сухарях і вилках переключения;
  5. Замена і добавление фрикционных дисков муфты ускоренного ходу (начиная со второго ремонта);
  6. Пришабривание і зачистка клиньєв і планок;
  7. Зачистка ходовых винтов і замена изношенных гаек;
  8. Зачистка забоин і задиров направляючих і рабочей поверхности стола;
  9. Замена изношенных і сломанных крепежных деталей
  10. Проверка і регулювання механізмов увімкнення швидкостей і подач;
  11. Ремонт систем змазки і охлаждения;
  12. Испытание верстата на холостом ходу, проверка на шум, нагрев і точность по обрабатываемой детали.

Средний ремонт верстата

  1. Узловая разборка верстата;
  2. Промывка всех вузлів;
  3. Осмотр деталей разобранных вузлів;
  4. Cкладление дефектов ведомости;
  5. Регулювання или замена підшибників шпинделя;
  6. Замена или восстановление шлицевых валов;
  7. Замена изношенных втулок і підшибників;
  8. Замена дисков і деталей фиксатора фрикционной муфты ускоренного ходу;
  9. Замена изношенных зубчатых колес;
  10. Восстановление или замена изношенных ходовых винтов і гаек;
  11. Пришабривание или замена регулировочных клиньєв;
  12. Ремонт насосов і арматуры систем змазки і охлаждения;
  13. Исправление шабрением или шлифованием поверхностей направляючих, если их износ превышает допустимый;
  14. Окраска наружных поверхностей верстата;
  15. Обкатка верстата на холостом ходу (на всех скоростях і подачах) з проверкой на шум і нагрев;
  16. Проверка верстата на точность і жесткость по ГОСТ 17734—72.

Капитальный ремонт верстата

Капитальный ремонт производится з полной разборкой всех вузлів верстата, по результатам которой в обязательном порядке составляется дефектно-сметная ведомость. В результате ремонта должны быть восстановлены или заменены все изношенные вузли і детали верстата, а также восстановлена его первоначальная точность, жесткость і мощность. Характер і объем работ при данном виде ремонта определяются для конкретных условий експлуатации единой системой планово-предупредительного ремонта.




6Т83Ш Верстат консольно-фрезерный широкоуніверсальний. Відеоролик.






Технічні характеристики верстатів моделей 6Т83Ш

Наименование параметра 6Т82Ш 6Т83Ш
Основні параметри верстата
Класс точності по ГОСТ 8-82 П П
Розміри рабочей поверхности стола (длина х ширина), мм 1250 х 320 1600 х 400
Наименьшее і наибольшее расстояние от оси горизонтального шпинделя до стола, мм 30..450 30..450
Расстояние от оси горизонтального шпинделя до хобота, мм 155 190
Расстояние от торца шпинделя поворотной головки до стола, мм 125..545 160..580
Расстояние от оси шпинделя поворотной головки до направляючих станины (вылет), мм 260..820 260..900
Рабочий стол
Наибольшее перемещение стола продольное/ поперечное/ вертикальное, мм 800/ 320/ 420 1120/ 400/ 420
Максимальная нагрузка на стол (по центру), кг 400 630
Число Т-образных пазов Розміри Т-образных пазов 3 3
Перемещение стола на одно деление лимба (продольное, поперечное, вертикальное), мм 0,05 0,05
Перемещение стола на один оборот лимба продольное і поперечное, мм 6 6
Перемещение стола на один оборот лимба вертикальное, мм 2 2
Быстрый ход стола продольный/ поперечний/ вертикальний, м/мин 4/ 4/ 1,3 4/ 4/ 1,3
Число ступеней рабочих подач стола 22 22
Пределы рабочих подач стола. Продольных і поперечных, мм/мин 12,5...1600 12,5...1600
Пределы рабочих подач стола. Вертикальных, мм/мин 4,1...530 4,1...530
Усилие різання поздовжньої, поперечної, вертикальной подач, Н 15,0/ 12,0/ 5,0 20,0/ 12,0/ 8,0
Шпиндель
Частота обертання шпинделя поворотной і накладной головок, об/мин 50..1600 50..1600
Количество швидкостей шпинделя 11 11
Частота обертання горизонтального шпинделя, об/мин 31,5..1600 31,5..1600
Количество швидкостей горизонтального шпинделя 18 18
Перемещение пиноли (гильзы) шпинделя, мм 80 80
Перемещение пиноли шпинделя на одно деление лимба, мм 0,1 0,1
Перемещение пиноли шпинделя на один оборот лимба, мм 6 6
Поворот головки шпинделя к станине/ от станины, град 45 90
Поворот головки шпинделя в поздовжньої плоскости, град 360 360
Поворот накладной головки шпинделя в поздовжньої плоскости, град 360 360
Наибольший крутящий момент на горизонтальном шпинделе, кН.м 1,46
Кінець горизонтального шпинделя по ГОСТ 24644-81 (конус по ГОСТ 15945-82) 50 ряд4, исп.6 50 ряд4, исп.6
Ескіз кінця шпинделя поворотной і накладной головки по ГОСТ 24644-81 40 ряд 3, исп.5 40 ряд 3, исп.5
Допустимый диаметр фрез при черновой обработке. Горизонтальный/ вертикальний шпиндель, мм 250/ 75
Механіка верстата
Выключающие упоры подачі (поздовжньої, поперечної, вертикальной) есть есть
Блокировка ручной і механической подачі (поздовжньої, поперечної, вертикальной) есть есть
Блокировка раздельного увімкнення подачі есть есть
Автоматическая прерывистая подача Продольная есть есть
Автоматическая прерывистая подача Поперечная і вертикальная нет нет
Торможение шпинделя есть есть
Предохранение от перегрузки (муфта) есть есть
Привід і електрообладнання
Количество електродвигателей на станке 5 5
Електродвигун приводу головного руху М1, кВт 7,5 11
Електродвигун приводу шпинделя поворотной головки М2, кВт 3,0 3,0
Електродвигун насоса охлаждающей жидкости М3, кВт 0,125 0,125
Електродвигун приводу подач стола М4, кВт 2,2 3,0
Електродвигун приводу зажиму инструмента, кВт 0,18 0,18
Суммарная мощность всех електродвигателей на станке, кВт 13,87 17,3
Габарити і масса верстата
Габарити верстата (длина х ширина х высота), мм 2280 х 1965 х 1970 2570 х 2252 х 2040
Масса верстата, кг 3550 4370

    Список литературы:

  1. Верстати консольно-фрезерные 6Т82Г-1, 6Т82-1, 6Т83Г-1, 6Т83-1. Руководство по експлуатации 6Т82Г-1.00.000 РЭ,
  2. Верстати фрезерные консольные широкоуниверсальные 6Т82Ш, 6Т83Ш. Руководство по експлуатации 6Т82Ш.00.000 РЭ, 1986
  3. Консольно-фрезерные верстати 6Т82Г-1, 6Т82-1, 6Т12-1, 6Т82Ш-1, 6Т83Г-1, 6Т83-1, 6Т13-1, 6Т83Ш-1. Руководство по експлуатации електроустаткування 6Т82Г.00.000 РЭ1

  4. Аврутин С.В. Основы фрезерного дела, 1962
  5. Аврутин С.В. Фрезерне дело, 1963
  6. Ачеркан Н.С. Металлорежущие верстати, Том 1, 1965
  7. Барбашов Ф.А. Фрезерне дело 1973
  8. Барбашов Ф.А. Фрезерные роботи (Профтехобразование), 1986
  9. Блюмберг В.А. Справочник фрезеровщика, 1984
  10. Григорьев С.П. Практика координатно-расточных і фрезерных работ, 1980
  11. Копылов Работа на фрезерных верстатах,1971
  12. Косовский В.Л. Справочник молодого фрезеровщика, 1992
  13. Кувшинский В.В. Фрезерование,1977
  14. Ничков А.Г. Фрезерные верстати (Библиотека станочника), 1977
  15. Пикус М.Ю. Справочник слесаря по ремонту металлорежущих верстатів, 1987
  16. Плотицын В.Г. Расчёты настроек і наладок фрезерных верстатів, 1969
  17. Плотицын В.Г. Наладка фрезерных верстатів,1975
  18. Рябов С.А. Современные фрезерные верстати і их оснастка, 2006
  19. Схиртладзе А.Г., Новиков В.Ю. Технологическое обладнання машиностроительных производств, 1980
  20. Тепинкичиев В.К. Металлорежущие верстати, 1973
  21. Чернов Н.Н. Металлорежущие верстати, 1988
  22. Френкель С.Ш. Справочник молодого фрезеровщика (3-е изд.) (Профтехобразование), 1978