metalinstryment.com
Довідник по металорізальних верстатів та пресовому обладнанні

6Н12ПБ Верстат консольно-фрезерный вертикальний
схеми, опис, характеристики

6Н12ПБ Верстат консольно-фрезерный вертикальний







Відомості про виробника консольно-фрезерного верстата 6Н12ПБ

Производитель консольных фрезерных верстатів 6Н12ПБ Горьковский завод фрезерных верстатів, основанный в 1931 году.

Завод специализируется на выпуске широкой гаммы универсальных фрезерных верстатів, а, также, фрезерных верстатів з УЦИ і ЧПУ, і является одним из наиболее известных станкостроительных предприятий в России.

Начиная з 1932 года, Горьковский завод фрезерных верстатів занимается выпуском верстатів і является експертом в разработке і производстве различного металлорежущего оборудования.





Продукция Горьковского завода фрезерных верстатів ГЗФС


6Н12ПБ вертикальний консольно-фрезерный верстат універсальний. Назначение, область применения

Серийный консольно-фрезерный верстат 6Н12ПБ производился з 1951 года. В 1960 году был заменен на более совершенную модель 6М12П.

Універсальные фрезерные верстати серии Н (6Н12, 6Н13, 6Н82, 6Н83) выпускались Горьковским заводом фрезерных верстатів (ГЗФС) начиная з 1951 года. Верстати сходны между собой по конструкції, широко унифицированы і является дальнейшим усовершенствованием аналогичных верстатів серии Б.

Фрезерный верстат 6Н12ПБ предназначен для фрезерування деталей средних размеров і веса из стали, чугуна і цветных металлов имеет размер робочого стола - 320 х 1250 (типоразмер 2) в условиях индивидуального і серийного производства. В серийном производстве, благодаря наличию напівавтоматических і автоматических циклов, верстат може успешно использоваться на работах операционного характера в поточных і автоматических лініях.

На станке 6Н12ПБ можно обрабатывать вертикальные і горизонтальные плоскости, пазы, углы, нарезать зубчасті колеса торцевыми, цилиндрическими, кінцівыми, радиусными фрезами.

Фрезерование зубчатых колес, разверток, спиралей, контура кулачков і прочих деталей, требующих периодического или непрерывного поворота вокруг своей оси, производятся на данном станке з применением делительной головки или накладного круглого стола.

Благодаря наличию механізма выборки люфта в винтовой паре поздовжньої подачі стола, на станке можно производить встречное і попутное фрезерование, как в простых режимах, так і в режимах з автоматическими циклами.

Наиболее еффективное использование верстата достигается при обработке деталей методом скоростного фрезерування.

Класс точності верстатів Н.

Принцип роботи універсального вертикально-фрезерного верстата 6Н12ПБ

Движения в станке:

Крупные детали закрепляются непосредственно на столе верстата з помощью прижимных устройств. Небольшие детали устанавливаются в тисках или специальных приспособлениях. Торцовые, кінцівые, пальцевые фрезы і фрезерные головки укрепляются в шпинделе.

При обработке небольшой партии деталей керування поздовжньої подачей і быстрым переміщенням стола производится вручную.

В серийном производстве верстат 6Н12ПБ може быть настроен для роботи по напівавтоматическому, маятниковому или скачкообразному циклам. Для етой цели в боковом пазу стола устанавливаются в определенной післядовательности упоры і кулачки, которые в нужные моменты воздействуют на звездочку керування поздовжньої подачі, швидкого переміщення і остановки стола.

При напівавтоматическом цикле роботи після увімкнення верстата стол совместно з обрабатываемой деталью быстро перемещается, пока обрабатываемая деталь не подойдет к фрезе, затем включается рабочая подача.

По окончании обробки стол быстро возвращается в исходное положение і автоматически останавливается. Рабочий снимает обработанную деталь, закрепляет заготовку і вновь включает верстат. Цикл повторяется.

При маятниковом цикле обрабатываемые детали устанавливаются попеременно то з правой, то з левой стороны стола. Последний непрерывно совершает замкнутый цикл движений — быстрое перемещение влево, рабочая подача влево, быстрое перемещение вправо, рабочая подача вправо. Снятие обработанной детали і закрепление заготовки производятся рабочим во время фрезерування детали, расположенной на другой стороне стола.

Скачкообразный цикл применяется для одновременного фрезерування комплекта деталей, у которых обрабатываемые поверхности расположены на значительных расстояниях друг от друга. В етом случае стол автоматически получает то быстрые, то медленные переміщення в соответствии з расположением обрабатываемых поверхностей деталей.

Пределы использования верстатів по мощности і силовым нагрузкам

При работе на высоких і средних числах оборотів пределы использования верстатів ограничиваются, головним образом, допустимыми значениями швидкостей для фрез і мощностью електродвигуна головного руху, которая не должна быть больше 10—12,5 кВт по ваттметру. Таким образом, в зоне высоких чисел оборотів може быть допущена кратковременная перегрузка електродвигуна по мощности 25% в течение 1 мин.

Во всех случаях обробки, где возможно применение скоростного фрезерування, рекомендуется использовать верстати на скоростных режимах, как наиболее производительных і обеспечивающих спокойную, виброустойчивую работу верстатів.

Возможности использования верстатів при фрезеровании сталей быстрорежущими фрезами ограничиваются не возможностью поломок в механізмах верстата, а возникновением вибраций, связанных з неточностью изготовления і заточкой фрез, і невозможностью дать надлежащую подачу на зуб из-за наступающей поломки зубьев фрезы: так как верстат в основном предназначен для скоростного фрезерування, использовать его для фрезерування быстрорежущими фрезами нерационально.

При работе верстата на тяжелых режимах різання, как правило, лимитирующим фактором є стойкость і прочность режущего инструмента.

С етой точки зрения можно рекомендовать в качестве предельных режимов фрезерування наступні:

С точки зрения правильного использования верстатів, наиболее рациональным будет выбор полной мощности електродвигуна на средних скоростях, кратковременная перегрузка по мощности (в течение не более 1 мин) до 25—50% на высоких числах оборотів і снижение мощности на нижних 4—5 ступенях чисел оборотів на 25—30% от номинальной.


Модифікації консольно-фрезерных верстатів серии 6Н

Серия 6Н консольно-фрезерных верстатів - 6Н12П, 6Н12ПБ, 6Н13, 6Н13П, 6Н13ПБ, 6Н82, 6Н82Г, запущенна в 1951 году, включет в себя несколько модификаций:


История выпуска консольно-фрезерных верстатів (6н, 6м, 6р, 6т) Горьковским заводом, ГЗФС

В 1937 году на Горьковском заводе фрезерных верстатів были изготовлены первые консольно-фрезерные верстати серии 6Б моделей 6Б12 і 6Б82 з рабочим столом 320 х 1250 мм (2-го типоразмера).

В 1951 году запущена в производство серия консольно-фрезерных верстатів собственной конструкції (Новые): 6Н12, 6Н13П, 6Н82, 6Н82Г. Верстат 6Н13ПР получил “Гран-При” на всемирной выставке в Брюсселе в 1956 году.

В 1960 году запущена в производство серия консольно-фрезерных верстатів: 6М12П, 6М13П, 6М82, 6М82Г, 6М83, 6М83Г, 6М82Ш.

В 1972 году запущена в производство серия консольно-фрезерных верстатів: 6Р12, 6Р12Б, 6Р13, 6Р13Б, 6Р13Ф3, 6Р82, 6Р82Г, 6Р82Ш, 6Р83, 6Р83Г, 6Р83Ш.

В 1975 году запущены в производство копировальные консольно-фрезерные верстати: 6Р13К.

В 1978 году запущены в производство копировальные консольно-фрезерные верстати 6Р12К-1, 6Р82К-1.

В 1985 году запущена в производство серия 6Т-1 консольно-фрезерных верстатів: 6Т12-1, 6Т13-1, 6Т82-1, 6Т83-1 і ГФ2171.

В 1991 году запущена в производство серия консольно-фрезерных верстатів: 6Т12, 6Т12Ф20, 6Т13, 6Т13Ф20, 6Т13Ф3, 6Т82, 6Т82Г, 6Т82ш, 6Т83, 6Т83Г, 6Т83Ш.






Загальний вигляд вертикального консольно-фрезерного верстата 6Н12ПБ

Фото консольно-фрезерного верстата 6Н12ПБ

Фото консольно-фрезерного верстата 6Н12ПБ


Розташування складових частин і органів керування консольно-фрезерным верстатом 6Н12ПБ

6Н12ПБ Розташування складових частин і органів керування консольно-фрезерного верстата

Розташування складових частин і органів керування верстатом 6Н12ПБ

Розташування складових частин і органів керування консольно-фрезерным верстатом 6Н12ПБ. Дивитись у збільшеному масштабі



Список складових частин і органів керування консольно-фрезерного верстата 6Н12ПБ

  1. увімкнення насоса охлаждающей жидкости
  2. реверсирование обертання шпинделя (влево-вправо)
  3. електродвигатель приводу стола
  4. лимб з нанесенными величинами подач
  5. грибок переключения подач
  6. рукоятка ручного вертикального переміщення стола
  7. маховичок ручного поперечного переміщення стола
  8. рукоятка зажиму салазок на консоли
  9. рукоятка увімкнення продольного ходу стола
  10. електродвигатель приводу шпинделя
  11. дублирующая рукоятка увімкнення продольного ходу стола
  12. маховичок ручного продольного переміщення стола
  13. кулачки автоматичного виключення поздовжньої подачі стола
  14. кран охлаждающей жидкости
  15. кнопочная пусковая панель на передньої стороне салазок
  16. дублирующая рукоятка увімкнення поперечної і вертикальной подач
  17. увімкнення освещения верстата
  18. увімкнення верстата
  19. рукоятка переключения швидкостей шпинделя
  20. лимб з нанесенными числами оборотів
  21. указатель коробки швидкостей
  22. кнопочная пусковая панель на коробке переключения швидкостей шпинделя
  23. кулачки автоматичного виключення вертикальной подачі стола
  24. кулачки автоматичного виключення поперечної подачі стола
  25. рукоятка увімкнення поперечної і вертикальной подачі стола



Схема кінематична консольно-фрезерного верстата 6Н12ПБ

6Н12ПБ Схема кінематична консольно-фрезерного верстата

Кінематична схема консольно-фрезерного верстата 6Н12ПБ

Схема кінематична консольно-фрезерного верстата 6Н12ПБПБ. Дивитись у збільшеному масштабі



Опис конструкції консольно-фрезерного верстата 6Н12ПБ

Органы керування консольно-фрезерными верстатами 6Н12ПБ.

Електродвигун 10 приводу шпинделя включается от нажатия кнопки «шпиндель» на пусковой панелі 22, расположенной на коробке швидкостей верстата. Кнопочная пусковая панель 22 дублируется пусковой панелью 15, расположенной на передньої стороне салазок, т. е. увімкнення шпинделя може быть также произведено кнопкой «шпиндель» на панелі 15. Выключение обертання шпинделя осуществляется кнопкой «стоп» на любой из кнопочных панелей 22 или 15. Такое расположение кнопочных панелей позволяет фрезеровщику осуществлять пуск і зупинкаку верстата з любого места.

Електродвигун 3 приводу стола включается от двух дублирующих специальных електрических устройств, так называемых командоапаратів, при помощи соответствующих рукояток. Рукоятка 9 (или дублирующая її рукоятка 11) включает продольный ход стола в направлениях вправо і влево, будучи поставлена в соответствующие крайнее правое і крайнее левое положения, выключает продольное рух стола, находясь в среднем положении. Таким образом, рукоятка имеет три фиксированных положения: «подача вправо», «подача влево» і «стоп».

Дублирующие рукоятки 25 і 16 включают поперечную і вертикальную подачі стола от себя — к себе, вверх — вниз і стоп, будучи поставлены в одно из пяти фиксированных положений: «подача консоли вверх», «подача консоль вниз», «подача салазок от себя», «подача салазок к себе» і «стоп поперечного или вертикального ходу».

Увімкнення двигуна подачі для переміщення стола возможно лишь після увімкнення двигуна приводу шпинделя. Если рукоятки механических подач (поздовжньої 9 или 11, поперечної і вертикальной 25 или 16) стоят не в нулевом положении «стоп», то з включением кнопки «шпиндель» (на кнопочной панелі 22 или 15) одновременно включается соответствующая подача.

Для сокращения часу на подвод стола з закрепленной деталью к фрезе і отвод детали після окончания робочого ходу в станке предусмотрен быстрый ход стола в продольном, поперечном і вертикальном направлениях, включаемый кнопкой «быстро» пусковой панелі 22 или 15. Кнопка «быстро» включает быстрый ход стола, салазок или консоли при условии, если соответствующие рукоятки механических подач (поздовжньої 9 или 11, поперечної і вертикальной 25 или 16) включены в нужном направлении; если же ети рукоятки находятся в нулевом положении «стоп», увімкнення швидкого ходу не произойдет.

Кнопка «Быстро» работает только при нажатии на нее, при освобождении кнопки быстрый ход стола отключается.

Увімкнення швидкого ходу стола возможно і при невключенном двигателе шпинделя.


6Н12ПБ Налаштування числа оборотів і величины подачі стола в консольно-фрезерном станке

Налаштування числа оборотів і величины подачі стола в станке 6Н12ПБ. Рис. 110

Налаштування коробки швидкостей на заданное число оборотів шпинделя производится поворотом лимба 20 з нанесенными числами оборотів і установкой требуемого числа против стрелки-указателя 21. Прежде чем повернуть лимб 20, необходимо потянуть на себя рукоятку 19. После установки лимба на требуемое число оборотів рукоятку 19 возвращают в исходное положение. На рис. 110, а показана налаштування коробки швидкостей на 95 об/мин шпинделя.

Реверсирование направления обертання шпинделя производится реверсивным переключателем 2 (рис. 109), расположенным в правом електрошкафу.

Налаштування коробки подач на заданное перемещение стола производится грибком 5 і лимбом 4 з нанесенными значениями подач. Переключення подач производится таким же образом, как і переключение швидкостей. В данном случае необходимо грибок 5 потянуть на себя і повернуть его і связанный з ним лимб 4 до совпадения заданной подачі со стрелкой-указателем, прикрепленной к корпусу коробки подач. На рис. 110 показана налаштування на подачу 190 мм/мин.

Для автоматичного виключення подачі в станке имеются переставные кулачки 13, 23 і 24 (рис. 109); ручні переміщення стола в продольном, поперечном і вертикальном направлениях осуществляются от соответствующих маховичков і рукояток.

Охлаждающая жидкость подается на фрезу от електронасоса (не показанного на рис. 109) через трубопровод і наконечник з краном 14 для регулювання количества подаваемой жидкости. Увімкнення насоса производится переключателем 1, расположенным в правом електрошкафу.





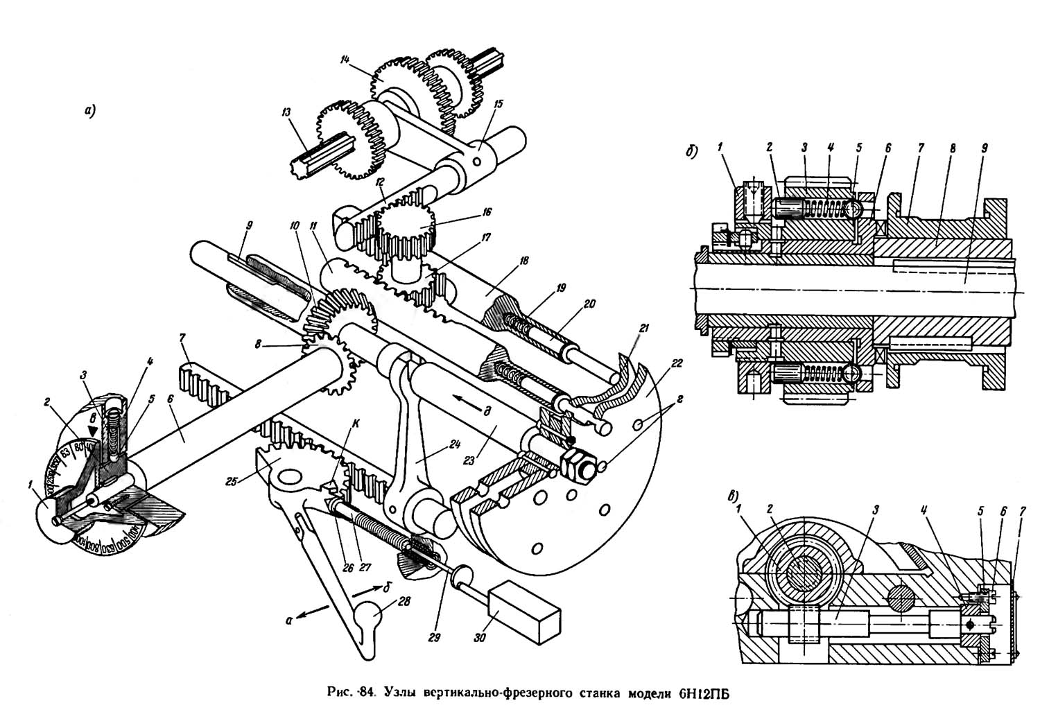
Механізм переключения швидкостей консольно-фрезерного верстата 6Н12ПБ

6Н12ПБ Механізм переключения швидкостей в консольно-фрезерном станке

Механізм переключения швидкостей в фрезерном станке 6Н12ПБ. Рис. 84

Механізм переключения швидкостей в консольно-фрезерном станке 6Н12ПБ. Дивитись у збільшеному масштабі



Механізм переключения швидкостей. Для переключения скорости необходимо рукоятку 28 (рис. 84, а) повернуть на себя по стрелке а. При етом сектор 25 передвинет рейку 7, а вместе з ней вилку 24, полый вал 23 і переключающие диски 21 і 22 вправо. При етом переключающие диски выйдут из контакта со стержнями 20, помещенными в отверстиях реек 11 і 18.

После етого нужно повернуть лимб 1 до совпадения требуемой цифры скорости обертання шпинделя, из числа нанесенных на конической частини лимба, со стрелкой в, нерухомо закрепленной на корпусе 4 механізма. Лимб 1 соединен з кольцом 2, которое закреплено на кінці валика 6. Последний жестко соединен з конической шестерней 8, которая находится в зацеплении з коническим колесом 10, связанным посредством направляющей шпонки з валом 23. Следовательно, при вращении лимба 1 происходит также вращение переключающих дисков, которые займут определенное положение относительно стержней 20 реек 11 і 18 в соответствии з выбранной скоростью. Шарик 5 под действием пружины 3 зафиксирует установленное положение переключающих дисков.

Переключающие диски 21 і 22 имеют отверстия г, расположенные по окружности в определенном порядке. Каждой скорости обертання шпинделя соответствует свое расположение отверстии на дисках. При повороте дисков 21 і 22 происходит выбор необходимой скорости, при етом против стержней 20 реек 18 і 11 на диске располагается необходимая для данной скорости комбинация отверстий.

Поворот рукоятки 28 по стрелке б вызовет переміщення переключающих дисков в направлении стрелки д, диск 21 упрется в стержень 20 одной из реек 18 или 11, переместит рейки, повернув при етом зацепляющуюся з ним шестерню 17. Одновременно з шестерней 17 повернется сидящая з ней на одной оси шестерня 16, в связи з чем переместится рейка з переключающей вилкой 15. Вилка 15 входит в кольцевой паз блока шестерен 14 і при своем движении перемещает блок вдоль вала 13, производя переключение скорости.

Если блок 14, как показано на схеме, находится в крайнем левом положении, рейка 11 выдвинется вперед, а рейка 18 будет находиться в заднем крайнем положении.

Для переключения блока в крайнее правое положение на переключающих дисках против рейки 18 должно быть расположено сквозное отверстие, а против рейки 11 отверстия не будет. Тогда при перемещении дисков в направлении стрелки д, торец диска 21 упрется в цилиндрический стержень рейки 11 і переместит блок 14 в крайнее заднее положение. При етом стержень 20 рейки 18 войдет в находящиеся против него отверстия в дисках 21 і 22.

Для переключения блока шестерен в среднее положение против обеих реек должны находиться отверстия диска 21, а диск 22 против стержней реек отверстий мати не будет. Тогда при перемещении дисков стержень рейки 11 сначала войдет в отверстие в диске 21 і только при упоре в стенку диска 22 післядний начнет переключение блока. Путь переміщення блока будет меньше, чем в первом случае, і закончится тогда, когда блок займет среднее положение.

Если необходимо сохранить положение блока шестерен неизменным, против рейки 11 в дисках 21 і 22 должны расположиться сквозные отверстия, а против рейки 18 отверстий не будет. Тогда при перемещении дисков стержень рейки 11 войдет в отверстия і переключения не произойдет.

Механізм имеет три пары реек, т. е. столько, сколько в коробке швидкостей имеется подвижных блоков.

Для облегчения переключения швидкостей і смягчения ударов, особенно в случае попадания торца зуба одной шестерни за торец зуба другой, стержни 20 реек передают усилие на рейки через пружины 19. С етой же целью совместно з сектором 25 изготовлен кулачок К, который при переключении блоков шестерен, воздействуя через грибок 26, палец 27 і толкатель 29 на толчковую кнопку 30, сообщает кратковременное вращение електродвигателю і соответственно елементам приводу руху різання.

Предохранительная муфта. Для предохранения елементів приводу подач от поломок в станке моделі 6Н12ПБ предусмотрена шариковая предохранительная муфта (рис. 84, б). Приводная шестерня 3 свободно установлена на втулке 6 і связана з ней шариками 5.

Пружинами 4 шарики 5 прижимаются к отверстиям фланца втулки 6. Сила прижима шариков регулируется гайкой 1 через толкатели 2 так, чтобы При превышении допустимого крутящего момента шарики отжимались і вращение от шестерни 3 к втулке 6 не передавалось. Втулка 6 при рабочей подаче связывается з валом 9 кулачковой муфтой 7 через промежуточную втулку 8.

Механізм устранения зазору. Как известно, для осуществления попутного метода фрезерування необходимо, чтобы в паре винт — гайка приводу подачі стола не было излишнего зазору. В станке моделі 6Н12ПБ излишний зазор периодически устраняется з помощью специального механізма, состоящего из дополнительной маточной гайки-шестерни 1 і червяка 3 (рис. 84, в).

Для устранения зазору между ходовым винтом 2 і маточной ганкой снимают крышку 7, ослабляют винты 6 і поворачивают вал-червяк 3 до тех пор, пока зацепляющаяся з ним гайка-шестерня 1 не устранит имеющийся в приводе зазор.

После регулювання зазору гвинтами 6 через шайбу 5 закрепляют стопорное кольцо 4, которое штифтом 8 связано з червяком X.


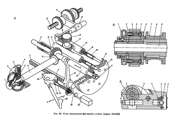
6Н12ПБ Разрез коробки швидкостей консольно-фрезерного верстата

Разрез коробки швидкостей консольно-фрезерного верстата 6Н12ПБ

Разрез коробки швидкостей консольно-фрезерного верстата 6Н12ПБ. Дивитись у збільшеному масштабі






6Н12ПБ Верстат консольно-фрезерный вертикальний. Відеоролик.




Технічні характеристики консольного фрезерного верстата 6Н12ПБ

Наименование параметра 6Н12 6Н12ПБ 6М12 6Р12 6Т12
Основні параметри верстата
Класс точності по ГОСТ 8-71 і ГОСТ 8-82 Н Н Н Н
Розміри поверхности стола, мм 1250 х 320 1250 х 320 1250 х 320 1250 х 320 1250 х 320
Наибольшая масса обрабатываемой детали, кг 250 250 400
Расстояние от торца шпинделя до стола, мм 30..400 30..400 30..450 30..450
Расстояние от оси шпинделя до вертикальних направляючих станины (вылет), мм 350 350 350 380
Рабочий стол
Наибольший продольный ход стола от руки (по оси X), мм 700 700 700 800 800
Наибольший поперечний ход стола от руки (по оси Y), мм 240/ 260 260 240/ 260 250 320
Наибольший вертикальний ход стола от руки (по оси Z), мм 370 370 370 420 420
Пределы продольных подач стола (X), мм/мин 19..950 40..2000 12..1250 12,5..1600 12,5..1600
Пределы поперечных подач стола (Y), мм/мин 19..950 27..1330 12..1250 12,5..1600 12,5..1600
Пределы вертикальних подач стола (Z), мм/мин 6..320 13..665 8,3..416,6 4,1..530 4,1..530
Количество подач продольных/ поперечных/ вертикальних 18 18 18 22 22
Скорость быстрых продольных перемещений стола (по оси X), м/мин 2,3 4 3 4 4
Скорость быстрых поперечных перемещений стола (по оси Y), м/мин 2,3 4 3 4 4
Скорость быстрых вертикальних перемещений стола (по оси Z), м/мин 0,77 1 1 1,330 1,330
Шпиндель
Частота обертання шпинделя, об/мин 30..1500 63..3150 31,5..1600 40..2000 31,5..1600
Количество швидкостей шпинделя 18 18 18 18 18
Перемещение пиноли шпинделя, мм 70 70 70 70 70
Конус фрезерного шпинделя №3 ГОСТ 836-47 №3 №3 №3 №3
Кінець шпинделя ГОСТ 24644-81, ряд 4, виконання 6 50
Отверстие фрезерного шпинделя, мм 29 29 29
Поворот шпиндельной головки вправо і влево, град ±45 ±45 ±45 ±45
Механіка верстата
Выключающие упоры подачі (поздовжньої, поперечної, вертикальной) Есть Есть Есть Есть
Блокировка ручной і механической подач (поздовжньої, поперечної, вертикальной) Есть Есть Есть Есть
Блокировка раздельного увімкнення подач Есть Есть Есть Есть
Торможение шпинделя Есть Есть Есть Есть
Предохранительная муфта от перегрузок Есть Есть Есть Есть
Автоматическая прерывистая подача Есть Есть Есть Есть
Електроустаткування, привод
Количество електродвигателей на станке 3 3 3 3 4
Електродвигун приводу головного руху, кВт (об/мин) 7 (1440) 10 7,5 7,5 7,5
Електродвигун приводу подач, кВт 1,7 (1440) 1,7 2,2 2,2 3,0
Електродвигун зажиму инструмента, кВт - - - 0,25
Електродвигун насоса охлаждающей жидкости, кВт 0,12 0,12 0,12 0,12
Суммарная мощность всех електродвигателей, кВт 9,825 9,825 1,87
Габарит і масса верстата
Габарити верстата (длина ширина высота), мм 2100 х 1140 х 1875 2395 х 1745 х 2000 2305 х 1950 х 2020 2280 х 1965 х 2265
Масса верстата, кг 3000 3000 3120 3250


    Список литературы:

  1. Вертикальные консольно-фрезерные верстати з поворотной головкой 6Н13П, 6Н13ПБ. Паспорт верстата, 1955
  2. Вертикальный консольно-фрезерный верстат 6Н12. Руководство по уходу і обслуговування, 1952
  3. Консольный вертикально-фрезерный верстат з поворотной головкой 6Н13П. Короткий описани і инструкция по експлуатации, 1965
  4. Горизонтально-фрезерный верстат 6Н82, 6Н82Г. Руководство, 1959
  5. Каталог-справочник сменяемых деталей консольно-фрезерных верстатів 6Н82, 6Н82Г, 6Н12, Тула, 1973

  6. Аврутин С.В. Основы фрезерного дела, 1962
  7. Аврутин С.В. Фрезерне дело, 1963
  8. Ачеркан Н.С. Металлорежущие верстати, Том 1, 1965
  9. Барбашов Ф.А. Фрезерне дело 1973
  10. Барбашов Ф.А. Фрезерные роботи (Профтехобразование), 1986
  11. Блюмберг В.А. Справочник фрезеровщика, 1984
  12. Григорьев С.П. Практика координатно-расточных і фрезерных работ, 1980
  13. Копылов Работа на фрезерных верстатах,1971
  14. Косовский В.Л. Справочник молодого фрезеровщика, 1992
  15. Кувшинский В.В. Фрезерование,1977
  16. Ничков А.Г. Фрезерные верстати (Библиотека станочника), 1977
  17. Пикус М.Ю. Справочник слесаря по ремонту металлорежущих верстатів, 1987
  18. Плотицын В.Г. Расчёты настроек і наладок фрезерных верстатів, 1969
  19. Плотицын В.Г. Наладка фрезерных верстатів,1975
  20. Рябов С.А. Современные фрезерные верстати і их оснастка, 2006
  21. Схиртладзе А.Г., Новиков В.Ю. Технологическое обладнання машиностроительных производств, 1980
  22. Тепинкичиев В.К. Металлорежущие верстати, 1973
  23. Чернов Н.Н. Металлорежущие верстати, 1988
  24. Френкель С.Ш. Справочник молодого фрезеровщика (3-е изд.) (Профтехобразование), 1978








Заказать

Кто владеет информацией - тот владеет миром.

Натан Ротшильд