metalinstryment.com
Довідник по металорізальних верстатів та пресовому обладнанні

6305Ф4 Верстат продольно-фрезерный горизонтальный з ЧПУ і АСИ
Схеми, опис, характеристики

6305Ф4 Верстат продольно-фрезерный горизонтальный з ЧПУ і АСИ







Відомості про виробника продольно-фрезерного верстата з ЧПУ 6305Ф4

Производитель фрезерных верстатів з ЧПУ моделі 6305Ф4 - Горьковский завод фрезерных верстатів, основанный в 1931 году.

Завод специализируется на выпуске широкой гаммы универсальных фрезерных верстатів, а, также, фрезерных верстатів з УЦИ і ЧПУ, і является одним из наиболее известных станкостроительных предприятий в России.

Начиная з 1932 года Горьковский завод фрезерных верстатів занимается выпуском верстатів і является експертом в разработке і производстве различного металлорежущего оборудования.





Продукция Горьковского завода фрезерных верстатів ГЗФС


6305Ф4 Верстат продольно-фрезерный горизонтальный з ЧПУ і АСИ. Назначение, область применения

Верстат продольный горизонтально-фрезерный 6305Ф4 предназначен для многооперационной обробки изделий простого і сложного профиля из стали, чугуна, легких і цветных металлов.

За одну установку детали производится фрезерование плоскостей торцовыми фрезами; фрезерование уступов, пазов, окон і сложных криволинейных поверхностей кінцівыми фрезами (в том числе расфрезеровывание круглых отверстий взамен чернового растачивания). Кроме того можно производить сверление отверстий, нарезание різьби метчиками, получистовое растачивание, зенкерование і развертывание отверстий.

Принцип роботи і особливості конструкції верстата

На станке 6305Ф4 возможно комплексная обработка з четырех сторон корпусных заготовок размером 1250 x 500 x 500 мм на продольном столе і заготовок размером 400 X 400 X 500 мм на круглом столе.

На станке можно фрезеровать плоские поверхности, уступы, пазы, окна і сложные криволинейные поверхности, расфрезеровывать круглые отверстия вместо чернового растачивания, сверлить, растачивать, зенкеровать, развертывать отверстия і нарезать резьбу метчиками в заготовках из чугуна, стали, легких і цветных металлов.

Выбор частот обертання шпинделя, величин подач і смена режущих инструментов осуществляется автоматически.

Обработка деталей ведется но программе, записанной на восьмидорожечной перфоленте.

Применение в приводах подач гідравлических усилителей момента (управляемых быстродействующими шаговыми електродвигунами), точных безлюфтовых зубчатых передач і винтовых шариковых пар, а также значительная жесткость верстата обеспечивают достаточно высокую точность і производительность напівавтомату.

Точность обробки корпусных деталей:

Шероховатость обработанной поверхности V5—V6.

При обработке деталей простой конфигурации производительность возрастает в 2..4 раза, при обработке изделий сложной конфигурации — в 5..8 раз.

Верстат оснащен пристрійм программного керування Н55-1, управляет четырьмя координатами, из них одновременно тремя.

Верстат може работать в режиме преднабора координат, тогда информация о требуемых величинах і скоростях перемещений вводится з помощью многопозиционных переключателей. Дискретность отсчета по координатам X', Y, Z 0,01 мм, В' 0,005°.

Станина имеет привернутые термообработанные направляющие качения прямоугольной формы, по которым в продольном направлении перемещается стол Б (подача по координате X'). На столе Б или на встроенном в нем вращающемся круглом столе В (поворот вокруг оси В') устанавливают заготовку.

По вертикальным направляющим стойки Г перемещаются салазки Д з ползуном Е (подача по координате Y), ползун же вместе со шпинделем перемещается горизонтально (подача по координате Z) по направляющим салазок.


Главное движение обеспечивается двигателем постоянного тока, а рух подач шаговым двигателем через беззазорные передачи.

Рух подач обеспечивается шаговым двигателем через беззазорные передачи.

Вспомогательные руху – ускоренные переміщення рабочих органів автоматически і вручную, ориентация шпинделя, вращение і перемещение магазина, поворот стола з индексацией через 15°, врух і вырух ползуна при смене инструмента.

Магазин перемещается при помощи силового гідравлічного цилиндра Ц1, поворот магазина обеспечивается асинхронным двигателем через ряд зубчатых передач по кратчайшему расстоянию.

После обробки одним инструментом шпиндель ориентируется, магазин перемещается вниз в положение смены инструмента, салазки ускоренно перемещаются вверх, а ползун вправо, так чтобы оправка з отработанным инструментом остановилась напротив пустого гнезда магазина. В гнезде магазина оправка захватывается, ползун перемещается до вывода оправки из шпинделя, магазин поворачивается і напротив шпинделя устанавливается новый инструмент, ползун перемещается влево до захвата нового инструмента. После чего магазин перемещается вверх, а салазки вниз в рабочую зону.





Габаритные розміри робочого простору продольно-фрезерного верстата 6305Ф4

Габаритные розміри робочого простору продольно-фрезерного горизонтального верстата 6305Ф4

Габаритные розміри робочого простору фрезерного горизонтального верстата 6305Ф4

Габаритные розміри робочого простору продольно-фрезерного горизонтального верстата 6305Ф4. Дивитись у збільшеному масштабі



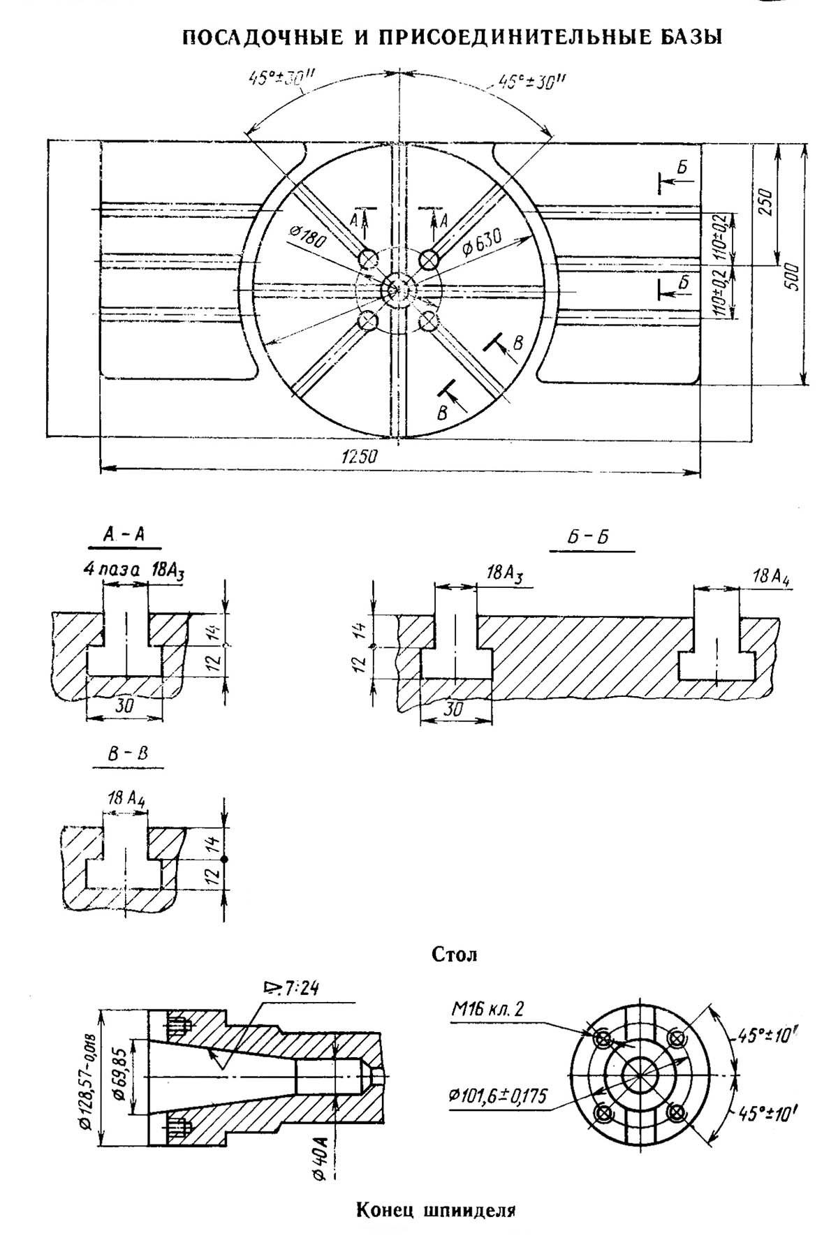
Посадочные і присоединительные базы продольно-фрезерного верстата 6305Ф4

Посадочные і присоединительные базы продольно-фрезерного верстата 6305Ф4

Посадочные і присоединительные базы продольно-фрезерного верстата 6305Ф4

Посадочные і присоединительные базы продольно-фрезерного верстата 6305Ф4. Дивитись у збільшеному масштабі



Загальний вигляд продольно-фрезерного верстата 6305Ф4

6305Ф4 Загальний вигляд  продольно-фрезерного верстата

Фото продольно-фрезерного верстата з ЧПУ 6305Ф4





Кінематична схема фрезерного верстата 6305Ф4

Кінематична схема продольно-фрезерного верстата 6305Ф4

Кінематична схема фрезерного верстата з ЧПУ 6305Ф4

Кінематична схема продольно-фрезерного верстата 6305Ф4. Дивитись у збільшеному масштабі



Настановне креслення фрезерного верстата 6305Ф4

Настановне креслення фрезерного верстата з ЧПУ 6305Ф4

Настановне креслення фрезерного верстата 6305Ф4. Дивитись у збільшеному масштабі



Креслення фундамента фрезерного верстата 6305Ф4

Креслення фундамента фрезерного верстата з ЧПУ 6305Ф4

Креслення фундамента фрезерного верстата 6305Ф4. Дивитись у збільшеному масштабі







6305Ф4 Верстат продольно-фрезерный горизонтальный з ЧПУ і АСИ. Відеоролик.



Основні технические данные і характеристики верстата 6305Ф4

Наименование параметра 6305Ф4
Основні параметри
Класс точності по ГОСТ 8-82
Модель пристроя ЧПУ Н55-1
Количество управляемых координат 4
Количество одновременно управляемых координат при линейной/ круговой интерполяции 3
Расстояние от оси шпинделя до рабочей поверхности стола, мм 0..500
Предельные розміри обрабатываемых поверхности устанавливаемой на продольном столе (длина х ширина х высота), мм 1250 х 500 х 500
Предельные розміри обрабатываемых поверхности устанавливаемой на круглом столе (длина х ширина х высота), мм 400 х 400 х 500
Максимальная нагрузка на продольном столе, кг 1000
Максимальная нагрузка на круглом столе, кг 500
Рабочий стол
Розміри рабочей поверхности стола (длина х ширина), мм 1250 х 500
Диаметр круглого стола, мм Ø 630
Число Т-образных пазов Розміри Т-образных пазов 3
Наибольшее продольное перемещение стола (X), мм 1250
Наибольшее перемещение ползуна, мм 365
Предел рабочих подач стола і ползуна, мм/мин 10..2000
Скорость быстрых перемещений стола, мм/мин 4800
Шпиндель
Частота обертання шпинделя, об/мин (число ступеней) 16..1600
Наибольший крутящий момент, кгсм 39
Ескіз кінця шпинделя по ГОСТ 24644-81 7:24 50
Магазин инструмента
Емкость магазина инструмента 24
Максимальный диаметр фрезы торцовой, мм 125
Максимальный диаметр фрезы кінцівой, мм
Максимальный диаметр сверла, мм
Максимальный вес инструмента, кг
Вылет инструмента от торца шпинделя, мм, не более
Електроустаткування і привод
Електродвигун приводу головного руху, кВт (об/мин) 7,8 ()
Электродвигатели приводу подач, Нм 2,5
Габарити і масса верстата
Габарити верстата (длина ширина высота), мм 5300 х 4050 х 3175
Масса верстата, кг 14000

    Список литературы:

  1. Грачев Л.Н. Конструкція і наладка верстатів з программным керуванням і роботизированных комплексов, 1986
  2. Панов Ф.С. Работа на верстатах з ЧПУ, 1984
  3. ГОСТ Р 50369—92. Электроприводы. Термины і определения, 1993. — 16 с.
  4. Завгороднев П.И. Работа оператора на верстатах з программным керуванням, 1981. — 136 с.
  5. Косовский В.Л. і др. Программное керування верстатами і промышленными роботами 1989
  6. Программное керування верстатами і промышленными роботами : учебник / [В.Л.Косовский, Ю.Г.Козырев, А.Н.Ковшов і др.], 1989. — 272 с.
  7. Сергиевский Л.В. Пособие наладчика верстатів з ЧПУ / Л. В. Сергиевский, В.В.Русланов, 1991. — 176 с.
  8. Соломенцев Ю.Н. Керування гибкими производственными системами / Ю. Н. Соломенцев, В.Л.Сосонкин, 1988. — 552 с.
  9. Сосонкин В.Л. Микропроцессорные системы числового программного керування верстатами / В.Л. Сосонкин, 1985. — 288 с.
  10. Черпаков Б.И. Металлорежущие верстати : Учебник для нач. проф. образования / Б. И. Черпаков, Т. А. Альперович, 2004. — 368 с.
  11. Числовое программное керування верстатами / [В.Л. Сосонкин, О. П. Михайлев, Ю. А Павлов і др.]; под ред. В. Л. Сосонкина, 1981. — 398 с.