metalinstryment.com
Довідник по металорізальних верстатів та пресовому обладнанні

6Г605 Верстат продольно-фрезерный двостоєчний двухшпиндельный
руководство, схеми, опис, характеристики

Продольно-фрезерный двостоєчний двухшпиндельный верстат 6Г605







Відомості про виробника продольно-фрезерного верстата 6Г605

Производитель продольно-фрезерного верстата 6Г605 - Горьковский завод фрезерных верстатів, ГЗФС, основанный в 1931 году.





Продукция Горьковского завода фрезерных верстатів ГЗФС


6Г605 Верстат фрезерный продольный двостоєчний двухшпиндельный. Назначение, область применения

Продольно-фрезерный верстат 6Г605 запущен в серию в 1983 году і заменил в производстве модель 6605.

Продольно-фрезерный двостоєчний двухшпиндельный верстат 6Г605 предназначен для обробки плоскостейразнообразных деталей из чугуна, стали торцовыми фрезами в условиях единичного, мелкосерийного і среднесерийного производства. На станке можно производить сверление отверстий, зенкерование і развертывание, а также выполнять несложные виды расточных работ по координатам.

На станке возможна обработка плоскостей торцовыми фрезами. Кроме того, на станке можно производить фрезерование плоскостей цилиндрическими фрезами, обработку пазов і уступов дисковыми фрезами, применять кінцівые, фасонные і угловые фрезы.

Кроме етого, на станке возможно производить фрезерование плоскостей цилиндрическими фрезами, обработку пазов і уступов дисковыми фрезами, применять кінцівые, фасонные і угловые фрезы.

Принцип роботи і особливості конструкції верстата 6Г605

Значительные мощности приводом шпинделей, широкие диапазоны швидкостей і подач і достаточная жесткость верстата позволяют осуществлять на нем как обычное, так і скоростное фрезерование, а также производить обработку высоколегирован-ных, нержавеющих жаропрочных сталей і легких сплавов.

В конструкції верстата предусмотрено предохранение от перегрузок.

При перегрузке механізма подач предохранительная муфта пробуксовывает со стуком, слышимым на рабочем месте. В етом случае следует немедленно остановить верстат і изменить режим різання.

Верстат може применяться в единичном, мелкосерийном і среднесерийном производстве машиностроительных заводов, а также в ремонтных і инструментальных цехах различных отраслей промышленности. Сравнительно высокая степень автоматизации верстата допускает возможность его производитель-ной роботи также і в поточных лініях производ-ства.

Точность обробки: плоскостность 20 мкм на длине 1000 мм.

Шпиндельные бабки є основними рабочими вузлами верстата. Рух шпинделю сообщается от електродвигуна мощностью N = 15 кВт, n = 1500 об/мин. Шпиндель имеет 21 скорость от 20..2000 об/мин.

Подача фрезерных бабок осуществляется от електродвигуна постоянного тока (N = 4,2 кВт, n = 1500 об/мин) включением соответствующих муфт. Подачи шпиндельных бабок регулируются бесступенчато от 8 до 2000 мм/мин, а ускоренно перемещаются на 2500 мм/мин.

При быстром отводе шпиндельной бабки для предотобертання появления на обработанной поверхности следа от фрезы шпиндель отскакивает от заготовки на 0,5..1,5 мм.

Гильза з фрезой може вручную перемещаться в корпусе бабки на 200 мм і в нужном положении фиксироваться.

Расстояние между торцами шпинделей регулируется в пределах от 340 до 740 мм.

По высоте шпиндельные бабки перемещаются на 575 мм. От перегрузок они защищены з помощью муфт.

Механізм подачі стола обеспечивает ход стола в 1600 мм і имеет два диапазона регулювання. Рабочие подачі — соответственно от 5 до 4000 мм/мин, а ускоренные переміщення — 8000 мм/мин.

От поломок при перегрузке механізм подачі стола также защищен предохранительной муфтой.

Верстат 6Г605 входит в гамму продольных двухстоечных фрезерных верстатів, состоящую из четырех базовых верстатів з шириной рабочей поверхности стола 500, 630, 800 і 1000 мм.


Гамма продольных двухстоечных фрезерных верстатів, выпускаемых в СССР

Ширина рабочей поверхности стола базовых моделей: 500, 630, 800 і 1000 мм.


Основні характеристики продольно-фрезерного верстата 6Г605

Производитель: Горьковский завод фрезерных верстатів, ГЗФС. Начало производства - 1984 год





Габаритные розміри робочого простору фрезерного верстата 6Г605

6Г605 Габаритные розміри робочого простору продольно-фрезерного верстата

Габаритные розміри робочого простору верстата 6Г605



Посадочные і присоединительные базы продольно-фрезерного верстата 6Г605

Посадочные і присоединительные базы продольно-фрезерного верстата 6Г605

Посадочные і присоединительные базы продольно-фрезерного верстата 6Г605. Дивитись у збільшеному масштабі



Загальний вигляд вертикального продольно-фрезерного верстата 6Г605

Фото продольно-фрезерного верстата 6Г605

Фото продольно-фрезерного верстата 6Г605


Розташування органів керування фрезерным верстатом 6Г605

6Г605 Органы керування фрезерным верстатом

Розташування органів керування фрезерным верстатом 6Г605

Розташування органів керування фрезерным верстатом 6Г605. Дивитись у збільшеному масштабі



  1. Шестигранник для ручного переміщення гильзы
  2. Шестигранник для ручного переміщення бабки
  3. Переключатель для зажиму і отжима гильзы
  4. Рукоятка переключения швидкостей шпинделя
  5. Кнопка "Толчок" для кратковременного увімкнення шпинделя
  6. Рукоятка переключения швидкостей шпинделя
  7. Переключатель отжима инструмента
  8. Кнопка "Все стоп"
  9. Переключатель диапазонов подачі стола
  10. Рукоятка переключения швидкостей швидкостей коробки подач
  11. Кнопка "Все стоп"
  12. Лампа сигнальная (красная) "Автомат выключен"
  13. Лампа сигнальная (белая) "Автомат включен"
  14. Вводной автомат
  15. Реверсивный переключатель правого шпинделя
  16. Реверсивный переключатель левого шпинделя

Пульт керування фрезерным верстатом 6Г605

Пульт керування фрезерным верстатом 6Г605

Пульт керування фрезерным верстатом 6Г605. Дивитись у збільшеному масштабі



  1. Выключатель гідронасоса
  2. Переключатель выбора роботи правого шпинделя
  3. Переключатель выбора роботи левого шпинделя
  4. Переключатель, устанавливающий работу з автоматическим отводом гильзы при быстром ходе или без відведення
  5. Выключатель правого механізма уборки стружки
  6. Выключатель левого механізма уборки стружки
  7. Выключатель местного освещения
  8. Выключатель насоса охлаждения
  9. Переключатель выборки люфта при попутном фрезеровании
  10. Переключатель выбора роботи зажимного приспособления
  11. Переключатель зажиму вироби
  12. Переключатель выбора режима роботи стола і шпиндельных бабок
  13. Переключатель выбора перемещений левой шпиндельной бабки
  14. Переключатель выбора перемещений правой шпиндельной бабки
  15. Регулятор скорости замедленной подачі
  16. Переключатель выбора роботи стола
  17. Кнопка "Пуск подачі стола вперед"
  18. Кнопка "Пуск подачі стола назад"
  19. Кнопка "Быстрое перемещение стола вперед"
  20. Регулятор скорости подач стола і шпиндельных бабок
  21. Кнопка "Быстрое перемещение стола вперед"
  22. Кнопка "Стоп стол"
  23. Кнопка "Пуск шпинделей"
  24. Кнопка "Стоп шпинделей"
  25. Лампа сигнальная "Сигнализация наличия напряжения"
  26. Сигнализация: при перегрузках уменьшить подачу
  27. Кнопка "Пуск подачі шпиндельных бабок вверх"
  28. Кнопка "Пуск подачі шпиндельных бабок вниз"
  29. Кнопка "Быстрое перемещение шпиндельных бабок вверх"
  30. Кнопка "Быстрое шпиндельных бабок вниз"
  31. Кнопка "СТОП подачі шпиндельных бабок"
  32. Кнопка "Bсe стоп"




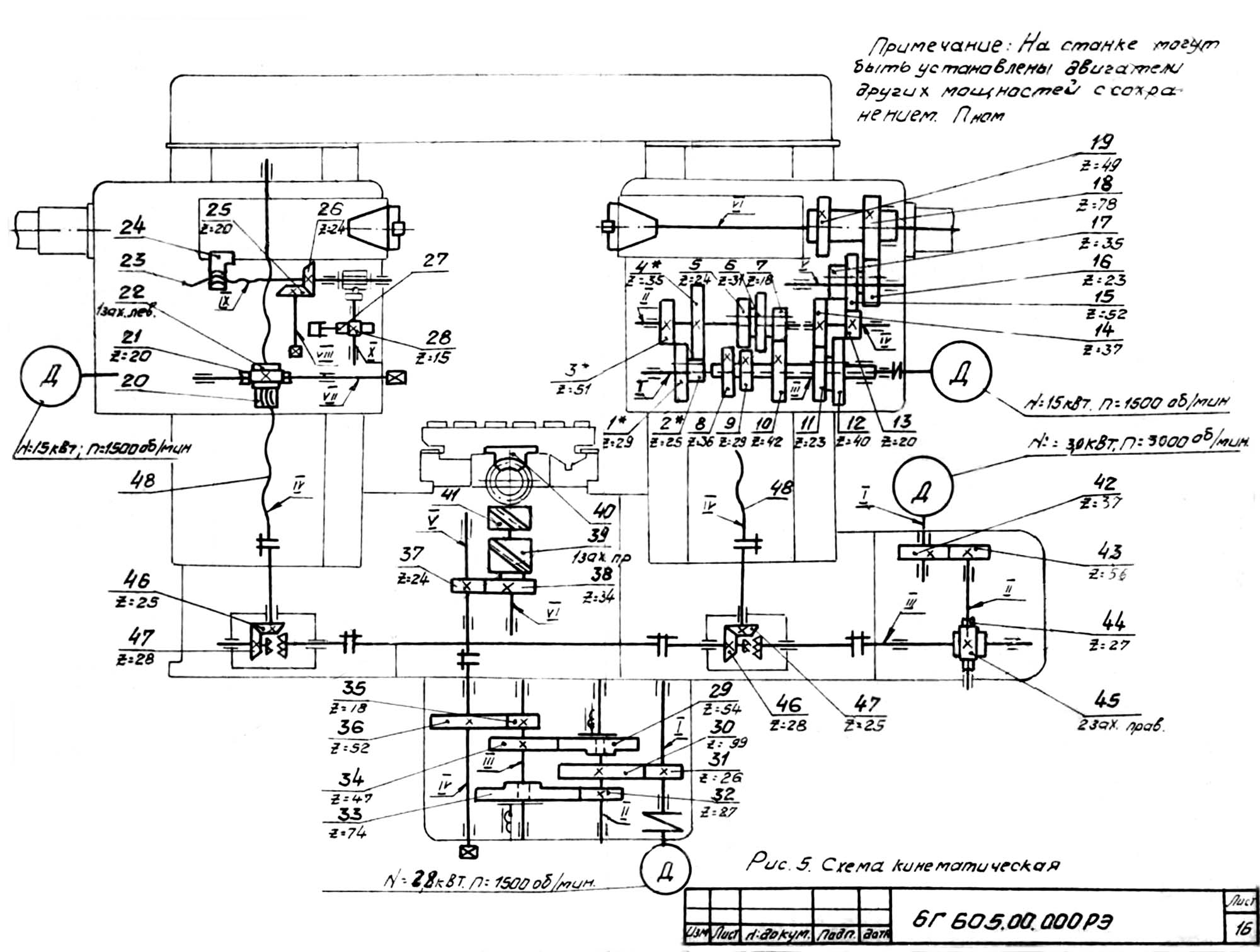
Кінематична схема фрезерного верстата 6Г605

6Г605 Кінематична схема фрезерного верстата 6Г605

Кінематична схема фрезерного верстата 6Г605

Кінематична схема фрезерного верстата 6Г605. Дивитись у збільшеному масштабі



Схема розположення підшибників фрезерного верстата 6Г605

Схема розположення підшибників фрезерного верстата 6Г605

Схема розположення підшибників фрезерного верстата 6Г605. Дивитись у збільшеному масштабі



Кінематична схема верстата 6Г605

Кінематична схема верстата включает

Опис конструкції основних вузлів продольно-фрезерного верстата 6Г605

Шпиндельная бабка продольно-фрезерного верстата 6Г605

Шпиндельная бабка продольно-фрезерного верстата 6Г605

Шпиндельная бабка продольно-фрезерного верстата 6Г605. Дивитись у збільшеному масштабі



Опис конструкції основних вузлів продольно-фрезерного верстата 6Г605

Шпиндель продольно-фрезерного верстата 6Г605

Шпиндель продольно-фрезерного верстата 6Г605

Шпиндель продольно-фрезерного верстата 6Г605. Дивитись у збільшеному масштабі





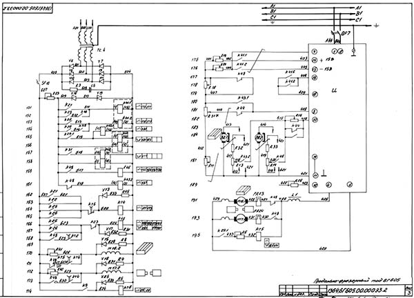
Електрична схема фрезерного верстата 6Г605

6Г605 Електрична схема фрезерного верстата 6Г605

Електрична схема фрезерного верстата 6Г605

Електрична схема 1 фрезерного верстата 6Г605. Дивитись у збільшеному масштабі



6Г605 Електрична схема фрезерного верстата 6Г605

Електрична схема фрезерного верстата 6Г605

Електрична схема 1 фрезерного верстата 6Г605. Дивитись у збільшеному масштабі



6Г605 Електрична схема фрезерного верстата 6Г605

Електрична схема фрезерного верстата 6Г605

Електрична схема 1 фрезерного верстата 6Г605. Дивитись у збільшеному масштабі



Настановне креслення продольного фрезерного верстата 6Г605

6Г605 Настановне креслення фрезерного верстата 6Г605

Настановне креслення фрезерного верстата 6Г605

Настановне креслення фрезерного верстата 6Г605. Дивитись у збільшеному масштабі



Креслення фундамента продольного фрезерного верстата 6Г605

6Г605 Креслення фундамента фрезерного верстата 6Г605

Креслення фундамента фрезерного верстата 6Г605

Креслення фундамента фрезерного верстата 6Г605. Дивитись у збільшеному масштабі






6Г605 Верстат продольно-фрезерный двухшпиндельный. Відеоролик.



Технічні характеристики продольно-фрезерного верстата 6Г605

Наименование параметра 6605 6г605 6606 6г606
Основні параметри верстата
Число вертикальних шпинделей - - 1 1
Число горизонтальных шпинделей 2 2 2 2
Расстояние от торца вертикального шпинделя до поверхности стола, мм - - 15..800 760
Расстояние от оси горизонтального шпинделя до поверхности стола, мм 25..600 25..600 25..560 25..560
Расстояние между между торцами горизонтальных шпинделей, мм 340..740 340..740 470..870
Наибольшие розміри обрабатываемого вироби, мм 500 х 500 х 1600 500 х 500 х 1600
Стол
Наибольшая масса обрабатываемой заготовки, кг 1500 1500 2500
Розміри рабочей поверхности стола, мм 500 х 1600 500 х 1600 630 х 2000 630 х 2000
Наибольший ход стола, мм 1600 1600 2000 2000
Число подач стола Б/с Б/с Б/с Б/с
Диапазон подач стола, мм/мин 10..1500, 20..3000 5..4000 10..750, 750..3000
Ускоренное перемещение стола, мм/мин 6000 8000 4500 6000
Бабка шпиндельна вертикальная і горизонтальные. Шпиндели
Частота обертання шпинделей, об/мин 16..1600 20..2000 16..1600 20..2000
Количество швидкостей шпинделя 21 21 21 21
Число подач шпиндельных бабок і гильзы шпинделя Б/с Б/с Б/с Б/с
Диапазон подач шпиндельных бабок і гильзы шпинделя, мм/мин 10..750 8..2000 10..750 5..4000
Скорость швидкого (установочного) переміщення бабок, м/мин 1200 2500 1200 2000
Перемещение шпиндельных бабок от руки есть есть есть есть
Перемещение шпинделя на обно деление лимба, мм 0,05 0,05 0,05 0,05
Перемещение шпинделя на один оборот лимба, мм 0,6 0,6 0,6 0,6
Размер конуса шпинделя по ГОСТ 836-47 № 3 № 3 № 3 № 3
Кінець шпинделя по ГОСТ 24644-81 50
Ход гильзы шпинделя (ручное перемещение), мм 200 200 200 200
Угол поворота горизонтальной шпиндельной бабки, град - - - -
Угол поворота вертикальной шпиндельной бабки, град - - - -
Наибольший крутящий момент на шпинделе верстата, кНм 1,9
Траверса
Скорость установочного переміщення поперечини (траверсы), мм/мин - - 720
Електроустаткування і привід верстата
Количество електродвигателей на станке 7 9 10
Електродвигун приводу головного руху горизонтальных бабок, кВт (об/мин) 7,5 х 2 15 х 2 (1500) 10 х 3 18
Електродвигун приводу головного руху вертикальной бабки, кВт (об/мин) - - 22
Електродвигун приводу подач стола, кВт (об/мин) 2,8 пост.ток 2,8 пост.ток 3,2 пост.ток 11
Електродвигун приводу подач вертикальной бабки, кВт (об/мин) - - 3,2 1500 об/мин 3
Електродвигун приводов подач горизонтальных бабок, кВт (об/мин) 2,1 3,4 3,2 (1700) 3
Електродвигун переміщення поперечини (траверсы), кВт - - 5,5
Електродвигун насоса гідростанції, кВт 1,1 1,5 1,0
Електродвигун приводу насоса змазки, кВт - 0,25 -
Електродвигун приводу механізма зажиму инструмента, кВт - 0,18 х 2 -
Електродвигун приводу переміщення вертикальной фрезерной бабки, кВт - - 1,5
Електродвигун насоса охлаждения, кВт 0,18 0,18 0,18 0,18
Електродвигун механізма уборки стружки, кВт 0,4 0,37 0,4 0,4
Суммарная мощность установленных на станке електродвигателей, кВт
Габаритные розміри і масса верстата
Габаритные розміри (длина х ширина х высота), мм 5400 х 3520 х 2330 5500 х 3740 х 2300 5850 х 4100 х 3600 6200 х 3800 х 3600
Масса верстата, кг 13600 13950 22500 21900


    Список литературы:

  1. Верстат продольно-фрезерный двостоєчний 6Г605. Руководство по експлуатации 6Г605.00.000 РЭ, 1975

  2. Аврутин С.В. Основы фрезерного дела, 1962
  3. Аврутин С.В. Фрезерне дело, 1963
  4. Ачеркан Н.С. Металлорежущие верстати, Том 1, 1965
  5. Барбашов Ф.А. Фрезерне дело 1973
  6. Барбашов Ф.А. Фрезерные роботи (Профтехобразование), 1986
  7. Блюмберг В.А. Справочник фрезеровщика, 1984
  8. Григорьев С.П. Практика координатно-расточных і фрезерных работ, 1980
  9. Копылов Работа на фрезерных верстатах,1971
  10. Косовский В.Л. Справочник молодого фрезеровщика, 1992
  11. Кувшинский В.В. Фрезерование,1977
  12. Ничков А.Г. Фрезерные верстати (Библиотека станочника), 1977
  13. Пикус М.Ю. Справочник слесаря по ремонту металлорежущих верстатів, 1987
  14. Плотицын В.Г. Расчёты настроек і наладок фрезерных верстатів, 1969
  15. Плотицын В.Г. Наладка фрезерных верстатів,1975
  16. Рябов С.А. Современные фрезерные верстати і их оснастка, 2006
  17. Схиртладзе А.Г., Новиков В.Ю. Технологическое обладнання машиностроительных производств, 1980
  18. Тепинкичиев В.К. Металлорежущие верстати, 1973
  19. Чернов Н.Н. Металлорежущие верстати, 1988
  20. Френкель С.Ш. Справочник молодого фрезеровщика (3-е изд.) (Профтехобразование), 1978







Заказать

Кто владеет информацией - тот владеет миром.

Натан Ротшильд