metalinstryment.com
Довідник по металорізальних верстатів та пресовому обладнанні

6606 Верстат продольно-фрезерный двостоєчний трехшпиндельный
руководство, схеми, опис, характеристики

Продольно-фрезерный верстат 6606







Відомості про виробника продольно-фрезерного верстата 6606

Производитель продольно-фрезерного верстата 6606 - Горьковский завод фрезерных верстатів, ГЗФС, основанный в 1931 году.





Продукция Горьковского завода фрезерных верстатів ГЗФС


6606 Верстат фрезерный продольный двостоєчний трехшпиндельный. Назначение, область применения

Продольно-фрезерный двостоєчний трехшпиндельный верстат 6606 предназначен для обробки разнообразных деталей из чугуна, стали, труднообрабатываемых і легких сплавов в условиях единичного, мелко- і среднесерийного производства. На станке можно производить сверление отверстий, зенкерование і развертывание, а также выполнять несложные виды расточных работ по координатам.

На станке возможна обработка плоскостей торцовыми фрезами. Кроме того, на станке можно производить фрезерование плоскостей цилиндрическими фрезами, обработку пазов і уступов дисковыми фрезами, применять кінцівые, фасонные і угловые фрезы.

Принцип роботи і особливості конструкції верстата 6606

В конструкції верстата 6606 предусмотрена защита от перегрузок.

Предохранительная муфта механізма подачі стола отрегулирована на передачу наибольшего крутящего момента 68 кгс-м, механізма подачі вертикальной шпиндельной бабки на передачу 18 кгс-м, механізма подачі горизонтальных шпиндельных бабок на передачу 30 кгс * м.

При перегрузке механізма подач предохранительная муфта пробуксовывает со стуком, слышимым на рабочем месте. В етом случае следует немедленно остановить верстат і изменить режим різання.

Высокая степень автоматизации і механизации значительно повышает производительность верстата.

Широкие диапазоны частот обертання шпинделя і рабочих подач, достаточная мощность і жесткость верстата позволяют полностью попользовать возможности быстрорежущего і твердосплавного инструмента.

Фрезерный верстат 6606 оснащен тремя горизонтальными ползунковыми шпиндельными бабками, имеющими осевую регулируемую подачу ползуна і высокую точность его переміщення. Привід переміщення ползуна осуществляется електродвигуном постоянного тока.

Крепление инструмента механизировано. В механізме крепления инструмента предусмотрены визуальный контроль зажиму і електрична блокировка на увімкнення шпинделя.

Стол имеет два диапазона подач, выбор которых производится електромагнитными муфтами.

К станине крепятся вибрационные транспортеры уборки стружки і стружкоприемник.

Электроаппаратура верстата 6606 размещается в отдельно стоящем шкафу. Отсчет перемещений вузлів осуществляется з помощью пристроя цифровой индикации по семи координатам. Органы керування верстатом расположены на підвісному пульті. В станке предусмотрен гідропривід для механизированного крепления деталей на столе. С целью расширения технологических возможностей верстата возможна поставка за особую плату поворотной і угловой накладных головок.

Разработчик — Горьковское станкостроительное производственное объединение.

Класс точності верстата Н по ГОСТ 8—77.

Точность обробки: плоскостность 0,025 мм на длине 1000 мм.

Верстат 6606 входит в гамму продольных двухстоечных фрезерных верстатів, состоящую из четырех базовых верстатів з шириной рабочей поверхности стола 500, 630, 800 і 1000 мм.


Гамма продольных двухстоечных фрезерных верстатів, выпускаемых в СССР

Ширина рабочей поверхности стола базовых моделей: 500, 630, 800 і 1000 мм.


Основні характеристики продольно-фрезерного верстата 6606

Производитель: Горьковский завод фрезерных верстатів, ГЗФС. Начало производства - 1967 год






Габаритные розміри робочого простору фрезерного верстата 6606

6606 Габаритные розміри робочого простору продольно-фрезерного верстата

Габаритные розміри робочого простору верстата 6606

Посадочные і присоединительные базы фрезерного верстата 6606. Дивитись у збільшеному масштабі



Загальний вигляд вертикального продольно-фрезерного верстата 6606

6606 Загальний вигляд  продольно-фрезерного верстата

Фото продольно-фрезерного верстата 6606 з наклоненной головкой


6606 Загальний вигляд  продольно-фрезерного верстата

Фото продольно-фрезерного верстата 6606


6606 Загальний вигляд  продольно-фрезерного верстата

Фото продольно-фрезерного верстата 6606


6г606 Загальний вигляд  продольно-фрезерного верстата

Фото продольно-фрезерного верстата 6г606


Розташування складових частин фрезерного верстата 6606

6606 Розташування складових частин фрезерного верстата 6606

Розташування складових частин фрезерного верстата 6606

Розташування складових частин фрезерного верстата 6606. Дивитись у збільшеному масштабі



6606 Розташування складових частин фрезерного верстата 6606

Розташування складових частин фрезерного верстата 6606

Розташування складових частин фрезерного верстата 6606. Дивитись у збільшеному масштабі



Розташування органів керування фрезерным верстатом 6606

6606 Органы керування фрезерным верстатом

Розташування органів керування фрезерным верстатом 6606

Розташування органів керування фрезерным верстатом 6606. Дивитись у збільшеному масштабі



Список органів керування фрезерным верстатом 6606

  1. Кнопка "Стоп подачі шпиндельных бабок"
  2. Регулятор подач стола і шпиндельных бабок
  3. Кнопка "Быстрое перемещение шпиндельных бабок вниз, влево"
  4. Кнопка "Быстрое перемещение шпиндельных бабок вверх, вправо"
  5. Кнопка "Пуск подачі шпиндельных бабок вниз, влево"
  6. Таблиця, показывающая величину подачі стола или шпиндельных бабок
  7. Кнопка "Пуск подачі шпиндельных бабок вверх, вправо"
  8. 8 Кнопка "Стоп шпиндели"
  9. Переключатель, разрешающий увімкнення подач шпиндельных бабок
  10. Кнопка "Пуск вертикального шпинделя"
  11. Кнопка "Пуск горизонтальных шпинделей"
  12. Сигнализация напряжения 127 В
  13. Переключатель выбора режимов роботи стола і шпиндельных бабок: "Работа- Наладка"
  14. Переключатель выбора роботи стола
  15. Переключатель диапазонов подач стола
  16. Кнопка "Пуск подачі стола вперед"
  17. Кнопка "Пуск подачі стола назад"
  18. Кнопка "Пуск преобразовательного агрегата"
  19. Кнопка "Пуск преобразовательного агрегата"
  20. Аварийная кнопка "Стоп"
  21. Кнопка "Быстрое перемещение стола вперед"
  22. Кнопка "Быстрое перемещение стола назад"
  23. Кнопка "Стоп стол"
  24. Переключатель выбора роботи вертикального шпинделя
  25. Переключатель выбора роботи левого го горизонтального шпинделя
  26. Переключатель выбора роботи правого горизоятального шпинделя
  27. Переключатель устанавливающий работу з автоматическим отводом гильзы при быстром ходе или без відведення
  28. Тумблер увімкнення переміщення траверсы вверх или вниз
  29. Переключатель зажиму і отжима траварсы
  30. Увімкнення левого желоба механізма уборки стружки
  31. Увімкнення правого желоба механізма уборки стружки
  32. Тумблер увімкнення насоса охлаждения
  33. Тумблер увімкнення местного освещения
  34. Рукоятка увімкнення вводного автомата подачі 380 В к верстату
  35. Переключатель обертання шпинделя левой горизонтальной бабки "Влево-Отключено-Вправо"
  36. Переключатель обертання шпинделя вертикальной бабки "Влево-Отключено-Вправо"
  37. Переключатель обертання шпинделя правой горизонтальной бабки "Влево-Отключено-Вправо"
  1. Рукоятка переключения швидкостей шпинделя
  2. Кнопка "Толчок" для импульсного увімкнення шпинделя
  3. Рукоятка переключения скорости шпинделя
  4. Шестикранник для ручного переміщення гильз
  5. Шестикранник для ручного переміщення бабок
  6. Переключатель зажиму і отжима гильзы (гідравлически)
  7. Квадрат ручного переміщення стола (используется только для монтажных работ)
  8. Квадрат ручного поворота шпиндельной бабки (только для верстата 6605в)

6606 Органы керування фрезерным верстатом

Пульт керування керування фрезерным верстатом 6606

Пульт керування керування фрезерным верстатом 6606. Дивитись у збільшеному масштабі







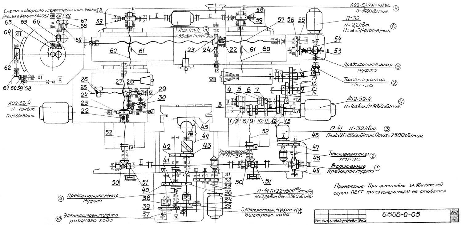
Кінематична схема фрезерного верстата 6606

6606 Кінематична схема фрезерного верстата 6606

Кінематична схема фрезерного верстата 6606

1. Кінематична схема фрезерного верстата 6606. Дивитись у збільшеному масштабі

2. Кінематична схема фрезерного верстата 6606. Дивитись у збільшеному масштабі

3. Схема розположення підшибників фрезерного верстата 6606. Дивитись у збільшеному масштабі



Кінематична схема верстата 6606

Схема характеризуется наличием окремих кинематических групп основних в вспомогательных перемещений.

Каждая шпиндельна бабка имеет свой кинематический узел головного руху з отдельным приводом от асинхронного двигуна.

Кинематическая ланцюг подач стола имеет две ветви подач (два диапазона), получаемые за счет увімкнення той или иной електромагнитной муфты. Внутри каждого диапазона подачі изменяются за счет регулювання скорости приводного двигуна постоянного тока.

Быстрый ход стола осуществляется через муфту второго диапазона з ослаблением магнитного поля двигуна.

Горизонтальные шпиндельные бабки имеют объединенный механізм подач, а вертикальная бабка свой механізм подач. Регулювання величин подач шпиндельных бабок осуществляется только за счет изменения скорости приводного двигуна постоянного тока.

Для передачи движений траверсе в станке имеется отдельная кінематична ланцюг.

Все механізмы подач снабжены предохранительными муфтами, размыкающими ланцюг при перегрузке, а механізм переміщення траверсы имеет отрезные штифты, которые также предохраняют механізм от перегрузка.





Гідравлічна схема фрезерного верстата 6606

6606 Гідравлічна схема фрезерного верстата 6606

Гідравлічна схема фрезерного верстата 6606

Гідравлічна схема фрезерного верстата 6606. Дивитись у збільшеному масштабі



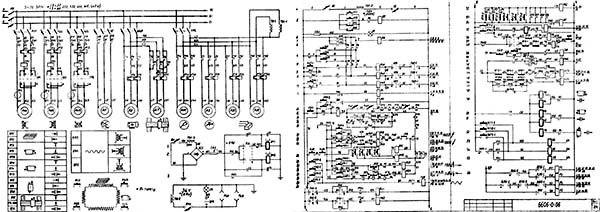
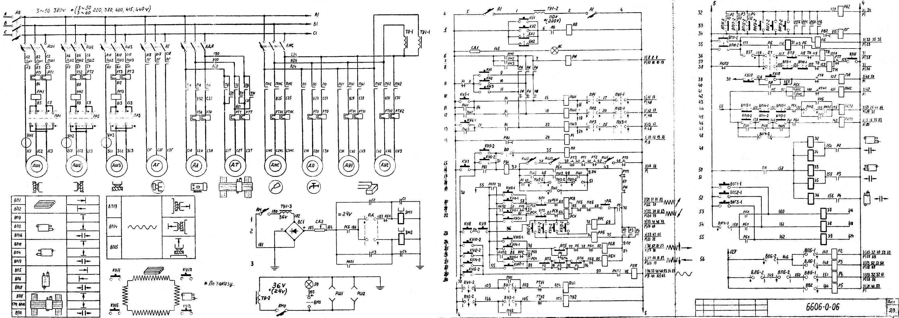
Електрична схема фрезерного верстата 6606

6606 Електрична схема фрезерного верстата 6606

Електрична схема фрезерного верстата 6606

Електрична схема 1 фрезерного верстата 6606. Дивитись у збільшеному масштабі



6606 Електрична схема фрезерного верстата 6606

Електрична схема фрезерного верстата 6606

Електрична схема 1 фрезерного верстата 6606. Дивитись у збільшеному масштабі



Настановне креслення продольного фрезерного верстата 6606

6606 Настановне креслення фрезерного верстата 6606

Настановне креслення фрезерного верстата 6606





Технічні характеристики продольно-фрезерного верстата 6606

Наименование параметра 6605 6606 6г608 6г610
Основні параметри верстата
Число вертикальних шпинделей - 1 1 2
Число горизонтальных шпинделей 2 2 2 2
Расстояние от торца вертикального шпинделя до поверхности стола, мм - 15..800 25..930 25..1130
Расстояние от оси горизонтального шпинделя до поверхности стола, мм 25..600 25..560 25..700 25..900
Расстояние между между торцами горизонтальных шпинделей, мм 340..740 470..870 550..1050 750..1250
Стол
Наибольшая масса обрабатываемой заготовки, кг 1500 2500 4500 6000
Розміри рабочей поверхности стола, мм 500 х 1600 630 х 2000 800 х 2500 1000 х 3150
Наибольший ход стола, мм 1600 2000 2500 3200
Число подач стола Б/с Б/с Б/с Б/с
Диапазон подач стола, мм/мин 10..1500, 20..3000 10..750, 750..3000 10..1250, 20..2500 10..1250, 20..2500
Ускоренное перемещение стола, мм/мин 6000 4500 4500 4500
Бабка шпиндельна вертикальная і горизонтальные. Шпиндели
Частота обертання шпинделей, об/мин 16..1600 16..1600 16..1250 16..1250
Количество швидкостей шпинделя 21 21 20 20
Число подач шпинделльных бабок і гильзы шпинделя Б/с Б/с Б/с Б/с
Диапазон подач шпинделльных бабок і гильзы шпинделя, мм/мин 10..750 10..750 10..750 10..750
Скорость швидкого (установочного) переміщення бабок, м/мин 1200 1200 1200 1200
Перемещение шпиндельных бабок от руки есть есть есть есть
Перемещение шпинделя на обно деление лимба, мм 0,05 0,05 0,05 0,05
Перемещение шпинделя на один оборот лимба, мм 0,6 0,6 0,6 0,6
Размер конуса шпинделя по ГОСТ 836-47 № 3 № 3 № 3 № 3
Ход гильзы шпинделя (ручное перемещение), мм 200 200 250 250
Угол поворота горизонтальной шпиндельной бабки, град - ±30° (6606в) - -
Угол поворота вертикальной шпиндельной бабки, град - ±45° (6606в) - -
Траверса
Скорость установочного переміщення поперечини (траверсы), мм/мин - 720 720 720
Електроустаткування і привід верстата
Количество електродвигателей на станке 7 10 10 10
Електродвигун приводу головного руху, кВт 7,5 х 2 10 х 3 13 х 3 17 х 4
Електродвигун приводу подач стола, кВт 2,8 пост.ток 3,2 пост.ток 7,2 пост.ток 7,8 пост.ток
Електродвигун приводу подач вертикальной бабки, кВт - 3,2 1500 об/мин 1,5 1,5
Електродвигун приводов подач горизонтальных бабок, кВт 2,1 3,2 1700 об/мин 2,1 2,1
Електродвигун переміщення поперечини (траверсы), кВт - 5,5 7,5 7,5
Електродвигун насоса гідростанції, кВт 1,1 1,0 1,1 1,1
Електродвигун приводу переміщення вертикальной фрезерной бабки, кВт - 1,5 1,5 1,5
Електродвигун насоса охлаждения, кВт 0,18 0,18 0,18 0,18
Електродвигун механізма уборки стружки, кВт 0,4 0,4 0,4 0,4
Суммарная мощность установленных на станке електродвигателей, кВт
Габаритные розміри і масса верстата
Габаритные розміри (длина х ширина х высота), мм 5400 х 3520 х 2330 5850 х 4100 х 3600 7435 х 4100 х 3800 8700 х 5000 х 4050
Масса верстата, кг 13600 22500 28000 35000


    Список литературы:

  1. Продольно-фрезерный 3-х шпиндельный верстат 6606. Руководство к верстату в 2-х томах, 1967

  2. Аврутин С.В. Основы фрезерного дела, 1962
  3. Аврутин С.В. Фрезерне дело, 1963
  4. Ачеркан Н.С. Металлорежущие верстати, Том 1, 1965
  5. Барбашов Ф.А. Фрезерне дело 1973
  6. Барбашов Ф.А. Фрезерные роботи (Профтехобразование), 1986
  7. Блюмберг В.А. Справочник фрезеровщика, 1984
  8. Григорьев С.П. Практика координатно-расточных і фрезерных работ, 1980
  9. Копылов Работа на фрезерных верстатах,1971
  10. Косовский В.Л. Справочник молодого фрезеровщика, 1992
  11. Кувшинский В.В. Фрезерование,1977
  12. Ничков А.Г. Фрезерные верстати (Библиотека станочника), 1977
  13. Пикус М.Ю. Справочник слесаря по ремонту металлорежущих верстатів, 1987
  14. Плотицын В.Г. Расчёты настроек і наладок фрезерных верстатів, 1969
  15. Плотицын В.Г. Наладка фрезерных верстатів,1975
  16. Рябов С.А. Современные фрезерные верстати і их оснастка, 2006
  17. Схиртладзе А.Г., Новиков В.Ю. Технологическое обладнання машиностроительных производств, 1980
  18. Тепинкичиев В.К. Металлорежущие верстати, 1973
  19. Чернов Н.Н. Металлорежущие верстати, 1988
  20. Френкель С.Ш. Справочник молодого фрезеровщика (3-е изд.) (Профтехобразование), 1978








Заказать

Кто владеет информацией - тот владеет миром.

Натан Ротшильд