metalinstryment.com
Довідник по металорізальних верстатів та пресовому обладнанні

6Р83Ш Верстат консольно-фрезерный широкоуніверсальний
схеми, опис, характеристики

6Р83Ш Верстат широкоуніверсальний фрезерный консольный



Відомості про виробника консольно-фрезерного верстата 6Р83Ш

Производитель консольно-фрезерного верстата 6Р83Ш - Горьковский завод фрезерных верстатів, основанный в 1931 году.

Завод специализируется на выпуске широкой гаммы универсальных фрезерных верстатів, а, также, фрезерных верстатів з УЦИ і ЧПУ, і является одним из наиболее известных станкостроительных предприятий в России.

Производство фрезерных верстатів на Горьковском станкостроительном предприятии началось в 1932 году. В 1972 году завод начал выпуск серию горизонтальных фрезерных консольных верстатів 6Р82Ш і 6Р83Ш, которые є дальнейшим развитием верстатів аналогичных моделей серии М.

Сегодня консольно-фрезерный верстат 6Р83Ш - выпускает:






Продукция Горьковского завода фрезерных верстатів ГЗФС


6Р83Ш Верстат консольно-фрезерный широкоуніверсальний. Назначение і область применения

фрезерный верстат 6Р83Ш производился з 1972 года і заменил в производстве устаревшую модель 6М82Ш і был заменен на более совершенную модель 6Т83Ш.

Верстати моделі 6Р83Ш отличаются от верстатів 6Р82Ш увеличенными размерами робочого стола і более мощным двигателем головного руху.

Стол широкоуніверсального консольно-фрезерного верстата моделі 6Р83Ш неповоротный.

Широкоуніверсальний консольно-фрезерный верстат 6Р83Ш предназначен для выполнения разнообразных фрезерных работ, головним образом, при изготовлении металлических моделей штампов, пресс-форм для работ в условиях серийного і единичного производства.

Преимуществом широкоуниверсальных фрезерных верстатів является возможность производить з одной установки обработку заготовки з разных сторон, что очень важно в инструментальном, ремонтном і опытном производствах, где установка, выверка і закрепление заготовки занимают много часу і требуют високою квалификации робочого.

Для обробки различного вида поверхностей, а также крупногабаритных моделей, превышающих по своим размерам габарити стола, шпиндельна головка смонтирована на выдвижном хоботе і може поворачиваться под углом в двух взаимно перпендикулярных плоскостях.

На станке предусмотрен горизонтальный шпиндель, который може быть использован при обработке плоскостей торцовыми і цилиндрическими фрезами.

Предусмотрена как раздельная, так і одновременная робота двумя шпинделями. При установці серег, прилагаемых к верстату, верстат може быть использован как горизонтально-фрезерный.

Для расширения возможностей верстата, кроме серег, прилагается дополнительная накладная поворотная головка. Накладная головка позволяет обрабатывать крупногабаритные детали, а также производить простейшие расточные роботи.

Наличие механізма выборки люфта в винтовой паре поздовжньої подачі стола позволяет производить встречное і попутное фрезерование как в простых режимах, так і режимах з автоматическими циклами.

Фрезерование зубчатых колес, разверток, контура кулачков і прочих деталей, требующих периодического или непрерывного поворота вокруг своей оси, производится на данных верстатах з применением делительной головки или накладного круглого стола.

Смазка направляючих консоли і вузла «стол — салазки» осуществляется от плунжерного насоса централизованно. Благодаря еффективной смазке повышается долговечность роботи етих вузлів, обеспечивается более длительное сохранение первоначальной точності і сокращается время на обслуговування. Шероховатость обработанной поверхности Rz 20 мкм. Класс точності верстата П.

Верстат 6Р83Ш предназначен для фрезерування всевозможных деталей из стали, чугуна і цветных металлов цилиндрическими, дисковыми, фасонными, угловыми, торцовыми, кінцівыми і другими фрезами. Возможность налаштування верстата на различные напівавтоматические і автоматические циклы позволяет успешно использовать верстати для выполнения работ операционного характера в поточных і автоматических лініях в крупносерийном производстве.

На станке 6Р83Ш можно обрабатывать вертикальные і широкоуниверсальные плоскости, пазы, углы, рамки, зубчасті колеса і т. д

Технологические возможности верстата могут быть расширены з применением делительной головки, поворотного круглого стола, накладной универсальной головки і других пристосувань.

Особенностями конструкції верстата 6Р83Ш є широкие диапазоны величин подач стола; быстросменное крепление инструмента; наличие механізма замедления подачі; замедление рабочей подачі в автоматическом цикле; возможность роботи в автоматических циклах, включая обработку по рамке; автоматическая смазка вузлів; применение бесконтактных быстродействующих електромагнітних муфт в приводе подач; повышенная точность верстата за счет розположення гвинта поперечної подачі но оси фрезы; возможность переміщення стола одновременно по двум і трем координатам; возможность применения електродвигуна постоянного тока в приводе подач; возможная дальнейшая автоматизация верстатів за счет применения цифровой индикации і устройств оперативного керування.

Верстати 6Р83Ш предназначены для выполнения различных фрезерных работ в условиях как индивидуального, так і крупносерийного производства. В условиях крупносерийного производства верстати могут быть успешно использованы также для выполнения работ операционного характера.

Технічна характеристика і высокая жесткость верстатів позволяют полностью использовать возможности как быстрорежущего, так і твердосплавного инструмента.

Для сокращения вспомогательного часу і удобства керування в верстатах предусматриваются:

Верстати автоматизированы і могут быть настроены на различные автоматические циклы, что повышает производительность труда, исключает необходимость обслуживания верстатів рабочими високою квалификации і облегчает возможность организации многостаночного обслуживания.

Класс точності верстата П по ГОСТ 8—77.


Модифікації консольно-фрезерных верстатів серии 6Р

Серия 6М консольно-фрезерных верстатів - 6Р12, 6Р12Б, 6Р13, 6Р13Б, 6Р82, 6Р82Г, 6Р82ГБ, 6Р82Ш, 6Р83, 6Р83Г, 6Р83Ш, запущенна в 1961 году, включет в себя несколько модификаций:


История выпуска верстатів Горьковским заводом, ГЗФС

В 1937 году на Горьковском заводе фрезерных верстатів были изготовлены первые консольно-фрезерные верстати серии 6Б моделей 6Б12 і 6Б82 з рабочим столом 320 х 1250 мм (2-го типоразмера).

В 1951 году запущена в производство серия консольно-фрезерных верстатів собственной конструкції (Новые): 6Н12, 6Н13П, 6Н82, 6Н82Г. Верстат 6Н13ПР получил “Гран-При” на всемирной выставке в Брюсселе в 1956 году.

В 1960 году запущена в производство серия консольно-фрезерных верстатів: 6М12П, 6М13П, 6М82, 6М82Г, 6М83, 6М83Г, 6М82Ш.

В 1972 году запущена в производство серия консольно-фрезерных верстатів: 6Р12, 6Р12Б, 6Р13, 6Р13Б, 6Р13Ф3, 6Р82, 6Р82Г, 6Р82Ш, 6Р83, 6Р83Г, 6Р83Ш.

В 1975 году запущены в производство копировальные консольно-фрезерные верстати: 6Р13К.

В 1978 году запущены в производство копировальные консольно-фрезерные верстати 6Р12К-1, 6Р82К-1.

В 1985 году запущена в производство серия 6Т-1 консольно-фрезерных верстатів: 6Т12-1, 6Т13-1, 6Т82-1, 6Т83-1 і ГФ2171.

В 1991 году запущена в производство серия консольно-фрезерных верстатів: 6Т12, 6Т12Ф20, 6Т13, 6Т13Ф20, 6Т13Ф3, 6Т82, 6Т82Г, 6Т82ш, 6Т83, 6Т83Г, 6Т83Ш.






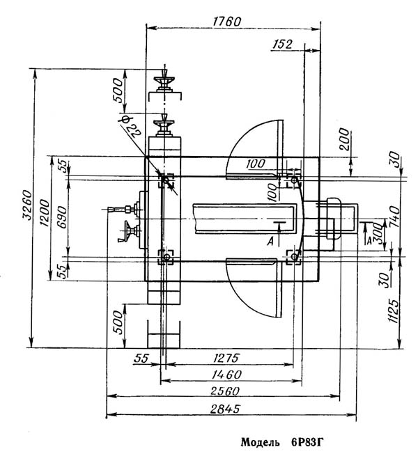
Габаритные розміри робочого простору фрезерного верстата 6Р83Ш

6Р83Ш Габаритные розміри робочого простору і присоединительные базы універсального горизонтального консольно-фрезерного верстата

Габаритные розміри робочого простору верстата 6р83ш


Посадочные і присоединительные базы фрезерного верстата 6Р83Ш

6Р83Ш Габаритные розміри робочого простору і присоединительные базы універсального горизонтального консольно-фрезерного верстата

Посадочные і присоединительные базы фрезерного верстата 6р83ш


6Р83Ш Габаритные розміри робочого простору і присоединительные базы універсального горизонтального консольно-фрезерного верстата

Посадочные і присоединительные базы фрезерного верстата 6р83ш


Загальний вигляд універсального фрезерного верстата 6Р83Ш

Загальний вигляд  6Р83Ш cтанок широкоуніверсальний консольно-фрезерный

Фото фрезерного верстата 6р83ш


Розташування складових частин на станке 6Р83Ш

Розташування складових частин на широкоуниверсальном консольно-фрезерном станке 6Р83Ш

Розташування складових частин на станке 6р83ш

Список складових частин фрезерного верстата 6Р83Ш

  1. Станина - 6Р83Ш-1
  2. Хобот - 6Р83Ш-11
  3. Коробка швидкостей - 6М83-3
  4. Коробка подач - 6Р83-4
  5. Коробка переключения - 6Р83-5
  6. Консоль - 6Р83-6
  7. Стол і салазки - 6Р83Г-7
  8. Электрооборудованне - 6P83Ш-8
  9. Накладная головка - 6P82Ш-32
  10. Поворотная головка - 6Р82Ш-31

Розташування органів керування консольно-верстатом 6Р83Ш

Органы керування 6Р83Ш cтанком широкоуниверсальным консольно-фрезерным

Розташування органів керування фрезерным верстатом 6р83ш

Список органів керування фрезерным верстатом 6Р83Ш

  1. Кнопка „Стоп" (дублирующая)
  2. Кнопка „Пуск шпинделя" (дублирующая)
  3. Стрелка - указатель швидкостей шпинделя
  4. Указатель швидкостей шпинделя
  5. Кнопка „Быстро стол" (дублирующая)
  6. Кнопка „Импульс шпинделя"
  7. Переключатель освещения
  8. Ручное перемещение хобота
  9. Рукоятка переключения швидкостей шпинделя поворотной головки
  10. Зажимы серьги
  11. Зажим поворотной головки
  12. Маховичок выруху гильзы шпинделя
  13. Рукоятка зажиму гильзы шпинделя
  14. Рукоятка увімкнення продольных перемещений стола
  15. Звездочка механізма автоматичного цикла
  16. Зажимы стола
  17. Маховичок ручного продольного переміщення стола
  18. Кнопка „Быстро стол"
  19. Кнопка "Пуск шпинделя"
  20. Кнопка „Стоп"
  21. Переключатель ручного или автоматичного керування стола
  22. Маховичок ручных поперечных перемещений
  23. Лимб механізма поперечных перемещений стола
  24. Кольцо-нониус
  25. Рукоятка ручных вертикальних перемещений
  26. Кнопка фиксации грибка переключения подач
  27. Грибок переключения подач
  28. Указатель подач стола
  29. Стрелка-указатель подач стола
  30. Рукоятка увімкнення поперечної і вертикальной подач стола
  31. Зажим салазок на направляючих консоли
  32. Рукоятка увімкнення продольных перемещений стола (дублирующая)
  33. Рукоятка увімкнення поперечної і вертикальной подач стола (дублирующая)
  34. Переключатель ввода "Включено - Выключено"
  35. Переключатель насоса охлаждения „Включено - Выключено"
  36. Переключатель обертання горизонтального шпинделя „Влево - Вправо"
  37. Маховичок ручного продольного переміщення стола (дублирующий)
  38. Рукоятка переключения швидкостей горизонтального шпинделя
  39. Реверсивный переключатель направления обертання шпинделя накладной головки
  40. Переключатель керування „Автоматический цикл — Ручное керування — Работа з круглым столом"
  41. Зажим консоли на станине
  42. Зажим хобота на станине




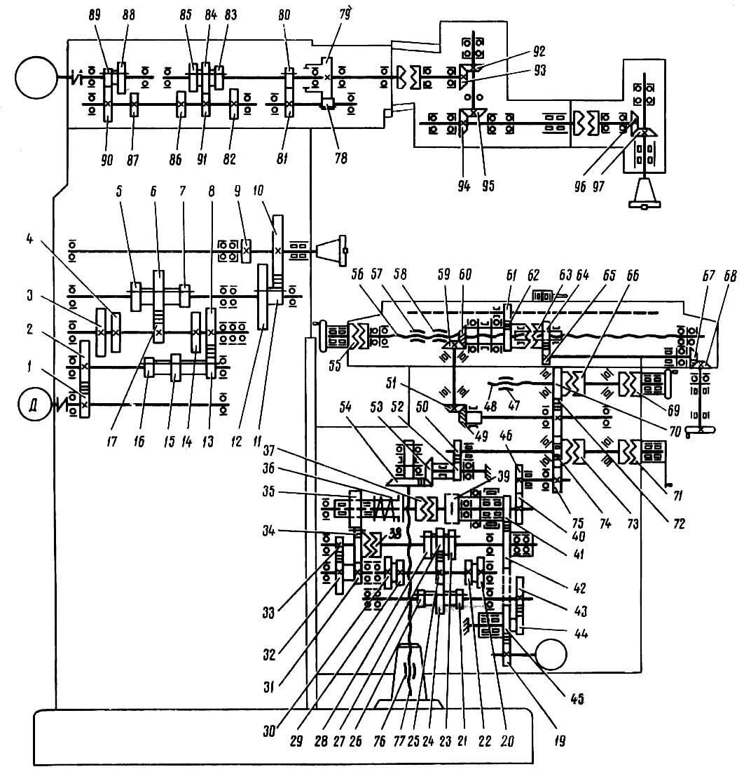
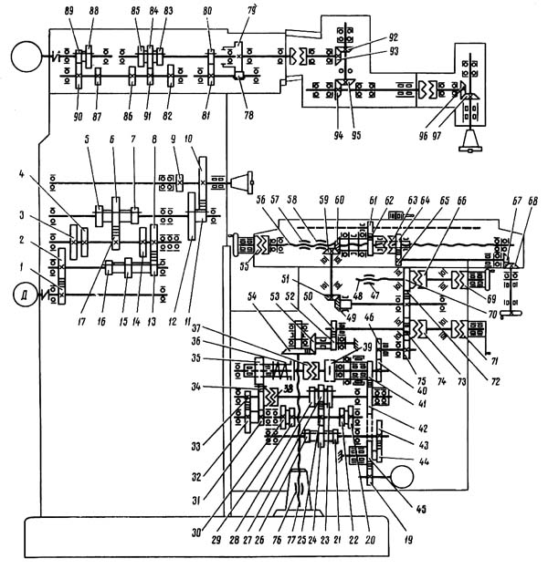
Кінематична схема фрезерного верстата 6Р83Ш

Кінематична схема 6Р83Ш cтанок широкоуніверсальний консольно-фрезерный

Кінематична схема фрезерного верстата 6Р83Ш

1. Схема кінематична консольно-фрезерного верстата 6Р83Ш. Скачать в увеличенном масштабе

2. Схема кінематична консольно-фрезерного верстата 6Р82Ш. Скачать в увеличенном масштабе



Коробка переключения швидкостей позволяет выбирать требуемую скорость без послідовного прохождения промежуточных ступеней.

Рейка 19 (рис. 10), передвигаемая рукояткой переключения 18, посредством сектора 15 через вилку 22 (рис. 11) перемещает в осевом направлении главный валик 29 з диском переключения 21. Диск переключения можно поворачивать указателем швидкостей 23 через конические шестерни 28 і 30. Диск имеет несколько рядов определенного размера отверстий, расположенных против штифтов реек 31 і 33. Рейки попарно зацепляются з зубчатым колесом 32. На одной из каждой пары реек крепится вилка переключения. При перемещении диска нажимом па штифт одной из пары обеспечивается возвратно-поступательное перемещение реек.

При етом вилки в кінці ходу диска занимают положение; соответствующее зацеплению определенных пар шестерен. Для исключения возможности жесткого упора шестерен при переключении штифты 20 реек подпружинены.

Фиксация лимба при выборе скорости обеспечивается - шариком 27, заскакивающим в пазы звездочку 24.

Регулювання пружины 25 производится пробкой 26 c учетом четкой фиксации лимба і зусилля при її повороте.

Рукоятка 18 (см. рис. 10) во включенном положении удерживается за счет пружины 17 і шарика 16. При етом шип рукоятки входит в паз фланца.

Соответствие швидкостей значениям, обозначенным на указателе, достигается определенным положением конических колес 28 і 30 (см. рис. 11) по зацеплению. Правильное зацепление устанавливается по кернам на торцах сопряженного зуба і впадины или при установці указателя в положение скорости 31,5 об/мин і диска з вилками в положение скорости 31,5 об/мин. Зазор в зацеплении конической пары не должен быть больше 0,2 мм, так как диск за счет етого може повернуться до 1 мм.

Смазка коробки переключения осуществляется от системы змазки коробки швидкостей разбрызгиванием масла, поступающего из трубки в верхней частини станины. Отсутствие масляного дождя може вызвать недопустимый нагрев щечек вилок переключения і привести к заеданию вилок, их деформации или поломке.

Плоскость разъема уплотняется прокладкой или бензиноупорной смазкой БУ. ГОСТ 7171—63.


Основні вузли і механізмы фрезерного верстата 6Р83Ш

Хобот 5, в котором смонтирована коробка швидкостей приводу шпинделя поворотной головки 6, перемещается по направляющим станины 1 (рис. 121) вращением маховика 15 (рис. 120) при отжатом зажиме 39.

Коробка швидкостей консольно-фрезерного верстата 6Р83Ш

Коробка швидкостей консольно-фрезерного верстата 6р83ш

Коробка швидкостей консольно-фрезерного верстата 6Р83Ш. Скачать в увеличенном масштабе



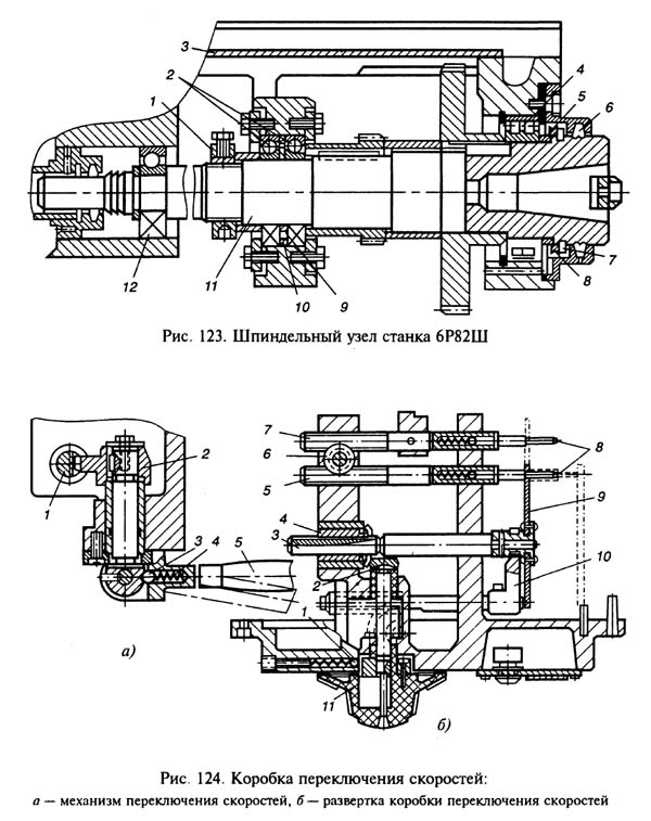
Шпиндель 11 Верстата (рис. 123) установлен на підшипники 4, 2, 12. Осевой зазор в шпинделе регулируют подшлифовкой колец 9,10. Повышенный зазор в подшипнике 4 устраняют подшлифовкой полуколец 5 і гайкой 1 следующим образом. Снимают крышку 3 (или боковую крышку), фланец 6, пружинное кольцо 7, кольца 8 і вынимают полукольца 5. Гайкой 1 выбирают зазор так, чтобы при работе нагрев підшибників не превышал 60° С. Замеряют величину зазору между подшипником і буртом шпинделя і в соответствии з етим подшлифовывают полукольца 5. Затем устанавливают полукольца, монтируют детали 6, 8, 7, 3.

Коробка переключения швидкостей (рис. 124) обеспечивает выбор требуемой скорости без послідовного прохождения промежуточных ступеней. Рейка 1 (рис. 124, а), перемещаясь посредством рукоятки через зубчатый сектор 2 і вилку 10 (рис. 124, 6), передвигает в осевом направлении главный валик 3 з диском 9 переключения з помощью зубчатого колеса 2 і втулки 4. На диске выполнено несколько рядов отверстий, расположенных против штифтов 8 реек 5 і 7, попарно соединенных з колесом 6. На одной из каждой пары реек крепится вилка переключения. Рейки передвигаются при нажиме диска на штифты. В кінці ходу диска вилки занимают положение, соответствующее зацеплению определенных пар зубчатых колес. Лимб при выборе швидкостей фиксируется шариком 1 (рис. 124, б), попадающим в пазы звездочки 11. Рукоятка 5 (рис. 124, а) фиксируется при включении шариком 3 і пружиной 4; при етом шип рукоятки входит в паз фланца.

Коробка швидкостей горизонтального шпинделя расположена в станине і соединена з валом електродвигуна упругой муфтой.


Поворотная головка консольно-фрезерного верстата 6Р83Ш

Поворотная головка консольно-фрезерного верстата 6р83ш

Поворотная головка консольно-фрезерного верстата 6Р83Ш. Скачать в увеличенном масштабе



Поворотную головку (рис. 125) монтируют на хоботе через промежуточную плиту посредством болтов, входящих в кольцевой Т-образный паз і центрируют в кольцевой выточке. Шпиндель 8, смонтированный в выдвижной гильзе 9, получает вращение от коробки швидкостей через кулачковую муфту 1 і конические колеса 4, 2 і 5, 4. Колеса 7 і 3 служат для регулировки осьового зазору в підшипниках і шпинделя, а полукольца 2 і гайка 6 — для устранения зазору в переднем подшипнике. Вырух гильзы осуществляют маховичком.

Накладную головку (рис. 126) монтируют на поворотной головке болтами, входящими в Т-образный паз, і жестко фиксируют. Шпиндель 5 получает вращение от шпинделя 1 поворотной головки через конические зубчасті колеса 3, 4. Гайкой 2 регулируют зазор в підшипниках шпинделя.


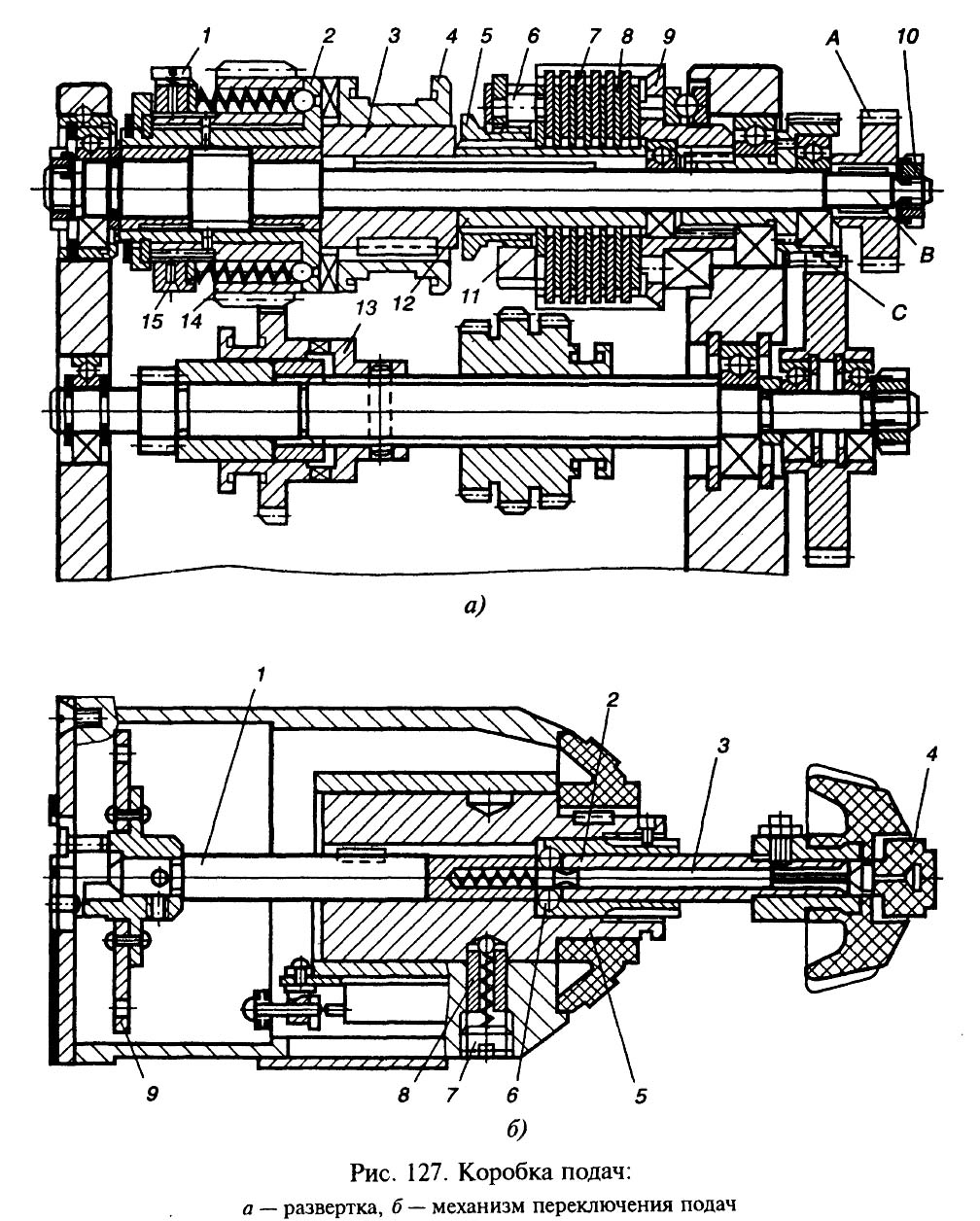
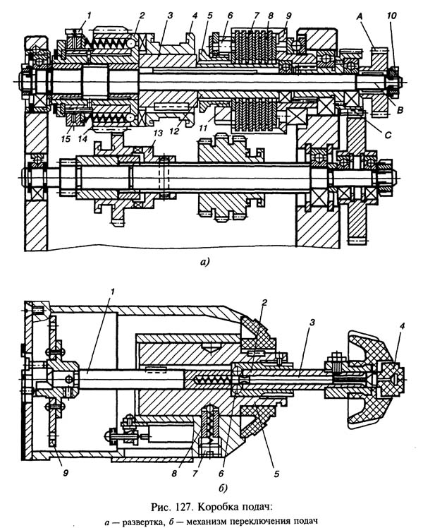
Коробка подач консольно-фрезерного верстата 6Р83Ш

Коробка подач консольно-фрезерного верстата 6р83ш

Коробка подач консольно-фрезерного верстата 6Р83Ш. Скачать в увеличенном масштабе



Коробка подач (рис. 127, а) обеспечивает рабочие подачі і установочные переміщення стола, салазок і консоли путем переключения блоков зубчатых колес і передачи обертання на входной вал В через шариковую предохранительную муфту, кулачковую муфту 4 і втулку 3, соединенную шпонкой з муфтой 4 і валом В. Стопор 1 жестко фиксирует положение гайки 15. Когда механізм подачі перегружен, шарики, контактирующие з отверстием муфты 2, сжимают пружины і выходят из контакта. Колесо 14 при етом проскальзывает относительно муфты 2, і рабочая подача прекращается.

Быстрое вращение передається от електродвигуна (минуя коробку передач) на зубчатое колесо С, которое установлено на хвостовике корпуса 9 фрикционной муфты і имеет постоянную частоту обертання. Гайка 10 должна быть обязательно затянута. Корпус 9 вращается свободно. Диски фрікциону соединены (через один) з корпусом 9 і втулкой 12, соединенной з валом В. При нажатии муфты 4 на торец втулки 5 і затем на гайку 11 диски 7 і 8 соединяются і передают быстрое вращение валу В і зубчатому колесу А. Усилие сжатия дисков 7 і 8 регулируется з помощью штифта 6. Рух з вала В на ведомый вал осуществляется через кулачковую муфту 13.

Механізм переключения подач (рис. 127, б) входит в узел коробки подач. Принцип роботи механізма аналогичен работе коробки переключения швидкостей. Валик 1 при включении запирается шариками 6 і втулкой 2, что предотвращает смещение диска 9 в осевом направлении. При нажатии на кнопку 4 шарики попадают в кольцевую проточку валика 3 і валик 1 освобождается от фиксации. Диск 9 переключения фиксируется от поворота шариком 8 через втулку 5, связанную шпонкой з шариком 1. Винтом 7 регулируют натяжение пружины.

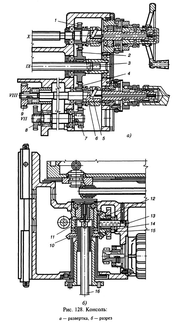
Консоль консольно-фрезерного верстата 6Р83Ш

Консоль фрезерного верстата 6Р83Ш


Консоль (рис. 128) объединяет вузли ланцюги подач верстата. В ней смонтированы валы і зубчасті передачи, передающие рух от коробки подач в трех направлениях (к гвинтам поздовжньої, поперечної і вертикальной подач); механізм увімкнення поперечных і вертикальних подач. Зубчатое колесо 8 вращается от колеса А (рис. 127, а) і передает рух на зубчасті колеса 7, 4, 2, 1 (рис. 128, а). Колесо 8 може передавать рух валу только через кулачковую муфту 6. Далее через цилиндрические і конические зубчасті колеса рух передається на винт 16 (рис. 128, б). Зацепление пары 16 і 10 отрегулировано компенсаторами 14, 15 і зафиксировано винтом, входящим в палец 13. Втулка 11 не демонтируется, гайка вертикальних перемещений закреплена в колонне. Колесо 2 через шпонку і шлицы вращает вал IX ланцюги продольного ходу. Винт X поперечної подачі вращается от колеса 2 і свободно сидящего на валу колеса 1 при включенной муфте поперечного ходу. Валы XII і XIII демонтируются при снятии стопоров у колес 8, 9.

Механізм увімкнення установочных перемещений консольно-фрезерного верстата 6Р83Ш

Механізм увімкнення установочных перемещений фрезерного верстата 6р83ш


Салазки демонтируют після снятия вала IX, для чего нужно снять верхний щиток на направляючих консоли, выбить штифт 3 і снять вал IX. Механізм увімкнення установочных перемещений (рис. 129) включает муфту і сжимает диски фрикционной муфты. Рычаг 1 заштифтован на оси 4. Последний отжимается в направлении зеркала станины пружиной 6. Правые гайки 2 служат для регулировки зусилля пружины, левые 3, упираясь в торец втулки 5, регулируют і ограничивают ход оси. Уступ рычага 1 упирается в кулачок 7. Рычаг 1 при повороте кулачка 7 перемещается, сжимая пружину 6. Второй конец оси 8 имеет мелкий зуб, обеспечивающий монтаж рычага 9, соединяющего под небольшим углом ось 8 з тягой електромагнита. Последний через тягу і шарнир соединен з вилкой, от которой через гайку і пружину усилие передається на рычаг 9. Таким образом, независимо от зусилля електромагнита усилие на рычаге определяется степенью сжатия пружины.

Механізм увімкнення поперечных і вертикальних подач (рис. 130) управляет включением і вимкненням кулачковых муфт поперечної і вертикальной подач от електродвигуна подач. Выполнен в отдельном корпусе. При движении рукоятки 5 вверх, вниз, влево, вправо, связанный з ней барабан 1 совершает соответствующие руху і своими скосами через рычажную систему управляет включением кулачковых муфт, а через штифты — конечными выключателями, предназначенными для реверса електродвигуна подач. Барабан связан тягой 2 з дублирующей рукояткой. При увімкненнях і виключеннях поперечного ходу тяга перемещается поступательно, а при включении вертикального ходу — поворачивается. Винт 4 і гайка 3 служат для устранения зазоров в системе.

Ходовой винт 1 (рис. 131) стола получает вращение через скользящую шпонку гильзы 9, расположенную во втулках 5, 7. Гильза 9 вращается от кулачковой муфты 6 через шлицы при її сцеплении з кулачками втулки 5, связанной з коническим зубчатым колесом 4. На втулке 5 выполнен зубчатый венец, находящийся в зацеплении з зубчатым колесом приводу круглого стола. Муфта 6 имеет зубчатый венец для обертання гвинта поздовжньої подачі от маховичка. Зажим салазок на направляющей консоли осуществляется планшайбой 8. Колесо 9 (рис. 132) подпружинено на случай попадания зуба на зуб. Зацепление колес возможно только при расз'єднанні муфты 6 і втулки 5. Этим маховичок блокируется при механических подачах. Гайки 2 і 3 ходового гвинта (рис. 131) расположены в левой частини салазок. Зазор в направляючих консоли і салазок выбирается клиньями.

Механізм увімкнення поздовжньої подачі консольно-фрезерного верстата 6Р83Ш

Механізм увімкнення поздовжньої подачі фрезерного верстата 6р83ш

Механізм увімкнення поздовжньої подачі консольно-фрезерного верстата 6Р83Ш. Скачать в увеличенном масштабе



Механізм увімкнення поздовжньої подачі (рис. 132) выполняет увімкнення кулачковой муфты продольного ходу, увімкнення і реверс електродвигуна подач. Рукоятка 4 нерухомо соединена з осью 2 поворачивая рычаг 1, по криволинейной поверхности которого при переключении катится ролик 15 (рис. 132). В нейтральном положении рычага 10 ролик расположен в средней впадине, при включенном — в одной из боковых впадин. Рух ролика 15 через рычаг 16 передається штоку 5 через колесо 7— рейки 6 і вилки 8, ведущей муфту 6 (рис. 131). Пружина 2 (рис. 132) постоянно нажимает на шток 5. Пружина 4 обеспечивает увімкнення рукоятки при попадании зуба на зуб муфты 6. Пружина 4 регулируется винтом 3 через отверстие пробки 1.

На одной оси з рычагом 16 расположен рычаг 18, служащий для увімкнення муфты 6 кулачком 19, прикрепленным к тяге 20, соединяющей основную рукоятку продольного ходу з дублирующей. Конечный выключатель 17производит увімкнення і реверсирование електродвигуна подач. Его відключення происходит після виключення муфты 6. На ступице 5 (рис. 133) рукоятки продольного ходу выполнены выступы, на которые воздействуют кулачки ограничения продольного ходу или (при автоматических циклах) кулачки керування продольным ходом. Работу путевых выключателей проверяют при снятой крышке 14 (рис. 132).

Механізм автоматичного цикла консольно-фрезерного верстата 6Р83Ш

Механізм автоматичного цикла фрезерного верстата 6р83ш

Механізм автоматичного цикла консольно-фрезерного верстата 6Р83Ш. Скачать в увеличенном масштабе



Механізм автоматичного цикла предназначен для керування переміщеннями стола от кулачков. На оси рукоятки продольного ходу установлены две звездочки, непосредственно связанные со звездочками 6, 5 (рис. 133) увімкнення швидкого ходу при работе верстата в автоматическом цикле. Звездочка 6 вращается от возвратного пружинного кулачка, расположенного на лицевой стороне стола в Т-образном пазу. Звездочка 3 имеет различную глубину впадин, что при її повороте на 45° обеспечивает различную величину ходу штока 2 (рис. 134), который, воздействуя на конечный выключатель, включает електромагнит швидкого ходу.

Механізм запирания муфты (рис. 134) предназначен для подготовки верстата к работе в автоматическом цикле. При нажатии на вал-шестерню 2 рейка 3 расцепляется з зубчатым колесом 4 і зацепляется з валом-шестерней 2. При повороте вала 2 кулачковая муфта перемещается і входит в зацепление з кулачковым зубчатым колесом. С етого момента рукоятка продольного ходу включаться не може. Запирание муфты можно выполнить только при среднем (нейтральном) положении рукоятки. Это обеспечивается Т-образным пазом в колесе 4 і штифтом 5, установленным в корпусе салазок. При нажатии на вал-шестерни 2 конусом 1 і пальцем 13 (рис. 132) размыкаются контакты конечного выключателя, блокирующего ланцюг увімкнення поперечної і вертикальной подач. Это исключает увімкнення при запертой кулачковой муфте продольного ходу двух движений одновременно: стола і салазок или стола і консоли.





Розташування електроустаткування на фрезерном станке 6Р83Ш

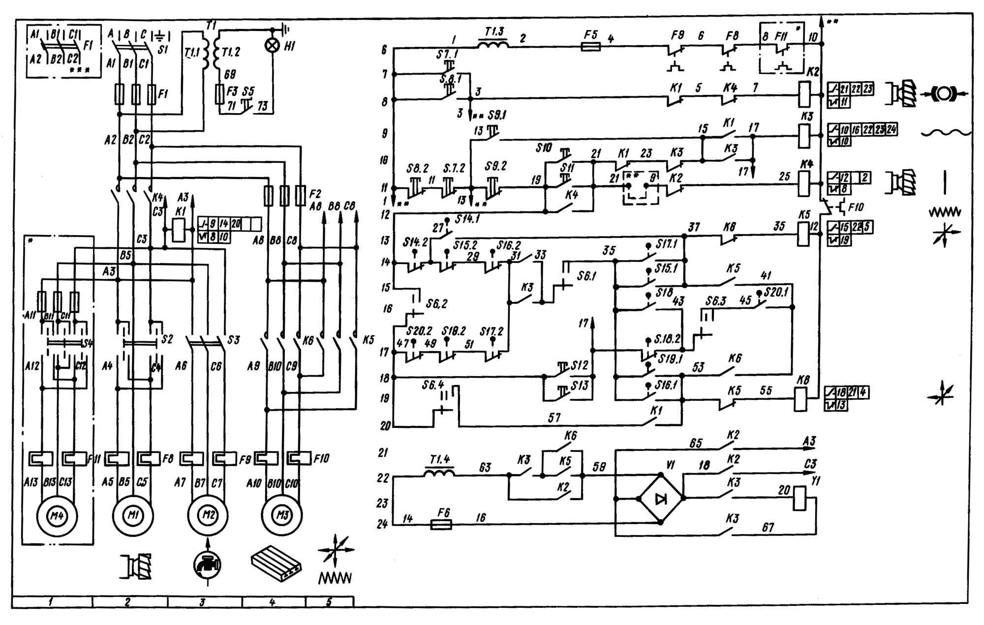
Схема електрична фрезерного верстата 6Р83Ш

Схема електрична 6Р83Ш cтанок широкоуніверсальний консольно-фрезерный

Електрична схема фрезерного верстата 6р83ш

Схема електрична принципова консольно-фрезерного верстата 6Р83Ш. Скачать в увеличенном масштабе



Примечания


6Р83Ш Розташування електроустаткування на широкоуниверсальном консольно-фрезерном станке 6Р83Ш

Розташування електроустаткування на фрезерном станке 6р83ш


Питающая сеть: Напряжение 380 В, род тока переменный, частота 50 Гц

Ланцюги керування: Напряжение 110 В, род тока переменный

Ланцюги керування: Напряжение 65 В, род тока постоянный

Местное освещение: напряжение 24 В.

Номинальный ток (сумма номинальных токов одновременно работающих електродвигателей) 20 А.

Номинальный ток защитного аппарата (предохранителей, автоматичного выключателя) в пункте живлення електроенергией 63 А.

Електроустаткування выполнено по следующим документам: принципиальной схеме 6Р13.8.000Э3. схеме соединения вироби Р13.8.000Э4.


Настановне креслення фрезерного верстата 6Р83Ш

6Р83Ш Настановне креслення cтанок широкоуніверсальний консольно-фрезерный

Настановне креслення фрезерного верстата 6р83ш


Ремонт фрезерного верстата 6Р82Ш

Осмотр верстата

  1. Наружный осмотр верстата(без разборки для выявления дефектов) состояния і роботи верстата в целом ипо вузлам;
  2. Осмотр і проверка состояния механізмов приводу головного руху і подач;
  3. Регулювання зазоров ходовых винтов стола;
  4. Регулювання підшибників шпинделя;
  5. Проверка роботи механізмов переключения швидкостей і подач;
  6. Регулювання механізмів увімкнення кулачковых муфт і подач і фрикционной муфты ускоренного ходу;
  7. Регулювання клиньєв стола, салазок, консоли і хобота;
  8. Осмотр направляючих, зачистка забоин і задиров;
  9. Подтяжка ослабевших крепежных деталей;
  10. Проверка исправности дії ограничительных кулачков;
  11. Проверка состояния і мелкий ремонт систем охлаждения і змазки;
  12. Проверка состояния і ремонт оградительных устройств;
  13. Выявление деталей, требующих замены при ближайшем ремонтi (начиная со второго малого ремонта);

Малый ремонт верстата

  1. Частичная разборка вузлів;
  2. Промывка всех вузлів;
  3. Регулювання или замена підшибників качения;
  4. Зачистка заусениц і забоин на зубьях шестерен, сухарях і вилках переключения;
  5. Замена і добавление фрикционных дисков муфты ускоренного ходу (начиная со второго ремонта);
  6. Пришабривание і зачистка клиньєв і планок;
  7. Зачистка ходовых винтов і замена изношенных гаек;
  8. Зачистка забоин і задиров направляючих і рабочей поверхности стола;
  9. Замена изношенных і сломанных крепежных деталей
  10. Проверка і регулювання механізмов увімкнення швидкостей і подач;
  11. Ремонт систем змазки і охлаждения;
  12. Испытание верстата на холостом ходу, проверка на шум, нагрев і точность по обрабатываемой детали.

Средний ремонт верстата

  1. Узловая разборка верстата;
  2. Промывка всех вузлів;
  3. Осмотр деталей разобранных вузлів;
  4. Cкладление дефектов ведомости;
  5. Регулювання или замена підшибників шпинделя;
  6. Замена или восстановление шлицевых валов;
  7. Замена изношенных втулок і підшибників;
  8. Замена дисков і деталей фиксатора фрикционной муфты ускоренного ходу;
  9. Замена изношенных зубчатых колес;
  10. Восстановление или замена изношенных ходовых винтов і гаек;
  11. Пришабривание или замена регулировочных клиньєв;
  12. Ремонт насосов і арматуры систем змазки і охлаждения;
  13. Исправление шабрением или шлифованием поверхностей направляючих, если их износ превышает допустимый;
  14. Окраска наружных поверхностей верстата;
  15. Обкатка верстата на холостом ходу (на всех скоростях і подачах) з проверкой на шум і нагрев;
  16. Проверка верстата на точность і жесткость по ГОСТ 17734—72.

Капитальный ремонт верстата

Капитальный ремонт производится з полной разборкой всех вузлів верстата, по результатам которой в обязательном порядке составляется дефектно-сметная ведомость. В результате ремонта должны быть восстановлены или заменены все изношенные вузли і детали верстата, а также восстановлена его первоначальная точность, жесткость і мощность. Характер і объем работ при данном виде ремонта определяются для конкретных условий експлуатации единой системой планово-предупредительного ремонта.




6Р83Ш Верстат консольно-фрезерный широкоуніверсальний. Відеоролик.





Технічні характеристики верстатів моделей 6Р83Ш

Наименование параметра 6Р82Ш 6Р83Ш
Основні параметри верстата
Класс точності по ГОСТ 8-82 П П
Розміри рабочей поверхности стола (длина х ширина), мм 1250 х 320 1600 х 400
Наименьшее і наибольшее расстояние от торца шпинделя до стола, мм 30..450 30..450
Расстояние от оси шпинделя до хобота, мм 155 190
Расстояние от торца шпинделя поворотной головки до стола, мм 35..535 70..570
Расстояние от оси шпинделя поворотной головки до направляючих станины (вылет), мм 260..820 250..900
Рабочий стол
Наибольшее перемещение стола продольное механическое/ ручное, мм 800/ 800 1000/ 1000
Наибольшее перемещение стола поперечное механическое/ ручное, мм 240/ 250 300/ 320
Наибольшее перемещение стола вертикальное механическое/ ручное, мм 410/ 420 410/ 420
Максимальная нагрузка на стол (по центру), кг 250 300
Число Т-образных пазов Розміри Т-образных пазов 3 3
Перемещение стола на одно деление лимба (продольное, поперечное, вертикальное), мм 0,05 0,05
Перемещение стола на один оборот лимба продольное і поперечное, мм 6 6
Перемещение стола на один оборот лимба вертикальное, мм 2 2
Быстрый ход стола продольный/ поперечний/ вертикальний, мм/мин 3/ 3/ 1 3/ 3/ 1
Число ступеней рабочих подач стола 18 18
Пределы рабочих подач. Продольных і поперечных, мм/мин 25...1250 25...1250
Пределы рабочих подач. Вертикальных, мм/мин 8,3...416,6 8,3...416,6
Усилие різання поздовжньої, поперечної, вертикальной подач, Н 15,0/ 12,0/ 5,0 20,0/ 12,0/ 8,0
Шпиндель
Частота обертання шпинделя поворотной і накладной головок, об/мин 50..1600 50..1600
Количество швидкостей шпинделя 11 11
Частота обертання шпинделя, об/мин 31,5..1600 31,5..1600
Количество швидкостей шпинделя 18 18
Перемещение пиноли шпинделя, мм 80 80
Перемещение пиноли шпинделя на одно деление лимба, мм 0,1 0,1
Перемещение пиноли шпинделя на один оборот лимба, мм 6 6
Поворот головки шпинделя к станине/ от станины, град 45 90
Поворот головки шпинделя в поздовжньої плоскости, град 360 360
Поворот накладной головки шпинделя в поздовжньої плоскости, град 360 360
Наибольший крутящий момент на шпинделе, Н.м 1070 1430
Ескіз кінця горизонтального шпинделя по ГОСТ 836-72 3 3
Ескіз кінця шпинделя поворотной головки по ГОСТ 836-72 4 4
Ескіз кінця шпинделя накладной головки по ГОСТ 836-72 4 4
Конус шпинделя 50 50
Допустимый диаметр фрез при черновой обработке. Горизонтальный/ вертикальний шпиндель, мм 160/ 100 200/ 100
Механіка верстата
Выключающие упоры подачі (поздовжньої, поперечної, вертикальной) есть есть
Блокировка ручной і механической подачі (поздовжньої, поперечної, вертикальной) есть есть
Блокировка раздельного увімкнення подачі есть есть
Автоматическая прерывистая подача Продольная есть есть
Автоматическая прерывистая подача Поперечная і вертикальная нет нет
Торможение шпинделя есть есть
Предохранение от перегрузки (муфта) есть есть
Привід і електрообладнання
Количество електродвигателей на станке 4 4
Електродвигун приводу головного руху, кВт 7,5 10
Електродвигун приводу шпинделя поворотной головки, кВт 2,2 3,0
Електродвигун приводу подач, кВт 2,2 3,0
Электронасос охлаждающей жидкости, кВт 0,125 0,125
Габарити і масса верстата
Габарити верстата (длина х ширина х высота), мм 2470 х 1850 х 1950 2680 х 2260 х 2040
Масса верстата, кг 3300 4500

    Список литературы:

  1. Широкоуниверсальные консольно-фрезерные верстати 6Р82Ш, 6Р83Ш. Руководство по експлуатации 6Р82Ш.00.000 РЭ. Часть 1, 1984
  2. Консольно-фрезерные верстати 6Р82, 6Р83, 6Р82Г, 6Р83Г, 6Р82Ш, 6Р83Ш, 6Р12, 6Р13, 6Р12Б, 6Р13Б. Руководство по експлуатации електроустаткування 6Р82.ЭО.000 РЭ1,

  3. Аврутин С.В. Основы фрезерного дела, 1962
  4. Аврутин С.В. Фрезерне дело, 1963
  5. Ачеркан Н.С. Металлорежущие верстати, Том 1, 1965
  6. Барбашов Ф.А. Фрезерне дело 1973
  7. Барбашов Ф.А. Фрезерные роботи (Профтехобразование), 1986
  8. Блюмберг В.А. Справочник фрезеровщика, 1984
  9. Григорьев С.П. Практика координатно-расточных і фрезерных работ, 1980
  10. Копылов Работа на фрезерных верстатах,1971
  11. Косовский В.Л. Справочник молодого фрезеровщика, 1992
  12. Кувшинский В.В. Фрезерование,1977
  13. Ничков А.Г. Фрезерные верстати (Библиотека станочника), 1977
  14. Пикус М.Ю. Справочник слесаря по ремонту металлорежущих верстатів, 1987
  15. Плотицын В.Г. Расчёты настроек і наладок фрезерных верстатів, 1969
  16. Плотицын В.Г. Наладка фрезерных верстатів,1975
  17. Рябов С.А. Современные фрезерные верстати і их оснастка, 2006
  18. Схиртладзе А.Г., Новиков В.Ю. Технологическое обладнання машиностроительных производств, 1980
  19. Тепинкичиев В.К. Металлорежущие верстати, 1973
  20. Чернов Н.Н. Металлорежущие верстати, 1988
  21. Френкель С.Ш. Справочник молодого фрезеровщика (3-е изд.) (Профтехобразование), 1978