metalinstryment.com
Довідник по металорізальних верстатів та пресовому обладнанні

6Т13Ф20 Верстат консольно-фрезерный вертикальний з ОПУ
характеристики, схеми, опис

6Т13Ф20 Загальний вигляд  консольного фрезерного верстата



Відомості про виробника консольно-фрезерного верстата 6Т13Ф20

Производитель серии универсальных фрезерных верстатів 6Т13Ф20 - Горьковский завод фрезерных верстатів, основанный в 1931 году.

Завод специализируется на выпуске широкой гаммы универсальных фрезерных верстатів, а, также, фрезерных верстатів з УЦИ і ЧПУ, і является одним из наиболее известных станкостроительных предприятий в России.

Сегодня верстати 6Т13Ф20 - выпускает предприятие ООО "Станочный Парк", основанное в 2007 году.





Начиная з 1932 года Горьковский завод фрезерных верстатів занимается выпуском верстатів і является експертом в разработке і производстве различного металлорежущего оборудования.

Універсальные фрезерные верстати серии Т выпускаются Горьковским заводом фрезерных верстатів (ГЗФС) начиная з 1985 года. Верстати сходны между собой по конструкції, широко унифицированы і является дальнейшим усовершенствованием аналогичных верстатів серии Р (6Р12, 6Р13).





Продукция Горьковского завода фрезерных верстатів ГЗФС


6Т13Ф20 Верстат вертикальний консольно-фрезерный з оперативным программным керуванням (ОПУ). Назначение і область применения

Вертикальный консольно-фрезерный верстат 6Т13Ф20 предназначен для фрезерування всевозможных деталей сложного профиля из стали, чугуна, труднообрабатываемых і цветных металлов. Применяется в условиях единичного і серийного производства.

Фрезерные роботи выполняются, головним образом, цилиндрическими, угловыми, фасонными, торцовыми, кінцівыми і другими фрезами.

Верстат 6Т13Ф20 отличается от верстата 6Т12Ф20 установленной мощностью двигателей головного руху і подач, размерами рабочей поверхности стола і величинами переміщення стола.

На станке 6Т13Ф20 можно обрабатывать вертикальные і горизонтальные плоскости, пазы, углы, рамки, зубчасті колеса і др.

Виконання для внутренних і експортных поставок, по условиям експлуатации — УХЛ4 по ГОСТ 15150—69 для макроклиматических районов з умеренным і холодным климатом, 0,4 — для макроклиматических районов как з сухим, так і з влажным тропическим климатом.


Особливості конструкції фрезерного верстата 6Т13Ф20

На вертикальном консольно-фрезерном станке 6Т13Ф20 возможна робота в трех режимах:

  1. Автоматический - післядовательная отработка программы в прямоугольной системе координат. Возможность обробки сложных деталей з числом переходов до 100. Программа набирается непосредственно на станке;
  2. Покадровый - робота по кадрам в режиме "Покадровая отработка", проверка программы і режим преднабора;
  3. Ручной - ручной універсальний режим з использованием рабочих подач, быстрых перемещений, а также ручных перемещений от маховиков і рукояток.

Класс точності верстата — Н по ГОСТ 8—82Е

Шероховатость поверхности Ra 3,2 мкм.

Разработчик — Горьковское станкостроительное производственное объединение.


История выпуска верстатів Горьковским заводом, ГЗФС

В 1937 году на Горьковском заводе фрезерных верстатів были изготовлены первые консольно-фрезерные верстати серии 6Б моделей 6Б12 і 6Б82 з рабочим столом 320 х 1250 мм (2-го типоразмера).

В 1951 году запущена в производство серия консольно-фрезерных верстатів собственной конструкції (Новые): 6Н12, 6Н13П, 6Н82, 6Н82Г. Верстат 6Н13ПР получил “Гран-При” на всемирной выставке в Брюсселе в 1956 году.

В 1960 году запущена в производство серия консольно-фрезерных верстатів: 6М12П, 6М13П, 6М82, 6М82Г, 6М83, 6М83Г, 6М82Ш.

В 1972 году запущена в производство серия консольно-фрезерных верстатів: 6Р12, 6Р12Б, 6Р13, 6Р13Б, 6Р13Ф3, 6Р82, 6Р82Г, 6Р82Ш, 6Р83, 6Р83Г, 6Р83Ш.

В 1975 году запущены в производство копировальные консольно-фрезерные верстати: 6Р13К.

В 1978 году запущены в производство копировальные консольно-фрезерные верстати 6Р12К-1, 6Р82К-1.

В 1985 году запущена в производство серия 6Т-1 консольно-фрезерных верстатів: 6Т12-1, 6Т13-1, 6Т82-1, 6Т83-1 і ГФ2171.

В 1991 году запущена в производство серия консольно-фрезерных верстатів: 6Т12, 6Т12Ф20, 6Т13, 6Т13Ф20, 6Т13Ф3, 6Т82, 6Т82Г, 6Т82ш, 6Т83, 6Т83Г, 6Т83Ш.





Габарит робочого простору консольно-фрезерного верстата 6Т13Ф20

6Т13Ф20 Габарит робочого простору універсального вертикального консольно-фрезерного верстата

Креслення робочого простору фрезерного верстата 6т13ф20


Посадочные і присоединительные розміри вертикального консольно-фрезерного верстата 6Т13Ф20

Посадочные і присоединительные розміри консольно-фрезерного верстата 6Т13Ф20

Посадочные і присоединительные базы фрезерного верстата 6т13ф20


Ескіз шпинделя консольно-фрезерного верстата 6Т13Ф20

6Т13Ф20 Ескіз шпинделя універсального вертикального консольно-фрезерного верстата

Ескіз шпинделя фрезерного верстата 6т13ф20


Загальний вигляд вертикального консольно-фрезерного верстата 6Т13Ф20

6Т13Ф20 Загальний вигляд  консольно-фрезерного верстата

Фото консольно-фрезерного верстата 6т13ф20


Фото консольно-фрезерного верстата 6т13ф20

Фото консольно-фрезерного верстата 6т13ф20

Фото консольно-фрезерного верстата 6т13ф20. Скачать в увеличенном масштабе



6Т13Ф20 Загальний вигляд  консольно-фрезерного верстата

Фото консольно-фрезерного верстата 6т13ф20


Розташування складових частин консольно-фрезерного верстата 6Т13Ф20

6Т13Ф20 Розташування складових частин консольно-фрезерного верстата

Розташування складових частин фрезерного верстата 6т13ф20

Розташування складових частин консольно-фрезерного верстата 6т13ф20. Скачать в увеличенном масштабе



Список складових частин консольно-фрезерного верстата 6Т13Ф20

  1. Станина;
  2. Пульт боковой;
  3. Механізм переключения подач;
  4. Коробка швидкостей шпинделя;
  5. Шкаф керування;
  6. Головка поворотная;
  7. Устройства електромеханического зажиму инструмента;
  8. Пристрій цифровой индикации і керування ЛЮМО-61;
  9. Стол і салазки;
  10. Пульт основной;
  11. Консоль;
  12. Силовой трансформатор;
  13. Гідростанція.

Розташування органів керування консольно-фрезерным верстатом 6Т13Ф20

Розташування органів керування консольно-фрезерным верстатом 6Т13Ф20

Розташування органів керування фрезерным верстатом 6т13ф20

Розташування органів керування консольно-фрезерным верстатом 6т13ф20. Скачать в увеличенном масштабе



Список органів керування консольно-фрезерным верстатом 6Т13Ф20

  1. Кольцо-нониус
  2. Кнопка "Стоп" аварийная
  3. Переключатель выбора режима роботи верстата
  4. Кнопка "Пуск цикла"
  5. Тумблер "Установка памяти в исходное положение"
  6. Кнопка "Стоп шпинделя"
  7. Клавиша "Стоп вертикального переміщення стола"
  8. Зажимы салазок
  9. Клавиша "Перемещение стола вниз"
  10. Клавиша "Перемещение стола вверх"
  11. Рукоятка переключения швидкостей шпинделя
  12. Указатель швидкостей шпинделя
  13. Регулятор скорости подачі 5 мм/мин... 1000 об/мин
  14. Регулятор скорости подачі 8 мм/мин...1600 мм/мин
  15. Регулятор скорости подачі 12,5 мм/мин...2000 мм/мин
  16. Сигнальная лампочка красного цвета "Замыкание на землю"
  17. Сигнальная лампочка красного цвета "Вводной автомат включен"
  18. Переключення направления обертання шпинделя "Вправо-влево"
  19. Переключатель насоса охлаждения "Включено-выключено"
  20. Переключатель "Зажим-отжим инструмента"
  21. Кнопка "Толчок шпинделя"
  22. Шестигранник поворота головки
  23. Клавиша "Перемещение стола влево"
  24. Клавиша "Стоп продольного переміщення стола"
  25. Клавиша "Перемещение стола вправо"
  26. Рукоятка зажиму гильзы шпинделя
  27. Рукоятка фиксации УЦИУ
  28. Кнопка "Пуск шпинделя"
  29. Кнопка "Быстрое перемещение стола"
  30. Зажимы стола
  31. Маховик ручного продольного переміщення стола
  32. Переключатель увімкнення режима роботи стола "ручной - механический"
  33. Ручное поперечное перемещение стола
  34. Регулятор переключения подачі
  35. Ручное вертикальное перемещение стола
  36. Лимб механізма поперечных перемещений стола
  37. Клавиш "Стоп поперечного переміщення стола"
  38. Клавиша "Перемещение стола вперед"
  39. Клавиша "Перемещение стола назад"
  40. Маховик выруху гильзы шпинделя
  41. Зажим головки на станине
  42. Зажим консоли
  43. Рукоятка съемная ручного вертикального і поперечного переміщення стола




Схема кінематична консольно-фрезерного верстата 6Т13Ф20-1

6Т13Ф20-1 Схема кінематична консольно-фрезерного верстата

Кінематична схема консольно-фрезерного верстата 6т13ф20-1

Схема кінематична консольно-фрезерного верстата 6Т13Ф20-1. Скачать в увеличенном масштабе



Схема кінематична фрезерного верстата 6Т13Ф20

Привід головного руху осуществляется от фланцевого електродвигуна через упругую соединительную муфту.

Частота обертання шпинделя изменяется передвижением трех зубчатых блоков по шлицевым валам.

Коробка швидкостей сообщает шпинделю 18 различных швидкостей.

Привід подач осуществляется от електродвигуна постоянного тока, прифланцованного з правой стороны консоли.

Рух от електродвигуна передається на раздаточные зубчасті колеса консоли. Изменение подач осуществляется путем изменения числа оборотів двигуна. График величин подач приведен на рис.

Установчі ручні переміщення стола производятся маховиком 31 (рис.9), салазок і консоли - съемной рукояткой 43, гильзы шпинделя - маховиком 40.


Короткий опис сборочных единиц верстата

Станина

Станина - основная сборочная единица, на которой монтируются составные частини і механізмы верстата.

Жесткая конструкция станины достигается за счет развитого основания і большого числа ребер.

По вертикальным направляющим станины перемещается консоль. К горловине станины крепится поворотная головка.

Для ограничения ходу консоли з левой стороны станины крепится планка з кулачками.

С правой стороны на станине установлен електрошкаф.

Сзади к станине прифланцованы електродвигатели головного руху і механізма крепления инструмента.

В нишах станины размещены елементы електроустаткування.

Внутри корпуса станины имеется резервуар для масла. Станина устанавливается на основание, которое служит і опорой гвинта подъема консоли. Сзади на основании установлен насос подачі охлаждающей жидкости.


Поворотная головка

Поворотная головка (рис.13 ) центрируется в кольцевой выточке горловины станины і крепится к ней четырьмя болтами, входящими в Т-образный паз фланца станины (затяжку болтов производить специальным ключом 6Р12.0П.40 на верстатах 6Т12Ф20-1 і специальным ключом 6Р13.0П.40 на верстатах 6Т13Ф20-1.

Шпиндель поворотной головки представляет собой двухопорный вал, смонтированный в выдвижной гильзе.

Вращение шпинделю передається от коробки швидкостей через пару конических і пару цилиндрических зубчатых колес, смонтированных в головке.


Коробка швидкостей

Коробка швидкостей смонтирована непосредственно в корпусе станины. Соединение коробки з валом електродвигуна осуществляется упругой муфтой. На промежуточных валах смонтированы два тройных і один двойной блок шестерен. На моторном валу установлена електромагнитная муфта 2 (рис.14), служащая для торможения шпинделя при останове.

Осмотр коробки швидкостей можно произвести через окно з правой стороны.

На выходном валу коробки швидкостей смонтирована коническая шестерня I, находящаяся в зацеплении з шестерней поворотной головки.

Коробка переключения швидкостей позволяет выбирать требуемую скорость без послідовного прохождения промежуточных ступеней.

Рейка I (рис.15), передвигаемая рукояткой переключения 5, посредством сектора 2 через вилку 10 (рис.16) перемещает в осевом направлении валик 3 з диском переключения 9. Диск переключения поворачивается указателем швидкостей II через конические зубчасті колеса 2 і 4. Диск имеет несколько рядов отверстий определенного размера расположенных против штифтов реек 5 і 7, зацепляющихся попарно з зубчатым колесом 6. На одной из каждой пары реек крепится вилка переключения. При перемещении диска нажимом на штифт одной из пары обеспечивается возвратно-поступательное перемещение реек. При етом вилки в кінці ходу диска занимают положение, соответствующее зацеплению определенных пар зубчатых колес. Для исключения возможности жесткого упора зубчатых колес при переключении штифты 8 реек подпружинены.

Фиксация лимба при выборе скорости обеспечивается шариком I, заскакивающим в пазы звездочки 12.

Регулювання пружины 13 производится пробкой 14 з учетом четкой фиксации лимба і нормального зусилля при его повороте.

Рукоятка 5 (рис.15) во включенном положении удерживается за счет пружины 4 і шарика 3. При етом шип рукоятки входит в паз фланца.

Соответствие швидкостей значениям, отмеченным на указателе, достигается определенным положением конических шестерен 2 і 4 (рис.16) по зацеплению. Правильное зацепление устанавливается по кернам на торцах сопряженного зуба і впадины или при установці указателя в положение скорости 31,5 об/мин і диска з вилками в положение скорости 31,5 об/мин.

Зазор в зацеплении конической пары не должен быть больше 0,2 мм, так как диск за счет етого може повернуться до I мм. Смазка коробки переключения осуществляется от системы змазки коробки швидкостей разбрызгиванием масла, поступающего из трубки в верхней частини станины. Отсутствие масляного дождя може вызвать недопустимый нагрев щечек вилок переключения і привести к заеданию вилок, их деформации или і поломке.


Коробка подач

Коробка подач вмонтирована в корпусе консоли і представляет из себя 3 вала: I, II, XI, связанных двумя зубчатыми парами 48, 49 і 47, 50 (рис.17).

Изменение величины подачі осуществляется за счет регулювання частоти обертання електродвигуна постоянного тока.


Консоль

Консоль является базовым узлом з вмонтированным приводом подач. На левой стороне консоли прифланцована крышка з патрубком для залива масла, а также расположены указатели роботи насоса і уровня масла в масляном резервуаре консоли. С правой стороны крепится електродвигатель подач, распределительная коробка для живлення електромагнітних муфт, размещенная под защитным кожухам двигуна і станція змазки з индивидуальным електроприводом.

Наличие распределительной коробки з клеммными рейками позволяет, не вскрывая консоли, прозвонить ланцюг любой из електромагнітних муфт в приводе подач.

На переднем торце консоли размещены кнопка периодической подачі масла к направляющим стола, салазки і консоли.

Корпус консоли разделен поперечної перегородкой на 2 отсека. В переднем отсеке встроены муфты выбора направления переміщення стола. Доступ к муфтам при осмотрах і ремонтных работах осуществляется через боковые окна: через правое - к предохранительной муфте і муфтам увімкнення поперечного ходу, через левое - к муфте вертикальних перемещений.

Демонтаж і установка муфты продольного ходу производится через отверстие в передньої стенке консоли, закрытое опорным фланцем підшипника муфтового вала.

При демонтаже валов з муфтами поперечного і вертикального перемещений стола не следует нарушать первоначальную налаштування положения блокировочных конечных выключателей, обеспечивающих відключення електромагнітних муфт при пользовании съемной рукояткой установочных перемещений.

Ускоренный ход стола достигается за счет увімкнення фиксированной частоти обертання електродвигуна постоянного тока.

Для выбора і увімкнення направления руху стола в раздаточной коробке установлено по одной муфте на каждой координате. Изменение направления руху по координате осуществляется за счет реверса двигуна, С вала 25 (Рис. 17) через зубчасті колеса 2 і 1 вращение передається на винт поперечных перемещений 32. На винт вертикальних перемещений вращение поступает з вала 27 через цилиндрическую зубчатую пару 29, 30 і конические зубчасті колеса 5 і 4 (рис. 17, 18).

Вращение на винт продольных перемещений передається з вала 28 посредством двойного блока 26, свободно установленного на кінці гвинта поперечных перемещений, на шлицевый вал 31.

Далее вращение через две конические пары шестерен 12, 13 і 14, 4 поступает на гильзу 10 (рис. 19), связанную з винтом продольных перемещений I, посредством скользящей шпонки.


Стол і салазки

Стол к салазки обеспечивают продольное і поперечное переміщення стола.

Ходовой винт I получает вращение через скользящую шпонку гильзы 10, смонтированной в зубчатой полумуфте 5 ж втулке 7. Гильза 10 (рис. 19) через шлицы получает вращение от зубчатой полумуфты 6 при сцеплении її з зубчатой полумуфтой 5, жестко связанной з коническим зубчатым колесом 4. Полумуфта 5 имеет зубчатый венец, з которым зацепляется зубчатое колесо приводу круглого стола. Полумуфта 6 имеет зубчатый венец для осуществления обертання гвинта поздовжньої подачі при переміщеннях от маховика. Вращение на зубчатый венец передається от шестерни 4 (рис.20), которая подпружинена на случай попадания зуба на зуб. Зацепление зубчатого венца 3 полумуфты 6 з шестерней 4 возможно только в случае расцепления полумуфты 6 з полумуфтой 5 (рис. 19) і осуществляется переміщенням рейки I от переключателя 6, закрепленном на валике 2 (рис. 20).

Таким образом осуществляется блокировка маховика 5.

Гайки 2 і 3 ходового гвинта (рис, 19 ) расположены в левой частини салазок. Правая гайка 3 зафиксирована двумя штифтами в корпусе салазок: левая гайка 2, упираясь торцем в правую, при повороте її червяком выбирает люфт в винтовой паре.

Стол соединяется з ходовым винтом через кронштейны, установка которых на торцах стола производится по фактическому расположению гвинта і фиксируется контрольными штифтами. Упорные підшипники смонтированы на разных концах гвинта, что устраняет возможность его роботи на продольный изгиб. При монтаже гвинта обеспечивается предварительный натяг ходового гвинта гайками з усилием 1000-1250 Н (100-125 кгс).

Зажим салазок на направляючих консоли обеспечивается планками 9, на которые воздействует ексцентрик валика 8.


Пристрій електромеханического зажиму инструмента

Пристрій електромеханического зажиму инструмента (рис.21) предназначено для закрепления инструмента в шпинделе верстата.

Затяжка і выталкивание инструмента производится з помощью перемещающейся тяги 3, расположенной внутри шпинделя 5.

Возвратно-поступательное перемещение тяги 3 обеспечивается резьбовым соединением її со шлицевым валиком 2, получающим вращательное рух от головки електромеханического зажиму инструмента I. На кінці тяги 3 имеется Т-образная головка, которая соединяется з Т-образным пазом захвата 4, ввернутого в оправку з фрезой.

Установка фрез на оправках производится в зависимости от их размера і вида согласно рис. 22.

Захват I (рис.22 ) должен быть установлен таким образом, чтобы Т-образный паз захвата был перпендикулярен ведущим пазам оправки или фрезы 3 і выдержан размер 42 ± 1,5 мм.

Номенклатура оправок і переходных втулок, поставляемых со верстатом, приведена в разделе 3 "Комплект поставки".

Закрепление фрезерной оправки в шпинделе осуществляется в следующей післядовательности: оправку з фрезой вставить в конусное отверстие шпинделя і путем поворота на угол 90° соединить з головкой тяги 3 (рис. 2/). Перевести переключатель 20(рис. 9 ) в положение "Зажим инструмента". При етом оправка з фрезой втягивается в шпиндель. Окончание зажиму определяется по прощелкиванию кулачковой муфты механізма.

При отжиме инструмента необходимо: выключить шпиндель кнопкой В (рис.9 ) і проследить, чтобы шпиндель остановился. Перевести переключатель 20 в положение "Отжим инструмента" і держать до тех пор пока фрезерна оправка не выйдет из шпинделя на длину не более 15...20 мм, т.е. оправка должна расланцюгиться з ведущими шпонками шпинделя.

При большем перемещении оправки валик 2 (рис. 21) може полностью вывернуться из тяги 3. Тогда при зажиме инструмента тягу нужно поджать вдоль оси вверх, чтобы резьбовой конец валика ввернулся в резьбовое отверстие тяги.


Система змазки верстата

Смазка верстата обеспечивается следующими системами.

1. Централизованная система змазки зубчатых колес, підшибників коробки швидкостей, ПОДШИПНИКОВ И шестерен поворотной головки і елементів коробки переключения швидкостей.

Эта система включает в себя резервуар 2, расположенный в станине, фильтр 4, плунжерный насос 6 і маслораспределитель 7. Насос системы работает от ексцентрика, смонтированного на одном из валов коробки швидкостей (рис.24 ).

Контроль за подачей змазки і її уровнем в резервуаре осуществляется визуально по маслоуказателям 1 і 9.

2. Централизованная система змазки зубчатых колес, підшибників консоли, направляючих консоли, салазок і стола.

Эта система включает в себя резервуар 24, расположенный в консоли, предохранительный клапан 26, шестеренчатый насос 25, золотник 15, маслораспределители 11,12,14. Конструкція золотникового распределителя приведена на рис.

Наличие масла в резервуаре проверяется по маслоуказателю 20, контроль роботи насоса - по маслоуказателю 19.

Смазка направляючих консоли производится периодически нажатием кнопки 16, направляючих стола - кнопки 17.

Быстродействующие сухие муфты выбора направления переміщення стола размещены в отсеке консоли, защищенном от попадания масла сальниками і уплотнениями. Попадание масла в етот отсек приводит к утере передаваемого момента і быстродействия муфт, а также к недопустимой потере точності позиционирования стола.





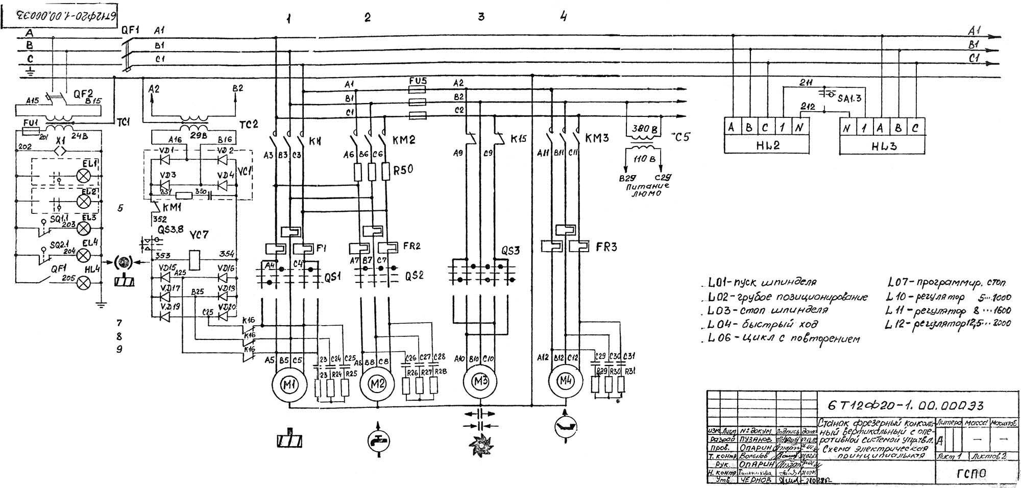
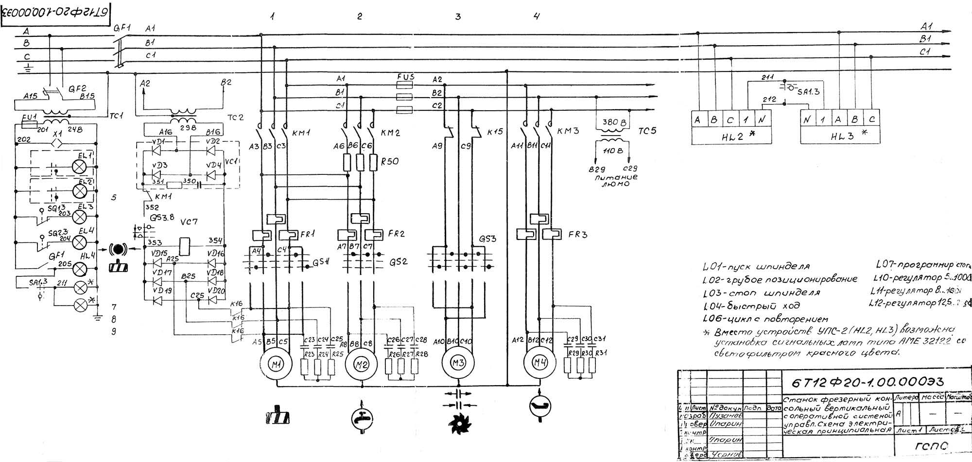
Cхема електрична фрезерного верстата 6Т13Ф20

Схема електрична принципова 6Т13Ф20 cтанок горизонтальный консольно-фрезерный

Електрична схема фрезерного верстата 6Т13Ф20

Схема електрична принципова консольно-фрезерного верстата 6Т13Ф20. Скачать в увеличенном масштабе



Схема електрична принципова 6Т13Ф20 cтанок горизонтальный консольно-фрезерный

Електрична схема фрезерного верстата 6Т13Ф20

Схема електрична принципова консольно-фрезерного верстата 6Т13Ф20. Скачать в увеличенном масштабе



Настановне креслення фрезерного верстата 6Т13Ф20

Настановне креслення фрезерного верстата 6Т13Ф20

Настановне креслення фрезерного верстата 6Т13Ф20




6Т13Ф20 Верстат консольно-фрезерный вертикальний. Відеоролик.




Технічні характеристики консольного фрезерного верстата 6Т13Ф20

Наименование параметра 6Т12Ф20 6Т13Ф20
Основні параметри верстата
Розміри поверхности стола, мм 1250 х 320 1600 х 400
Наибольшая масса обрабатываемой детали, кг 400 630
Наибольший продольный (X), поперечний (Y), вертикальний ход (Z) стола, мм 800, 270, 420 1000, 340, 430
Расстояние от торца шпинделя до поверхности стола, мм 30..450 70..500
Расстояние от оси шпинделя до вертикальних направляючих станины (вылет), мм 350 420
Наибольший диаметр фрезы при черновой обработке, мм 160 200
Наибольший диаметр сверла, мм 30 30
Шпиндель
Мощность приводу головного руху, кВт 7,5 11
Частота обертання шпинделя, об/мин 31,5..1600 31,5..1600
Количество швидкостей шпинделя 18 18
Перемещение пиноли (гильзы) шпинделя, мм 70 80
Перемещение пиноли шпинделя на одно деление лимба, мм 0,05 0,05
Перемещение пиноли шпинделя на один оборот лимба, мм 4 4
Угол поворота шпиндельной головки, град ±45° ±45°
Кінець шпинделя ГОСТ 24644-81, ряд 4, виконання 6 50 50
Рабочий стол. Подачи
Пределы продольных і поперечных подач стола (X, Y), мм/мин 5..4000
Пределы вертикальних подач стола (Z), мм/мин 1,7..1330
Количество подач стола (продольных, поперечных, вертикальних) 22 22
Скорость быстрых перемещений (продольных (X)/ поперечных (Y)/ вертикальних (Z)), м/мин 4/ 4/ 1,330 4/ 4/ 1,330
Перемещение стола на одно деление лимба (продольное (X), поперечное (Y), вертикальное (Z)), мм 0,05 0,05
Перемещение стола на один оборот лимба (продольное (X)/ поперечное (Y)/ вертикальное (Z)), мм 6/ 6/ 2 6/ 6/ 2
Наибольшее допустимое усилие різання (продольное (X)/ поперечное (Y)/ вертикальное (Z)), кН 15/ 12/ 5 20/ 12/ 8
Механіка верстата
Выключающие упоры подачі (поздовжньої, поперечної, вертикальной) Есть Есть
Блокировка ручной і механической подач (поздовжньої, поперечної, вертикальной) Есть Есть
Блокировка раздельного увімкнення подач Есть Есть
Торможение шпинделя Есть Есть
Предохранительная муфта от перегрузок Есть Есть
Автоматическая прерывистая подача Есть Есть
Система УЦИУ, (ОПУ) К-524
Количество управляемых/ одновременно управляемых координат 3/ 1 3/ 1
Число записываемых кадров 98 98
Дискретность, мм 0,005 0,005
Масса, кг 15 15
Система ОПУ ЛЮМО-61
Количество управляемых/ одновременно управляемых координат 3/ 1 3/ 1
Число записываемых кадров 99 99
Дискретность, мм 0,010 0,010
Масса, кг
Електроустаткування і приводы верстата
Количество електродвигателей на станке 6 6
Електродвигун головного руху, кВт 7,5 11
Електродвигун приводу подач, Н*м 23 47
Електродвигун приводу гідростанції, кВт 1,1 3
Електродвигун зажиму инструмента, кВт 0,25 0,25
Електродвигун насоса СОЖ, кВт 0,12 0,12
Електродвигун насоса змазки, кВт 0,25 0,25
Суммарная мощность всех електродвигателей, кВт 8,05 11,55
Габарити і масса верстата
Габарити верстата (длина ширина высота), мм 2750 х 2575 х 2500 2570 2252 2430
Масса верстата, кг 3750 4300


    Список литературы:

  1. Фрезерные консольные вертикальные верстати з оперативным программным керуванням 6Т12Ф20-1, 6Т13Ф20-1. Руководство по експлуатации 6Т12Ф20-1.00.000 РЭ,

  2. Аврутин С.В. Основы фрезерного дела, 1962
  3. Аврутин С.В. Фрезерне дело, 1963
  4. Ачеркан Н.С. Металлорежущие верстати, Том 1, 1965
  5. Барбашов Ф.А. Фрезерне дело 1973
  6. Барбашов Ф.А. Фрезерные роботи (Профтехобразование), 1986
  7. Блюмберг В.А. Справочник фрезеровщика, 1984
  8. Григорьев С.П. Практика координатно-расточных і фрезерных работ, 1980
  9. Копылов Работа на фрезерных верстатах,1971
  10. Косовский В.Л. Справочник молодого фрезеровщика, 1992
  11. Кувшинский В.В. Фрезерование,1977
  12. Ничков А.Г. Фрезерные верстати (Библиотека станочника), 1977
  13. Пикус М.Ю. Справочник слесаря по ремонту металлорежущих верстатів, 1987
  14. Плотицын В.Г. Расчёты настроек і наладок фрезерных верстатів, 1969
  15. Плотицын В.Г. Наладка фрезерных верстатів,1975
  16. Рябов С.А. Современные фрезерные верстати і их оснастка, 2006
  17. Схиртладзе А.Г., Новиков В.Ю. Технологическое обладнання машиностроительных производств, 1980
  18. Тепинкичиев В.К. Металлорежущие верстати, 1973
  19. Чернов Н.Н. Металлорежущие верстати, 1988
  20. Френкель С.Ш. Справочник молодого фрезеровщика (3-е изд.) (Профтехобразование), 1978








Заказать

Если ежедневно работать по восемь часов в день, можно со временем стать начальником і работать по двенадцать часов в день.

Закон Мерфи