metalinstryment.com
Довідник по металорізальних верстатів та пресовому обладнанні

6Н13П Верстат консольно-фрезерный вертикальний підвищеної точності
схеми, опис, характеристики

6Н13П Загальний вигляд  консольного фрезерного верстата







Відомості про виробника консольно-фрезерного верстата 6Н13П

Производитель консольных фрезерных верстатів 6Н13П Горьковский завод фрезерных верстатів, основанный в 1931 году.

Начиная з 1932 года, Горьковский завод фрезерных верстатів занимается выпуском верстатів і является експертом в разработке і производстве различного металлорежущего оборудования.

Верстат 6Н13П выпускался, также, на предприятии Воткинский машиностроительный завод ВМЗ.

Выпуск вертикальних консольно-фрезерных верстатів на Воткинском машиностроительном заводе наначался в 1956 году, а в 1959 году стали выпускаться фрезерные верстати з ЧПУ.





Продукция Горьковского завода фрезерных верстатів ГЗФС


6Н13П вертикальний консольно-фрезерный верстат підвищеної точності універсальний. Назначение, область применения

Серийный консольно-фрезерный верстат 6Н13П производился з 1951 года. В 1960 году был заменен на более совершенную модель 6М13П.

Універсальные фрезерные верстати серии Н (6Н12, 6Н13, 6Н82, 6Н83) выпускались Горьковским заводом фрезерных верстатів (ГЗФС) начиная з 1951 года. Верстати сходны между собой по конструкції, широко унифицированы і является дальнейшим усовершенствованием аналогичных верстатів серии Б.

Консольно-Фрезерный верстат 6Н13П предназначен для фрезерування деталей средних размеров і веса из стали, чугуна і цветных металлов имеет размер робочого стола - 400 х 1600 (типоразмер 3) в условиях индивидуального і серийного производства. В серийном производстве, благодаря наличию напівавтоматических і автоматических циклов, верстат може успешно использоваться на работах операционного характера в поточных і автоматических лініях.

На станке 6Н13П можно обрабатывать вертикальные і горизонтальные плоскости, пазы, углы, нарезать зубчасті колеса торцевыми, цилиндрическими, кінцівыми, радиусными фрезами.

Фрезерование зубчатых колес, разверток, спиралей, контура кулачков і прочих деталей, требующих периодического или непрерывного поворота вокруг своей оси, производятся на данном станке з применением делительной головки или накладного круглого стола.

Благодаря наличию механізма выборки люфта в винтовой паре поздовжньої подачі стола, на станке можно производить встречное і попутное фрезерование, как в простых режимах, так і в режимах з автоматическими циклами.

Наиболее еффективное использование верстата 6Н13П достигается при обработке деталей методом скоростного фрезерування.

Класс точності верстатів Н.

Принцип роботи універсального вертикально-фрезерного верстата 6н13п

Движения в станке:

Крупные детали закрепляются непосредственно на столе верстата з помощью прижимных устройств. Небольшие детали устанавливаются в тисках или специальных приспособлениях. Торцовые, кінцівые, пальцевые фрезы і фрезерные головки укрепляются в шпинделе.

При обработке небольшой партии деталей керування поздовжньої подачей і быстрым переміщенням стола производится вручную.

В серийном производстве верстат може быть настроен для роботи по напівавтоматическому, маятниковому или скачкообразному циклам. Для етой цели в боковом пазу стола устанавливаются в определенной післядовательности упоры і кулачки, которые в нужные моменты воздействуют на звездочку керування поздовжньої подачі, швидкого переміщення і остановки стола.

При напівавтоматическом цикле роботи після увімкнення верстата стол совместно з обрабатываемой деталью быстро перемещается, пока обрабатываемая деталь не подойдет к фрезе, затем включается рабочая подача.

По окончании обробки стол быстро возвращается в исходное положение і автоматически останавливается. Рабочий снимает обработанную деталь, закрепляет заготовку і вновь включает верстат. Цикл повторяется.

При маятниковом цикле обрабатываемые детали устанавливаются попеременно то з правой, то з левой стороны стола. Последний непрерывно совершает замкнутый цикл движений — быстрое перемещение влево, рабочая подача влево, быстрое перемещение вправо, рабочая подача вправо. Снятие обработанной детали і закрепление заготовки производятся рабочим во время фрезерування детали, расположенной на другой стороне стола.

Скачкообразный цикл применяется для одновременного фрезерування комплекта деталей, у которых обрабатываемые поверхности расположены на значительных расстояниях друг от друга. В етом случае стол автоматически получает то быстрые, то медленные переміщення в соответствии з расположением обрабатываемых поверхностей деталей.

Класс точності верстатів П.


Пределы использования верстатів по мощности і силовым нагрузкам

При работе на высоких і средних числах оборотів пределы использования верстатів ограничиваются, головним образом, допустимыми значениями швидкостей для фрез і мощностью електродвигуна головного руху, которая не должна быть больше 10—12,5 кВт по ваттметру. Таким образом, в зоне высоких чисел оборотів може быть допущена кратковременная перегрузка електродвигуна по мощности 25% в течение 1 мин.

Во всех случаях обробки, где возможно применение скоростного фрезерування, рекомендуется использовать верстати на скоростных режимах, как наиболее производительных і обеспечивающих спокойную, виброустойчивую работу верстатів.

Возможности использования верстатів при фрезеровании сталей быстрорежущими фрезами ограничиваются не возможностью поломок в механізмах верстата, а возникновением вибраций, связанных з неточностью изготовления і заточкой фрез, і невозможностью дать надлежащую подачу на зуб из-за наступающей поломки зубьев фрезы: так как верстат в основном предназначен для скоростного фрезерування, использовать его для фрезерування быстрорежущими фрезами нерационально.

При работе верстата на тяжелых режимах різання, как правило, лимитирующим фактором є стойкость і прочность режущего инструмента.

С етой точки зрения можно рекомендовать в качестве предельных режимов фрезерування наступні:

Работа торцевыми фрезами по стали:

Работа торцевыми фрезами по чугуну:

С точки зрения правильного использования верстатів, наиболее рациональным будет выбор полной мощности електродвигуна на средних скоростях, кратковременная перегрузка по мощности (в течение не более 1 мин) до 25—50% на высоких числах оборотів і снижение мощности на нижних 4—5 ступенях чисел оборотів на 25—30% от номинальной.


Модифікації консольно-фрезерных верстатів серии 6Н

Серия 6Н консольно-фрезерных верстатів - 6Н12П, 6Н12ПБ, 6Н13, 6Н13П, 6Н13ПБ, 6Н82, 6Н82Г, запущенна в 1951 году, включет в себя несколько модификаций:


История выпуска верстатів Горьковским заводом, ГЗФС

В 1937 году на Горьковском заводе фрезерных верстатів были изготовлены первые консольно-фрезерные верстати серии 6Б моделей 6Б12 і 6Б82 з рабочим столом 320 х 1250 мм (2-го типоразмера).

В 1951 году запущена в производство серия консольно-фрезерных верстатів: 6Н12, 6Н13, 6Н82, 6Н82Г. Верстат 6Н13Р получил “Гран-При” на всемирной выставке в Брюсселе в 1956 году.

В 1960 году запущена в производство серия консольно-фрезерных верстатів: 6М12П, 6М13П, 6М82, 6М82Г, 6М83, 6М83Г, 6М82Ш.

В 1972 году запущена в производство серия консольно-фрезерных верстатів: 6Р12, 6Р12Б, 6Р13, 6Р13Б, 6Р13Ф3, 6Р82, 6Р82Г, 6Р82Ш, 6Р83, 6Р83Г, 6Р83Ш.

В 1975 году запущены в производство копировальные консольно-фрезерные верстати: 6Р13К.

В 1978 году запущены в производство копировальные консольно-фрезерные верстати 6Р12К-1, 6Р82К-1.

В 1985 году запущена в производство серия 6Т-1 консольно-фрезерных верстатів: 6Т12-1, 6Т13-1, 6Т82-1, 6Т83-1 і ГФ2171.

В 1991 году запущена в производство серия консольно-фрезерных верстатів: 6Т12, 6Т12Ф20, 6Т13, 6Т13Ф20, 6Т13Ф3, 6Т82, 6Т82Г, 6Т82ш, 6Т83, 6Т83Г, 6Т83Ш.






Загальний вигляд вертикального консольно-фрезерного верстата 6Н13П

6Н13П Загальний вигляд  вертикального консольно-фрезерного верстата 6Н13П

Фото вертикального консольно-фрезерного верстата 6н13п

6Н13П Загальний вигляд  вертикального консольно-фрезерного верстата 6Н13П

Фото вертикального консольно-фрезерного верстата 6н13п


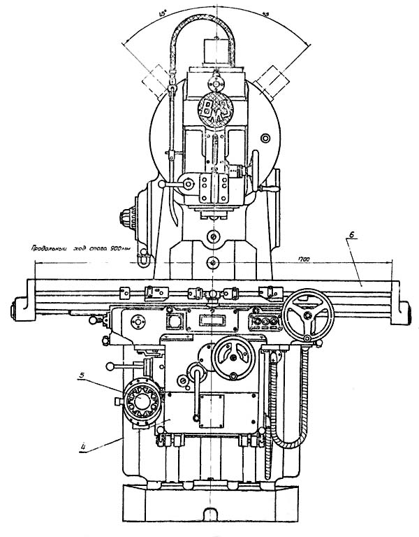
Розташування складових частин і органів керування консольно-фрезерным верстатом 6Н13П

6Н13П Розташування складових частин і органів керування консольно-фрезерного верстата

Розташування складових частин і органів керування фрезерным верстатом 6н13п


6Н13П Розташування складових частин і органів керування консольно-фрезерного верстата

Розташування складових частин і органів керування фрезерным верстатом 6н13п


6Н13П Розташування складових частин і органів керування консольно-фрезерного верстата

Розташування складових частин і органів керування фрезерным верстатом 6н13п

Список складових частин консольно-фрезерного верстата 6Н13П


Список органів керування консольно-фрезерным верстатом 6Н13П

  1. Маховик ручного переміщення стола
  2. Увімкнення поперечної і вертикальной подач
  3. Увімкнення поздовжньої подачі стола
  4. Рукоятки зажиму салазок на консоли
  5. Вертикальный ручной подъем консоли
  6. Маховик ручного поперечного переміщення салазок
  7. Переключення швидкостей
  8. Переключення подач
  9. Указатель подач
  10. Указатель швидкостей
  11. Маховик ручного переміщення шпинделя
  12. Рукоятка зажиму шпинделя




Схема кінематична консольно-фрезерного верстата 6Н13П

6Н13П Схема кінематична консольно-фрезерного верстата

Кінематична схема консольно-фрезерного верстата 6н13п

Схема кінематична консольно-фрезерного верстата 6Н13П. Дивитись у збільшеному масштабі



Опис конструкції консольно-фрезерного верстата 6Н13П

Станина верстата

Станина выполнена раздельно от основания. Крепление к основанию осуществляется болтами сверху, через електрошкаф і платики, спереди і сзади станины, что дает возможность сборки без дополнительного переворота основания. Станина пирамидальной формы коробчатого сечения, в нижней частини, з боков ее, расположены две ниши (шкафа), в которых размещается електрообладнання.

В верхней частини станины имеется круглый фланец, к которому четырьмя болтами крепится поворотная головка. Поворот головки осуществляется вручную.

Внутри основания расположен резервуар для охлаждающей жидкости. С задньої стороны станины смонтирован фланцевый електромотор. С левой стороны станины помещена коробка переключения швидкостей селективного типа. С правой стороны имеется окно, закрытое крышкой, при снятии которой открывается доступ к масляному насосу і коробке швидкостей.

В станину необходимо залить 18—20 литров машинного масла марки "Л" или веретенного марки "2".

Коробка швидкостей консольно-фрезерного верстата 6Н13П

Коробка швидкостей смонтирована внутри станины. Все валы її смонтированы на шарикопідшипниках. Коробка швидкостей получает привід от фланцевого електродвигуна, передающего рух четырем валам, смонтированным в верхней частини станины.

На етих валах перемещаются шестерни, различные комбинации которых дают шпинделю 18 швидкостей в пределах 30—1500 об/мин.

Поворотная головка верстата 6Н13П

Рух от коробки швидкостей в поворотную головку поступает через пару конических і пару цилиндрических шестерен на втулку, смонтированную на двух радиальных шариковых підшипниках, разгружающую шпиндель от дії изгибающих моментов. От етой втулки, через скользящее шпоночное соединение, рух поступает на шпиндель.

Жесткость опор шпинделя обеспечивается применением двухрядного роликового підшипника з конусом на внутренней обойме і двух радиально-упорных підшибників. Это позволило сделать сечение шпинделя без резких переходов з усилением его задньої шейки до 90 мм.

Шпиндель смонтирован в гильзе, имеющей ручное осевое перемещение. Рух гильзы осуществляется маховиком, расположенным сбоку головки, от гвинта через коническую пару шестерен. Для фрезерування или сверления на поворотной головке предусмотрен регулирующий упор, а для большей точності при обработке може быть установлен индикатор, связанный з етим упором. Смазка шестерен і підшибників в поворотной головке предусмотрена жидкая от плунжерного маслонасоса, расположенного в станине.

Поступление масла в підшипники шпинделя регулируется з помощью спецгвинта, расположенного на передньої стенке в верхней частини головки. Головка имеет поворот вправо і влево до 45° і скрепляется со станиной четырьмя болтами, находящимися в Т-образном пазу. Для нулевого вертикального положения шпинделя предусмотрен конічний штифт.

Шпиндель имеет 18 швидкостей з диапазоном от 30—1500 об/мин.

Коробка подач верстата 6Н13П

Коробка подач представляет собой самостоятельный узел і монтируется к консоли з левой стороны. Она получает рух от електромотора подач, помещенного в консоли. Коробка состоит из 4-х валов, вращающихся в підшипниках ковзання. При помощи трех подвижных блоков шестерен, путем различного их сцепления, достигается получение 18 различных подач. Переключення подач производится от маховичка, находящегося на переднем торце коробки, в следующем порядке:

Маховичок з валиком выдвигается из коробки подач, поворачивается совместно з лимбом подач до совпадения цифры, соответствующей устанавливаемой величине подачі, на лимбе со стрелкой на корпусе коробки і затем маховичок вдвигается обратно. На противоположном кінці вала маховичка находится диск з большим числом отверстий.

При осевом перемещении диск передвигает три пары реек, на которых насажены вилки. для переруху шестерен. Каждая пара реек сцепляется между собой промежуточными шестернями.

Фиксация вала, передвигающего диск переключения в осевом направлении, осуществляется посредством 3-х шариков і конуса.

Фиксация лимба, при повороте его, производится по коническим засверловкам на окружности втулки лимба.

При крайнем выдвинутом положении диска, конечный выключатель сообщает вращение електродвигателю подач, что облегчает переключение шестерен.

Увімкнення, вимкнення і реверсирование подач в поперечном і вертикальном направлениях производится з помощью одной рукоятки.

Коробка переключения швидкостей верстата 6Н13П

Переключення швидкостей осуществляется рукояткой, помещенной знизу. На передньої стороне коробки находится лимб, на котором обозначены 18 различных швидкостей.

При повороте рукоятки на себя, диск переключения выходит из сцепления з тягами, со смонтированными на них вилками переключения. Установив лимб на любую из 18 швидкостей (одновременно устанавливается і диск з отверстиями, в которые входят тяги), необходимо возвратить рукоятку переключения в первоначальное положение. При етом диск, нажимая на концы тяг-реек, ставит их в положение, соответствующее требуемой скорости.

Каждая пара реек сцеплена между собой промежуточной шестерней. При обратном движении рукоятки нажим конечного выключателя дает електродвигателю шпинделя импульс, облегчающий переключение швидкостей.

Лимб з числами оборотів шпинделя имеет фиксацию шариком.

Стрелка, прикрепленная около лимба, указывает установленное число оборотів. В станке предусмотрено торможение шпинделя постоянным током, которое осуществляется при нажатии кнопки "стоп".

Снятие коробки со верстата можно производить лишь при показаниях лимба 30 об/мин.




Консоль фрезерного верстата 6Н13П

Консоль имеет коробчатую форму з прямоугольными горизонтальными направляющими. Вертикальные направляющие выполнены в виде ласточкина хвоста. Для увеличения жесткости, вертикальные направляющие удлинены вверх в виде козырька.

В передньої нижней частини консоли помещается фланцевый електродвигатель подач мощность 2,8 кВт. С левой стороны консоли крепится коробка подач, з правой стороны, в нише, помещен електромагнит. Рух подачі идет от електродвигуна через коробку подач на шестерню, сидящую на VII валу.

На другом кінці етого вала на шпонке смонтирована шестерня, которая передает рух на вертикальную продольную і поперечную подачі.

Увімкнення кулачковых муфт вертикальной і поперечної подачі сблокировано между собой от одновременного увімкнення, а также з включением рукоятки для подъема консоли і маховичка для поперечної подачі.

Керування етими кулачковыми муфтами выведено на левую сторону консоли і происходит от рукоятки. Рукоятка имеет п'ять различных положений. Среднее положение рукоятки соответствует ручному перемещению консоли і салазок.

Переключення рукоятки вверх — включает подачу вверх. При включении рукоятки на себя — салазки идут на себя, увімкнення рукоятки от себя — салазки идут от себя.

Подачи вертикальные і поперечные включаются поочередно. Впереди, з левой стороны; консоли, помещены 2 конечных выключателя, дающих реверс електромотору или остановку его при включении вертикальной і поперечної подачі.

В експлуатации необходимо следить за четкостью роботи конечных выключателей, необходимо, чтобы в выключенном положении ролик выключателя был свободен от нажима лопатки, а при подходе к нижнему включенному положению давал щелчок увімкнення.

Если етого нет, необходимо изменить положение лопаток по высоте. Керування конечными выключателями связано з ручкой керування через валик керування.

На валике керування имеются стоповые рычаги. Воздействие кулачков, находящихся на салазках і станине, на стоповые рычаги валика керування дает відключення механических подач. Быстрый ход получается при включении механических подач і включении фрикционной муфты.

Смазка механізма консоли — принудительная, от плунжерного насоса, расположенного в нижней частини консоли. От етого же насоса смазывается коробка подач.

Вертикальный ходовой винт і колонка защищены от масляных брызг стальной трубой.

Зажим консоли на направляючих станины производится рукояткой з правой стороны консоли.

Выбор люфта консоли производится подтяжкой бокового клина і перешабровкой прижимных планок.

В консоль необходимо залить 6 литров машинного масла марки "Л" или веретенного масла марки "2".

При заливке масла в консоль необходимо следить за тем, чтобы его уровень не заходил за верхнюю черту в маслоуказателе, в противном случае неизбежны маслоподтеки на коробке переключения подач і консоли.

Стол і салазки фрезерного верстата 6Н13П

Салазки перемещаются по прямоугольным направляющим консоли от гвинта поперечної подачі через гайку, закрепленную в кронштейне.

Закрепление салазок на консоли производится двумя ексцентриковыми зажимами.

Продольный ход стола осуществляется ходовым винтом з трапецеидальной резьбой при включении кулачковой муфты.

Реверс осуществляется изменением направления обертання електродвигуна подач.

Для продольного ручного переміщення стола предусмотрен маховичок з переднего торца салазок (с правой стороны).

Коническая шестерня з кулачками получает вращение от шлицевого вала консоли посредством конических шестерен, смонтированных в кронштейне.

Для выбора люфта между гайками і ходовым винтом имеется компенсирующее пристрій.

Закрепление стола производится двумя гвинтами, действующими через стержни со скосом на клин.

Смазка направляючих салазок осуществляется от ручного насоса через маслораспределитель, в нишу которого необходимо залить 1 литр веретенного масла марки № 2.




Особливості органів керування столом фрезерного верстата 6Н13П

Рукоятка продольного ходу имеет три положения: "подача вправо", "подача влево" і "стоп".

Установка рукоятки продольного ходу в положение "стоп" дает вимкнення правой или левой подачі, правого или левого швидкого ходу во всех случаях, независимо от налаштування верстата на автоматический цикл или ручное керування, за исключением случаев, когда для автоматичного перехода стола на обратный ход утопляется штифт, расцепляющий рычаги виключення кулачковой муфты продольного ходу.

Величина продольного ходу ограничена кулачком № 4 (останов левого ходу стола) і кулачком № 5 (останов правого ходу стола). Назначение кулачков (см. в табличке на переднем торце салазок) перерух кулачков по пазу, в процессе их установки, ограничено двумя гвинтами внутри паза. В случае, когда для автоматизации роботи необходимо остановить стол не в крайних точках его руху, рекомендуется ограничительные кулачки переставлять в необходимое положение.

Стол може настраиваться на напівавтоматический і ручной циклы роботи, для чего на дверке правого електрошафи необходимо поставить рукоятку в соответствующее положение: керування от кулачков" "включено или "выключено".

Как показывает практика роботи, на положение етой рукоятки не все потребители обращают должное внимание, что в некоторых случаях може привести к поломке верстата.

Когда верстат настроен на автоматическую работу, рукоятка продольного ходу дает только увімкнення или вимкнення механического ходу (за исключением случаев утопления штифта), тогда как все остальные руху получаются автоматически за счет кулачков. Таким образом, при включенном автоматическом цикле ни в коем случае нельзя пользоваться рукояткой продольного ходу в целях реверсирования или переключения з швидкого ходу на подачу.

При работе на автоматическом цикле верстат должен быть тщательно настроен на соответствующий цикл з установкой необходимых кулачков, в противном случае, в связи з отсутствием реверса, в рукоятке продольного ходу і возможностей несогласованности її положения з направлением руху, стол може выйти за ограничительные кулачки.

На верстатах чаще всего производятся роботи в условиях ручного керування, что соответствует положению переключателя на правой дверке електроустаткування "керування от кулачков выключено".

Для того, чтобы при етом положении схеми перейти на автоматическую работу, необходимо отключить верстат, включить переключатель на керування от кулачков, подключить верстат к сети і після етого начать налаштування верстата на автоматический цикл роботи.

Кнопочная станція, расположенная з передньої правой стороны салазок, состоит из кнопок "стоп", "шпиндель", "быстро". Кнопка "стоп" дает відключення всех движений в станке.

Если рукоятки механических подач (поздовжньої, поперечної или вертикальной) стоят не в нулевом положении, то з включением кнопки "шпиндель" одновременно включается соответствующая подача.

Для отключения шпинделя при пуске подачі, что може понадобиться при наладке верстата на автоматическую і другие роботи, необходимо рукоятку увімкнення шпинделя на дверке електрошафи поставить в среднее нулевое положение, в отличие от других двух положений: "шпиндель вправо" і "шпиндель влево". Кнопка "быстро" включает быстрый ход стола, салазок или консоли при условии, если соответствующие рукоятки включены в нужном направлении, если же рукоятки подач (поздовжньої, поперечної і вертикальной) находятся в нулевом (среднем) положении, — увімкнення швидкого ходу не происходит. Кнопка "быстро" работает только при наличии нажатия на нее, при снятии нажима быстрый ход отключается.

В условиях автоматичного цикла нажатие кнопки "быстрый ход" при движении подачі увімкнення швидкого ходу не дает, если же в дальнейшем автоматически включается быстрый ход от кулачков, нажатие кнопки "быстро" никакого дії также не производит.

Две рукоятки зажиму на консоли дают возможность увеличить жесткость салазок при тяжелом силовом режиме на предельной подаче. Пользоваться етими рукоятками приходится редко, так как при обычных условиях вполне достаточна жесткость салазок без зажима. Включать поперечний ход при поджатых рукоятках зажиму салазок нельзя: механізм подачі будет работать в таком случае под большой перегрузкой.

Охлаждение фрезерного верстата 6Н13П

Резервуар з охлаждающей жидкостью находится в основании верстата. Электронасосом, смонтированным сзади верстата, охлаждающая жидкость подается через трубы в резиновый шланг, на кінці которого находится кран і наконечник. Краном регулируется количество подаваемой охлаждающей жидкости. При работе верстата без охлаждения насос отключается соответствующим выключателем, находящимся на крышке електрошафи з правой стороны верстата.

Кулачки, применяемые в станке для автоматизации движений продольного ходу

Остановка правого і левого ходов стола, согласно табличке, помещенной на крышке спереди салазок, производится соответствующими кулачками № 4 і № 5, воздействующими на выступы рукоятки переключения продольного xoда.

Эти два кулачка никогда не должны сниматься со верстата, так как они ограничивают ход стола.

Переключення з подачі на быстрый ход или з швидкого ходу на подачу, согласно таблице, производится кулачком № 1, воздействующим на звездочку швидкого "хода".

Наличие 4-х типов кулачков в необходимом количестве позволяет настраивать верстат на ниженаступні циклы:

Указанный цикл при желании може быть установлен в левую сторону.

В случаях длительной остановки верстата (на период свыше 10 мин.) необходимо нажать кнопку "стоп" для отключения тока. При налаштуванні верстата на автоматический цикл надо мати в виду следующее:

При налаштуванні верстата на автоматические циклы необходимо пользоваться прилагаемой: схемой "Налаштування на автоматический цикл".

Работа фрикционного вала

Фрикционный вал передает полученные обороты подач і швидкого ходу в консоль, находясь в сцеплении з шестерней вала VII консоли.

При демонтаже і монтаже необходимо проверять затяжку гаек, так как наличие зазору между торцами втулок може привести к проскальзыванию і заеданию втулок на валу, а, также, к недопустимому нагреву иголок предохранительной муфты. Конструкція вала обеспечивает возможность удобного демонтажу і монтажа фрикционной і предохранительной муфт.

Предохранительная муфта фрикционного вала

При перегрузке механізма подач двенадцать шариков, находящихся в контакте з отверстиями фланцевой кулачковой втулки, сжимают пружины і выходят из контакта з отверстиями фланца, вследствие чего шестерня 40x2,5 начинает проскальзывать относительно фланцевой кулачковой втулки, і рабочая подача прекращается.

В осевом направлении предохранительная муфта стянута гайкой і зафиксирована замковой шайбой. Кольцо, застопоренное штифтом на хвостовике фланцевой втулки, устраняет скольжение по торцу нажимной гайки в периоды срабатывания предохранительной муфты и, таким образом, ликвидирует случаи свертывания гайки і поломки.

При регулировке предохранительной муфты снимается крышка фрікциону. Стальной стержень вставляется в одно из отверстий, засверленных на наружной поверхности гайки и, таким образом, стопорит ее.

Правой рукой через окно крышки фрікциону подвертывается за зубья шестерня. Регулювання считается правильной, если при цилиндрическом встречном фрезеровании з диаметром фрезы 110 мм і числом зубьев 8, удается фрезеровать сталь 45 при ширине фрезерування 100 мм, глубине фрезерування 12 мм; з числом оборотів 47,5 в минуту і подачей 118 мм/мин. При етом режиме муфта должна периодически прощелкивать, і дальнейшая подтяжка її не нужна.

Округленно (с запасом) можно рекомендовать регулировку муфты на крутящий момент 1600 кг/см.




6Н13П Верстат консольно-фрезерный вертикальний підвищеної точності. Відеоролик.




Технічні характеристики консольного фрезерного верстата 6Н13П

Наименование параметра 6Н13П 6М13 6Р13 6Т13
Основні параметри верстата
Класс точності по ГОСТ 8-71 і ГОСТ 8-82 Н, П Н, П Н, П Н
Розміри поверхности стола, мм 400 х 1600 400 х 1600 400 х 1600 400 х 1600
Наибольшая масса обрабатываемой детали, кг 300 630
Расстояние от торца шпинделя до стола, мм 30..520 30..500 30..500 70..500
Расстояние от оси шпинделя до вертикальних направляючих станины (вылет), мм 450 450 420 460
Рабочий стол
Наибольший продольный ход стола от руки (по оси X), мм 900 800 1000 1000
Наибольший поперечний ход стола от руки (по оси Y), мм 320 320 320 400
Наибольший вертикальний ход стола от руки (по оси Z), мм 420 420 420 430
Перемещение стола на одно деление лимба (продольное, поперечное, вертикальное), мм 0,05
Перемещение стола на один оборот лимба (продольное, поперечное/ вертикальное), мм 6/ 2
Пределы продольных подач стола (X), мм/мин 23,5..1180 25..1250 25..1250 12,5..1600
Пределы поперечных подач стола (Y), мм/мин 15,6..786 25..1250 25..1250 12,5..1600
Пределы вертикальних подач стола (Z), мм/мин 7,85..393 8,3..416,6 8,3..416,6 4,1..530
Количество подач продольных/ поперечных/ вертикальних 18 18 18 22
Скорость быстрых продольных перемещений стола (по оси X), м/мин 2,3 3 3 4
Скорость быстрых поперечных перемещений стола (по оси Y), м/мин 1,540 3 3 4
Скорость быстрых вертикальних перемещений стола (по оси Z), м/мин 0,77 1 1 1,33
Шпиндель
Частота обертання шпинделя, об/мин 30..1500 31,5..1600 31,5..1600 31,5..1600
Количество швидкостей шпинделя 18 18 18 18
Перемещение пиноли шпинделя, мм 85 85 80 80
Перемещение пиноли шпинделя на одно деление лимба, мм 0,05 0,05 0,05 0,05
Конус фрезерного шпинделя №3 ГОСТ 836-47 №3 ГОСТ 836-62 №3 ГОСТ 836-62
Кінець шпинделя ГОСТ 24644-81, ряд 4, виконання 6
Отверстие фрезерного шпинделя, мм 29 29
Диаметр оправок, мм 32, 50
Диаметр переднего підшипника, мм 100
Поворот шпиндельной головки вправо і влево, град ±45 ±45 ±45 ±45
Механіка верстата
Выключающие упоры подачі (поздовжньої, поперечної, вертикальной) Есть Есть Есть Есть
Блокировка ручной і механической подач (поздовжньої, поперечної, вертикальной) Есть Есть Есть Есть
Блокировка раздельного увімкнення подач Есть Есть Есть Есть
Торможение шпинделя Есть Есть Есть Есть
Предохранительная муфта от перегрузок Есть Есть Есть Есть
Автоматическая прерывистая подача Есть Есть Есть (продольная) Есть
Електроустаткування, привод
Количество електродвигателей на станке 3 3 3 4
Електродвигун приводу головного руху, кВт 10 10 10 11
Електродвигун приводу подач, кВт 2,8 3,0 3,0 3,0
Електродвигун зажиму инструмента, кВт нет нет нет 0,25
Електродвигун насоса охлаждающей жидкости, кВт 0,125 0,125 0,125 0,12
Суммарная мощность всех електродвигателей, кВт 12,925 13,125 14,37
Габарит і масса верстата
Габарити верстата (длина ширина высота), мм 2575 х 1870 х 2250 2565 х 2135 х 2235 2560 х 2260 х 2120 2570 х 2252 х 2430
Масса верстата, кг 4250 3120 4200 4300

    Список литературы:

  1. Вертикальные консольно-фрезерные верстати з поворотной головкой 6Н13П, 6Н13ПБ. Паспорт верстата, 1955
  2. Вертикальный консольно-фрезерный верстат 6Н12. Руководство по уходу і обслуговування, 1952
  3. Консольный вертикально-фрезерный верстат з поворотной головкой 6Н13П. Короткий описани і инструкция по експлуатации, 1965
  4. Горизонтально-фрезерный верстат 6Н82, 6Н82Г. Руководство, 1959
  5. Каталог-справочник сменяемых деталей консольно-фрезерных верстатів 6Н82, 6Н82Г, 6Н12, Тула, 1973

  6. Аврутин С.В. Основы фрезерного дела, 1962
  7. Аврутин С.В. Фрезерне дело, 1963
  8. Ачеркан Н.С. Металлорежущие верстати, Том 1, 1965
  9. Барбашов Ф.А. Фрезерне дело 1973
  10. Барбашов Ф.А. Фрезерные роботи (Профтехобразование), 1986
  11. Блюмберг В.А. Справочник фрезеровщика, 1984
  12. Григорьев С.П. Практика координатно-расточных і фрезерных работ, 1980
  13. Копылов Работа на фрезерных верстатах,1971
  14. Косовский В.Л. Справочник молодого фрезеровщика, 1992
  15. Кувшинский В.В. Фрезерование,1977
  16. Ничков А.Г. Фрезерные верстати (Библиотека станочника), 1977
  17. Пикус М.Ю. Справочник слесаря по ремонту металлорежущих верстатів, 1987
  18. Плотицын В.Г. Расчёты настроек і наладок фрезерных верстатів, 1969
  19. Плотицын В.Г. Наладка фрезерных верстатів,1975
  20. Рябов С.А. Современные фрезерные верстати і их оснастка, 2006
  21. Схиртладзе А.Г., Новиков В.Ю. Технологическое обладнання машиностроительных производств, 1980
  22. Тепинкичиев В.К. Металлорежущие верстати, 1973
  23. Чернов Н.Н. Металлорежущие верстати, 1988
  24. Френкель С.Ш. Справочник молодого фрезеровщика (3-е изд.) (Профтехобразование), 1978








Заказать

Кто владеет информацией - тот владеет миром.

Натан Ротшильд