Виробник токарного верстата з ЧПУ 16А20Ф3 – Московський верстатобудівний завод "Червоний пролетарій" ім. А.І. Єфремова , заснований у 1857 році.
Токарний верстат 16А20Ф3 призначений для токарної обробки зовнішніх (діаметром до 400 мм) та внутрішніх поверхонь деталей (довжиною до 1000 мм) зі східчастиним та криволінійним профілем в осьовому перерізі у замкнутому напівавтоматичному циклі.
Токарний верстат 16А20Ф3 сконструйований на базі токарно-гвинторізного верстата 16К20Ф3 тому компонування, складові частинини і руху у цих верстатів однакові. Багато в чому уніфіковано конструкцію верстатів.
Пристрій ЧПУ верстата 16А20Ф3 (верстат може оснащуватися різними типами систем ЧПУ: розімкнутими, замкнутими, СNС) забезпечує рух формоутворення (кількість одночасно керованих координат дорівнює двом), зміна значень подач, перемикання частот обертання шпинделя, індексацію різцевої головки і нарізання різьби.
Верстати можуть випускатися з різними пристроями ЧПУ (УЧПУ), у виконанні для вбудовування у гнучкі виробничі модулі (ГПМ), а також у спеціальному та спеціалізованому виконанні при оснащенні налагодженнями за погодженням із замовником.
Верстати 16А20Ф3 можуть комплектуватися знімними інструментальними головками з 6, 8 та 12 - позиційними різцетримачами з горизонтальною віссю повороту.
Особливості конструкції:
Область застосування: Дрібносерійне серійне виробництво.
Клас точності П згідно з ГОСТ 8-82.
Вид кліматичного виконання за ГОСТ15150-69: УХЛ4.
Позначення в залежності від оснащення УЧПУ Верстат токарний патронно-центровий з ЧПУ мод. 16А20Ф3СХХ, де XX - прийнятий на заводі додатковий індекс, наприклад 15 - УЧПУ МС2101, 32-УЧПУ 2Р22, 39 - "Електроніка НЦ-31" і т.д.
Наприклад:
Залежно від замовлення верстати поставляються з основою під транспортер стружковидалення та комплектуються транспортером або з основою без вікна для транспортера стружковидалення та не комплектуються транспортером.

Фото токарного верстата з ЧПУ 16а20ф3

Фото токарного верстата з ЧПУ 16а20ф3

Фото токарного верстата з ЧПУ 16а20ф3

Фото токарного верстата з ЧПУ 16а20ф3

Розташування основних вузлів верстата 16а20ф3

Розташування основних вузлів верстата 16а20ф3
| # | Позначення | Позначення | ||
|---|---|---|---|---|
| 16A20F3C15 | 16A20F3C32 | 16A20F3S39 | ||
| 1 | Підстава з транспортером стружковидалення | 16K20F.013000.000 | ||
| 2 | Станина | 16K20T1.010000.000 | ||
| 3 | Супортна група | 16K20T1.054000.000 | ||
| 4 | Передача ВГК поздовжнього переміщення | 16K20T1.159000.000 | ||
| 5 | Опора ліва ггвинта поздовжнього переміщення | 16K20T1.072000.000 | ||
| 6 | Патрон механізований з електромеханічним приводом | 16K20F.092000.000 | ||
| 7 | Огородження нерухоме | 16A20F3.268000.000 | ||
| 8 | Огородження рухоме | 16A20F3.265000.000 | ||
| 9 | Бабка шпиндельна | 16A20F3.025000.000 | ||
| 10 | Шафа керування для верстата | 16А20ФЗ 180000 | 16A20F3.447000 | 16А20ФЗ 192000 |
| 11 | Головка автоматична 8-ти позиційна | УГ9326.000000 | ||
| 12 | Огородження супортної групи | 16A20F3.267000.000 | ||
| 13 | Бабка задня | 16A20F3.035000.000 | ||
| 14 | Електромеханічний привід пінолі задньої бабки | 16A20F3.037000.000 | ||
| 15 | Розведення комунікацій | 16A20F3.112000.000 | ||
| 16 | Пульт керування верстатом | 16A20F3.513000 | 16A20F3.510000 | 16A20F3.509000 |
| 17 | Кронштейн пульта керування | 16A20F3.511000.000 | ||
| 18 | Опора права поздовжнього переміщення | 16K20T1.073000.000 | ||
| 19 | Станція мастила шпиндельної бабки | 16K20T1.241000.000 | ||
| 20 | Установка моторна | 16K20T1.157000.000 | ||
| 21 | Огородження задньої зони | |||
| 22 | Привід поперечного переміщення | 16K20Tl.486000.000 | ||
| 23 | Передача ВГК поперечного переміщення | 16K20T1.158000.000 | ||
| 24 | Короб у складі вузла | 16A20F3.447000.000 | ||

Розташування органів керування токарним верстатом 16а20ф3
Електроустаткування включає:
Технічні характеристики УЧПУ, датчиков, електродвигателей см. 16А20Ф3.РЭ раздел 2.
Електроустаткування верстата выполнено в соответствии з требованиями ГОСТ 12.2.009-80 і ГОСТ 7599-82 і соответствии схем:
Cклад основного електроустаткування указан в перечнях елементів 16А20Ф3С39.ПЭ3 і 16A20Ф3.192501.000 ПЭ3 Блок керування.
Електроустаткування верстата работает от сети трехфазного переменного тока з напряжением 380B +10% -15% і частотой 50Гц ± 2% з глухозаземленной нейтралью.
На станке используется переменный і постоянный ток со следующими параметрами:
К обслуговування електроустаткування верстата допускаются лица, прошедшие спеціальний технический инструктаж, изучившие работу електроустаткування верстата.
Перед установкой верстата необходимо проверить комплектность електроустаткування, произвести его внешний осмотр.
Проверить затяжку винтов (крепежных і контактных) і закрепить соединения, ослабленные при транспортировке. Особое внимание обратить на контактные винты проводов заземления.
Выполнить монтаж електроустаткування согласно п.9.
Ввод питающих проводов в шкаф керування выполняется заказчиком через вводное отверстие (фланец з Ду=3/4") на крыше шкафа.
Сечение медных проводов живлення і защитного заземления, подключаемых заказчиком к вводному клеммнику XT150 равны 10 мм2.
Заземление верстата выполнить согласно требованиям "Правил устройств електроустановок".
Подключить верстат к цеховой питающей сети.
При первоначальном пуске необходимо:
На пульті верстата переключатель SAG "Охлаждение" установить в положение "Включено".
На пульті оператора УЧПУ ввести команды для увімкнення отработки функций М08. При выходе команды з УЧПУ срабатывает електроавтоматика верстата в следующей післядовательности: блок керування A3, пускатель KM10, електродвигатель М9 (насос охлаждения). Правильность роботи насоса охлаждения проверяется наличием потока СОЖ.
При отсутствии потока, проверить наличие выхода сигнала М08 из УЧПУ, правильность срабатывания ланцюгів електроавтоматики і направление обертання електродвигуна.
Електродвигун змазки направляючих включается автоматически при подаче живлення на верстат. Цикл змазки направляючих - время змазки 3 сек., время паузы 45 минут - задается УЧПУ.
При выдаче команды з УЧПУ срабатывает електроавтоматика верстата в следующей післядовательности: блок керування A3, пускатель KM11, електродвигатель M10. Правильность роботи системы змазки проверяется наличием масла в соответствующих точках (см. 16А20Ф3 РЭ) верстата.
При отсутствии масла в етих точках, проверить правильность срабатывания ланцюгів електроавтоматики і направление обертання електродвигуна.
В станке предусмотрен толчковый режим змазки направляючих от кнопки SB7, действующей в любом режиме роботи верстата.
На пульті верстата переключатель SАЗ "Работа з зажимными електромеханическими пристроями" установить в соответствующее положение.
Керування кулачками патрона осуществляется педалью SA4. Прохождение команды от педали возможно только при отключенном шпинделе.
Команды от педали проходят через електроавтоматику верстата в следующей післядовательности:
Правильность роботи кулачков патрона определяется переміщенням в нужном направлении кулачков. Контроль зусилля зажиму кулачков контролируется конечным выключателем SQ12, установленным в електромеханической головке.
При отсутствии переміщення кулачков патрона проверить неисправность в цепях електроавтоматики і работу електродвигуна, проверить соответствие руху кулачков по нажатию педали в выбранном направлении.
На пульті верстата переключатель SA3 "Работа з зажимными електромеханическими пристроями" установить в соответствующее положение.
Подвод і отвод пиноли осуществляется педалью SA5. Прохождение команды от педали возможно только при отключенном шпинделе.
Команды от педали проходят через електроавтоматику верстата в следующей післядовательности:
Правильность роботи пиноли определяется переміщенням пиноли в нужном направлении. Контроль зусилля поджима пиноли контролируется микропереключателем SQ13, установленным в електромеханической головке.
При отсутствии переміщення пиноли проверить неисправность в цепях електроавтоматики і работу електродвигуна, проверить соответствие руху пиноли по нажатию педали в выбранном направлении.
Цикл роботи змазки непрерывный. При подаче живлення на верстат, блок керування A3 выдает команду в електроавтоматику верстата в следующей післядовательности: пускатель КМ2, електродвигатель М11.
Правильность роботи системы змазки проверяется по вращению турбинки со стрелкой в "Глазке" шпиндельной бабки. При отсутствии масла в шпиндельной бабке проверить правильность срабатывания ланцюгів електроавтоматики і направление обертання електродвигуна.
На пульті оператора УЧПУ ввести необходимые команды для смены позиции резцедержки.
При выходе команды з УЧПУ, срабатывает електроавтоматика верстата в следующей післядовательности: блок керування A3, пускатель КМ4, електродвигатель М6. Происходит поворот резцедержки до заданной позиции. Контроль совпадения позиций осуществляет датчик положения SQ10, встроенный в резцедержку, сигнал от которого поступает в блок керування A3, где формируется команда на реверс і выдается в електроавтоматику верстата в следующей післядовательности: пускатель КМ5, електродвигатель М6. Окончание реверса і зажиму резцедержки контролируется микропереключателем SQ11 і токовым реле KA1, команда от которых поступает в блок керування A3 і далее в УЧПУ.
Если різцетримка не поворачивается, то необходимо проверить наличие выходных сигналов з УЧПУ, правильность срабатывания ланцюгів електроавтоматики.
Перед проверкой роботи приводов подач установить кулачки для воздействия на конечные выключатели ограничения ходу і аварийного отключения каретки SQ4, SQ5,суппорта SQ3
ВНИМАНИЕ!
Запрещается задавать переміщення суппорта, каретки при отсутствии кулачков, во избежании поломки инструмента или верстата.
Включить приводу нажатием кнопки SB5.1, після чего должна загореться лампа встроенная в кнопку.
В процессе роботи необходимо:
В случае отсутствия переміщення, проверить ланцюги електроавтоматики, работу електропривода, руководствуясь техдокументацией на електропривод.
Перед проверкой головного привода, проконтролировать срабатывание микропереключателей SQ7, SQ8 диапазона частоти обертання шпинделя.
При совпадении заданного от УЧПУ диапазона з выбранным от микропереключателей логическая часть схеми електроавтоматики разрешает включить вращение шпинделя. При несовпадении - следует проверить правильность срабатывания ланцюгів електроавтоматики і правильность установки кулачка диапазона.
На пульті оператора УЧПУ, ввести необходимые команды обертання шпинделя. Порядок ввода информации і її отработка, изложены в "Инструкции по експлуатации УЧПУ" і "Инструкции по программированию" 16А20Ф3С39.ИП. Для правильного пуска головного привода, необходимо ознакомиться з техдокументацией на електропривод. В станке керування приводом головного руху, осуществляется при помощи регулируемого електропривода.
При выдаче з УЧПУ команд о направлении обертання і величине скорости шпинделя, через преобразователь електроприводу включаются соответствующие направление і скорость обертання двигуна.
При отсутствии обертання приводу головного руху, провер1ть соответствующие ланцюги електроавтоматики і работу електропривода, руководствуясь техдокументацией на привод.
На станке предусмотрен толчковый режим роботи шпинделя от кнопки SB3. Данный режим срабатывает только при отсутствии команд от УЧПУ на вращение шпинделя і выполняется після окончания торможения.
На станке имеется возможность останова шпинделя переключателем SA1. При возвращении переключателя в первоначальное положение, вращение восстанавливается. При резьбонарезании контроль синхронности обертання двигуна головного руху і скорости переміщення по координатам, контролируется датчиком резьбонарізання BV2.
После окончания проверки всех функциональных вузлів верстата, можно приступить к работе верстата в покадровом і автоматическом режимах.
Для виключення верстата необходимо рукоятку приводу вводного выключателя QF1, установить в положение "Выключение".
При етом следует учитывать, что в соответствии з "Инструкцией по експлуатации" УЧПУ (0.170.000 ИЭ) подзарядку аккумуляторов нужно производить 1 раз в 5 суток.
Для роботи транспортера со верстата подаются напряжения:
Керування транспортером производится от органів керування, расположенных на шкафу керування транспортером.
Работа транспортера описана в техдокументации на транспортер.

Блок керування токарного верстата 16А20ф3С39
Блок керування токарного верстата 16А20ф3С39. Дивитись у збільшеному масштабі
При изучении роботи блока керування (в дальнейшем - БУ) 16A20Ф3.192501.000 необходимо дополнительно пользоваться схемой принципиальной електрической 16А20Ф3С39.ЭЗ (верстат токарний программный з оперативной системой керування).
Блок керування собран на интегральных микросхемах серии K511, предназначенной для роботи в пристроях промышленной електроавтоматики в условиях сильных електрических помех.
Через разъем X1 на БУ поступает информация от УШУ, которая контролируется по светодиодам HL1..HL12.
Резисторы R1..S12, R25, R41 служат нагрузкой для выходных оптронов УЧПУ.
Через разъем Х2 на УЧПУ поступает информация со верстата. Сигналы от микросхем на УЧПУ подаются через оптроны V3, V6..V8, V11..V13 і контролируются по светодиодам HL13, HL15..HL18, HL20.
Сигнал от УЧПУ "Готовность ЧПУ" уровнем логической 1 сбрасывает триггеры резцедержки (D18.1..D17.3), головного приводу (D29.2..D31.3), смазочно-охлаждающей жидкости (СОЖ) (D15.3..D16.3), блокирует импульсный сигнал от УЧПУ "Импульс змазки" і сигнал увімкнення приводов подач (светодиоды HL14 і HL19 погашены), а также через микросхему D22.2 размыкает герконовое реле К5.
Сигнал "Готовность ЧПУ" уровнем логического О снимает блокировку з сигнала "Импульс змазки", переводит в проводящее состояние оптроны V5 і V2 (светодиоды HL14 і HL19 загораются після срабатывания пускачів КV5 і КV1 соответственно) і замыкает герконовое реле К5. Геркон К5 управляет пускателем КМ2, который включает двигатель змазки шпиндельной бабки.
После появления сигнала "Готовность ЧПУ" уровнем лог.О з УЧПУ подается импульсный сигнал "Импульс змазки" который замыкает герконовое реле K1. Геркон K1 управляет пускателем KM11, который включает двигатель змазки направляючих. Длительность і период повторения сигнала "Импульс змазки" определяется параметрами УЧПУ (параметри N20T і N21T). Увімкнення двигуна змазки направляючих возможно также через вход Х6:В22 ("Толчок змазки направляючих") от кнопки на станке.
На рис.1. приведена диаграмма выдачи информации от УЧПУ на БУ.

Диаграмма выдачи информации з ЧПУ на БУ
Диаграмма выдачи информации з ЧПУ на БУ. Дивитись у збільшеному масштабі
Цикл обращения к БУ начинается з установки в лог. "0" сигнала БСМ или БСТ. После етого в течение часу ±1 ответный сигнал на УЧПУ РВК (разрешение ввода кадра) должен установиться в лог."0" Если етого не будет, то на етом цикл обращения к БУ прекращается і УЧПУ выдает сообщение об ошибке. Через время ±1 (величина ±l определяется параметром N21S) УЧПУ устанавливает восьмиразрядный двоично-десятичный код на шинах данных. Затем устанавливается в лог. "0" сигнал от УЧПУ "Считывание". Через время ±2 сигнал БСМ (БСТ) устанавливается в состояние лог. "1". Через следующий временной интервал (величина ±2 определяется параметром N19M) сигнал "Считывание" устанавливается в состояние лог. "1". Код на шинах данных снимается після того, как сигнал РВК установится в состояние лог. "1". Если сигнал РВК не будет установлен в состояние лог. "1" після окончания интервала ±3, то УЧПУ снимает код з шин данных і выдает на ПО сообщение об ошибке (код ошибки XXXX1XX). Длительность интервала ±3 определяется параметром N29М.
В БУ передний фронт РВК формируется микросхемой D37, на входы которой подаются сигналы БСМ і БСТ. Светодиод HL17 светится, когда на УЧПУ выдается сигнал РВК уровнем лог. "1". Длительность сигнала РВК определяется временем срабатывания исполнительных устройств в станке і формируется схемами сравнения (D19.2..D19.4, D21.1..D21.3, D23.1..D23.3, D33.1..D33.3), триггером резцедержки (D17.3..D18.1). Если подаваемая от УЧПУ М-команда не отрабатывается на станке, то длительность сигнала РВК равна длительности сигнала БСМ.
В БУ дешифрируются наступні команды:
На микросхеме D3 дешифрируются четыре старших разряда кода команды. На микросхемах D5, D6.1, D7 дешифрируются сигналы з микросхеми D3 і буквенные подадреса (БСМ, БСТ). Этими сигналами стробируются по выводу живлення дешифраторы D8..D12. На входы D8..D12 подаются четыре младших разряда кода команды. Дешифрированный сигнал з выхода D8..D12 уровнем лог. "О" подается на соответствующий триггер. Ложные импульсы на выходах дешифраторов D8..D12, возникающих во время переходных процессов при стробировании дешифраторов, блокируются конденсаторами C1..C8.
М – команды,по которым производится керування пристроями верстата запоминаются в БУ, по остальным М - командам в УЧПУ выдается только ответный сигнал РВК.
Алгоритм роботи БУ построен таким образом, что прежде чем будут отработаны любые М (Т) - команда триггеры диапазонов ( D15.1..D16.1, D15.2..D16.2) должны быть установлены одной из команд М38, М39, М40 в состояние соответствующее выбранному положению редуктора шпиндельной бабки. Контроль положения редуктора осуществляется через входы БУ "Контакт Д1" і "Контакт Д2".
На логических елементах D19.2..D19.4 і D21.1..D21.3 собраны схеми выполняющие лог. функцию сложение по модулю два. На выходах етих схем устанавливается уровень лог. "1" в том случае, если на входы поступают сигналы одинакового лог. уровня. Уровнем лог. "О" блокируется сигнал РВК.
В таблице 1 приведены состояния триггеров диапазонов після отработки команд контроля положения редуктора шпиндельной бабки.
Таблиця 1
Команды М38, М39 дешифрируются микросхемой D9, а команда М40 - микросхемой D10.
Команда М8 дешифрируется микросхемой D8/8 і запоминается на триггере СОЖ (D15.3..D16.3). С выхода триггера СОЖ сигнал через елемент D16.4 поступает на елемент D22.1, который нагружен на обмотку герконового реле К2. Геркон К2 вызывает срабатывание пускателя KM10. На входы схеми сравнения (D23.1.. D23.3) подаются сигналы з лог. елемента D22.1 и, через вход "Ответ М8", з контактов пускателя KM10. Увімкнення двигуна СОЖ возможно также от кнопки на станке через вход "Толчок охлаждения".
Сигнал з триггера СОЖ може быть заблокирован з помощью лог. елемента D16.4 через вход "Стоп шпинделя" от кнопки на станке.
Команды М3, М4 дешифрируются микросхемой D8 і запоминаются на триггере головного приводу (D31.3..D29.2). С выхода триггера головного приводу сигнал через триггер ограждения (D 29.3..D38.2) поступает на елемент D35.1, который нагружен на обмотку герконового реле К6. Геркон К6 управляет пускателем КV1. После срабатывания КV1 загорается светодиод HL19. На входы схеми сравнения (D33.1..D33.3) подаются сигналы з елемента D35.1 и, через вход "Ответ М3, М4" з контактов пускателя КV1.
Сигнал з триггера головного приводу може быть заблокирован от кнопки на станке через вход "Стоп шпинделя". Сигнал "Стоп шпинделя" без задержки подается на вход УЧПУ "Блокировка головного привода" (светодиод HL16 гаснет). По етому сигналу УЧПУ задает на привід нулевую скорость. Чтобы обеспечить торможение шпинделя електрическим полем, сигнал "Стоп шпинделя" задерживается на ЕС - цепочке. Величина задержки определяется временем разряда конденсатора C15 через резистор R76. После етого блокируется сигнал з триггера головного привода. К етому моменту на входе "Nф = Nз" появляется сигнал, который поддерживает пускатель КV1 включенным до тех пор пока шпиндель не остановится. Сигнал "Nф = Nз" (заданная скорость равна фактической) поступает из приводу нормально разомкнутыми контактами. Сигнал "Готовность привода" блокирует сигнал "Nф = Nз" при неисправности приводов.
Через елемент D35.2 подключается индикаторная лампа, установленная на пульті керування верстатом. Постоянное свечение лампы свидетельствует о том, что главный привід включен.
Триггер ограждения (D29.3..D38.2) блокирован во всех режимах роботи УЧПУ кроме автоматичного, поетому на отработку команд К3, М4 не влияет.
При автоматическом режиме роботи УЧПУ на входе "Автоматический режим" устанавливается сигнал уровнем лог. "0". При етом снимается блокировка з триггера ограждения і з сигнала контроля положения ограждения на входе "Ограждение".
При подключении переключателя режима контроля ограждения ко входу БУ "Режим налагодження" возможны два режима контроля ограждения.
Для роботи з роботом в етом режиме на разъеме Х7 предусмотрен вход "Блокировка ограждения". Т.к. УЧПУ при совместной работе з роботом всегда работает в автоматическом режиме, то прежде чем робот откроет ограждение, он должен подать сигнал блокировки ограждения (уровнем лог. "О").
В данном варіанті верстата переключатель режима контроля ограждения подключен параллельно конечнику ограждения, поетому первый режим контроля ограждения не осуществляется.
Увімкнення приводу головного руху возможно через вход "Кнопка толчок шпинделя" от кнопки на станке. При етом на УЧПУ подается сигнал "Толчок шпинделя" для отработки программы толчковой кнопки. Для роботи з роботом аналогичный вход предусмотрен на разъеме Х7 - "Толчок шпинделя".
Сигнал "ПИВ" (приводу подач включены) уровнем лог. "1" подается з приводу після увімкнення приводов подач от кнопки на станке. Блокировка приводов подач осуществляется через вход "Стоп подачі" от переключателя на станке (при атом светодиод HL15 погашен).
Сигнал "Аварийный стоп" блокирует работу УЧПУ з приводами з помощью сигналов "Прерывание подачі" і "Блокировка глазного привода". Через выход "Увімкнення приводов подач" обеспечивается быстрое відключення приводов, что исключает неконтролируемое кратковременное рух по координатам X і Z в момент виключення верстата. Для обеспечения торможения шпинделя при выключении верстата по аварийной кнопке сигнал "Аварийный"стоп" поддерживает включенным пускатель КV1 пока не будет блокирован сигналом з приводу "ППВ" уровнем лог. "0"
Если в процессе роботи верстата УЧПУ снимет сигнал. "Готовность ЧПУ", то відключення приводов производится аналогично отработка сигнала "Аварийный стоп".
Команда М35 дешифрируется микросхемой D 9/10 і запоминается на триггере D24.1-D31.1. Одновременно з сигналом з микросхеми D 9/10 на вход етого триггера поступает сигнал сброса БСМ, но т.к. сигнал БСМ пропадает раньше сигнала з микросхеми D 9/10, то триггер запоминает команду М35. При подаче любой другой М - команды етот триггер будет сброшен. С выхода триггера сигнал подается на робот через выход "Запрос 1" і на УЧПУ через выход "Пуск ЧПУ" (при етом светодиод НL13 светится). Сигнал "Пуск ЧПУ" подается на вход УЧПУ "Флажок условного перехода по внешнему событию". В управляющей программе УЧПУ организуется циклический опрос етого входа.
Сигнал от робота через вход "Пуск верстата" (уровнем лог. "О") сбрасывает триггер D24.1..D31.1.
Команда М45 дешифрируется микросхемой D10/10 і запоминается на триггере D24.2..D31.2. С выхода триггера сигнал подается на робот через выход "запрос 2" і на УЧПУ через выход "Пуск ЧПУ". Сброс триггера осуществляется через вход "Пуск верстата".
Т - команды отрабатываются следующим образом:
При совпадении сигналов от УЧПУ "БСТ" і "Считывание" перебрасывается триггер D8.1 .. D17.3. Сигнал з триггера через логические елементы D19.1 і D20.2 замыкает герконовое реле К4 і сблокирует ответный сигнал РВК. Геркон К4 управляет пускателем КМ4, который включает двигатель резцедержки. Также сигнал з триггера включает через лог. елемент D7 один из дешифраторов D11 или D12. Код номера инструмента на входах етих дешифраторов должен сохраняться до завершения смены инструмента. Выходы дешифраторов через разъем Х4 подаются на герконовые датчики в резцедержке. По мере обертання резцедержки герконы поочередно подключают выходы дешифраторов ко входу "Совпадение позиции". Как только на входе "Совпадение позиции" будет подан дешифрированный сигнал уровнем лог. "0", прохождение сигнала через лог. елемент D19.1 блокируется і размыкается герконовое реле К4. Сигнал лог. "0" з выхода елемента D17.4 через елемент D20.1 замыкает герконовое реле К3. Геркон К3 управляет пускателем КМ5, который осуществляет реверс двигуна резцедержки. Когда механізм резцедержки встанет в рабочее положение, то з конечника будет подан через контакты токового реле KA1 сигнал лог. "0" на вход "Ответ Т". Обмотка токового реле KA1 включена в ланцюг обмотки двигуна резцедержки і срабатывает при достижении двигателем резцедержки определенного зусилля. Сигнал "Ответ Т" проходит через PC - цепочку, служащую для подавления импульсных помех.
При наличии сигнала на входе "Ответ Т" триггер D17.3..D18.1 сбрасывается і выключается дешифратор (D11 или D12). С выхода триггера через D37 на УЧПУ подается обменный сигнал РВК.
На елементах D26, D27, D28, D34 собран узел контроля зажиму пиноли і патрона. Входы "Установка счетчика пиноли" і "Установка счетчика патрона" служат для обнуления счетчиков D27 і D28. С выходов счетчиков информация передається на робот через выходы."Патрон зажат", "Пиноль зажата" і на УЧПУ через выход "Блокировка ПО" (светодиод HL18 погашен). При етом импульсы з генератора ( VT3, VT4) через елемент D35.2 подаются на индикаторную лампу на пульті керування верстатом.
Мигание етой лампы свидетельствует о том, что деталь не зажата пинолью или в патроне. Частота генератора около 1 Гц.
На входы "Пн.раб. " і "Пн.раб. " подаются парафазные импульсы з конечников при достижении двигателем пиноли определенного зусилля зажима. После поступления на счетчик D28 восьми импульсов его счетный вход блокируется, снимается сигнал блокировки пульта оператора і прекращается мигание индикаторной лампы.
Аналогично построен узел контроля зажиму детали в патроне.
С помощью входов "Блок контр.пн." і "Блок контр. пт." выбирается режим контроля зажиму детали только пинолью или в патроне, или одновременный контроль, что определяется переключателем на станке.
Питание микросхем осуществляется от стабилизатора з выходным напряжением 15B. Входное напряжение 27В подается на стабилизатор через резистор гашения от блока живлення УЧПУ "Электроника НЦ-31-02" БПС 18-1-1. Стабилизатор собран по схеме компенсационного типа на микросхеме А39 (КР142ЕН2Б). Стабилитроны VD8, VD9 служат для защиты от перенапряжения. Выходное напряжение устанавливается з помощью подстроечного резистора R115.
Для расширения возможности верстата через разъем Х7 выводятся все сигналы, поступающие от УЧПУ. К етому разъему возможно подключение пристроя аналогично данному БУ.
Для формирования сигнала РВК от зовнішнього пристроя предусмотрен вход "Выполнено". В частном случае через разъем Х7 подключается блок измерения для автоматичною привязки инструмента і блок связи з роботом.
Наладочный (ручной) режим предназначен для проверки і налаштування всех вузлів верстата, для уточнения режимов різання і размеров, получаемых на детали в результате обробки.
В етом режиме керування верстатом производится со станочного пульта керування і з пульта оператора УЧПУ, которые выполнены в одном корпусе, а также з панелі керування верстата.
Список органів керування пультов і панелі, их назначение і способы использования см. 16А20Ф3.РЭ раздел 7.
Порядок ввода программы в етих режимах изложен в технической документации на пристрій ЧПУ, инструкции по программированию (16А20Ф3С39.ИП) і инструкции по вводу параметров (16А20Ф3С39.ИП10).
В етом случае післядовательность роботи електроавтоматики определяется отработкой программы і схемой електрической принципиальной верстата.
В станке выполнены наступні блокировки:
Захист електроустаткування от коротких замыканий осуществляется автоматическими выключателями QF1, QF2 і предохранителями FU1...FU5.
Захист електродвигателей резцедержки, патрона, пиноли, охлаждения, змазки направляючих і шпиндельной бабки от перегрузок осуществляется тепловыми реле KK1...KK6.
Все металлические частини верстата (станина, корпуса електродвигателей, каркасы шкафов, пульт керування і т.д.), которые могут оказаться под напряжением выше 42В - заземлены. Схему заземления см. 16А20Ф3С39.Э4 л.6.
Для контроля наличия напряжения между любыми из трех линейных проводов і шиной заземления, служит светосигнальное пристрій Н1, установленное в шкафу 1. Это пристрій работает только при открытой двери шкафа і показывает включенное состояние вводного автоматичного выключателя QF1.
На пульті керування установлен сигнализатор заземления А26, который осуществляет контроль состояния изоляции проводов в цепях керування переменного тока НОВ. Одновременного горения двух тиратронов при подаче напряжения на верстат, показывает нормальное состояние ланцюгів керування. При подаче напряжения на приводу или увімкнення вспомогательного оборудования (різцетримка, смазка і т.п.) тиратроны могут гаснуть, что не говорит о нарушении ланцюги керування. Горение одного из тиратронов в любом состоянии верстата, сигнализирует о замыкании ланцюги керування на землю.
В станке выполнена следующая сигналізація:
Монтаж електроустаткування выполнен проводами со следующими цветами изоляции:

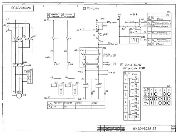
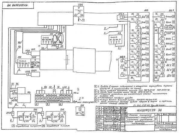
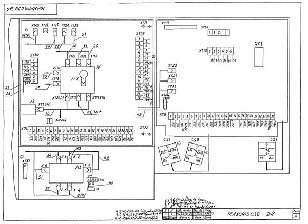
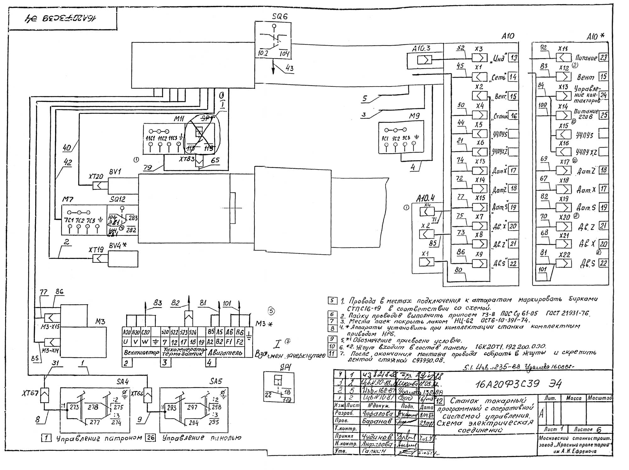
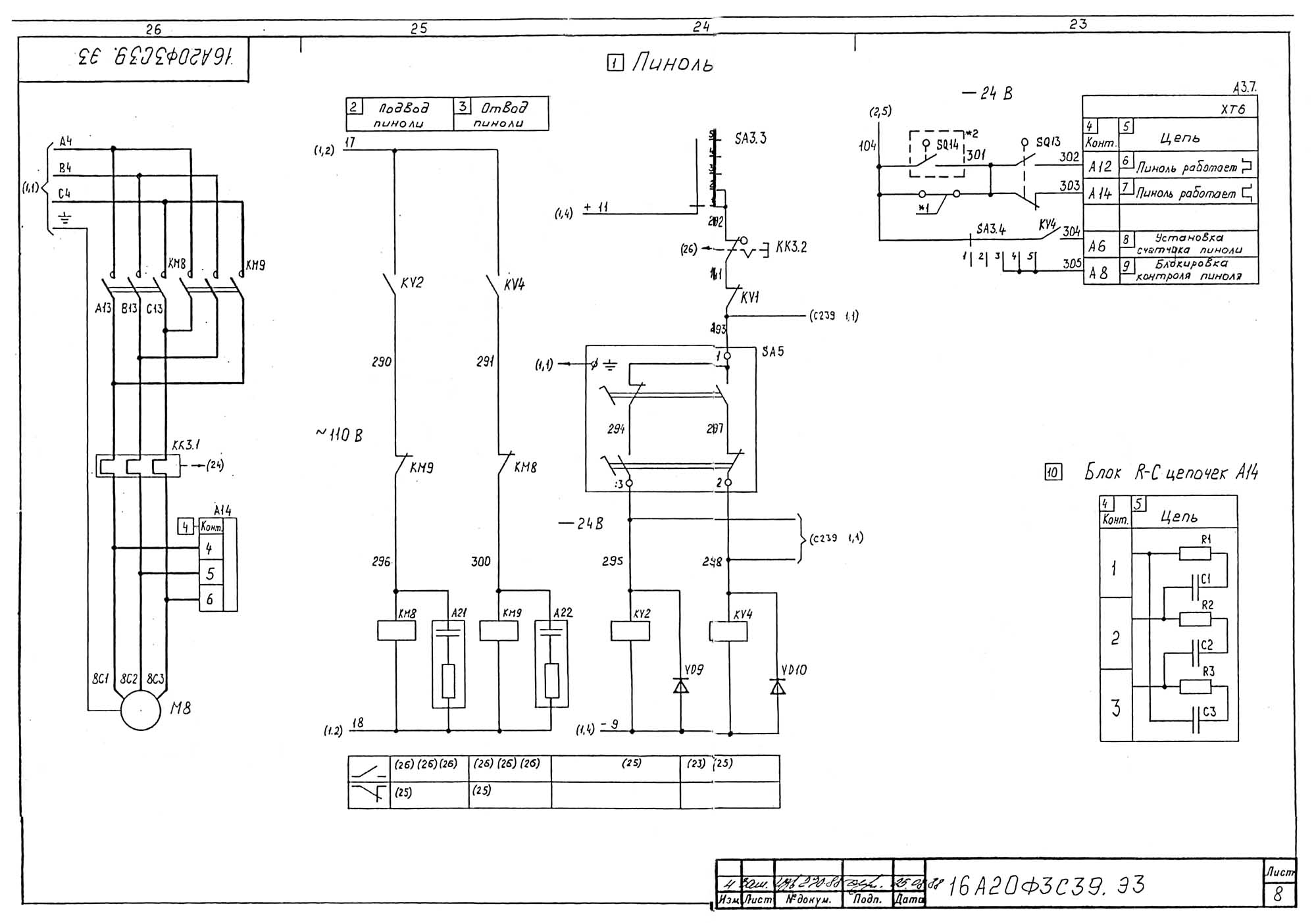
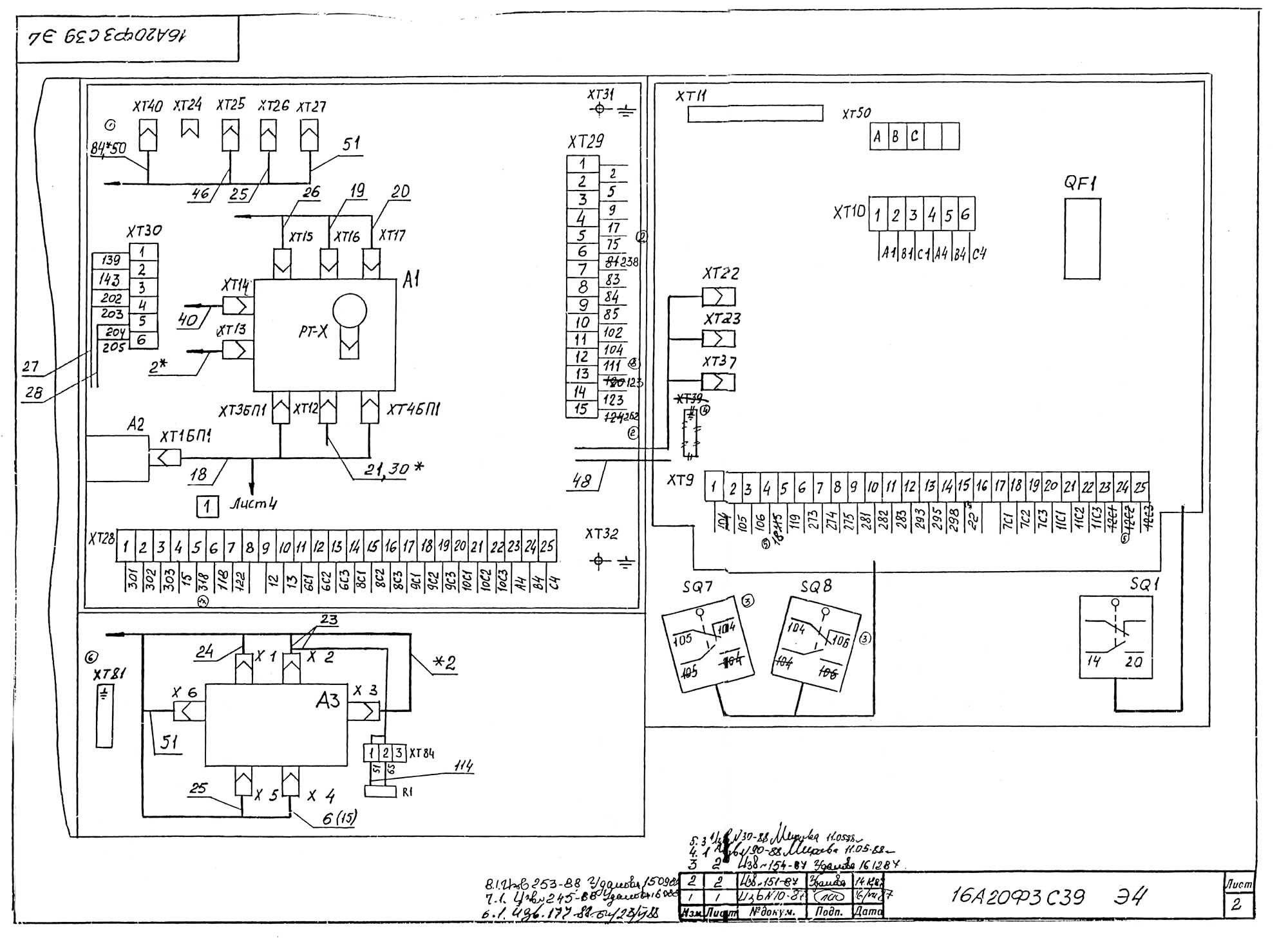
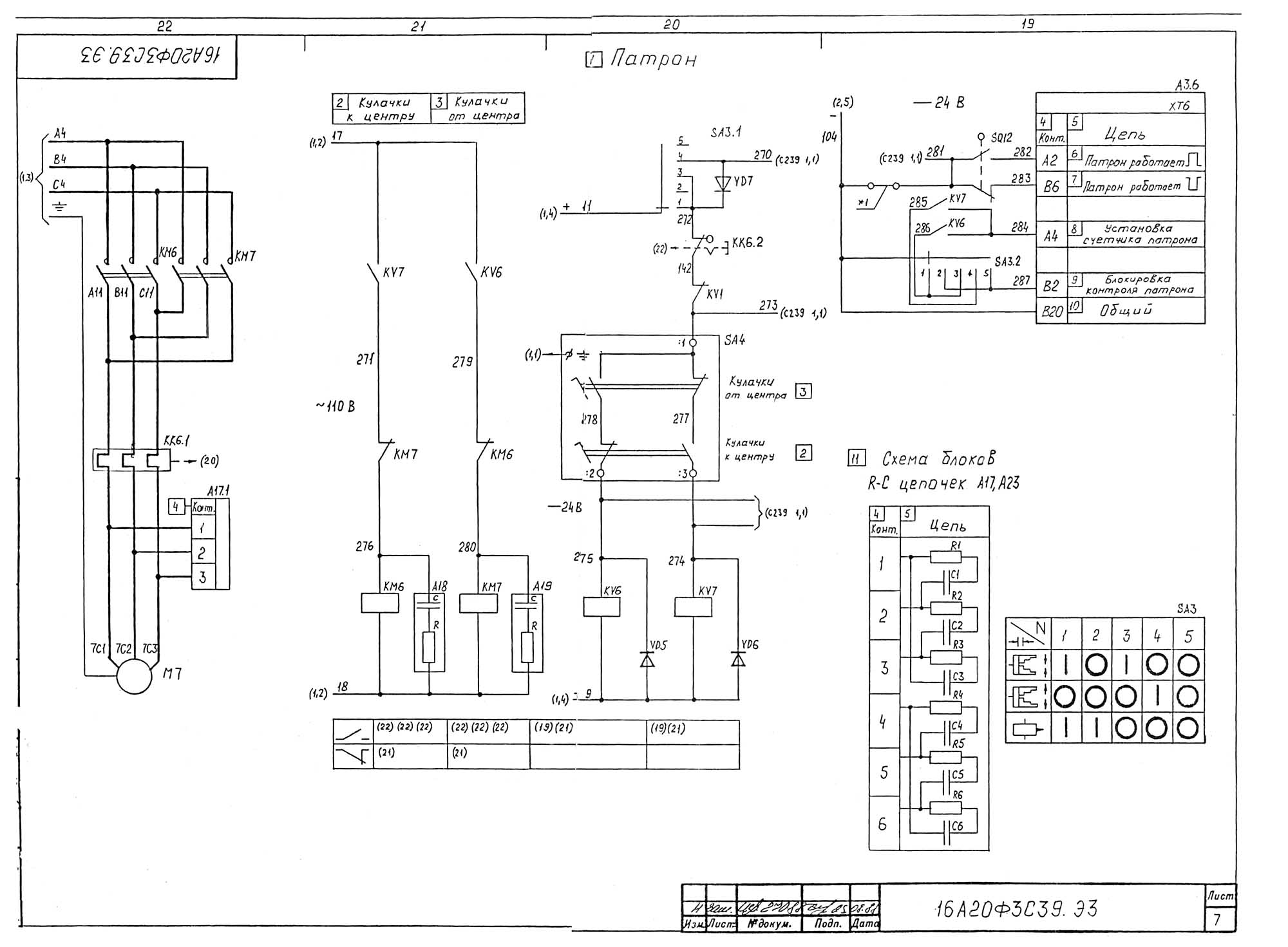
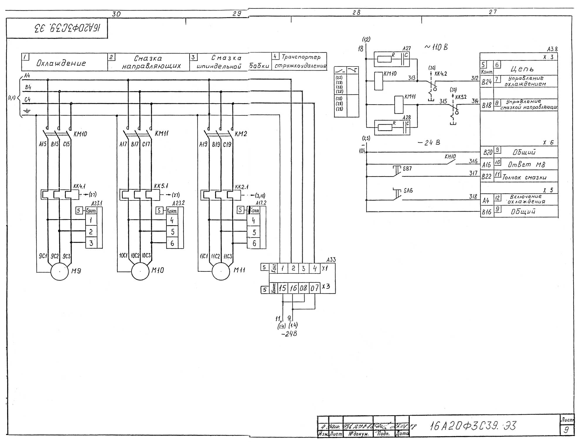
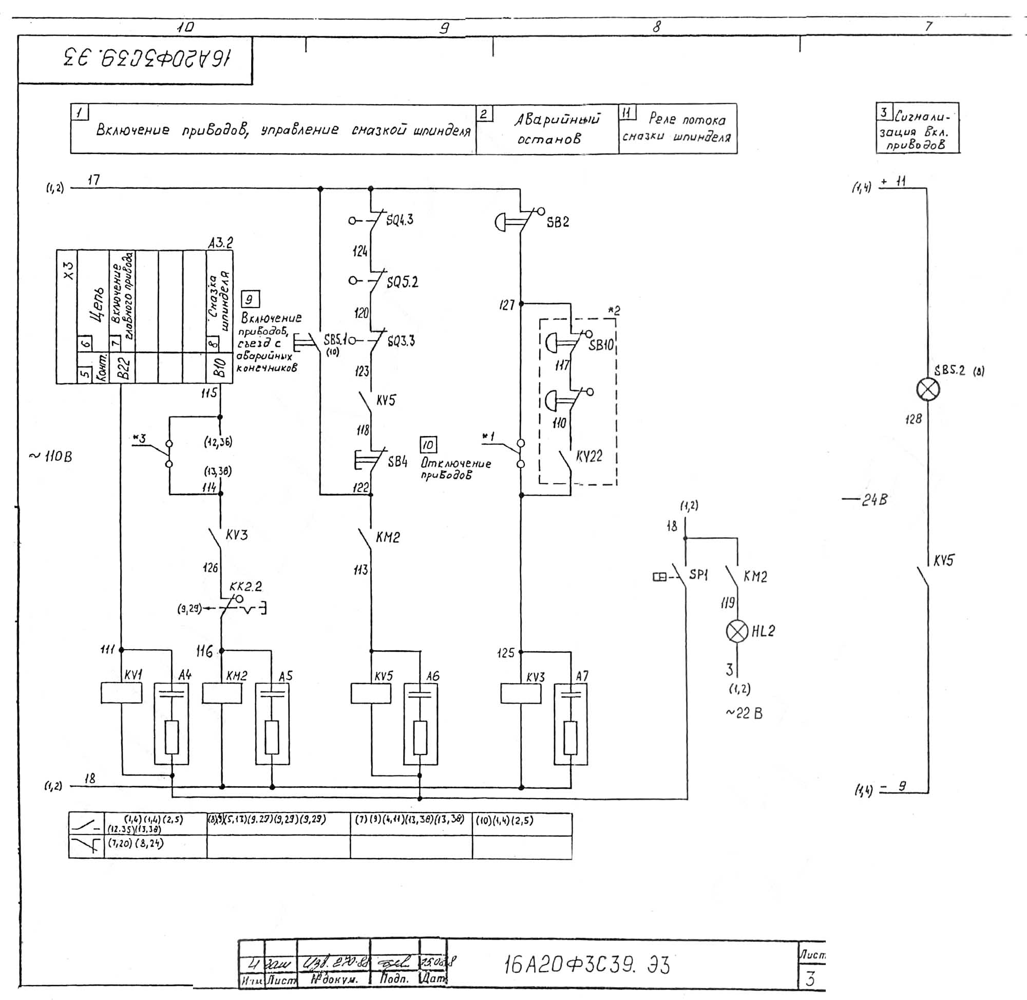
Схема електрична принципова токарного верстата 16А20ф3С39
Схема електрична принципова токарного верстата 16А20ф3С39. Дивитись у збільшеному масштабі

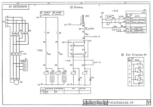
Схема електрична принципова токарного верстата 16А20ф3С39
Схема електрична принципова токарного верстата 16А20ф3С39. Дивитись у збільшеному масштабі

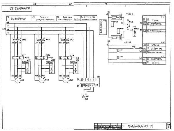
Схема електрична принципова токарного верстата 16А20ф3С39
Схема електрична принципова токарного верстата 16А20ф3С39. Дивитись у збільшеному масштабі

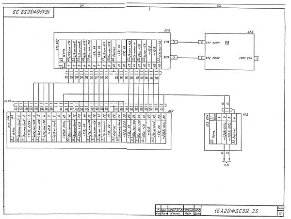
Схема електрична принципова токарного верстата 16А20ф3С39
Схема електрична принципова токарного верстата 16А20ф3С39. Дивитись у збільшеному масштабі

Схема електрична принципова токарного верстата 16А20ф3С39
Схема електрична принципова токарного верстата 16А20ф3С39. Дивитись у збільшеному масштабі

Схема електрична принципова токарного верстата 16А20ф3С39
Схема електрична принципова токарного верстата 16А20ф3С39. Дивитись у збільшеному масштабі

Схема електрична принципова токарного верстата 16А20ф3С39
Схема електрична принципова токарного верстата 16А20ф3С39. Дивитись у збільшеному масштабі

Схема електрична принципова токарного верстата 16А20ф3С39
Схема електрична принципова токарного верстата 16А20ф3С39. Дивитись у збільшеному масштабі

Схема електрична принципова токарного верстата 16А20ф3С39
Схема електрична принципова токарного верстата 16А20ф3С39. Дивитись у збільшеному масштабі

Схема електрична принципова токарного верстата 16А20ф3С39
Схема електрична принципова токарного верстата 16А20ф3С39. Дивитись у збільшеному масштабі

Схема електрична принципова токарного верстата 16А20ф3С39
Схема електрична принципова токарного верстата 16А20ф3С39. Дивитись у збільшеному масштабі

Схема електрична принципова токарного верстата 16А20ф3С39
Схема електрична принципова токарного верстата 16А20ф3С39. Дивитись у збільшеному масштабі

Схема електрична принципова токарного верстата 16А20ф3С39
Схема електрична принципова токарного верстата 16А20ф3С39. Дивитись у збільшеному масштабі

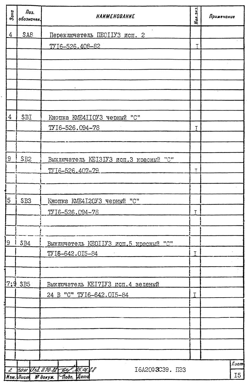
Список елементів схеми електрической токарного верстата 16А20ф3С39
Список елементів схеми електрической токарного верстата 16А20ф3С39. Дивитись у збільшеному масштабі

Список елементів схеми електрической токарного верстата 16А20ф3С39
Список елементів схеми електрической токарного верстата 16А20ф3С39. Дивитись у збільшеному масштабі

Список елементів схеми електрической токарного верстата 16А20ф3С39
Список елементів схеми електрической токарного верстата 16А20ф3С39. Дивитись у збільшеному масштабі

Список елементів схеми електрической токарного верстата 16А20ф3С39
Список елементів схеми електрической токарного верстата 16А20ф3С39. Дивитись у збільшеному масштабі

Список елементів схеми електрической токарного верстата 16А20ф3С39
Список елементів схеми електрической токарного верстата 16А20ф3С39. Дивитись у збільшеному масштабі

Список елементів схеми електрической токарного верстата 16А20ф3С39
Список елементів схеми електрической токарного верстата 16А20ф3С39. Дивитись у збільшеному масштабі

Список елементів схеми електрической токарного верстата 16А20ф3С39
Список елементів схеми електрической токарного верстата 16А20ф3С39. Дивитись у збільшеному масштабі

Список елементів схеми електрической токарного верстата 16А20ф3С39
Список елементів схеми електрической токарного верстата 16А20ф3С39. Дивитись у збільшеному масштабі

Список елементів схеми електрической токарного верстата 16А20ф3С39
Список елементів схеми електрической токарного верстата 16А20ф3С39. Дивитись у збільшеному масштабі

Список елементів схеми електрической токарного верстата 16А20ф3С39
Список елементів схеми електрической токарного верстата 16А20ф3С39. Дивитись у збільшеному масштабі

Список елементів схеми електрической токарного верстата 16А20ф3С39
Список елементів схеми електрической токарного верстата 16А20ф3С39. Дивитись у збільшеному масштабі

Список елементів схеми електрической токарного верстата 16А20ф3С39
Список елементів схеми електрической токарного верстата 16А20ф3С39. Дивитись у збільшеному масштабі

Список елементів схеми електрической токарного верстата 16А20ф3С39
Список елементів схеми електрической токарного верстата 16А20ф3С39. Дивитись у збільшеному масштабі

Список елементів схеми електрической токарного верстата 16А20ф3С39
Список елементів схеми електрической токарного верстата 16А20ф3С39. Дивитись у збільшеному масштабі

Список елементів схеми електрической токарного верстата 16А20ф3С39
Список елементів схеми електрической токарного верстата 16А20ф3С39. Дивитись у збільшеному масштабі

Список елементів схеми електрической токарного верстата 16А20ф3С39
Список елементів схеми електрической токарного верстата 16А20ф3С39. Дивитись у збільшеному масштабі

Список елементів схеми електрической токарного верстата 16А20ф3С39
Список елементів схеми електрической токарного верстата 16А20ф3С39. Дивитись у збільшеному масштабі

Список елементів схеми електрической токарного верстата 16А20ф3С39
Список елементів схеми електрической токарного верстата 16А20ф3С39. Дивитись у збільшеному масштабі

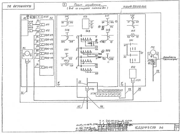
Монтажная схема токарного верстата 16А20ф3С39
Монтажная схема токарного верстата 16А20ф3С39. Дивитись у збільшеному масштабі

Монтажная схема токарного верстата 16А20ф3С39
Монтажная схема токарного верстата 16А20ф3С39. Дивитись у збільшеному масштабі

Монтажная схема токарного верстата 16А20ф3С39
Монтажная схема токарного верстата 16А20ф3С39. Дивитись у збільшеному масштабі

Монтажная схема токарного верстата 16А20ф3С39
Монтажная схема токарного верстата 16А20ф3С39. Дивитись у збільшеному масштабі

Монтажная схема токарного верстата 16А20ф3С39
Монтажная схема токарного верстата 16А20ф3С39. Дивитись у збільшеному масштабі

Монтажная схема токарного верстата 16А20ф3С39
Монтажная схема токарного верстата 16А20ф3С39. Дивитись у збільшеному масштабі
| Наименование параметра | 16К20Ф3С32 | 16А20Ф3С32 | 16А20Ф3С39 |
|---|---|---|---|
| Основні параметри верстата | |||
| Обозначение системы ЧПУ | 2Р22 | 2Р22 | НЦ-31-02 |
| Наибольший диаметр обрабатываемого вироби над станиной, мм | 400 | 320 | 320 |
| Наибольший диаметр обрабатываемого вироби над суппортом, мм | 220 | 200 | 200 |
| Наибольший диаметр устанавливаемого вироби над станиной, мм | 500 | 500 | 500 |
| Диаметр отверстия в шпинделе, мм | 53 | 55 | 55 |
| Наибольшая длина вироби устанавливаемого в центрах (РМЦ), мм | 1000 | 1000 | 1000 |
| Наибольшая длина обрабатываемого вироби при числе позиций инструментальной головки (6, 8, 12), мм | 870 | 900,750,850 | 900,750,850 |
| Шпиндель | |||
| Мощность двигуна головного руху, кВт | 11 | 11 | 11 |
| Количество рабочих швидкостей шпинделя | 22 | ||
| Пределы чисел оборотів шпинделя, об/мин | 12,5...2000 | 20...2500 | 20...2500 |
| Диапазон швидкостей шпинделя, устанавливаемый вручную, об/мин | Ряд I - 12.5..200 Ряд II - 50..800 Ряд III - 125..2000 |
Ряд I - 20...345 Ряд II - 60...1000 Ряд III - 145...2500 |
Ряд I - 20...345 Ряд II - 60...1000 Ряд III - 145...2500 |
| Количество автоматически переключаемых швидкостей | 9 | ||
| Диапазон автоматичного переключения | 16 | ||
| Центр шпинделя передньої бабки по ГОСТ 13214-67 | Морзе №6 | Морзе №6 | Морзе №6 |
| Центр пиноли задньої бабки по ГОСТ 13214-67 | Морзе №5 | Морзе №5 | Морзе №5 |
| Кінець шпинделя по ГОСТ 12593-72 | 6К | 6К | 6К |
| Наибольший крутящий момент на шпинделе не менее, Нм (кгс*м) | 800 (80) | 800 (80) | |
| Подачи | |||
| Наибольшее перемещение суппорта: продольное (Z) / поперечное (X), мм |
900/ 250 | 905/ 210 | 905/ 210 |
| Пределы шагов нарезаемых резьб, мм | 0,1..39,999 | 0,25...40 | 0,25...40 |
| Диапазон швидкостей продольных подач, мм/мин (мм/об) | 3..2000 | 10..2000 (2,8) | 10..2000 (2,8) |
| Диапазон швидкостей поперечных подач, мм/мин (мм/об) | 3..2000 | 5..1000 (1,4) | 5..1000 (1,4) |
| Скорость быстрых продольных/ поперечных ходов, м/мин | 7,0/ 4,0 | 15/ 7,5 | 15/ 7,5 |
| Высота резца, мм | 25 | 25 | 25 |
| Количество позиций на поворотной резцедержке (число инструментов в револьверній головці) | 6 | 8 (6,12) | 8 (6,12) |
| Параметри системы ЧПУ | |||
| Обозначение системы ЧПУ | 2Р22 | 2Р22 | НЦ-31-02 |
| Число координат | 2 | 2 | 2 |
| Количество одновременно управляемых координат | 2 | 2 | 2 |
| Дискретность задания координат в продольном/ поперечном направлении (дискретность задания по оси Z, X) | 0,001 | 0,001 | 0,001 |
| Пределы программируемых подач продольных/ поперечных, мм/об | 0,01...20/ 0,01..10 | 0,01...20/ 0,01..10 | 20,01...40/ 0,01..20 |
| Тип датчика обратной связи по положению і резьбонарезанию | РОД-620 | ВЕ178А5 | ВЕ178А |
| Електроустаткування верстата | |||
| Електродвигун головного привода, кВт/ об/мин | 11/ 1460 | 11/ 1500 | 11/ 1500 |
| Електродвигун продольных подач - номинальный крутящий момент, Нм (кгс*м) | 23 (2,3) | 23 (2,3) | |
| Електродвигун поперечных подач - номинальный крутящий момент, Нм (кгс*м) | 17 (1,7) | 17 (1,7) | |
| Електродвигун станції змазки каретки, кВт/ об/мин | 0,18/ 1400 | 0,18/ 1400 | |
| Електродвигун станції змазки шпиндельной бабки, кВт/ об/мин | 0,27/ 1450 | 0,27/ 1450 | |
| Електродвигун насоса охлаждения, кВт/ об/мин | 0,12/ 2800 | 0,12/ 2800 | |
| Електродвигун инструментальной головки, кВт/ об/мин | 0,37/ 1365 | 0,37/ 1365 | |
| Суммарная мощность електродвигателей, кВт | 20 | 21,4 | 21,4 |
| Суммарная мощность верстата, кВт | 22 | 24 | 24 |
| Габарити і масса верстата | |||
| Габаритные розміри верстата з ЧПУ (длина, ширина, высота), мм | 3700 1700 2145 |
3700 3000 2100 |
3700 3000 2100 |
| Масса верстата з ЧПУ, кг | 4050 | 4150 | 4150 |
Каталог справочник токарных верстатів з ЧПУ
Паспорти та керівництва токарних верстатів з ЧПУ
Купити каталог, довідник, базу даних: Прайс-лист інформаційних видань