Виробник токарного верстата 16К20Ф3 – Московський верстатобудівний завод "Червоний пролетар" ім. А.І. Єфремова , заснований у 1857 році.
Перші універсальні токарно-гвинторізні верстати з коробкою швидкостей уперше в СРСР почали випускатися на Московському верстатобудівному заводі "Червоний пролетар" ім. А.І. Єфремова в 1932 році і отримали найменування ДІП-200 , ДІП-300 , ДІП-400 , ДІП-500 ( ДІП - Наздогнати І Перегнати), де 200, 300, 400, 500 - висота центрів над станиною.
У міру вдосконалення конструкції верстатів завод випускав дедалі сучасніші моделі - 1А62 , 1К62 , 16К20 , МК6056 .
Токарний патронно-центровий верстат 16К20Ф3 призначений для токарної обробки деталей типу тіл обертання замкнутому напівавтоматичному циклі.
Верстат 16К20Ф3 призначений для токарної обробки зовнішніх (діаметром до 400 мм) та внутрішніх поверхонь деталей (довжиною до 1000 мм) зі східчастиним та криволінійним профілем в осьовому перерізі.
Токарний верстат 16К20Ф3 сконструйований на базі токарно-гвинторізного верстата 16К20 , тому компонування, складові частинини та рухи у цих верстатів однакові. Багато в чому уніфіковано також конструкцію.
Верстати 16К20Ф3 можуть випускатися з різними пристроями ЧПУ (УЧПУ), у виконанні для вбудовування у гнучкі виробничі модулі (ГПМ), а також у спеціальному та спеціалізованому виконанні при оснащенні налагодженнями за погодженням із замовником.
Фланцевий кінець шпинделя виконаний за ГОСТ 12593 (DIN 55027, ІСО 702-3-75) під поворотну шайбу, з центруючим коротким конусом 1:4 (7°7′30″), номінальний діаметр конуса D = 106,375 мм, умовний розмір – 6. Внутрішній (інструментальний) конус шпинделя – Морзе 6. Стандартний діаметр токарного патрона 200, 250 мм.
Область застосування: Дрібносерійне серійне виробництво.
Клас точності П згідно з ГОСТ 8-82.
Вид кліматичного виконання за ГОСТ15150-69: УХЛ4.
Залежно від замовлення верстати поставляються з основою під транспортер стружковидалення та комплектуються транспортером або з основою без вікна для транспортера стружковидалення та не комплектуються транспортером.
Читайте також: Електроустаткування верстата 16К20ф3 з ЧПУ Н22-1М, 1981
Читайте також: Електроустаткування верстата 16К20ф3с32 з ЧПУ 2Р22, 1985
У 1930 році на Московському верстатобудівному заводі "Червоний пролетар" було прийнято рішення про розробку нового верстата токарного, стандартного, скорочено ТЗ. Дещо пізніше його перейменували на ДІП-200 – Догонім І Перегонім , за головним гаслом першої п'ятирічки, де 200 – висота центрів над станиною. Як прототип був обраний токарно-гвинторізний верстат німецької фірми VDF . У квітні 1932 року розпочалася підготовка випуску першої партії верстатів ДІП-200.
25 квітня 1932 року був зібраний і випробуваний перший радянський універсальний токарно-гвинторізний верстат з коробкою швидкостей - ДІП-200 . До кінця 1932 року було випущено 25 ДІПів.
У 1934 році освоюється випуск верстатів ДІП-300 , ДІП-400 , ДІП-500 . Згодом виробництво цих верстатів було передано на Рязанський верстатобудівний завод. Виробництво верстата ДІП-500 було також передано на Коломенський завод важких верстатів КЗТС.
У 1937 році в ЕНІМС було розроблено типаж (номенклатура типів та розмірів) верстатів та прийнято єдину систему умовних позначень верстатів . За новою системою позначень перший ДІП-200 став називатися 1Д62 . Але абревіатура ДІП-200 збереглася і донині - для позначення токарного верстата з висотою центрів над станиною, що дорівнює або близько 200 мм.
В 1940 завод випустив верстат 162К (26А) - один з варіантів ДІП-200.
У 1945 році завод переходить на випуск модернізованого верстата ДІП-200 (ДІП-20М, 1д62м).
У 1948 році завод переходить на випуск верстата 1А62 .
У 1949-1953 без зупинки виробництва здійснено перехід на потокове виробництво токарного верстата 1А62. Також у різні роки випускалися: 1620, 1Б62, 1м620, 1622.
В 1954 був виготовлений дослідний зразок верстата 1К62 , серійне виробництво якого було запущено в 1956 році.
В 1956 завод перейшов на великосерійний випуск нового верстата 1К62. За наступні 18 років, протягом яких вони виготовлялися, було випущено 202 тисяч таких верстатів.
Випускалися модифікації, виготовлені на базі токарно-гвинторізного верстата 1к62: 1к625 , 1к620 , 1к62Б підвищеної точності та ін.
У 1965 році завод випустив токарно-гвинторізний верстат підвищеної точності 16Б20П , який став перехідною моделлю між 1к62 та 16к20. Коробка подач 16Б20П.070.000 та фартух 16Б20П.061.000 цього верстата стали стандартом для всіх наступних моделей цієї серії.
У 1971 році була виготовлена досвідчена партія верстатів 16К20 , у 1972 році на Лейпцизькому ярмарку верстат 16К20 був удостоєний золотої медалі.
У 1972-1973 проводилася реконструкція заводу у зв'язку з випуском нової моделі верстата 16К20. Освоюється серійне виробництво цих верстатів. До кінця року з конвеєра сходить до 1000 таких верстатів на місяць. На експорт вирушає близько 10%.
На основі базової моделі токарно-гвинторізного верстата 16К20 було виготовлено безліч модифікацій, в тому числі: 16К25 , 16К20М , 16К20П , 16К20В, 16К20Г, 16К20К, 16К20Ф1, 16.
Верстати з ЧПУ 16К20Ф3 , 16К20Ф3С32 , 16А20Ф3 , 16К20Т1 .
У 1988 році виробництво верстата моделі 16к20 припинено. На зміну йому прийшли токарно-гвинторізні верстати серії МК: МК6046, МК6047, МК6748 , МК6056, МК6057, МК6758 .
| Модель верстата | Модель ЧПУ | Модель приводу | Рік початку виробництва |
|---|---|---|---|
| 16K20F3 | Контур 2ПТ-71, Н22-1М, ЕМ-907, Алкатель CC-221-02P |
Приз | 1972 рік |
| 16K20T1 | Електроніка НЦ-31 | Приз | 1972 рік |
| 16K20F3S1 | Контур 2ПТ-71 | Приз | |
| 16K20F3C2 | SS221-02R Alcatel | Приз | |
| 16K20F3C32 | 2R22 | Розмір 2М-5-21 | 1985 рік |
| 16К20РФ3С32 | 2R22 | Розмір 2М-5-21 | 1985 рік |
| 16K20F3C132 | 2R22 | Розмір 2М-5-21 | 1985 рік |
| 16K20F3C232 | 2R22 | Розмір 2М-5-21 | 1985 рік |
| 16K20T1.02 | Електроніка НЦ-31 | Розмір 2М-5-21 | 1987 рік |
| 16K20F3S4 | ЕМ-907 | Приз | |
| 16K20F3C5 | Н22-1М | Приз | |
| 16K20F3C6 | 1Н22-62 | ||
| 16K20F3C8 | 1Н22-61 | ||
| 16K20F3C15 | MS2101-01 | ||
| 16K20F3C18 | 2У22-62 | Кемтор, Камрон НРБ | |
| 16K20F3S19 | 2У22-62 | Розмір 2М-5-2 або Кемтор, Кемрон |
1983 рік |
| 16K20F3S119 | 2У22-62 | Розмір 2М-5-2 або Кемтор, Кемрон |
1983 рік |
| 16K20F3C219 | 2У22-62 | Розмір 2М-5-2 або Кемтор, Кемрон |
1983 рік |
| 16K20F3S39 | Електроніка НЦ-31 | ||
| 16K20F3C239 | Електроніка НЦ-31 |

Креслення робочого простору токарного верстата 16к20ф3
Габарит робочого простору токарного верстата з ЧПУ 16К20Ф3. Дивитись у збільшеному масштабі

Фото токарного верстата 16к20ф3

Фото токарного верстата 16к20ф3

Фото токарного верстата 16к20ф3

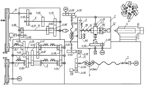
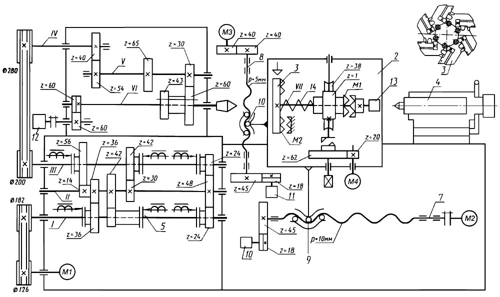
Кінематична схема токарного верстата 16к20ф3
1. Схема кінематична токарного верстата з ЧПУ 16К20Ф3. Дивитись у збільшеному масштабі
2. Схема кінематична токарного верстата з ЧПУ 16К20Ф3. Дивитись у збільшеному масштабі
Головний рух повідомляється шпинделем VI. Джерелом руху є електродвигун М1. Автоматична коробка швидкостей (АКС) з електромагнітними муфтами 5 забезпечує автоматичне перемикання частоти обертання. Коробка пов'язана з двигуном і зі шпиндельною бабкою клинопасовими передачами.
Обертання в передній бабці з вала IV передається через зубчасті колеса на вал V і далі включенням зубчастиних коліс або шпиндель VI. При включенні зубчастої пари шпиндель отримує частоти обертання 35…560 хв–¹, а при включенні зубчастиних коліс – 100…1600 хв–¹. Таким чином, шпиндель може отримати 18 частот обертання (9 + 9), але оскільки 6 з них повторюються, він має дванадцять робочих частот обертання 35 ... 1600 хв-1.
Приводы поздовжньої і поперечної подачі могут мати два исполнения: шаговый електрогідравлический (разомкнутая система ЧПУ) і з регулируемыми електродвигунами постоянного тока. В приводах подачі применяются беззазорные шариковые передачи 9 і 10 з шагом р = 10 мм для продольного і шагом р = 5 мм для поперечного переміщення. Продольное і поперечное переміщення каретки 2контролируются датчиками обратной связи 10 і 11 соответственно, которые вращаются от ходовых винтов через беззазорные зубчасті передачи.
Для нарізання різьби по программе верстат оснащен датчиком нарізання різьби 12 типа ВЕ-51. Вращение датчика осуществляется также через беззазорную зубчатую передачу. Поворот резцедержателя происходит от електродвигуна М4 через передачи и, причем в начальный момент руху муфты М1 вал VII подается влево, торцевая плоскозубая муфта М2 расцепляется, і происходит поворот резцедержателя в нужную позицию, которая контролируется специальным блоком конечных выключателей 13. Затем направление обертання двигуна М4 і муфты М1 изменяется, вал VII подается вправо, сжимая пружину 14, і резцедержатель фиксируется муфтой М2. Начинается цикл обробки.

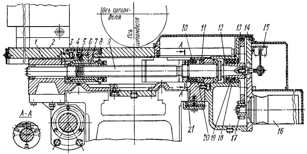
Креслення передньої шпиндельной бабки токарного верстата 16к20ф3 (рис. 16а)
Установка передньої бабки осью шпинделя по расчетной линии центров верстата на станине производится двумя гвинтами.
Смазка передньої бабки централизованная от специальной станції змазки, монтируемой на основании верстата.
Шпиндель смонтирован в двух конических роликопідшипниках типа "Гаме" или отечественных № 3182120 кл. "С" і № 46216 кл. "А".
Выбор радиального зазору в заднем подшипнике і компенсация тепловых деформаций производится под действием пружин 21.
Внимание! подшипник типа "Гаме" регулируется на заводе-изготовителе верстата і не требует регулировки в процессе експлуатации верстата.
В верстатах 16К20ФЗС5 ж 16К20ФЗС8 в передньої бабке устанавливается датчик резьбонарізання I.
Для постоянной выборки люфта в зубчатом зацеплении шестерня 6 постоянно поджата пружинами 2. Разрешающая способность датчика 1000 импульсов на оборот і I нулевой импульс для отметки - "нулевого" положения шпинделя при вводе в нитку при нарезании різьби в несколько проходов.
Смазка шпиндельной бабки централизованная.

Креслення приводу поперечної подачі токарного верстата 16к20ф3
Каретка суппорта 1 перемещается по направляющим станины, а салазки 2 – по направляющим каретки. От шагового двигуна з гідроусилителем 16, закрепленного на кронштейне 14, вращение передається винту качения 9 через колеса 17 і 13. Для выбора зазору в зубчатом зацеплении смещают колесо 17 относительно колеса 13. Винт качения 9 установлен в радиальных підшипниках 12, натяг в которых создается двенадцатью пружинами 19, вставленными в специальные втулки 18. От осьового смещения винт качения удерживается упорными підшипниками 11, натяг в которых создается сжатием пружин 10. Раскрытие стыка между правым торцом гайки 21и втулки 20 недопустимо.
Корпус гайки 6 жестко крепят к суппорту 1 клином 5. Жесткая стыковка корпуса гайки 6 з фланцем 3 достигается подшлифовыванием післяднего.
Выбор зазору і регулировку натяга в паре винт–гайка качения производят поворотом полугайки 7 относительно полугайки 4 з помощью колеса 8, поворот которого на один зуб относительно полугайки 7 приводит к осевому смещению на 1 мкм. Бесконтактный конечный выключатель 15 выдает предварительный сигнал о выходе в нулевое положение.
Нарезание різьби достигается согласованием сигналов, поступающих от фотоелектрического датчика резьбонарізання 12 (рис. 2.13) в шпиндельной бабке, і сигналов, поступающих в шаговый двигатель М2. Благодаря етому вращение шпинделя согласуется з продольным переміщенням суппорта. Согласование осуществляет система ЧПУ. В ней же переключателем настраивают соотношение движений, необходимое для заданного шага Рд нарезаемой різьби. Известные расчетные переміщення: 1 об. шп. → Рд мм переміщення суппорта выражаются через числа импульсов; 1000 импульсов от датчика 12 → 100 Рд импульсам на двигатель М2 (учитывая дискретность перемещений: Рд/0,01 = 100 Рд), то есть 10 импульсов от датчика 12 → Рд импульсам на двигатель М2.
Поворот планшайби 3 шестипозиционного резцедержателя вокруг горизонтальной оси (вал VII) производится електродвигуном М4 через зубчасті колеса і червячную передачу . В рабочем положении планшайба фиксируется от поворота плоскозубчатой муфтой М2. Ее сцепление, которому препятствует пружина на валу VII, і расцепление происходят благодаря винтовой форме зубьев муфты М1. В начальный момент руху муфты М1 вал VII подается влево, муфта М2расцепляется і происходит поворот резцедержателя в нужную позицию, которая фиксируется конечными выключателями. Затем направление обертання двигуна М4 и, соответственно, муфты М1 меняется, кулачками полумуфты М1 сжимается пружина, і подвижная часть полумуфты М7 фиксируется на нерухомою її частини. Начинается рабочий цикл обробки.

Креслення приводу поздовжньої подачі токарного верстата 16к20ф3
Привід поздовжньої подачі - включает одноступенчатый редуктор, опори ходового гвинта і шариковую передачу винт-гайка качения з условным диаметром 63мм, шагом 10мм. Редуктор имеет 2 исполнения: для гідравлічного шагового приводу і для установки електродвигуна постоянного тока. В конструкції предусмотрена возможность з установкой датчика обратной связи.

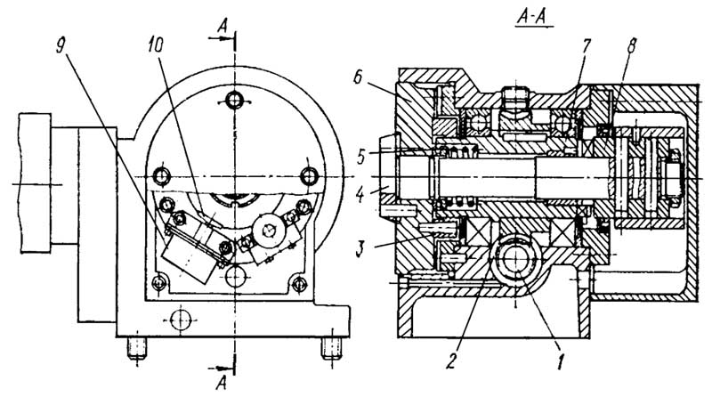
Креслення поворотного резцедержателя токарного верстата 16к20ф3
Конструкція поворотного резцедержателя приведена на рис. 2.15. На выходном валу 4 находится съемная инструментальная головка (на рисунке не показана), связанная з подвижной полумуфтой 6 плоскозубчатой муфты. Поворот резцедержателя осуществляется через червячную пару 1–2, кулачковую полумуфту 7, другая половина 8 которой жестко связана з валом 4. В начальный момент руху етой кулачковой муфты вал 4 подается влево, при етом подвижная полумуфта 6 плоскозубчатой муфты отходит от нерухомою полумуфты 3 і резцедержатель начинает поворот в нужную позицию, которая определяется при нажиме кулачка 10 на соответствующий конечный выключатель 9. Затем происходит реверс двигуна і полумуфта 7 вращается в другую сторону, при етом полумуфта 6 з инструментальной головкой удерживается от поворота фиксатором. Кулачки полумуфты 7 упираются в кулачки полумуфты 8, пружина 5 сжимается і полумуфта 6 фиксируется на зубьях полумуфты 3. Конечный выключатель зажиму подает команду, електродвигатель поворота отключается, і начинается рабочий цикл обробки.
В съемной инструментальной головке можно установить шесть резцов-вставок или три инструментальных блока, которые налаживают на размер вне верстата в специальных оптических приспособлениях регулировочными гвинтами в двух плоскостях.
На схеме показан варіант механизированной задньої бабки, в которой пиноль перемещается от електромеханической головки ЭГ.

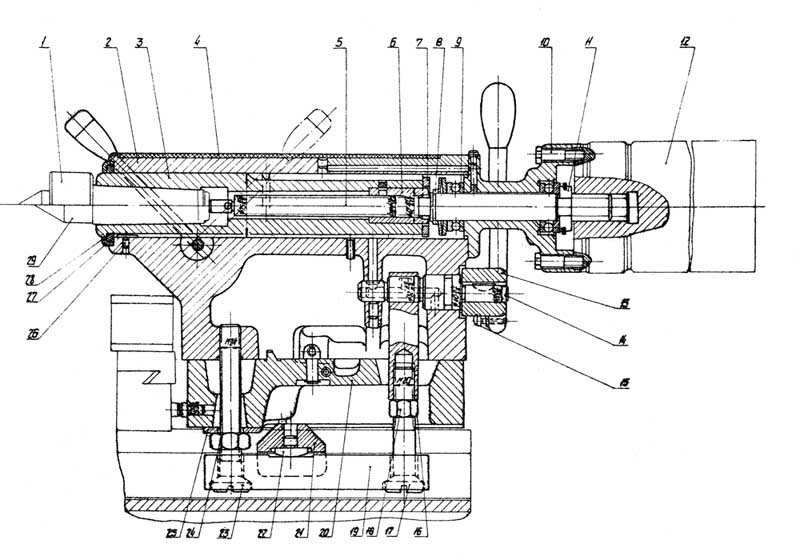
Креслення задньої бабки токарного верстата 16к20ф3
Задня бабка имеет жесткую конструкцию. При помощи рукоятки, ексцентрикового вала, прижимной планки і системы рычагов задня бабка закрепляется на станине.
Если рукоятка 13, отведённая в крайнее заднее положение,не обеспечивает достаточный прижим задньої бабки к станине, то нужно посредством регулювання гвинтами 17 і 23 при отпущенных контргайках 13 і 24 изменяя положение прижимной планки 19, установить необходимое усилие прижима.
Перемещение пиноли осуществляется при помощи електромеханической головки "ПРИЗ ВС05" через винт, з шагом 5 мм.
Постоянство зусилля зажиму детали обеспечивается при помощи тарельчатых пружин.
Читайте также: Електроустаткування верстата 16К20ф3 c ЧПУ Н22-1М, 1981
Читайте также: Електроустаткування верстата 16К20ф3с32 c ЧПУ 2Р22, 1985
Для увімкнення соответствующей скорости шпинделя сигналы подаются на кодовые реле скорости. Соединение контактов кодовых реле представляет собой релейный дешифратор, на выходе которого, при соответствующем включении кодовых реле, получаем одну из девяти необходимых швидкостей шпинделя, з включением соответствующей електромагнитной муфты АКС (порядок увімкнення електромагнітних муфт указаны в таблице на принципиальной електросхеме верстата).
При отключении всех реле подаётся команда на торможение. Вращение шпинделя в толчковом режиме возможно при отключении всех кодовых реле і при нажатии кнопки толчкового режима, которая включает малую скорость шпинделя в прямом направлении. Контроль диапазона осуществляется кінцівым выключателем. Увімкнення електродвигуна головного приводу осуществляется подачей команды от пристроя ЧПУ или от пульта керування верстата на промежуточные реле з включением соответствующего контактора.
Назначение і обозначение аппаратов, осуществляющих работу шпинделя, указаны в таблице № 5.
На станке предусмотрена возможность установки 6 идя 8-ми позиционной резцедержки - револьверної головки.
Поворот резцедержки на необходимую позицию осуществляется при подаче сигнала на реле смены инструмента резцедержки і кодовые реле позиция инструмента з включением електродвигуна или гідромотора. Схема построена на совпадении заданной позиции инструмента з пристроя ЧПУ з позицией, определяемой кінцівыми выключателями контроля позиции резцедержки.
При совпадении позиции включаются реле совпадения, которое даёт команду на реверс резцедержки.
По окончании цикла поворота резцедержателя происходит увімкнення реле обратной связи» дающий сигнал в пристрій ЧПУ на продолжение отработки программы.
Условное обозначение і назначение аппаратов по електросхеме, осуществляющих работу резцедержки, приведены в табл. 6.
В автоматическом режиме двигатель охлаждения работает при подаче сигналов пристроя ЧПУ на промежуточное реле, которое включает контактор електродвигуна охлаждения .
В процессе різання возможен пуск охлаждения выключателем з пульта керування верстата при включенном главном приводе.
Условное обозначение назначения аппаратов, участвующих в работе охлаждения - приведены в таблице 7.
Електродвигун змазки включается при каждом первоначальном пуске верстата і остается включенным на время, необходимое для змазки. При работе верстата продолжительное время цикл змазки устанавливается соответствующими реле о необходимой выдержкой часу на смазку і паузу.
На станке предусмотрена возможность увімкнення змазки во время паузы - толчковой кнопкой не нарушая цикла змазки.
Условное обозначения аппаратов, участвующих в работе агрегата змазки - приведены в таблице 7.
Верстат може быть оснащен пристроями електромеханическими "Приз" для подвода і відведення пиноли задньої бабки і зажиму і разжима детали в патроне» Керування предусмотрено ножными педалями; каждая из которой имеет свою определенную функцию см черт. 16К20Ф.390.000 Э3 і черт. 16К20Ф.290.000 Э4 лист 1.
В електросхеме верстата осуществлены блокировки:
На станке для безопасности роботи предусмотрены наступні меры безопасности:
При отключенном положении вводного автомата BAI ето мигание сигнализирует о неисправности автомата
Гідросхема токарного верстата з ЧПУ 16к20ф3
Как правило, гідравлические схеми непосредственно приводов (исключая систему керування) верстатів з ЧПУ довольно просты. Они включают типовую насосную установку переменной подачі з дроссельным, объемным или комбинированным регулюванням, вырабатывающую подачу равную расходу в гідросистеме, при малом изменяемом давлении, а также гідродвигатели или усилители момента, связанные з рабочими органами верстата.
На рис. 57 приведена гідравлічна схема широко распространенного токарного верстата з ЧПУ мод. 16К20Ф3.
Гідропривід токарного верстата з ЧПУ моделі 16К20Ф3. Керування гідроприводом, различные блокировки, зажим і разжим патрона осуществляются елементами електрической схеми. В гідропривід верстата входят:
Увімкнення гідроприводу осуществляют нажатием кнопки «Пуск» гідроагрегата. Работа гідроприводу происходит в соответствии з подачей електрических команд от пульта керування к шаговым двигунам гідроусилителей. Работа гідроусилителей момента поперечного ходу суппорта і продольного ходу каретки происходит з помощью шаговых двигателей, выходные валы которых посредством муфт жестко соединены з входными валами гідроусилителей. При отработке шаговым двигателем какого-то числа електрических импульсов происходит поворот входного вала і смещение запорно-регулирующего елемента дросселирующего гідрораспределителя на пропорциональную величину. Масло от насоса через щели гідрораспределителя і распределительный диск воздействует на поршни роторного гідроусилителя, который поворачивает выходной вал пропорционально величине открытия щелей. За счет енергии масла, подводимого к гідроусилителю, електрические сигналы малой мощности, поступающие на вход шагового двигуна, усиливаются і преобразуются в синхронное (по отношению к валу шагового двигуна) вращение выходного вала гідроусилителя з вращающим моментом, необходимым для переміщення рабочих органів. Величину поворота выходного вала гідроусилителя определяет число поданных импульсов на шаговый двигатель, а скорость — частота их следования.
| Наименование параметра | 16К20Ф3С32 | 16К20Ф3С5 | 16К20Ф3С8 |
|---|---|---|---|
| Обозначение системы ЧПУ | 2Р22 | Н22-1М | 1Н22-61 |
| Основні параметри верстата | |||
| Наибольший диаметр обрабатываемого вироби над станиной, мм | 400 | 400 | 400 |
| Наибольший диаметр обрабатываемого вироби над суппортом, мм | 220 | 220 | 220 |
| Диаметр отверстия в шпинделе, мм | 53 | 53 | 53 |
| Наибольшая длина обрабатываемого вироби, мм | 1000 | 1000 | 1000 |
| Предельный диаметр сверления в стали, мм | 25 | 25 | 25 |
| Предельный диаметр сверления в чугуне, мм | 28 | 28 | 28 |
| Шпиндель | |||
| Мощность двигуна головного руху, кВт | 11 | 11 | 11 |
| Количество рабочих швидкостей шпинделя | 22 | 22 | 22 |
| Пределы чисел оборотів шпинделя, об/мин | 12,5...2000 | 12,5...2000 | 12,5...2000 |
| Количество автоматически переключаемых швидкостей | 9 | 9 | 9 |
| Диапазон автоматичного переключения | 16 | 16 | 16 |
| Диапазон швидкостей шпинделя, устанавливаемый вручную, об/мин | Ряд I - 12.5..200 Ряд II - 50..800 Ряд III - 125..2000 |
Ряд I - 12.5..200 Ряд II - 50..800 Ряд III - 125..2000 |
Ряд I - 12.5..200 Ряд II - 50..800 Ряд III - 125..2000 |
| Центр шпинделя передньої бабки по ГОСТ 13214-67 | 7032 - 0043 Морзе №6 | 7032 - 0043 Морзе №6 | 7032 - 0043 Морзе №6 |
| Центр пиноли задньої бабки по ГОСТ 13214-67 | 7032 - 0045 Морзе №5 | 7032 - 0045 Морзе №5 | 7032 - 0045 Морзе №5 |
| Кінець шпинделя по ГОСТ 12593-72 | 6К | 6К | 6К |
| Подачи | |||
| Наибольшее перемещение суппорта: продольное / поперечное, мм |
900/250 | 900/250 | 900/250 |
| Максимальная скорость поздовжньої подачі при нарезании різьби, мм/мин | 2000 | 1200 | 2000 |
| Пределы шагов нарезаемых резьб, мм | 0,1..39,999 | до 20 | 0,01..40 |
| Диапазон швидкостей продольных подач, мм/мин | 3..2000 | 3..1200 | 1..2000 |
| Диапазон швидкостей поперечных подач, мм/мин | 3..2000 | 1,5..600 | 1..2000 |
| Скорость быстрых продольных ходов, мм/мин | 7000 | 4800 | 7500 |
| Скорость быстрых поперечных ходов, мм/мин | 4000 | 2400 | 5000 |
| Дискретность продольного переміщення | 0,002 | 0,01 | 0,01 |
| Дискретность поперечного переміщення | 0,002 | 0,005 | 0,005 |
| Высота резца, мм | 25 | 25 | 25 |
| Количество позиций на поворотной резцедержке (число инструментов в револьверній головці) | 6 | 6 | 6 |
| Параметри системы ЧПУ | |||
| Обозначение системы ЧПУ | 2Р22 | Н22-1М | 1Н22-61 |
| Число координат | 2 | 2 | 2 |
| Количество одновременно управляемых координат | 2 | 2 | 2 |
| Разрешающая способность в продольном направлении (дискретность задания по оси Z), мм | 0,001 | 0,001 | 0,001 |
| Разрешающая способность в поперечном направлении (дискретность задания по оси X), мм | 0,001 | 0,05 | 0,05 |
| Тип датчика нулевого положения | КВД3-24 | КВД3-24 | |
| Тип датчика обратной связи | РОД-620 | ВТ | |
| Тип резьбонарезного датчика | РОД-620 | ИГР | ИГР |
| Електродвигун головного привода | А02-52-4СП43, М301 4А132М443, М301 |
А02-52-4СП43, М301 4А132М443, М301 |
А02-52-4СП43, М301 4А132М443, М301 |
| Мощность двигуна головного привода, кВт | 11 | 11 | 11 |
| Суммарная мощность електродвигателей, кВт | 20 | 20 | 20 |
| Суммарная мощность верстата, кВт | 22 | 22 | 22 |
| Габарити і масса верстата | |||
| Масса верстата з ЧПУ, кг | 5000 | 5000 | 5000 |
Полезные ссылки по теме. Дополнительная информация