Виробник токарного верстата 16К20т1 – Московський верстатобудівний завод "Червоний пролетар" ім. А.І. Єфремова , заснований у 1857 році.
Перші універсальні токарно-гвинторізні верстати з коробкою швидкостей уперше в СРСР почали випускатися на Московському верстатобудівному заводі "Червоний пролетар" ім. А.І. Єфремова в 1932 році і отримали найменування ДІП-200 , ДІП-300 , ДІП-400 , ДІП-500 ( ДІП - Наздогнати І Перегнати), де 200, 300, 400, 500 - висота центрів над станиною.
У міру вдосконалення конструкції верстатів завод випускав дедалі сучасніші моделі - 1А62 , 1К62 , 16К20 , МК6056 .
Призначення токарного верстата 16К20Т1 з ОСУ Токарна обробка деталей типу тіл обертання в замкнутому напівавтоматичному циклі.
Токарний патронно-центровий верстат 16К20Т1 призначений для токарної обробки зовнішніх (діаметром до 500 мм) та внутрішніх поверхонь деталей (довжиною до 1000 мм) зі східчастиним та криволінійним профілем в осьовому перерізі.
Область застосування: дрібносерійне, серійне виробництво з невеликими партіями деталей, що повторюються.
Токарний верстат 16К20Т1 сконструйований на базі токарного верстата 16к20ф3 та має те саме призначення. Більшість вузлів уніфіковано. Багато в чому уніфіковано також конструкцію. Важливо різняться системи керування.
На відміну від верстата 16К20Ф3 у верстаті 16К20Т1 :
Керування верстатом здійснюється за допомогою електроніки НЦ-31. Верстат оснащений електроприводами подач: джерелами руху є двигуни постійного струму; зворотний зв'язок виконано на базі датчиків фотоімпульсного типу.
Оперативне керування забезпечує введення та редагування керуючої програми за допомогою клавіатури пульта, а також можливість передачі програми до касети зовнішньої пам'яті для зберігання поза верстатом. На УЧПУ "Електроніка НЦ-31" програма візуалізується на лампах цифрової індикації.
Верстат може випускатися у спеціальному та спеціалізованому виконанні з налагодженням за комплектом замовлення, наприклад 16К20Т.1.Н001, 16К20Т1.Н002.
Фланцевий кінець шпинделя виконаний за ГОСТ 12593 (DIN 55027, ІСО 702-3-75) під поворотну шайбу, з центруючим коротким конусом 1:4 (7°7′30″), номінальний діаметр конуса D = 106,375 мм, умовний розмір – 6. Внутрішній (інструментальний) конус шпинделя – Морзе 6. Стандартний діаметр токарного патрона 200, 250 мм.
Клас точності П згідно з ГОСТ 8-82.
Вид кліматичного виконання за ГОСТ15150-69: УХЛ4.
Розробник – Московський верстатобудівний завод «Червоний пролетар» ім. А. І. Єфремова.
Токарний верстат 16К20Т1 з оперативною системою керування (ОСУ) випускався у трьох виконаннях:

Креслення робочого простору токарного верстата 16К20Т1

Посадочні та приєднувальні бази токарного верстата 16К20Т1

Шпиндель токарного верстата 16К20Т1

Фото токарного верстата 16К20Т1

Розташування складових частинин токарного верстата 16К20Т1

Розташування складових частинин токарного верстата 16К20Т1

Розташування органів керування токарним верстатом 16К20Т1

Пульт керування токарним верстатом 16К20Т1
Електроустаткування верстата предназначено для:
Питание електроустаткування осуществляется от сети трехфазного переменного тока.
Питание електрических машин, аппаратов, ланцюгів керування і индикации осуществляется следующими напряжениями:
Електроустаткування верстата включает в себя:
Керування циклами роботи верстата осуществляется оперативной системой программного керування і електроавтоматикой верстата.
Основная контактная аппаратура і тиристорные преобразователи приводов подач расположены в шкафах керування.
Верстат подключается к сети автоматическим выключателем F4, установленным в шкафу.
Контроль наличия напряжения на станке осуществляется сигнальной лампой, находящейся на панелі, установленной на шкафу над передньої бабкой.
На етой панелі возле приводу вводного автомата находится выключатель S1, подающий напряжение на минимальный расланцюгитель вводного автомата.
ВНИМАНИЕ! Всегда необходимо помнить, что ланцюги минимального расланцюгителя, аварийной кнопки подключены до вводного автомата. При его выключении указанные ланцюги находятся под напряжением, о чем свидетельствует мигание сигнального пристроя HI, установленного на панелі 1 в шкафу керування.
На станке може быть установлен вводной автомат без минимального расланцюгителя. В етом случае напряжение на верстат подается магнитным пускателем, который включается выключателем SI (в качестве которого може быть применена кнопка).
Вращение шпинделя (главный привод) осуществляется асинхронным двигателем. Скорости шпинделя переключаются муфтами автоматичною коробки швидкостей (АКС) по командам от ОСУ.
Диапазоны швидкостей шпинделя контролируются конечными выключателями, установленными в шкафу керування.
Керування механізмами продольного і поперечного переміщення осуществляется тиристорными приводами постоянного тока по командам от ОСУ. Тиристорные преобразователи приводов, трансформатор і дроссели установлены в отдельно стоящем шкафу.
Контроль переміщення по пути осуществляется фотоелектрическими преобразователями.
Обратная связь по скорости осуществляется тахогенераторами, встроенными в двигатели подач.
В приводе резцедержки используется асинхронный двигатель.
Контроль позиций резцедержки осуществляется герконовым датчиком, расположенным в корпусе резцедержки. Там же находится кінцівой выключатель контроля зажиму резцедержки.
Для освещения рабочей зоны верстата предусмотрен светильник, который закреплен на каретке.
Подача охлаждающей жидкости осуществляется електронасосом.
Смазка направляючих осуществляется станцией змазки, которая крепится на кронштейне к основанию верстата.
Органы керування разделяются на две группы:
Опис органів керування ОСУ можно найти в технической документации системы, прикладываемой к данному руководству.
Опис органів керування верстата даны в разделе "Органы керування" руководства по експлуатации 16К20T1.000000.000 РЭ.
При выборе места для установки верстата следует учитывать необходимость свободного доступа к шкафам керування для обслуживания і осмотра.
Перед установкой на месте експлуатации необходимо проверить комплектность електроустаткування, произвести внешний осмотр его.
Ввод питающих проводов в шкаф керування выполняется заказчиком через вводное отверстие в верхней частини шкафа, в состоянии поставки закрытое полихлорвиниловой прокладкой. Сечение медных проводов живлення і защитного заземления должно быть не менее 10 мм.
Заземление верстата выполнить согласно требованиям "Правил устройств електроустановок"»
В случае отдельной поставки електромеханических зажимных головок приводу патрона і пиноли, після окончания их установки на шпиндельной і задньої бабках, необходимо произвести подключение проводов живлення і заземления на соответствующие клеммные зажимы упомянутых головок по схеме соединения верстата. Воздействием на педали керування головками проверить правильность направления обертання двигателей.
После установки верстата до подключения его к цеховой сети необходимо произвести замеры сопротивления заземления. Верстат, шкаф керування, ОСУ, все електродвигатели на станке должны быть тщательно і надежно заземлены.
Переходное сопротивление, измеренное между магистральной шиной заземления і любой металлической частью верстата, могущей оказаться под напряжением в результате пробоя изоляции, не должно превышать 0,1 Ома.
Работа верстата з открытыми дверями шкафа керування категорически запрещается.
Необходимо помнить, что після отключений вводного автомата его верхние контакты, контакты выключателя S1 находятся под напряжением 380 вольт. При включенном положении S1 под напряжением 380 вольт находятся также предохранители F1, F2, первичная обмотка трансформатора T1 і сигнальное пристрій H1.
Случайное прикосновение к упомянутым контактам ОПАСНО ДЛЯ ЖИЗНИ.
После монтажа перед первым включением необходимо:
На станке используется вводной автомат з минимальным расланцюгителем, і чтобы его включить необходимо сначала включить расланцюгитель.
Расщепитель включается переключателем S1.
При включении переключателя S1 загорается лампа Н2 і напряжение, кроме минимального расланцюгителя, подается на светосигнальное пристрій H1.
Далее следует включить вводной автомат F4 і все, защитные автоматы в шкафу.
После появления сигнала "Готовность УЧПУ" (включится реле К46) кнопкой S1 на шкафу приводов подач подать питание на преобразователи приводов подач. На панелі шкафа приводов загорится лампа Н2 "Контроль живлення приводов подач".
С пульта керування верстата включить насос охлаждения, проверить направление обертання.
Проверить работу системы змазки направляючих.
Проверить направление обертання двигуна головного привода.
Проверить работу тиристорных приводов подач. Все команды на перемещение каретки і суппорта, увімкнення шпинделя вводятся з пульта керування ОСУ в соответствии з инструкцией по експлуатации оперативной системы керування.
Проверить действие кнопки аварийного отключения, действие дистанционного расланцюгителя і конечных выключателей ограничения ходу каретки і суппорта, а также відключення живлення приводов подач при наезде на аварийные выключатели.
Проверить действие всех блокировок схеми.
Работа електроустаткування определяется схемой електрической принципиальной 16К20Т1.000000.000 Э3.
Електроустаткування обеспечивает работу верстата во всех режимах которые заложены в УЧПУ (ручной, автоматический, покадровая отработка).
Часть електроустаткування работает независимо от выбранного режима і обеспечивает выполнение следующих функций:
Независимо от заданного режима работают все сигнальные лампы.
Работа електроустаткування в режимах, которые обеспечивает система одинакова.
Команды от УЧПУ поступают на реле К46...К57 і запоминаются. Запоминание команд осуществляется следующим образом:
На контактах кодовых реле подадресной числовой информации построен двоично-десятичный дешифратор. Сигналы з выхода дешифратора совместно з соответствующим сигналом "Будет смена М" (реле К48), "Будет смена S" (реле К49), "Будет смена Т" (реле К50) поступают на схеми керування механізмами верстата.
На станке може быть установлен регулируемый привід головного руху і подачі.
В етом случае робота приводу головного руху і всего верстата определяется електросхемой принципиальной 16К20Т1.02.000000.000 Э31.
Керування двигателем головного приводу осуществляется преобразователем "Кемтор" (производства НРБ) по командам ОТ ОСУ (±10 В).
В остальном порядок роботи верстата соответствует описанию, данному в руководстве.
Привід головного руху на станке выполнен в 2-х исполнениях. В первом виконанні он включает в себя асинхронный електродвигатель, автоматическую коробку швидкостей, ручное переключение диапазонов.
Во втором виконанні - асинхронный електродвигатель, ручное переключение швидкостей і переключение диапазонов муфтами в шпиндельной бабке по командам УЧПУ М38, М39.
Схема для первого исполнения работает следующим образом. Сигналы от ЧПУ поступают на верстат і запоминаются. Сигналы от дешифратора поступают на диодный шифратор (V27... V44). С выхода шифратора при наличии команды "Будет смена S", сигналы поступают на блок тиристорных ключів (А15) і включает соответствующую пару муфт. В блоке A15 имеется защита от увімкнення более 2-х муфт, собранная на транзисторах V20, V19 і реле К1, которое включено постоянно при правильном выборе муфт.
Реле К28, К30 дают ответ о виконанні команды. Они включаются когда срабатывает схема совпадения, т.е. заданная скорость совпадает з действительной.
Диапазоны на станке з АКС переключаются вручную. Контроль переключения осуществляется конечными выключателями S30, S31.
Схема для второго исполнения работает следующим образом. Сигналы от ОСУ также запоминаются на станке. Контакты кодовых реле образуют двоично-десятичный дешифратор команд М. В етом виконанні команды S. не используются в схеме верстата так как скорости изменяются вручную. Смена швидкостей должна производиться при неработающем шпинделе.
Диапазон изменяется включением муфт по командам ОСУ М38, М39.
В обоих исполнениях шпиндель може вращаться как по часовий стрелке так і против по командам от ОСУ М03, М04, которые запоминаются на станке.
Ответ о выполнении команд М03, М04 і включении диапазонов осуществляется контактом реле K41.
На станке предусмотрен толчковый режим роботи шпинделя, который возможен только при отсутствии команд на вращение (М03, М04) і після окончания торможения. При нажатии кнопки S44 включается первая скорость АКС і вращение двигуна по часовий стрелке. Во втором виконанні включается первый диапазон і вращение по часовий стрелке. Останов і в том і в другом случае происходит без торможения.
В любом другом случае останов шпинделя происходит з торможением. При етом включаются тормозные муфты в АКС (первое виконання) или одновременно включаются муфты диапазонов (второе виконання).
Время торможения можно регулировать, что обеспечивается техническими данными реле часу.
На станке имеется возможность останова шпинделя переключателем. При етом команды М03 или М04 сохраняются в памяти верстата і при возвращении переключателя в правое положение вращение восстанавливается. Наличие команд М03, М04 для верстатів в первом виконанні индицируется сигнальной лампой, находящейся рядом з переключателем.
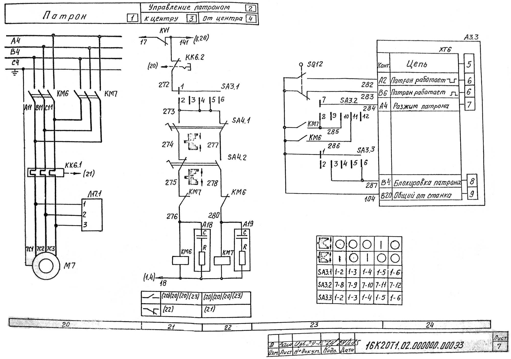
На станке може быть установлена одна из резцедержек:
При установці електромеханической резцедержки схема работает следующим образом.
Для смены инструмента на пульті ЧПУ задается новый номер инструмента. Код инструмента от ЧПУ поступает на дешифратор, сигнал з которого поступает на датчик положения резцедержки S32. Если сигналы з дешифратора і датчика не совпадают, то включается поворот резцедержки, который продолжается до совпадения заданного номера позиции з действительным, після чего включается реле К59 і контактор К18 і різцетримка зажимается.
Зажим резцедержки контролируется конечным выключателем S33 і реле тока К65. После срабатывания етих аппаратов двигатель резцедержки отключается. В ОСУ дается ответ о смене инструмента (К58).
Керування механізмами продольного і поперечного перемещений осуществляется тиристорным приводом постоянного тока по командам от ОСУ. Контроль по пути і обратная связь по скорости осуществляется соответственно фотоелектрическими датчиками B1, B2 і тахогенераторами G1 і G2, встроенными в двигатели подач.
Управлять переміщеннями по осям можно при помощи штурвала В3, расположенного на каретке. Контроль нулевой точки верстата осуществляемся конечными выключателями S14.4 і S15.4;
Работа двигуна охлаждения зависит от положения переключателя S17, который имеет три позиции:
Ответ о включении і выключении охлаждения в автоматическом режиме дает реле K41.
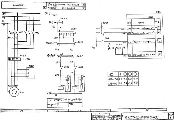
Работа з патроном і пинолью возможна только при остановленном шпинделе в ручном режиме. Зажим, разжим патрона осуществляется педалями S19, S20.
Подвод, отвод пиноли-педали S23, S12.
В станке выполнены наступні блокировки:
1. Нулевая защита верстата осуществляется блокконтактами соответствующих пускачів. После восстановления напряжения для продолжения роботи необходимо подать напряжение на приводу подач і продолжать выполнение программы вводом данных з пульта оператора.
2. Ограничение перемещений по координатам. Осуществляется конечными выключателями:
Отвод каретки і суппорта при наезде на выключатели ограничения осуществляется заданием переміщення в противоположную сторону з пуль та оператора УЧПУ.
3. Аварийное відключення живлення приводов подач. Осуществляется конечными выключателями:
При етом отключается реле К68, К69, отключая питание приводов подач.
Отвод каретки і суппорта из положения аварийного отключения производится в ручном режиме сигналами от УЧПУ при нажатой кнопке S24 на станке:
4. Исключена возможность роботи приводов патрона і пиноли при включенном приводе головного руху;
5. Ззапрещено увімкнення двигуна головного приводу при работающих приводах патрона і пиноли;
6. Запрещено увімкнення електродвигуна головного приводу одновременно в прямом і обратном направлениях;
7. Запрещен пуск программы в автоматическом режиме при открытом ограждении зоны різання. После запуска программы имеется возможность открыть ограждение;
8. Запрещено увімкнення електродвигуна резцедержки одновременно в прямом і обратном направлениях;
9. Блокировка пульта оператора. Это исключает постороннее вмешательство в программу;
10. Останов двигуна головного приводу при срабатывании тепловой защиты.
11. Захист електродвигуна головного приводу от токов короткого замыкания осуществляется автоматическим выключателем F4
12. Тепловая защита електродвигуна головного приводу осуществляется тепловыми реле F5
13. Захист електродвигателей резцедержки, охлаждения змазки направляючих, приводов патрона і пиноли, а также трансформаторов Т2, Т3, Т4, Т5 от токов короткого замыкания осуществляется автоматическим выключателем F8.
14. Захист електродвигателей резцедержки, охлаждения, змазки направляючих от перегрузок осуществляется тепловыми реле F16, F15, F14, соответственно.
15. Трансформатор Т1 со стороны 380В защищен предохранителями з плавкими вставками FI, F2. Со стороны ланцюгів керування от токов короткого замыкания трансформаторы защищены предохранителями з плавками вставками.
Значения номинальных токов і токов уставки автоматов, данные по току плавких вставок приведены в перечне елементів.
Для контроля наличия напряжения между любым из трех линейных проводов і шиной заземления служат светосигнальные пристроя Н1, Н3, Н4, Н5, установленные в шкафах керування. Эти пристроя работают только при открытых дверях шкафов керування і показывают включенное состояние автоматичного выключателя F4 і переключателя S1, а также контролируют состояние главных контактов выключателя.

Електрична схема токарного верстата з ОСУ 16К20Т1
Електрична схема токарного верстата з ОСУ 16К20Т1. Дивитись у збільшеному масштабі

Електрична схема токарного верстата з ОСУ 16К20Т1
Електрична схема токарного верстата з ОСУ 16К20Т1. Дивитись у збільшеному масштабі

Електрична схема токарного верстата з ОСУ 16К20Т1
Електрична схема токарного верстата з ОСУ 16К20Т1. Дивитись у збільшеному масштабі

Електрична схема токарного верстата з ОСУ 16К20Т1
Електрична схема токарного верстата з ОСУ 16К20Т1. Дивитись у збільшеному масштабі

Електрична схема токарного верстата з ОСУ 16К20Т1
Електрична схема токарного верстата з ОСУ 16К20Т1. Дивитись у збільшеному масштабі

Електрична схема токарного верстата з ОСУ 16К20Т1
Електрична схема токарного верстата з ОСУ 16К20Т1. Дивитись у збільшеному масштабі

Електрична схема токарного верстата з ОСУ 16К20Т1
Електрична схема токарного верстата з ОСУ 16К20Т1. Дивитись у збільшеному масштабі

Електрична схема токарного верстата з ОСУ 16К20Т1
Електрична схема токарного верстата з ОСУ 16К20Т1. Дивитись у збільшеному масштабі

Електрична схема токарного верстата з ОСУ 16К20Т1
Електрична схема токарного верстата з ОСУ 16К20Т1. Дивитись у збільшеному масштабі

Електрична схема токарного верстата з ОСУ 16К20Т1
Електрична схема токарного верстата з ОСУ 16К20Т1. Дивитись у збільшеному масштабі

Електрична схема токарного верстата з ОСУ 16К20Т1
Електрична схема токарного верстата з ОСУ 16К20Т1. Дивитись у збільшеному масштабі

Електрична схема токарного верстата з ОСУ 16К20Т1
Електрична схема токарного верстата з ОСУ 16К20Т1. Дивитись у збільшеному масштабі

Електрична схема токарного верстата з ОСУ 16К20Т1
Електрична схема токарного верстата з ОСУ 16К20Т1. Дивитись у збільшеному масштабі

Список елементів токарного верстата з ОСУ 16К20Т1
Список елементів токарного верстата з ОСУ 16К20Т1. Дивитись у збільшеному масштабі

Список елементів токарного верстата з ОСУ 16К20Т1
Список елементів токарного верстата з ОСУ 16К20Т1. Дивитись у збільшеному масштабі

Список елементів токарного верстата з ОСУ 16К20Т1
Список елементів токарного верстата з ОСУ 16К20Т1. Дивитись у збільшеному масштабі

Список елементів токарного верстата з ОСУ 16К20Т1
Список елементів токарного верстата з ОСУ 16К20Т1. Дивитись у збільшеному масштабі

Список елементів токарного верстата з ОСУ 16К20Т1
Список елементів токарного верстата з ОСУ 16К20Т1. Дивитись у збільшеному масштабі

Список елементів токарного верстата з ОСУ 16К20Т1
Список елементів токарного верстата з ОСУ 16К20Т1. Дивитись у збільшеному масштабі

Список елементів токарного верстата з ОСУ 16К20Т1
Список елементів токарного верстата з ОСУ 16К20Т1. Дивитись у збільшеному масштабі

Список елементів токарного верстата з ОСУ 16К20Т1
Список елементів токарного верстата з ОСУ 16К20Т1. Дивитись у збільшеному масштабі

Список елементів токарного верстата з ОСУ 16К20Т1
Список елементів токарного верстата з ОСУ 16К20Т1. Дивитись у збільшеному масштабі

Список елементів токарного верстата з ОСУ 16К20Т1
Список елементів токарного верстата з ОСУ 16К20Т1. Дивитись у збільшеному масштабі

Список елементів токарного верстата з ОСУ 16К20Т1
Список елементів токарного верстата з ОСУ 16К20Т1. Дивитись у збільшеному масштабі

Список елементів токарного верстата з ОСУ 16К20Т1
Список елементів токарного верстата з ОСУ 16К20Т1. Дивитись у збільшеному масштабі

Список елементів токарного верстата з ОСУ 16К20Т1
Список елементів токарного верстата з ОСУ 16К20Т1. Дивитись у збільшеному масштабі

Список елементів токарного верстата з ОСУ 16К20Т1
Список елементів токарного верстата з ОСУ 16К20Т1. Дивитись у збільшеному масштабі

Список елементів токарного верстата з ОСУ 16К20Т1
Список елементів токарного верстата з ОСУ 16К20Т1. Дивитись у збільшеному масштабі

Список елементів токарного верстата з ОСУ 16К20Т1
Список елементів токарного верстата з ОСУ 16К20Т1. Дивитись у збільшеному масштабі
| Наименование параметра | 16К20Т1 | 16К20Т1.01 | 16К20Т1.02 |
|---|---|---|---|
| Основні параметри верстата | |||
| Тип системы ЧПУ | НЦ-31 | НЦ-31 | НЦ-31 |
| Наибольший диаметр обрабатываемого вироби над станиной, мм | 500 | 500 | 500 |
| Наибольший диаметр обрабатываемого вироби над суппортом, мм | 215 | 215 | 220 |
| Наибольшая длина обрабатываемого вироби, мм | 1000 | 1000 | 1000 |
| Наибольшая длина обробки, мм | 900 | 900 | 905 |
| Наибольший диаметр обрабатываемого прутка, мм | 53 | 53 | 53 |
| Шпиндель | |||
| Мощность двигуна головного руху, кВт | 11 | 11 | 11 |
| Количество рабочих швидкостей шпинделя | 24 | 22 | б/с |
| Диаметр отверстия в шпинделе, мм | 55 | 55 | 55 |
| Пределы чисел оборотів шпинделя, об/мин | 10,0...2000 | 12,5...2000 | 22,4...2240 |
| Количество автоматически переключаемых швидкостей | 2 | 9 | б/с |
| Диапазон швидкостей шпинделя, устанавливаемый вручную, об/мин | Ряд I - 10..1000 Ряд II - 20..2000 |
Ряд I - 12,5..200 Ряд II - 50..800 Ряд III - 125..2000 |
Ряд I - 22,4..355 Ряд II - 63..900 Ряд III - 160..2240 |
| Центр шпинделя передньої бабки по ГОСТ 13214-67 | 7032 - 0043 Морзе №6 | 7032 - 0043 Морзе №6 | 7032 - 0043 Морзе №6 |
| Центр пиноли задньої бабки по ГОСТ 13214-67 | 7032 - 0045 Морзе №5 | 7032 - 0045 Морзе №5 | 7032 - 0045 Морзе №5 |
| Кінець шпинделя по ГОСТ 12593-72 | 6К | 6К | 6К |
| Наибольший крутящий момент на шпинделе, Нм | 1000 | 1000 | 1000 |
| Предельный диаметр сверления по стали/ чугуну, мм | 25/ 28 | 25/ 28 | 25/ 28 |
| Подачи | |||
| Наибольшее перемещение суппорта продольное / поперечное, мм | 900/ 250 | 900/ 250 | 905/ 275 |
| Максимальная скорость поздовжньої/ поперечної рабочей подачі, м/мин | 2,0/ 1,0 | 2,0/ 1,0 | 2,0/ 1,0 |
| Пределы шагов нарезаемых резьб, мм | 0,01..40,959 | 0,01..40,959 | <0,01..40,959/td> |
| Диапазон швидкостей продольных подач, мм/мин | 0,01..2,8 | 0,01..2,8 | 0,01..20,47 |
| Диапазон швидкостей поперечных подач, мм/мин | 0,005..1,4 | 0,005..1,4 | 0,005..10,23 |
| Скорость быстрых продольных/ поперечных ходов, м/мин | 6/ 5 | 6/ 5 | 7,5/ 5 |
| Дискретность продольного/ поперечного переміщення | 0,01/ 0,005 | 0,01/ 0,005 | 0,01/ 0,005 |
| Количество позиций на поворотной резцедержке (число инструментов в револьверній головці) | 6 | 6 | 6 |
| Параметри системы ОСУ | |||
| Обозначение системы ОСУ | НЦ-31 | НЦ-31 | НЦ-31 |
| Число координат | 2 | 2 | 2 |
| Количество одновременно управляемых координат | 2 | 2 | 2 |
| Разрешающая способность в продольном направлении (дискретность задания по оси Z), мм | 0,01 | 0,01 | 0,01 |
| Разрешающая способность в поперечном направлении (дискретность задания по оси X), мм | 0,005 | 0,005 | |
| Тип датчика обратной связи | ВЕ-178 | ВЕ-178 | ВЕ-178 |
| Тип резьбонарезного датчика | ВЕ-178 | ВЕ-178 | ВЕ-178 |
| Електроустаткування. Привод | |||
| Количество електродвигателей на станке | 5 | 6 | 7 |
| Електродвигун приводу головного руху, кВт | 11 | 11 | 11 |
| Електродвигун приводу продольных подач, кВт | 2,2 | 2,2 | 2,2 |
| Електродвигун приводу поперечных подач, кВт | 1,1 | 1,1 | 1,1 |
| Електродвигун револьверної головки, кВт | - | 0,18 | 0,37 |
| Електродвигун станції змазки каретки, кВт | 0,12 | 0,12 | 0,18 |
| Електродвигун станції змазки шпиндельной бабки, кВт | - | - | 0,27 |
| Електродвигун насоса охлаждения, кВт | 0,12 | 0,12 | 0,18 |
| Суммарная мощность електродвигателей, кВт | 14,54 | 14,72 | 16 |
| Суммарная мощность верстата, кВт | 24 | 24 | 25 |
| Габарити і масса верстата | 3175 х 1700 х 1700 | 3175 х 1700 х 1700 | 3230 х 1700 х 1700 |
| Масса верстата з ЧПУ, кг | 3800 | 4100 | 3800 |
Полезные ссылки по теме. Дополнительная информация