Виробник токарно-гвинторізного верстата моделі 1К62 – Московський верстатобудівний завод "Червоний пролетар" ім. А.І. Єфремова , заснований у 1857 році.

Основні вузли та органи керування токарним верстатом 1к62
Основні вузли та органи керування токарним верстатом 1К62. Дивитись у збільшеному масштабі

Кінематична схема токарно-гвинторізного 1к62
Кінематика токарно-гвинторізного верстата 1К62. Дивитись у збільшеному масштабі

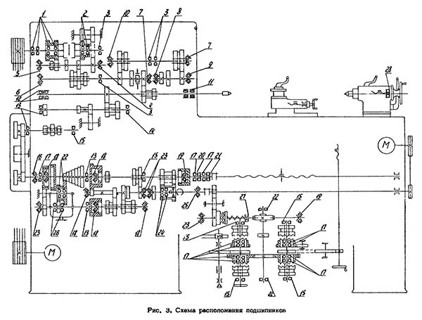
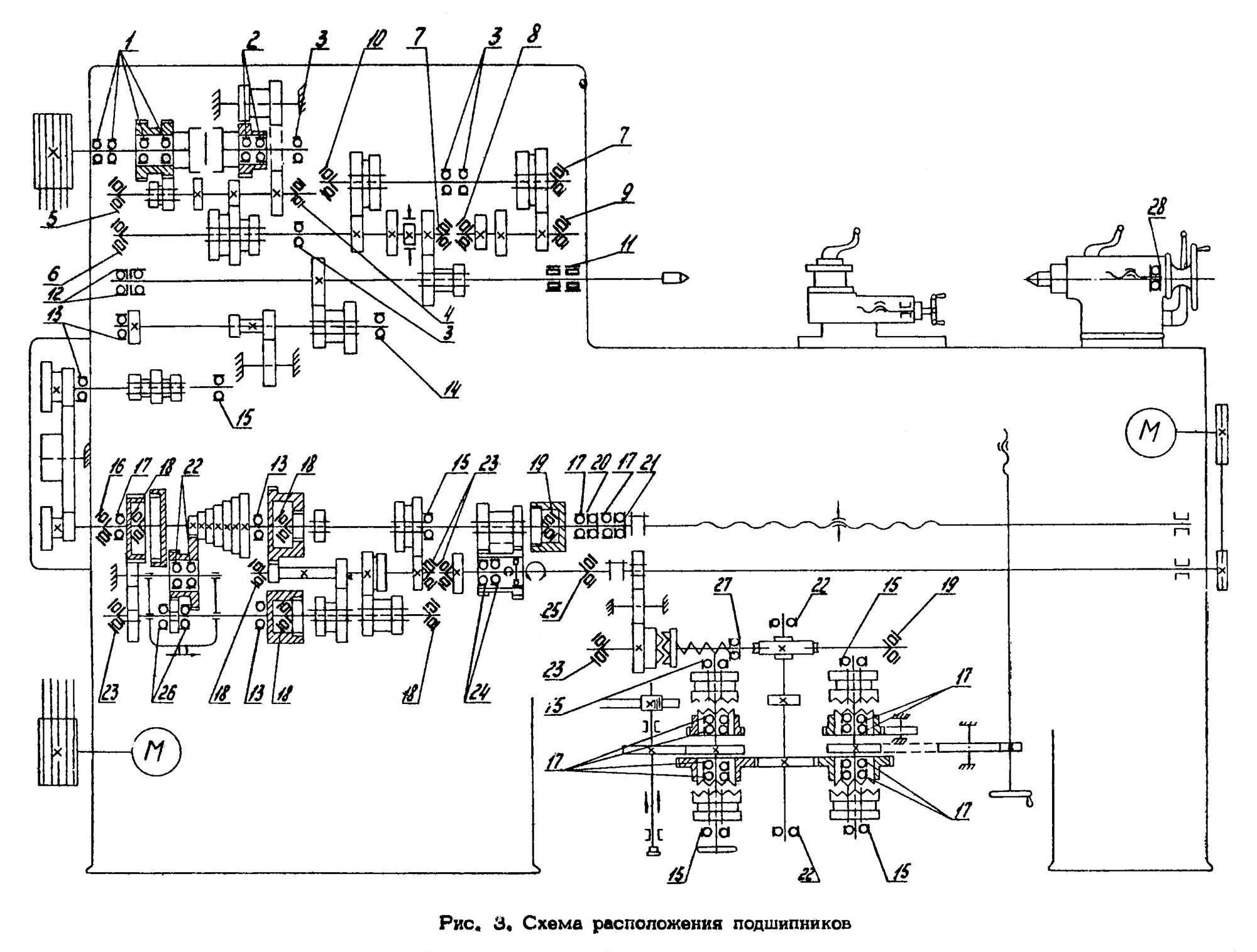
Схема установки підшипників на токарно-гвинторізному верстаті 1к62

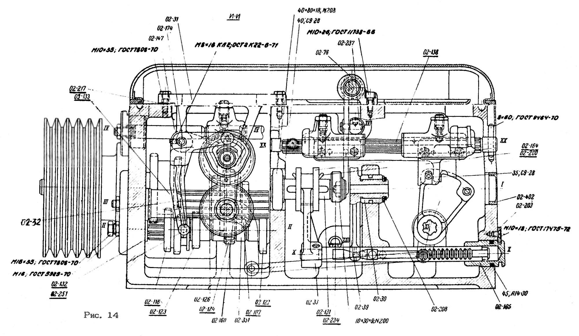
Передня бабка (коробка швидкостей) токарно-гвинторізного верстата 1к62

Розгортка передньої бабки токарно-гвинторізного верстата 1к62
1. Розгортка передньої бабки токарно-гвинторізного верстата 1К62. Дивитись у збільшеному масштабі
2. Розгортка передньої бабки токарно-гвинторізного верстата 1К62. Дивитись у збільшеному масштабі
3. Розгортка передньої бабки токарно-гвинторізного верстата 1К62. Дивитись у збільшеному масштабі

Передня бабка (коробка швидкостей) токарно-гвинторізного верстата 1к62

Передня бабка (коробка швидкостей) токарно-гвинторізного верстата 1к62

Передня бабка (коробка швидкостей) токарно-гвинторізного верстата 1к62

Передня бабка (коробка швидкостей) токарно-гвинторізного верстата 1к62

Передня бабка (коробка швидкостей) токарно-гвинторізного верстата 1к62

Передня бабка (коробка швидкостей) токарно-гвинторізного верстата 1к62

Передня бабка (коробка швидкостей) токарно-гвинторізного верстата 1к62

Передня бабка (коробка швидкостей) токарно-гвинторізного верстата 1к62

Передня бабка (коробка швидкостей) токарно-гвинторізного верстата 1к62

Передня бабка (коробка швидкостей) токарно-гвинторізного верстата 1к62

Приклон і гітара токарно-гвинторізного верстата 1к62
Прихил та гітара токарно-гвинторізного верстата 1К62. Дивитись у збільшеному масштабі

Приклон і гітара токарно-гвинторізного верстата 1к62
Прихил та гітара токарно-гвинторізного верстата 1К62. Дивитись у збільшеному масштабі

Передня бабка (коробка швидкостей) токарно-гвинторізного верстата 1к62

Передня бабка (коробка швидкостей) токарно-гвинторізного верстата 1к62

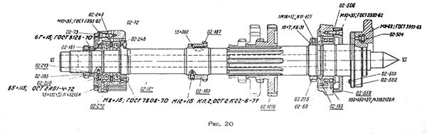
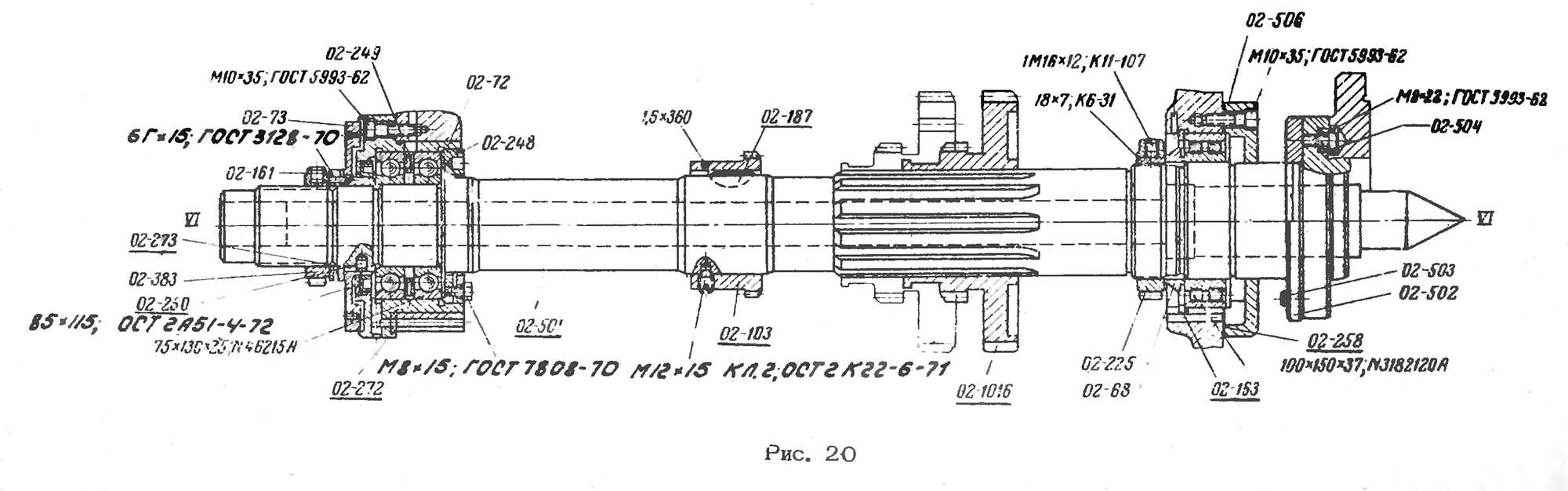
Шпиндель токарно-гвинторізного верстата 1к62
Креслення шпинделя токарно-гвинторізного верстата 1К62. Дивитись у збільшеному масштабі

Задня бабка токарно-гвинторізного верстата 1к62
Задня бабка токарно-гвинторізного верстата 1К62. Дивитись у збільшеному масштабі

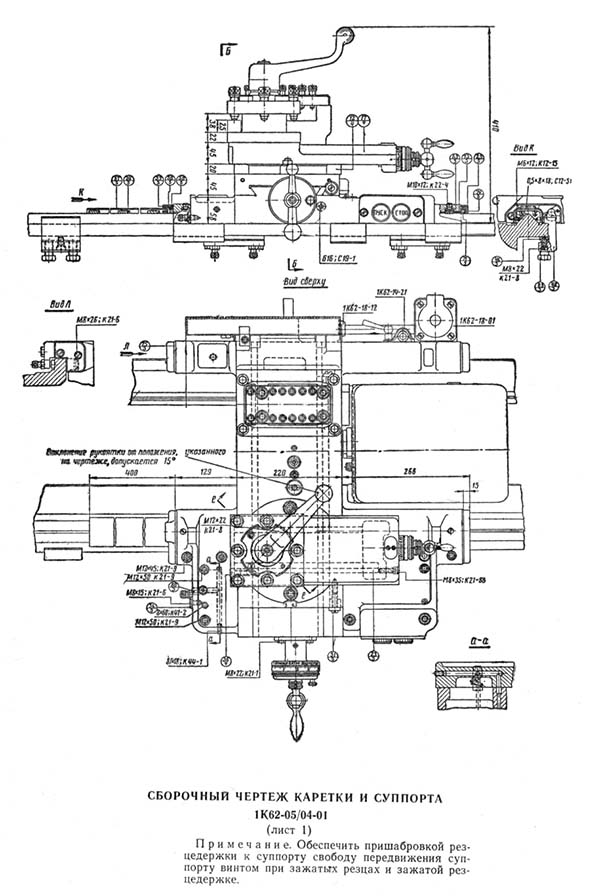
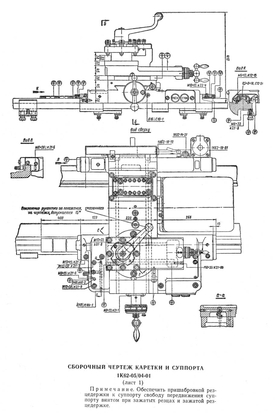
Суппорт токарно-гвинторізного верстата 1к62
Суппорт токарно-гвинторізного верстата 1К62. Дивитись у збільшеному масштабі

Суппорт токарно-гвинторізного верстата 1к62
Суппорт токарно-гвинторізного верстата 1К62. Дивитись у збільшеному масштабі

Суппорт токарно-гвинторізного верстата 1к62
Суппорт токарно-гвинторізного верстата 1К62. Дивитись у збільшеному масштабі

Суппорт токарно-гвинторізного верстата 1к62
Суппорт токарно-гвинторізного верстата 1К62. Дивитись у збільшеному масштабі

Суппорт токарно-гвинторізного верстата 1к62
Суппорт токарно-гвинторізного верстата 1К62. Дивитись у збільшеному масштабі

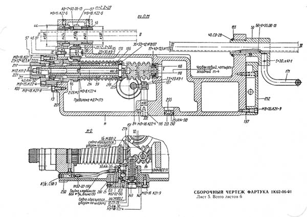
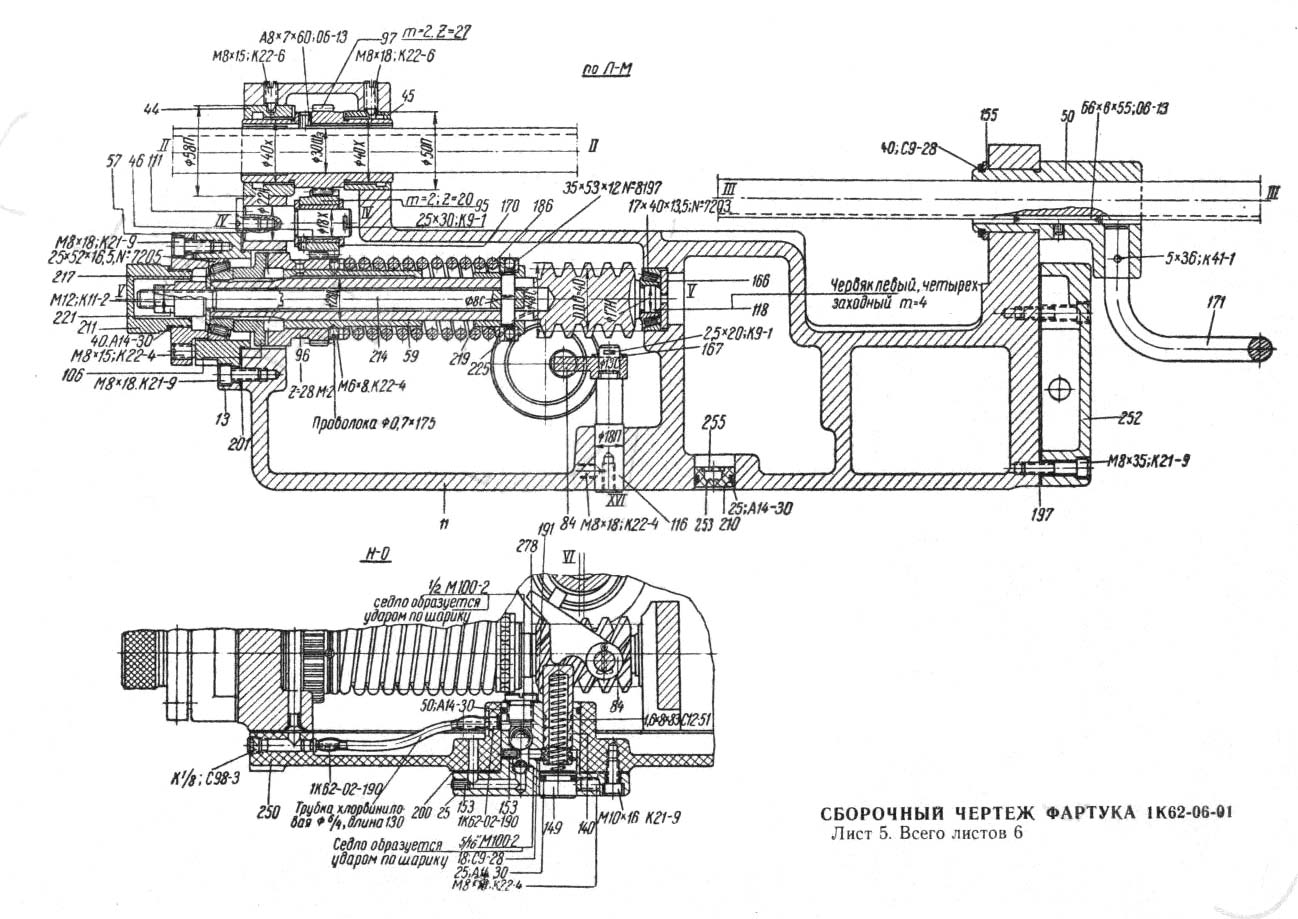
Фартук токарно-гвинторізного верстата 1к62
Фартук токарно-гвинторізного верстата 1К62. Дивитись у збільшеному масштабі

Фартук токарно-гвинторізного верстата 1к62
Фартук токарно-гвинторізного верстата 1К62. Дивитись у збільшеному масштабі

Фартук токарно-гвинторізного верстата 1к62
Фартук токарно-гвинторізного верстата 1К62. Дивитись у збільшеному масштабі

Фартук токарно-гвинторізного верстата 1к62
Фартук токарно-гвинторізного верстата 1К62. Дивитись у збільшеному масштабі

Фартук токарно-гвинторізного верстата 1к62
Фартук токарно-гвинторізного верстата 1К62. Дивитись у збільшеному масштабі

Фартук токарно-гвинторізного верстата 1к62
Фартук токарно-гвинторізного верстата 1К62. Дивитись у збільшеному масштабі

Фартук токарно-гвинторізного верстата 1к62
Фартук токарно-гвинторізного верстата 1К62. Дивитись у збільшеному масштабі

Фартук токарно-гвинторізного верстата 1к62
Фартук токарно-гвинторізного верстата 1К62. Дивитись у збільшеному масштабі

Фартук токарно-гвинторізного верстата 1к62
Фартук токарно-гвинторізного верстата 1К62. Дивитись у збільшеному масштабі

Фартук токарно-гвинторізного верстата 1к62
Фартук токарно-гвинторізного верстата 1К62. Дивитись у збільшеному масштабі

Фартук токарно-гвинторізного верстата 1к62
Фартук токарно-гвинторізного верстата 1К62. Дивитись у збільшеному масштабі

Фартук токарно-гвинторізного верстата 1к62
Фартук токарно-гвинторізного верстата 1К62. Дивитись у збільшеному масштабі

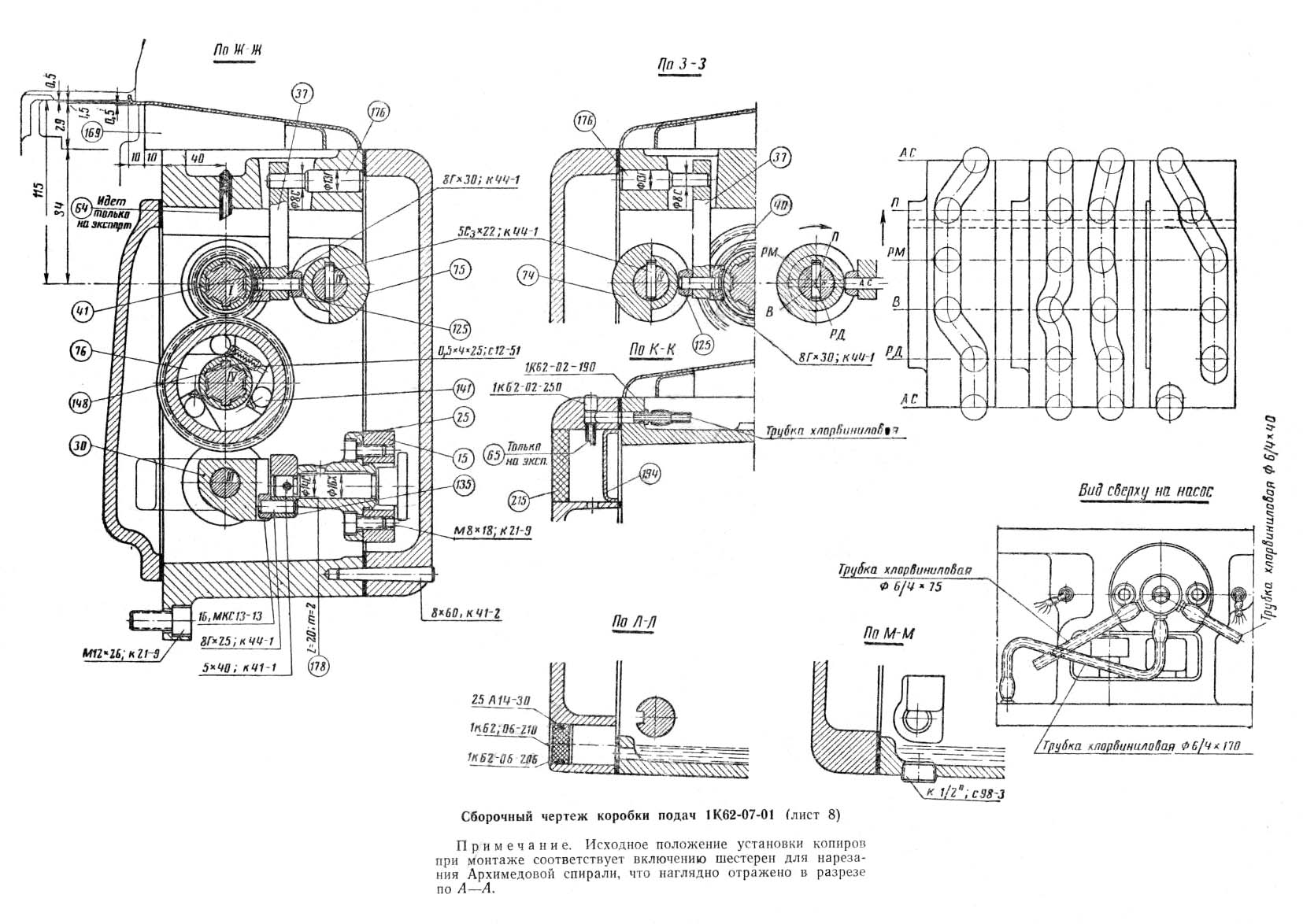
Коробка подач токарно-гвинторізного верстата 1к62
Коробка подач токарно-гвинторізного верстата 1К62. Дивитись у збільшеному масштабі

Коробка подач токарно-гвинторізного верстата 1к62
Коробка подач токарно-гвинторізного верстата 1К62. Дивитись у збільшеному масштабі

Коробка подач токарно-гвинторізного верстата 1к62
Коробка подач токарно-гвинторізного верстата 1К62. Дивитись у збільшеному масштабі

Коробка подач токарно-гвинторізного верстата 1к62
Коробка подач токарно-гвинторізного верстата 1К62. Дивитись у збільшеному масштабі

Коробка подач токарно-гвинторізного верстата 1к62
Коробка подач токарно-гвинторізного верстата 1К62. Дивитись у збільшеному масштабі

Коробка подач токарно-гвинторізного верстата 1к62
Коробка подач токарно-гвинторізного верстата 1К62. Дивитись у збільшеному масштабі

Коробка подач токарно-гвинторізного верстата 1к62
Коробка подач токарно-гвинторізного верстата 1К62. Дивитись у збільшеному масштабі

Коробка подач токарно-гвинторізного верстата 1к62
Коробка подач токарно-гвинторізного верстата 1К62. Дивитись у збільшеному масштабі

Коробка подач токарно-гвинторізного верстата 1к62
Коробка подач токарно-гвинторізного верстата 1К62. Дивитись у збільшеному масштабі

Коробка подач токарно-гвинторізного верстата 1к62
Коробка подач токарно-гвинторізного верстата 1К62. Дивитись у збільшеному масштабі

Коробка подач токарно-гвинторізного верстата 1к62
Коробка подач токарно-гвинторізного верстата 1К62. Дивитись у збільшеному масштабі

Коробка подач токарно-гвинторізного верстата 1к62
Коробка подач токарно-гвинторізного верстата 1К62. Дивитись у збільшеному масштабі

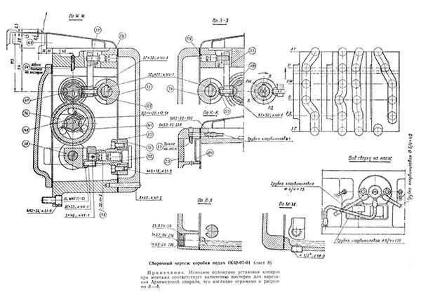
Коробка подач токарно-гвинторізного верстата 1к62
Коробка подач токарно-гвинторізного верстата 1К62. Дивитись у збільшеному масштабі
| Наименование параметра | ДИП-200 (1д62м) |
1А62 | 1К62 | 16К20 |
|---|---|---|---|---|
| Основні параметри | ||||
| Класс точності по ГОСТ 8-82 | Н | Н | Н | Н |
| Наибольший диаметр заготовки, обрабатываемой над станиной, мм | 410 | 400 | 400 | 400 |
| Наибольший диаметр заготовки, обрабатываемой над суппортом, мм | 210 | 210 | 220 | 220 |
| Наибольшая длина заготовки, обрабатываемой в центрах (РМЦ), мм | 750, 1000, 1500 | 750, 1000, 1500 | 710, 1000, 1400 | 710, 1000, 1400, 2000 |
| Наибольшая длина обточки, мм | 650, 900, 1400 | 650, 900, 1400 | 640, 930, 1330 | 645, 935, 1335, 1935 |
| Высота оси центров над плоскими направляющими станины, мм | 202 | 215 | 215 | |
| Наибольшее расстояние от оси центров до до кромки резцедержателя, мм | 228 | 228 | 240 | |
| Высота от опорной поверхности резца до оси центров (высота резца), мм | 23 | 25 | 25 | 25 |
| Наибольшее сечение державки резца, мм | 25 х 25 | 25 х 25 | 25 х 25 | 25 х 25 |
| Наибольшая масса заготовки, обрабатываемой в патроне, кг | 500 | 200 | ||
| Наибольшая масса заготовки, обрабатываемой в центрах, кг | 1500 | 460, 650, 900, 1300 | ||
| Шпиндель | ||||
| Диаметр сквозного отверстия в шпинделе, мм | 38 | 36 | 38/ 47 | 52 |
| Наибольший диаметр прутка, проходящий через отверстие в шпинделе, мм | 37 | 34 | 36/ 45 | 50 |
| Число ступеней частот прямого обертання шпинделя | 18 | 21 | 24 | 24 |
| Частота обертання шпинделя в прямом направлении, об/мин | 11,5..600 | 11,5..1200 | 12,5..2000 | 12,5..1600 |
| Число ступеней частот обратного обертання шпинделя | 9 | 12 | 12 | 12 |
| Частота обертання шпинделя в обратном направлении, об/мин | 18..760 | 18..1520 | 19..2420 | 19..1900 |
| Размер внутреннего конуса в шпинделе, М | Морзе 5 | Морзе 5 | Морзе 5/ 6 | Морзе 6 |
| Кінець шпинделя фланцевого | М90х6 | М90х6 | М90х6/ 6 | 6К по ГОСТ 12593-72 |
| Торможение шпинделя | есть | есть | есть | |
| Материал шпинделя | Ст.45 | Ст.45 | ||
| Суппорт. Подачи | ||||
| Наибольшее перемещение поздовжньої каретки суппорта от руки, мм | 650, 900, 1400 | 650, 900, 1400 | 640, 930, 1330 | |
| Наибольшее перемещение поздовжньої каретки суппорта по валику і по винту, мм | 650, 900, 1400 | 650, 900, 1400 | 640, 930, 1330 | 645, 935, 1335, 1935 |
| Наибольшее перемещение поперечної каретки суппорта от руки, мм | 280 | 280 | 250 | 300 |
| Наибольшее перемещение поперечної каретки суппорта по валику і по винту, мм | 280 | 280 | 250 | |
| Продольное перемещение на одно деление лимба, мм | нет | 1 | 1 | 1 |
| Поперечное перемещение на одно деление лимба, мм | 0,05 | 0,05 | 0,05 | 0,05 |
| Поперечное перемещение на один оборот лимба (шаг гвинта поперечного суппорта), мм | 5 | 5 | ||
| Число ступеней продольных подач | 35 | 35 | 49 | |
| Пределы рабочих подач продольных, мм/об | 0,082..1,59 | 0,082..1,59 | 0,07..4,16 | 0,05..2,8 |
| Число ступеней поперечных подач | 35 | 35 | 49 | |
| Пределы рабочих подач поперечных, мм/об | 0,027..0,522 | 0,027..0,522 | 0,035..2,08 | 0,025..1,4 |
| Скорость быстрых перемещений суппорта, продольных, м/мин | нет | нет | 3,4 | 3,8 |
| Скорость быстрых перемещений суппорта, поперечных, м/мин | нет | нет | 1,7 | 1,9 |
| Максимально допустимая скорость при работе по упорам, м/мин | 0,25 | |||
| Количество нарезаемых різьб метрических | 25 | 19 | 44 | |
| Пределы шагов метрических резьб, мм | 1..12 | 1..12 | 1..192 | 0,5..112 |
| Количество нарезаемых різьб дюймовых | 30 | 20 | 38 | |
| Пределы шагов дюймовых резьб, ниток/дюйм | 24..2 | 24..2 | 24..2 | 56..0,5 |
| Количество нарезаемых різьб модульных | 12 | 10 | 20 | |
| Пределы шагов модульных резьб, модуль | 0,25..3 | 0,5..3 | 0,5..48 | 0,5..112 |
| Количество нарезаемых різьб питчевых | 24 | 24 | 37 | |
| Пределы шагов нарезаемых різьб питчевых | 96..7 | 95..7 | 96..1 | 56..0,5 |
| Выключающие упоры продольные | есть | есть | есть | есть |
| Выключающие упоры поперечные | нет | нет | нет | |
| Предохранение от перегрузки | есть | есть | есть | есть |
| Блокировка одновременного увімкнення продольного і поперечного руху суппорта | есть | есть | есть | есть |
| Різьбопокажчик | нет | |||
| Наружный диаметр ходового гвинта, мм | 40 | 40 | ||
| Шаг ходового гвинта, мм | 12 | 12 | ||
| Диаметр ходового вала, мм | 30 | 30 | ||
| Резцовые салазки | ||||
| Наибольшее перемещение резцовых салазок, мм | 100 | 113 | 140 | 150 |
| Перемещение резцовых салазок на одно деление лимба, мм | 0,05 | 0,05 | 0,05 | 0,05 |
| Перемещение резцовых салазок на один оборот лимба (шаг гвинта резцовых салазок), мм | 5 | 5 | ||
| Наибольший угол поворота резцовых салазок, град | ±45° | ±90° | ±90° | ±90° |
| Цена деления шкалы поворота резцовых салазок, град | 1° | 1° | 1° | 1° |
| Число резцов в резцовой головке | 4 | 4 | 4 | 4 |
| Задня бабка | ||||
| Диаметр пиноли задньої бабки, мм | 65 | 70 | ||
| Конус отверстия в пиноли задньої бабки по ГОСТ 2847-67 | Морзе 4 | Морзе 4 | Морзе 5 | Морзе 5 |
| Наибольшее перемещение пиноли, мм | 150 | 150 | 150 | 150 |
| Перемещение пиноли на одно деление лимба, мм | нет | нет | 0,05 | 0,1 |
| Величина поперечного смещения корпуса бабки, мм | ±15 | ±15 | ±15 | ±15 |
| Електроустаткування | ||||
| Количество електродвигателей на станке | 1 | 2 | 4 | 4 |
| Електродвигун головного привода, кВт | 4,3 | 7 | 10 | 11 |
| Електродвигун быстрых перемещений, кВт | нет | нет | 0,8 | 0,75 |
| Електродвигун гідростанції, кВт | нет | нет | 1,1 | 1,1 |
| Електродвигун насоса охлаждения, кВт | нет | 0,125 | 0,125 | 0,12 |
| Насос охлаждения (помпа) | ПА-22 | ПА-22 | ПА-22 | |
| Габарити і масса верстата | ||||
| Габарити верстата (длина ширина высота) (РМЦ = 1000), мм | 2650 х 1315 х 1220 | 2650 х 1580 х 1210 | 2812 х 1166 х 1324 | 2795 х 1190 х 1500 |
| Масса верстата (РМЦ = 1000), кг | 1750 | 2105 | 2140 | 3005 |
Связанные ссылки
1К62 Паспорт токарно-гвинторізного верстата, (djvu) 1,8 Мб, Скачать
1К62 Посібник з ремонту токарно-гвинторізних верстатів. Частина 1. Загальний опис верстатів та креслення вузлів
1К62 Руководство по ремонту токарно-винторезных верстатів 1К62, 1К625. Часть 2. Сменяемые детали
1К62 Посібник з ремонту токарно-гвинторізних верстатів 1К62, 1К625. Частина 3. Маршрутна технологія збирання-розбирання
Той, хто шукає мільйони, дуже рідко їх знаходить, але той, хто їх не шукає, — не знаходить ніколи!
Оноре де Бальзак