Виробник токарно-гвинторізного верстата моделі 1К62 – Московський верстатобудівний завод "Червоний пролетарій" ім. А.І. Єфремова , заснований у 1857 році.
Універсальний токарно-гвинторізний верстат 1К62 почав випускатися заводом у 1956 році та замінив у виробництві застарілу модель 1А62 . У 1971 році верстат був замінений на більш досконалу модель 16К20 .
Токарно-гвинторізний верстат 1К62 призначений для виконання найрізноманітніших токарних робіт, у тому числі для нарізування різьблення: метричної, дюймової, модульної, пітчевої та архімедової спіралі з кроком 3/8", 7/16"; 8; 10 та 12 мм.
Токарний верстат 1К62 можна зарахувати до лобових токарних верстатів, т.к. він дозволяє обробляти відносно короткі заготовки великого діаметра.
Умови експлуатації верстата - УХЛ-4 за ГОСТ 15150-69.

Креслення робочого простору токарного верстата 1к62

Фото токарно-гвинторізного верстата 1к62
Фото токарно-гвинторізного верстата 1к62. Дивитись у збільшеному масштабі

Фото токарно-гвинторізного верстата 1к62
Фото токарно-гвинторізного верстата 1к62. Дивитись у збільшеному масштабі

Розташування складових частинин токарного верстата 1к62

Схема розташування органів керування токарним верстатом 1к62
Питание ланцюгів електроустаткування осуществляется следующими напряжениями:
Електроустаткування верстата предназначено для подключения к трехфазной сети переменного тока з глухозаземленным или изолированным нейтральным проводом.
На станке установлены електродвигатели:

Електрична схема токарно-гвинторізного верстата 1к62 (1962 года)
Схема електрична токарно-гвинторізного верстата 1К62. Дивитись у збільшеному масштабі

Список елементів токарно-гвинторізного верстата 1к62 (1962 года)
Список елементів токарно-гвинторізного верстата 1к62. Дивитись у збільшеному масштабі

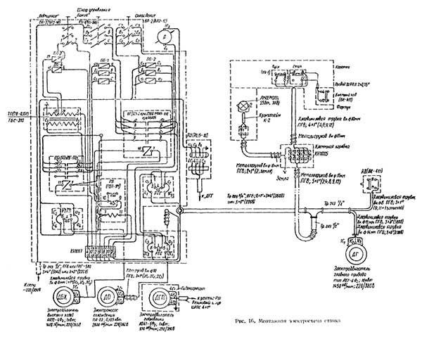
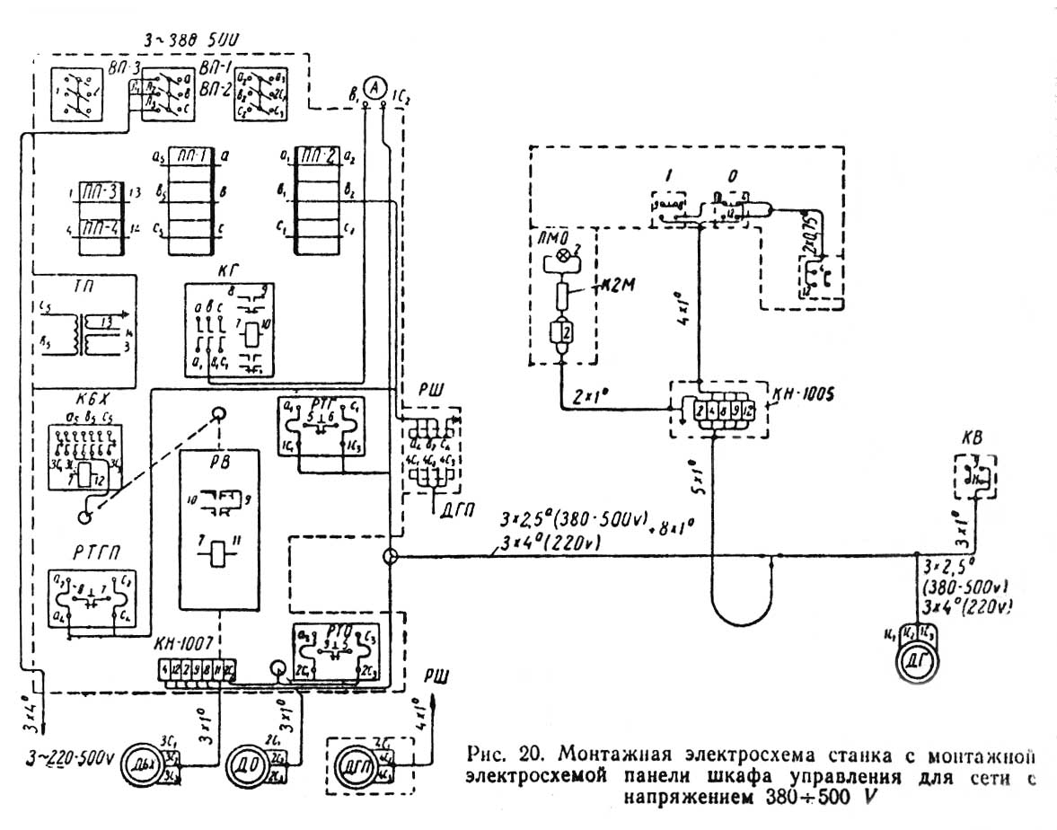
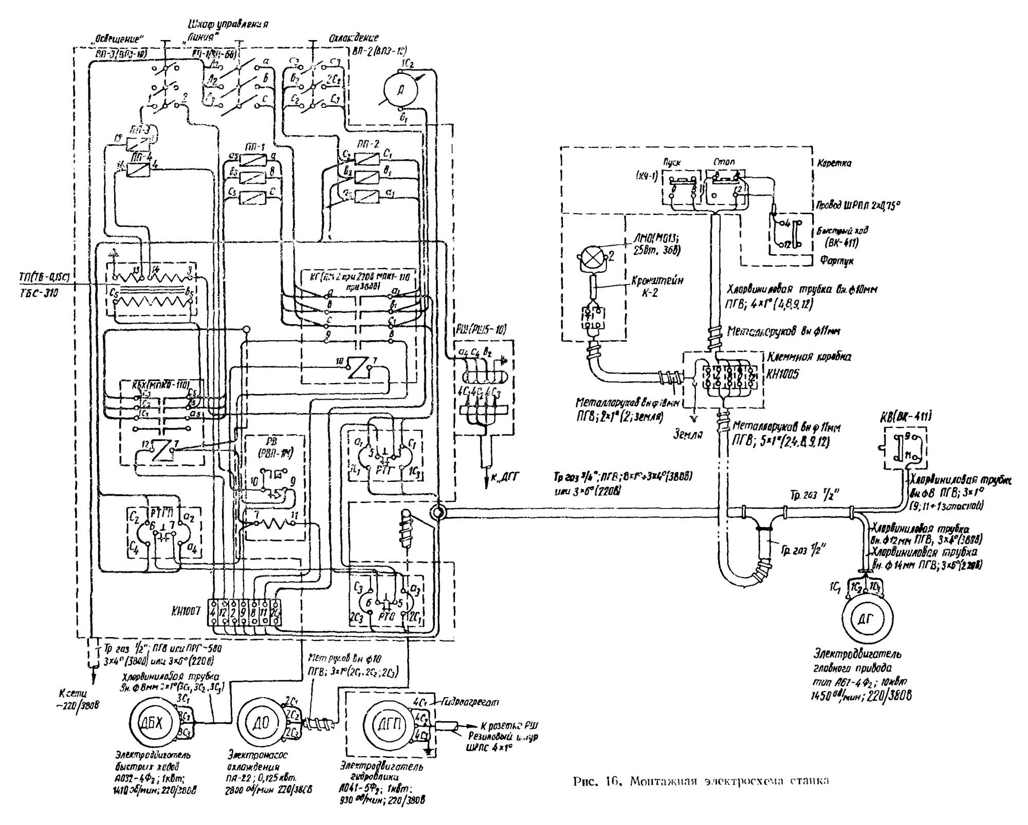
Монтажная схема токарно-гвинторізного верстата 1к62 (1962 года)
Схема Монтажная токарно-гвинторізного верстата 1К62. Дивитись у збільшеному масштабі
Перед началом роботи верстата необходимо електрическую его часть подключить к цеховой сети посредством пакетного выключателя ВП-1 (рис. 15).
Пуск головного електродвигуна осуществляется нажатием кнопки «Пуск» (8—9), которая замыкает ланцюг катушки контактора КГ (7—10)
Катушка под влиянием проходящего по ней тока притягивает сердечник якоря КГ і замыкает механически связанные з ним главные контакты і блок-контакт. При етом силовые контакты КГ подключают главный двигатель ДГ к сети, а питание катушки контактора осуществляется через замкнувшийся блок-контакт КГ (8—9). Последнее исключает дальнейшее нажатие кнопки «Пуск». Для ограничения холостого ходу головного двигуна в схеме имеется реле часу РВ.
При среднем положении рукоятки фрікциону (шпиндель не вращается) замыкается нормально открытый контакт конечного выключателя KB (9—11) і включается реле часу РВ, которое через установленную выдержку часу отключит своим контактом (9—10) главный електродвигатель.
Останов головного двигуна ДГ осуществляется нажатием кнопки «Стоп» (4—8). Пуск електронасоса ДО осуществляется поворотом рукоятки пакетного выключателя ВП-2 в положение «Включено».
Последнее возможно только після пуска двигуна ДГ. Останов електродвигуна насоса охлаждения ДО осуществляется поворотом рукоятки пакетного выключателя ВП-2 в положение «Отключено», а также при отключении головного двигуна ДГ. Керування двигателем швидкого ходу ДБХ осуществляется нажатием толчковой кнопки (4—12) (от рукоятки на фартуке) «Быстрый ход». Увімкнення местного освещения осуществляется поворотом рукоятки пакетного выключателя ВП-3 в положение «Включено». При етом через понизительный трансформатор ТП лампа ЛМО получает питание.
Відключення осуществляется поворотом рукоятки ВП-3 в положение «Отключено».
Відключення верстата осуществляется переводом рукоятки пакетного выключателя ВП-1 в положение «Отключено».
На пульті шкафа белой точкой обозначено включенное положение пакетных выключателей, красной — положение «Отключено».
В станке имеется амперметр, измеряющий нагрузку головного електродвигуна. Амперметр имеет три шкалы: две белых і черную. Белая слева показывает недогрузку верстата, черная — нагрузку от 8 до 100%, белая справа показывает перегрузку.
Електродвигун гідравлики ДГП подключается при помощи штепсельной розетки РШ. Работает одновременно з головним електродвигуном.
Захист от токов коротких замыканий производится плавкими предохранителями (ПП-1, ПП-2, ПП-3, ПП-4).
Захист електродвигателей от перегрузок осуществляется тепловым реле (РТГ, РТО і РТГП).
Нулевая защита електродвигателей осуществлена катушками пускачів, которые при понижении напряжения до 85% от номинального автоматически отключают електродвигатели от живлення.
Примечания:
Питание ланцюгів електроустаткування осуществляется следующими напряжениями:
Електроустаткування верстата предназначено для подключения к трехфазной сети переменного тока з глухозаземленным или изолированным нейтральным проводом.
На станке установлены четыре трехфазных короткозамкнутых асинхронных електродвигуна:
Електроустаткування гідравлики (ДГП) устанавливается на верстатах з гідроприводом.

Електрична схема верстата 1к62 (після 1966 года)
1. Схема електрична токарно-гвинторізного верстата 1К62. Дивитись у збільшеному масштабі
2. Схема електрична токарно-гвинторізного верстата 1К62. Дивитись у збільшеному масштабі

Монтажная схема токарно-гвинторізного верстата 1к62 (після 1966 года)
Монтажная схема токарно-гвинторізного верстата 1К62. Дивитись у збільшеному масштабі
В левой нише задньої стороны станины - установлен конечный выключатель для ограничения холостого ходу головного привода. Для освещения робочого места имеется светильник, смонтированный на каретке верстата.
В рукоятке фартука встроен конечный выключатель для керування електродвигуном швидкого переміщення каретки і суппорта. На каретке установлена кнопочная станція для пуска "I" і остановки "0" головного привода.
Електричнааппаратура, расположенная в нише верстата: 1, Магнитный пускатель, для керування електродвигуном головного привода, изготовленный заводом НВА. Катушка пускателя — на напряжение 220 или 380 В, в зависимости от напряжения сети заказчика.
Електроустаткування гідравлики (ДГП, РТГП, РШ) устанавливается на верстатах з гідроприводом.
Ланцюг керування - сечением 1,5 мм²
Ланцюг головного двигуна - сечением 4 мм²
Ланцюг електродвигателей - сечением 1,5 мм²
Перед началом роботи верстата необходимо подключить его електрическую часть к цеховой сети посредством пакетного выключателя ВП-1.
Пуск головного електродвигуна осуществляется нажатием кнопки «Пуск», которая замыкает ланцюг живлення магнитной катушки пускателя КН (3—4). Катушка под влиянием проходящего по ней тока притягивает сердечник якоря і замыкает механически связанные з ним главные контакты і блок-контакты. При етом главные контакты КГ подключают главный електродвигатель ДГ к сети, а питание катушки контактора осуществляется через замкнувшийся блок-контакт КГ (2—3), что исключает дальнейшее нажатие кнопки "Пуск".
Останов головного електродвигуна осуществляется нажатием кнопки «Стоп», которая размыкает ланцюг катушки пускателя КГ* (3—4), вследствие чего сердечник якоря отпадает, размыкая нем контакты пускателя.
Пуск електронасоса производится поворотом рукоятки пакетного выключателя ВП-2 в положение «Белая точка» (включено), что возможно только після пуска головного електродвигуна.
Останов електронасоса достигается поворотом рукоятки пакетного выключателя ВП-2 в положение «Красная точка» (отключено). Кроме того, останов електронасоса происходит одновременно з остановом електродвигуна головного приводу при нажатии кнопки «Стоп».
Местное освещение включается поворотом рукоятки пакетного выключателя ВП-3 в положение «Белая точка» (включено). При етом через трансформатор местного освещения ТПО лампа получает питание. Выключение местного освещения осуществляется поворотом рукоятки пакетного выключателя ВП-3 в положение «Красная точка» (отключено).
Захист електродвигателей от перегрузок производится тепловыми реле, соответственно включенными в две фазы ланцюги головного електродвигуна і електронасоса.
Нормально-замкнутые блок-контакты теплового реле РТГ (головного електродвигуна) і РТО (електронасоса) включены післядовательно в ланцюг катушки пускателя головного контактора КГ. При срабатывании тепловых реле от нормально-закрытых блок-контактов РТГ или РТО размыкаются і рвут ланцюг живлення катушки контактора КГ (3—4), вследствие чего електродвигатели ДГ і ДО останавливаются. Возврат блок-контактов реле в нормально-замкнутое положение осуществляется нажимом соответствующих кнопок возврата тепловых реле по истечении 2 минут з момента срабатывания реле, чтобы могла остыть биметаллическая пластина. Кнопки находятся на крышке ниши, расположенной сзади верстата, в станине под передньої бабкой.
Нулевая защита електродвигателей осуществляется катушкой контактора КГ, которая при понижении напряжения до 50—60% отключает оба електродвигуна от сети.
Захист от коротких замыканий производится плавкими предохранителями. Главный електродвигатель защищен предохранителями, устанавливаемыми самим заказчиком, ланцюг керування — предохранителями ПП-1, а ланцюг електронасоса — предохранителями ЛЛ-2.
Заземление верстата осуществляется согласно правилам і нормам техники безопасности. Для етого з торца станины со стороны передньої бабки, в нижней її частини, имеется спеціальний болт з табличкой: «Болт заземления», к которому следует присоединять заземляющий провод.
Питание ланцюгів електроустаткування осуществляется следующими напряжениями:
Електроустаткування верстата предназначено для подключения к трехфазной сети переменного тока з глухозаземленным или изолированным нейтральным проводом.
На станке установлены три или четыре трехфазных короткозамкнутых асинхронных електродвигуна (рис. 9, 11, 12).

Електрична схема токарно-гвинторізного верстата 1к62 (Челябинск)
Схема електрична токарно-гвинторізного верстата 1К62. Дивитись у збільшеному масштабі
В левой нише задньої стороны станины установлен конечный выключатель В4 для ограничения холостого ходу головного привода. Для освещения робочого места имеется светильник з гибкой стойкой типа СГС-1-0 з лампой С-12, 24 В, 25 Вт или МО 36—25, смонтированный на каретке верстата.
В рукоятке фартука встроен конечный выключатель В5 для керування електродвигуном швидкого переміщення каретки і суппорта. На каретке установлена кнопочная станція для пуска «1» і остановка «®» головного привода.
Шкаф керування установлен за станиной верстата справа. С лицевой стороны шкафа керування установлены наступні органы керування:
Необходимо периодически проверять состояние пусковой і релейной апаратури. Все детали електроаппаратов должны быть очищены от пыли і грязи. При образовании на контактах нагара післядний должен быть удален при помощи бархатного напильника или стеклянной бумаги. Во избежание появления ржавчины поверхности стыка сердечника з якорем пускателя нужно периодически смазывать машинным маслом з післядующим обязательным протиранием сухой тряпкой (для предохранения от прилипания якоря к сердечнику).
При осмотрах релейной апаратури особое внимание следует обращать на надежность размыкания і замыкания контактных мостиков. Профилактический осмотр релейной і пусковой апаратури необходимо проводить не реже одного раза в шесть месяцев, а также після каждого отключения при коротком замыкании, в том числе і повторном.
При осмотре нужно очистить выключатель от копоти і нагара металла, проверить затяжку винтов, целостность пружин і состояние контактов.
Во время експлуатации електродвигателей систематически проводить технические осмотры і профилактические ремонты. Периодичность технических осмотров производится в зависимости от производственных условий, но не реже одного раза в два месяца.
При технических осмотрах проверяется состояние вводных проводов обмотки статора, производится очистка двигателей от загрязнения, контролируется надежность заземления і соединение вала з приводным механізмом.
Периодичность профилактических ремонтов устанавливается в зависимости от производственных условий, но не реже одного раза в год. При профилактических ремонтах следует разобрать електродвигатель, очистить внутри і снаружи і заменить смазку підшибників. Заменять смазку підшибників, при нормальных условиях роботи, следует через 4000 часов роботи, но при работе електродвигуна в пыльной і влажной среде следует заменять чаще.
Перед набивкой свежей змазки підшипники должны быть тщательно промыты бензином. Камеру заполнить смазкой на 2/з її объема. Рекомендуемая смазка підшибників приведена в таблице 5.
До подключения верстата к цеховой сети необходимо измерить сопротивления в системе заземления. Электродвигатели, шкаф керування, клеммная коробка, каретка і станина должны быть надежно заземлены.
Электрическое сопротивление, измеренное между винтом заземления і любой металлической частью верстата, которая може оказаться под напряжением в результате пробоя изоляции, не должно превышать 0,10 Ом.
При первоначальном пуске верстата необходимо проверить надежность і качество монтажа електроустаткування внешним осмотром. После осмотра на магнитных пускателях в шкафу керування отключить провода живлення всех електродвигателей. При помощи вводного выключателя В1 Верстат подключить к цеховой сети. При помощи кнопок і переключателей верстата проверить четкость срабатывания магнитных пускачів і реле.
При достижении четкой роботи всех електроаппаратов, расположенных в шкафу керування, присоединить ранее отключенные провода к магнитным пускателям.
Поочередным включением електродвигателей головного привода, быстрых ходов суппорта і гідростанції проверить правильность направления их обертання.
При правильном подключении електронасоса охлаждения охлаждающая жидкость вытекает из сопла системы охлаждения.
Убедившись в правильности обертання електродвигателей, можно приступить к опробованию верстата в работе.
Схема електрична принципова дана на рис. 9.
В таблице 6 указан перечень к схеме.
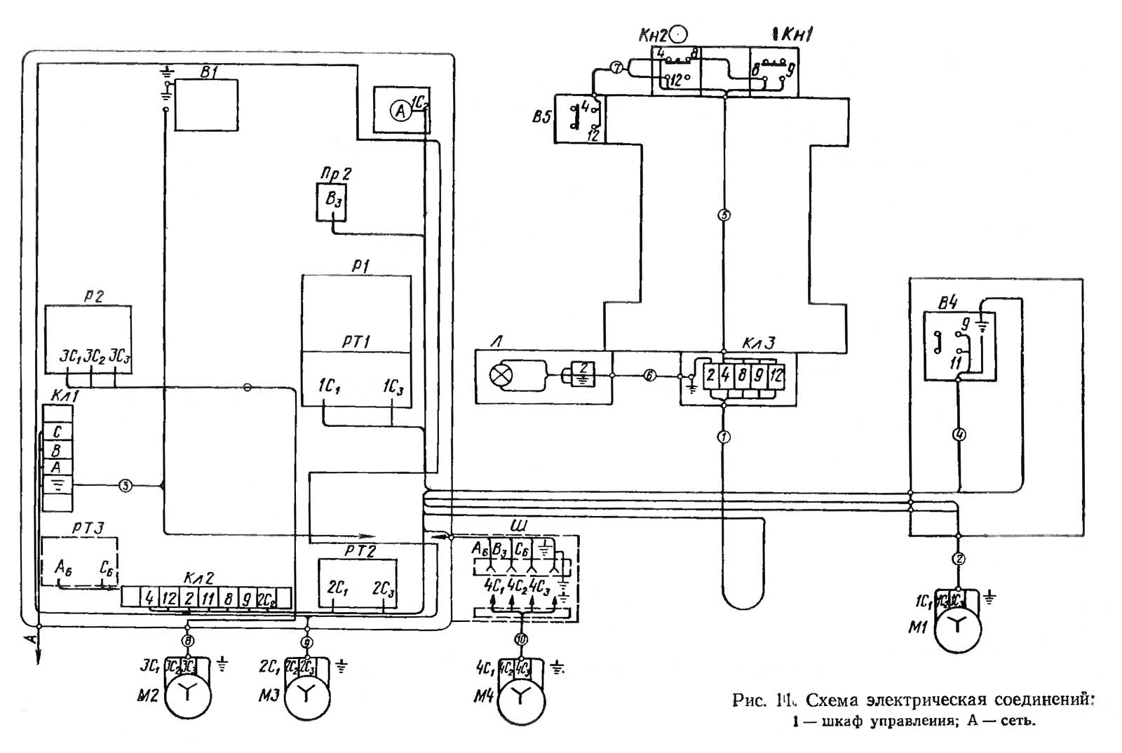
Схема електрична з'єднань шкафа керування показана на рис. 10.
В таблице 7 указан перечень к схеме.
Схема електрических з'єднань верстата показана на рис. 11.
В таблице 8 указан перечень к схеме.
Розташування електроустаткування на станке показано на рис. 12.
Перед началом роботи необходимо убедиться, что все защитные реле включены.
Пуск головного електродвигуна Ml осуществляется нажатием кнопки кнопочной станції «1» (8-9), которая замыкает ланцюг катушки контактора Р1 (7-10), переводя его на самопитание.
Остановка електродвигуна головного приводу Ml осуществляется нажатием кнопки кнопочной станції «О» (4-8).
Керування електродвигуном быстрых перемещений М2 осуществляется нажатием толчковой кнопки, встроенной в рукоятку фартука і воздействующей на кнопочний выключатель В5 (4-12).
Пуск і зупинка електронасоса М3 осуществляется переключателем В2. Работа електронасоса М3 сблокирована з електродвигуном головного приводу Ml і увімкнення его возможно только після замыкания контактов пускателя Р1.
Для ограничения холостого ходу головного приводу в схеме имеется реле часу РВ. В среднем положении рукоятки фрікциону (шпиндель не вращается) замыкается нормально закрытый контакт конечного выключателя В4 (9-11) і включается реле часу РВ, которое через установленную выдержку часу отключит своим контактом (9-10) главный привод.
Захист електродвигателей головного привода, приводу швидкого переміщення суппорта, електронасоса охлаждения і трансформатора от токов коротких замыканий производится плавкими предохранителями.

Список елементів токарно-гвинторізного верстата 1к62
Список елементів токарно-гвинторізного верстата 1к62. Дивитись у збільшеному масштабі

Список елементів токарно-гвинторізного верстата 1к62
Список елементів токарно-гвинторізного верстата 1к62. Дивитись у збільшеному масштабі

Розташування елементів токарно-гвинторізного верстата 1к62
Розташування елементів токарно-гвинторізного верстата 1к62. Дивитись у збільшеному масштабі

Схема з'єднань електрошафи токарно-гвинторізного верстата 1к62
Схема з'єднань електрошафи токарно-гвинторізного верстата 1К62. Дивитись у збільшеному масштабі

Электрошкаф токарно-гвинторізного верстата 1К62
Электрошкаф токарно-гвинторізного верстата 1К62. Дивитись у збільшеному масштабі

Монтажная схема токарно-гвинторізного верстата 1к62
Монтажная схема токарно-гвинторізного верстата 1К62. Дивитись у збільшеному масштабі
| Наименование параметра | ДИП-200 (1д62м) |
1А62 | 1К62 | 16К20 |
|---|---|---|---|---|
| Основні параметри | ||||
| Класс точності по ГОСТ 8-82 | Н | Н | Н | Н |
| Наибольший диаметр заготовки, обрабатываемой над станиной, мм | 410 | 400 | 400 | 400 |
| Наибольший диаметр заготовки, обрабатываемой над суппортом, мм | 210 | 210 | 220 | 220 |
| Наибольшая длина заготовки, обрабатываемой в центрах (РМЦ), мм | 750, 1000, 1500 | 750, 1000, 1500 | 710, 1000, 1400 | 710, 1000, 1400, 2000 |
| Наибольшая длина обточки, мм | 650, 900, 1400 | 650, 900, 1400 | 640, 930, 1330 | 645, 935, 1335, 1935 |
| Высота оси центров над плоскими направляющими станины, мм | 202 | 215 | 215 | |
| Наибольшее расстояние от оси центров до до кромки резцедержателя, мм | 228 | 228 | 240 | |
| Высота от опорной поверхности резца до оси центров (высота резца), мм | 23 | 25 | 25 | 25 |
| Наибольшее сечение державки резца, мм | 25 х 25 | 25 х 25 | 25 х 25 | 25 х 25 |
| Наибольшая масса заготовки, обрабатываемой в патроне, кг | 500 | 200 | ||
| Наибольшая масса заготовки, обрабатываемой в центрах, кг | 1500 | 460, 650, 900, 1300 | ||
| Шпиндель | ||||
| Диаметр сквозного отверстия в шпинделе, мм | 38 | 36 | 38/ 47 | 52 |
| Наибольший диаметр прутка, проходящий через отверстие в шпинделе, мм | 37 | 34 | 36/ 45 | 50 |
| Число ступеней частот прямого обертання шпинделя | 18 | 21 | 24 | 24 |
| Частота обертання шпинделя в прямом направлении, об/мин | 11,5..600 | 11,5..1200 | 12,5..2000 | 12,5..1600 |
| Число ступеней частот обратного обертання шпинделя | 9 | 12 | 12 | 12 |
| Частота обертання шпинделя в обратном направлении, об/мин | 18..760 | 18..1520 | 19..2420 | 19..1900 |
| Размер внутреннего конуса в шпинделе, М | Морзе 5 | Морзе 5 | Морзе 5/ 6 | Морзе 6 |
| Кінець шпинделя фланцевого | М90х6 | М90х6 | М90х6/ 6 | 6К по ГОСТ 12593-72 |
| Торможение шпинделя | есть | есть | есть | |
| Материал шпинделя | Ст.45 | Ст.45 | ||
| Суппорт. Подачи | ||||
| Наибольшее перемещение поздовжньої каретки суппорта от руки, мм | 650, 900, 1400 | 650, 900, 1400 | 640, 930, 1330 | |
| Наибольшее перемещение поздовжньої каретки суппорта по валику і по винту, мм | 650, 900, 1400 | 650, 900, 1400 | 640, 930, 1330 | 645, 935, 1335, 1935 |
| Наибольшее перемещение поперечної каретки суппорта от руки, мм | 280 | 280 | 250 | 300 |
| Наибольшее перемещение поперечної каретки суппорта по валику і по винту, мм | 280 | 280 | 250 | |
| Продольное перемещение на одно деление лимба, мм | нет | 1 | 1 | 1 |
| Поперечное перемещение на одно деление лимба, мм | 0,05 | 0,05 | 0,05 | 0,05 |
| Поперечное перемещение на один оборот лимба (шаг гвинта поперечного суппорта), мм | 5 | 5 | ||
| Число ступеней продольных подач | 35 | 35 | 49 | |
| Пределы рабочих подач продольных, мм/об | 0,082..1,59 | 0,082..1,59 | 0,07..4,16 | 0,05..2,8 |
| Число ступеней поперечных подач | 35 | 35 | 49 | |
| Пределы рабочих подач поперечных, мм/об | 0,027..0,522 | 0,027..0,522 | 0,035..2,08 | 0,025..1,4 |
| Скорость быстрых перемещений суппорта, продольных, м/мин | нет | нет | 3,4 | 3,8 |
| Скорость быстрых перемещений суппорта, поперечных, м/мин | нет | нет | 1,7 | 1,9 |
| Максимально допустимая скорость при работе по упорам, м/мин | 0,25 | |||
| Количество нарезаемых різьб метрических | 25 | 19 | 44 | |
| Пределы шагов метрических резьб, мм | 1..12 | 1..12 | 1..192 | 0,5..112 |
| Количество нарезаемых різьб дюймовых | 30 | 20 | 38 | |
| Пределы шагов дюймовых резьб, ниток/дюйм | 24..2 | 24..2 | 24..2 | 56..0,5 |
| Количество нарезаемых різьб модульных | 12 | 10 | 20 | |
| Пределы шагов модульных резьб, модуль | 0,25..3 | 0,5..3 | 0,5..48 | 0,5..112 |
| Количество нарезаемых різьб питчевых | 24 | 24 | 37 | |
| Пределы шагов нарезаемых різьб питчевых | 96..7 | 95..7 | 96..1 | 56..0,5 |
| Выключающие упоры продольные | есть | есть | есть | есть |
| Выключающие упоры поперечные | нет | нет | нет | |
| Предохранение от перегрузки | есть | есть | есть | есть |
| Блокировка одновременного увімкнення продольного і поперечного руху суппорта | есть | есть | есть | есть |
| Різьбопокажчик | нет | |||
| Наружный диаметр ходового гвинта, мм | 40 | 40 | ||
| Шаг ходового гвинта, мм | 12 | 12 | ||
| Диаметр ходового вала, мм | 30 | 30 | ||
| Резцовые салазки | ||||
| Наибольшее перемещение резцовых салазок, мм | 100 | 113 | 140 | 150 |
| Перемещение резцовых салазок на одно деление лимба, мм | 0,05 | 0,05 | 0,05 | 0,05 |
| Перемещение резцовых салазок на один оборот лимба (шаг гвинта резцовых салазок), мм | 5 | 5 | ||
| Наибольший угол поворота резцовых салазок, град | ±45° | ±90° | ±90° | ±90° |
| Цена деления шкалы поворота резцовых салазок, град | 1° | 1° | 1° | 1° |
| Число резцов в резцовой головке | 4 | 4 | 4 | 4 |
| Задня бабка | ||||
| Диаметр пиноли задньої бабки, мм | 65 | 70 | ||
| Конус отверстия в пиноли задньої бабки по ГОСТ 2847-67 | Морзе 4 | Морзе 4 | Морзе 5 | Морзе 5 |
| Наибольшее перемещение пиноли, мм | 150 | 150 | 150 | 150 |
| Перемещение пиноли на одно деление лимба, мм | нет | нет | 0,05 | 0,1 |
| Величина поперечного смещения корпуса бабки, мм | ±15 | ±15 | ±15 | ±15 |
| Електроустаткування | ||||
| Количество електродвигателей на станке | 1 | 2 | 4 | 4 |
| Електродвигун головного привода, кВт | 4,3 | 7 | 10 | 11 |
| Електродвигун быстрых перемещений, кВт | нет | нет | 0,8 | 0,75 |
| Електродвигун гідростанції, кВт | нет | нет | 1,1 | 1,1 |
| Електродвигун насоса охлаждения, кВт | нет | 0,125 | 0,125 | 0,12 |
| Насос охлаждения (помпа) | ПА-22 | ПА-22 | ПА-22 | |
| Габарити і масса верстата | ||||
| Габарити верстата (длина ширина высота) (РМЦ = 1000), мм | 2650 х 1315 х 1220 | 2650 х 1580 х 1210 | 2812 х 1166 х 1324 | 2795 х 1190 х 1500 |
| Масса верстата (РМЦ = 1000), кг | 1750 | 2105 | 2140 | 3005 |
1К62 Паспорт токарно-гвинторізного верстата, (djvu) 1,8 Мб, Скачать
1К62 Посібник з ремонту токарно-гвинторізних верстатів. Частина 1. Загальний опис верстатів та креслення вузлів
1К62 Руководство по ремонту токарно-винторезных верстатів 1К62, 1К625. Часть 2. Сменяемые детали
1К62 Посібник з ремонту токарно-гвинторізних верстатів 1К62, 1К625. Частина 3. Маршрутна технологія збирання-розбирання
Той, хто шукає мільйони, дуже рідко їх знаходить, але той, хто їх не шукає, — не знаходить ніколи!
Оноре де Бальзак