Виробник та розробник токарного верстата моделі 1К625 - Московський верстатобудівний завод "Червоний пролетарій" ім. А.І. Єфремова , заснований у 1857 році.
Перші універсальні токарно-гвинторізні верстати з коробкою швидкостей уперше в СРСР почали випускатися на Московському верстатобудівному заводі "Червоний пролетар" ім. А.І. Єфремова в 1932 році і отримали найменування ДІП-200, ДІП-300, ДІП-400, ДІП-500 ( ДІП - Наздогнати І Перегнати), де 200, 300, 400, 500 - висота центрів над станиною.
У міру вдосконалення конструкції верстатів завод випускав дедалі сучасніші моделі - 1А62 , 1К62 , 16К20 , МК6056 .
Верстат 1К625 є модифікацією базової версії верстата 1к62, має збільшений діаметр оброблюваної заготовки над станиною (500 мм). Він замінив застарілу модель 1А625 .
Верстат моделі 1К625 був знятий з виробництва на початку сімдесятих, поступившись місцем більш досконалої моделі 16К25 .
Верстат універсальний токарний гвинторізний моделі 1К625 призначений для виконання найрізноманітніших токарних робіт, у тому числі для нарізування різьблення: метричної, дюймової, модульної, пітчової та архімедової спіралі з кроком 3/8", 7/16"; 8; 10 та 12 мм. Умови експлуатації -УХЛ-4 за ГОСТ 15150-69.
Токарно-гвинторізний верстат 1К625 може використовуватися для обробки загартованих заготовок, так як шпиндель верстата встановлений на спеціальних підшипниках, що забезпечують його жорсткість. Токарна обробка різноманітних матеріалів може проводитись з ударним навантаженням без зміни точності обробки.
Висока потужність головного приводу верстата, велика жорсткість і міцність всіх ланок кінематичних ланцюгів головного руху та подач, вібростійкість, широкий діапазон швидкостей та подач дозволяють виконувати на токарно-гвинторізному верстаті 1К625 високопродуктивне різання твердосплавним та мінералокерамічним інструментом.
Верстат 1К625 відноситься до лобових токарних верстатів, тобто. дозволяє обробляти відносно короткі заготовки великого діаметра.
Конструкція задньої балки токарного верстата дозволяє здійснювати її поперечне зміщення, завдяки чому на верстаті може здійснюватися обробка пологих конусів. Є можливість з'єднання задньої балки та нижньою частининою супорта за допомогою спеціального замку, що іноді потрібно при свердлінні задньою балкою та використанні механічного переміщення балки від супорта.
На токарний верстат можуть встановлюватися такі люнети: рухомий діаметр установки якого 20.80 мм, і нерухомий його діаметр установки 20.130мм.
Зубчасті колеса, що служать передачі руху від передньої бабки до коробки передач, на верстаті 1К625 є змінними.
Поздовжнє переміщення каретки верстата 1К625 може бути обмежене спеціальним упором, що встановлюється на передній полиці станини. Таким чином, при встановленому упорі швидкість руху супорта не може перевищувати 250 мм/хв.
Максимальний діаметр заготовки при встановленні над станиною – 500 мм. Максимальний діаметр прутка, який можна обробити на токарномуу верстаті 1К625 – 45 мм. Верстат 1К625 має 23 швидкості обертання шпинделя (мінімальна – 12,5 об/хв, максимальна – 2000 об/хв).
Як головний привід застосований короткозамкнений асинхронний двигун, потужність якого 10 кВт при швидкості 1450 об/хв. Регулювання швидкості обертання шпинделя, а також величин поздовжньої та поперечної передачі супорта здійснюється завдяки перемиканню шестерень коробки швидкостей (для регулювання швидкості шпинделя та подач супорта використовуються різні рукоятки керування).
Для забезпечення швидкого переміщення супорта у токарно-гвинторізному верстаті 1К625 використовується додатковий асинхронний двигун. Його потужність 1,0 кВт при швидкості обертання 1410 об/хв.
Токарний верстат 1К625 оснащений тепловими реле, які здійснюють захист двигунів від тривалих навантажень, а також плавкими запобіжниками, які є захистом від коротких замикань.
Особливості конструкції токарного верстата 1К625 (він відрізняється надійністю, міцністю, вібростійкістю, оснащений головним приводом високої потужності), дозволяють рівною мірою використовувати верстат, як для швидкісного, так і для силового різання.
У конструкції токарного верстата 1К625 для встановлення шпинделя передбачені спеціальні підшипники, завдяки чому забезпечуються необхідна жорсткість та висока точність обробки заготовок. За ГОСТом 8-82 токарний верстат 1К625 відноситься до класу точності Н. Точність обробки буде забезпечена навіть у режимі ударних навантажень.
Токарний верстат завдяки відмінному поєднанню якості та надійності роботи, а також невибагливості при обслуговуванні, є одним із найпопулярніших на дрібносерійному та одиничному виробництвах.
На токарномуу верстаті може використовуватися трикулачковий патрон, що самоцентрує, діаметром 250 мм або чотирикулачковий патрон, діаметр якого 400 мм.
Токарно-гвинторізний верстат 1К625 відрізняє чудове поєднання якості роботи та невибагливість в обслуговуванні.
У 1930 році на Московському верстатобудівному заводі "Червоний пролетар" було прийнято рішення про розробку нового верстата токарного, стандартного, скорочено ТЗ. Дещо пізніше його перейменували на ДІП-200 – Догонім І Перегонім , за головним гаслом першої п'ятирічки, де 200 – висота центрів над станиною. Як прототип був обраний токарно-гвинторізний верстат німецької фірми VDF . У квітні 1932 року розпочалася підготовка випуску першої партії верстатів ДІП-200.
25 квітня 1932 року був зібраний і випробуваний перший радянський універсальний токарно-гвинторізний верстат з коробкою швидкостей - ДІП-200 . До кінця 1932 року було випущено 25 ДІПів.
У 1934 році освоюється випуск верстатів ДІП-300 , ДІП-400 , ДІП-500 . Згодом виробництво цих верстатів було передано на Рязанський верстатобудівний завод. Виробництво верстата ДІП-500 було також передано на Коломенський завод важких верстатів КЗТС.
У 1937 році в ЕНІМС було розроблено типаж (номенклатура типів та розмірів) верстатів та прийнято єдину систему умовних позначень верстатів . За новою системою позначень перший ДІП-200 став називатися 1Д62 . Але абревіатура ДІП-200 збереглася і донині - для позначення токарного верстата з висотою центрів над станиною, що дорівнює або близько 200 мм.
В 1940 завод випустив верстат 162К (26А) - один з варіантів ДІП-200.
У 1945 році завод переходить на випуск модернізованого верстата ДІП-200 (ДІП-20М, 1д62м).
У 1948 році завод переходить на випуск верстата 1А62 .
У 1949-1953 без зупинки виробництва здійснено перехід на потокове виробництво токарного верстата 1А62. Також у різні роки випускалися: 1620, 1Б62, 1м620, 1622.
В 1954 був виготовлений дослідний зразок верстата 1К62 , серійне виробництво якого було запущено в 1956 році.
В 1956 завод перейшов на великосерійний випуск нового верстата 1К62. За наступні 18 років, протягом яких вони виготовлялися, було випущено 202 тисяч таких верстатів.
Випускалися модифікації, виготовлені на базі токарно-гвинторізного верстата 1к62: 1к625 , 1к620 , 1к62Б підвищеної точності та ін.
У 1965 році завод випустив токарно-гвинторізний верстат підвищеної точності 16Б20П , який став перехідною моделлю між 1к62 та 16к20. Коробка подач 16Б20П.070.000 та фартух 16Б20П.061.000 цього верстата стали стандартом для всіх наступних моделей цієї серії.
У 1971 році була виготовлена досвідчена партія верстатів 16К20 , у 1972 році на Лейпцизькому ярмарку верстат 16К20 був удостоєний золотої медалі.
У 1972-1973 проводилася реконструкція заводу у зв'язку з випуском нової моделі верстата 16К20. Освоюється серійне виробництво цих верстатів. До кінця року з конвеєра сходить до 1000 таких верстатів на місяць. На експорт вирушає близько 10%.
На основі базової моделі токарно-гвинторізного верстата 16К20 було виготовлено безліч модифікацій, в тому числі: 16К25 , 16К20М , 16К20П , 16К20В, 16К20Г, 16К20К, 16К20Ф1, 16.
Верстати з ЧПУ 16К20Ф3 , 16К20Ф3С32 , 16А20Ф3 , 16К20Т1 .
У 1988 році виробництво верстата моделі 16к20 припинено. На зміну йому прийшли токарно-гвинторізні верстати серії МК: МК6046, МК6047, МК6748 , МК6056, МК6057, МК6758 .

Габарит робочого простору токарного верстата 1к625

Креслення шпинделя токарного верстата 1к625

Станина токарно-гвинторізного верстата 1к625
Станина токарно-гвинторізного верстата 1к625. Дивитись у збільшеному масштабі

Фото токарно-гвинторізного верстата 1к625

Фото токарно-гвинторізного верстата 1к625
Фото токарно-гвинторізного верстата 1к625. Дивитись у збільшеному масштабі

Загальний вигляд токарного верстата 1к625
На малюнку показаний токарно-гвинторізний верстат 1К625. Станина 1, встановлена на передній 2 та задній 3 тумбах, несе на собі всі основні вузли верстата. Зліва на станині розміщена передня бабка 4, У ній є коробка швидкостей зі шпинделем, на передньому кінці якого закріплений патрон 5. Праворуч встановлена задня бабка 6. Її можна переміщати вздовж направляючих станини і закріплювати в залежності від довжини деталі на відстані від передньої бабки. Ріжучий інструмент (різці) закріплюють у розцітримачі супорта 7.
Поздовжня і поперечна подачі супорта здійснюються за допомогою механізмів, розташованих у фартуху 8 і одержують обертання від ходового валу 9 або ходового ггвинта 10. Перший використовують при точенні, другий при нарізанні різьби. Величину подачі супорта встановлюють налаштуванням коробки подач 11. У нижній частинині станини є корито 12, куди збирається стружка і стікає рідина, що охолоджує.

Розташування основних вузлів токарного верстата 1к625

Розташування органів керування токарним верстатом 1к625
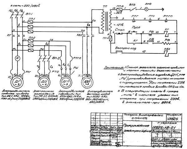
Електроустаткування верстата предназначено для подключения к трехфазной сети переменного тока з глухозаземленным или изолированным нейтральным проводом.
Электродвигателм токарно-гвинторізного верстата 1К62Б
Електроустаткування верстата предназначено для подключения к трехфазной сети переменного тока з глухозаземленным или изолированным нейтральным проводом.

Електрична схема токарного верстата 1к625
Електрична схема токарно-гвинторізного верстата 1К625. Дивитись у збільшеному масштабі

Електрична схема токарного верстата 1к625
Перед началом роботи верстата необходимо подключить его електрическую часть к цеховой сети посредством вводного выключателя ВП-1.
Пуск електродвигуна головного приводу ДГ производится нажатием кнопки 1 "ПУСК" (8-9), которая замыкает ланцюг живлення магнитного пускателя КГ (7-10). Катушка под влиянием проходящего в ней тока притягивает сердечник якоря і замыкает механически связанные з ним главные контакты і блок-контакты. При етом главные контакты КГ подключают електродвигатель ДГ к сети, а питание катушки пускателя обеспечивается через замкнувшийся блок-контакт КГ (8-9).
Для ограничения холостого ходу електродвигуна головного приводу в електросхеме имеется реле часу РВ.
При среднем положении рукоятки фрікциону (шпиндель не вращается) конечный выключатель KB своим замыкающим контактом включает реле часу РВ, которое через установленную выдержку часу отключит своим контактом главный електродвигатель.
Останов електродвигуна ДГ головного приводу осуществляется нажатием кнопки 0 "СТОП" (4-8).
Пуск електронасоса производится поворотом рукоятки выключателя ВП-2 в положение "Включено", но робота его возможна только після пуска електродвигуна головного привода.
Останов електронасоса производится поворотом рукоятки выключателя ВП-2 в положение "ОТКЛЮЧЕНО". Кроме того, вимкнення етого двигуна происходит одновременно з вимкненням електродвигуна головного приводу при нажатии кнопки О "СТОП".
Керування двигателем швидкого ходу ДБХ осуществляется нажатием кнопки БХ "БЫСТРЫЙ ХОД" (4-12), встроенной в рукоятку фартука.
Увімкнення і відключення местного освещения производится выключателем ВП-3, установленным на шкафу керування, или тумблером, расположенным на светильнике.
Отключается верстат от електросети поворотом рукоятки выключателя ВП-1 в положение "ОТКЛЮЧЕНО".
Захист електроустаткування от токов короткого замыкания обеспечивается плавкими предохранителями ПП—1, ПП—2, ПП—3, ПП-4. Захист електродвигателей от перегрузок обеспечивается тепловыми реле РТГ, РТО, РТГП. Нулевая зашита електродвигателей обеспечивается катушками пускачів, которые при падении напряжения ниже 85% от номинального отключают електродвигатели от електрической сети. При наличии гідросуппорта одновременно з електродвигуном головного приводу работает електродвигатель гідравлики
ДГП, подключающийся к електрической сети при помощи штепсельной розетки РШ, работает одновременно з головним двигателем.

Список елементів токарно-гвинторізного верстата 1К625
Список елементів токарно-гвинторізного верстата 1К625. Дивитись у збільшеному масштабі

Список елементів токарно-гвинторізного верстата 1К625
Список елементів токарно-гвинторізного верстата 1К625. Дивитись у збільшеному масштабі

Список елементів токарно-гвинторізного верстата 1К625
Список елементів токарно-гвинторізного верстата 1К625. Дивитись у збільшеному масштабі

Список елементів токарно-гвинторізного верстата 1К625
Список елементів токарно-гвинторізного верстата 1К625. Дивитись у збільшеному масштабі

Список елементів токарно-гвинторізного верстата 1К625
Список елементів токарно-гвинторізного верстата 1К625. Дивитись у збільшеному масштабі

Список елементів токарно-гвинторізного верстата 1К625
Список елементів токарно-гвинторізного верстата 1К625. Дивитись у збільшеному масштабі

Список елементів токарно-гвинторізного верстата 1К625
Список елементів токарно-гвинторізного верстата 1К625. Дивитись у збільшеному масштабі

Монтажная схема токарно-гвинторізного верстата 1К625
Схема Монтажная токарно-гвинторізного верстата 1К625. Дивитись у збільшеному масштабі
| Наименование параметра | 1К62 | 1К625 |
|---|---|---|
| Основні параметри верстата | ||
| Класс точності по ГОСТ 8-82 | Н | Н |
| Наибольший диаметр заготовки над станиной, мм | 400 | 500 |
| Наибольший диаметр заготовки над суппортом, мм | 220 | 260 |
| Наибольшая длина заготовки (РМЦ), мм | 750, 1000, 1500 | 1000, 1400, 2000 |
| Наибольшая длина обтачивания заготовки, мм | 640, 930, 1330 | 930, 1330, 1920 |
| Наибольшая масса заготовки в патроне, кг | 500 | |
| Наибольшая масса заготовки в центрах, кг | 1500 | |
| Шпиндель | ||
| Диаметр сквозного отверстия в шпинделе, мм | 47 | 47 |
| Наибольший диаметр прутка, мм | 45 | 45 |
| Число ступеней частот прямого обертання шпинделя | 24 | 24 |
| Частота прямого обертання шпинделя, об/мин | 12,5..2000 | 12,5..2000 |
| Число ступеней частот обратного обертання шпинделя | 12 | 12 |
| Частота обратного обертання шпинделя, об/мин | 19..2420 | 19..2420 |
| Размер внутреннего конуса в шпинделе, М | Морзе 6 | Морзе 6 |
| Кінець шпинделя по ГОСТ 12593-72 | 6К | 6К |
| Суппорт | ||
| Наибольшая длина ходу каретки, мм | 640, 930, 1330 | 930, 1330, 1920 |
| Наибольший поперечний ход суппорта, мм | 250 | 300 |
| Наибольший ход верхнего суппорта (резцовых салазок), мм | 140 | 150 |
| Число ступеней продольных подач | 49 | 49 |
| Пределы рабочих подач продольных, мм/об | 0,07..4,16 | 0,07..4,16 |
| Число ступеней поперечных подач | 49 | 49 |
| Пределы рабочих подач поперечных, мм/об | 0,035..2,08 | 0,035..2,08 |
| Скорость быстрых перемещений суппорта, продольных, м/мин | 3,4 | 3,4 |
| Скорость быстрых перемещений суппорта, поперечных, м/мин | 1,7 | 1,7 |
| Количество нарезаемых різьб метрических | 44 | 44 |
| Пределы шагов нарезаемых різьб метрических, мм | 1..192 | 1..192 |
| Количество нарезаемых різьб дюймовых | 38 | 38 |
| Межі кроків різьблення дюймових | 24..2 | 24..2 |
| Кількість нарізних різьблень модульних | 20 | 20 |
| Межі кроків різьблення модульних | 0,5..48 | 0,5..48 |
| Кількість нарізних різьблення питних | 37 | 37 |
| Межі кроків різьблення питних | 96..1 | 96..1 |
| Електроустаткування | ||
| Кількість електродвигунів на верстаті | 4 | 4 |
| Потужність електродвигуна головного приводу, кВт | 10 | 10 |
| Тип електродвигуна головного приводу | АО2-52-4Ф | АО2-52-4Ф |
| Потужність електродвигуна швидких переміщень, кВт | 0,8 | 0,8 |
| Тип електродвигуна швидких переміщень | AOL2-12-4F | AOL2-12-4F |
| Потужність електродвигуна гідростанції, кВт | 1,1 | 1,1 |
| Тип електродвигуна гідростанції | AOL2-22-6F | AOL2-22-6F |
| Потужність електродвигуна насоса охолодження, кВт | 0,125 | 0,125 |
| Насос охолодження (помпа) | ПА-22 | ПА-22 |
| Габарити та маса верстата | ||
| Габарити верстата (довжина ширина висота) (РМЦ = 1000), мм | 2812 х 1166 х 1324 | 3212 х 1216 х 1349 |
| Маса верстата (РМЦ = 1000), кг | 2140 | 2410 |
Пов'язані посилання
1К625 Паспорт токарно-гвинторізного верстата, (djvu) 1,8 Мб, Скачать
1К625 Посібник з ремонту токарно-гвинторізних верстатів. Частина 1. Загальний опис верстатів та креслення вузлів
1К625 Руководство по ремонту токарно-винторезных верстатів 1К62, 1К625. Часть 2. Сменяемые детали
1К625 Посібник з ремонту токарно-гвинторізних верстатів 1К62, 1К625. Частина 3. Маршрутна технологія збирання-розбирання