metalinstryment.com
Довідник по металорізальних верстатів та пресовому обладнанні

Електроустаткування і Схеми фрезерных верстатів:
6Т82Г-29, 6T82-29, 6T12-29, 6Т82Ш-29, 6Т83Г-29, 6T83-29, 6T13-29, 6Т83Ш-29
схеми, опис, характеристики

Верстат горизонтальный фрезерный консольный 6Т82






Відомості про виробника консольно-фрезерных верстатів 6Т82Г-29, 6T82-29, 6T12-29, 6Т82Ш-29, 6Т83Г-29, 6T83-29, 6T13-29, 6Т83Ш-29

Производитель консольно-фрезерных верстатів - Горьковский завод фрезерных верстатів, основанный в 1931 году.

Производство фрезерных верстатів на Горьковском станкостроительном заводе началось в 1932 году.





Серия Т Горьковского завода фрезерных верстатів ГЗФС


Електроустаткування консольно-фрезерных верстатів 6Т82Г-29, 6T82-29, 6T12-29, 6Т82Ш-29, 6Т83Г-29, 6T83-29, 6T13-29, 6Т83Ш-29

Електроустаткування фрезерных консольных верстатів 6Т82Г-29, 6T82-29, 6T12-29, 6Т82Ш-29, 6Т83Г-29, 6T83-29, 6T13-29, 6Т83Ш-29 исполнения 29 выполнено для живлення от трехфазной сети переменного тока напряжением 380 В±10% і частотой 50 Гц±2% з глухозаземленной нейтралью. Верстати комплектуются аппаратурой климатического исполнения «У», «УХЛ», «О» категории розміщення 2...4 по ГОСТ15150.

Аппаратура керування і защиты установлена в шкафу керування. В качестве вводного выключателя применен автоматический выключатель з независимым расщепителем, обозначенный по схеме QF1. Электрической схемой верстата предусмотрены пониженные напряжения:

Освещение робочого места производится светильником, расположенным з левой стороны верстата.

Уровень електромагнитного излучения верстата является безопасным для работающего на станке і рядом функционирующего оборудования.

Завод-изготовитель оставляет за собой право вносить изменения в електрообладнання верстатів для их усовершенствования.


История выпуска верстатів Горьковским заводом, ГЗФС

В 1937 году на Горьковском заводе фрезерных верстатів были изготовлены первые консольно-фрезерные верстати серии 6Б моделей 6Б12 і 6Б82 з рабочим столом 320 х 1250 мм (2-го типоразмера).

В 1951 году запущена в производство серия консольно-фрезерных верстатів: 6Н12, 6Н13П, 6Н82, 6Н82Г. Верстат 6Н13ПР получил “Гран-При” на всемирной выставке в Брюсселе в 1956 году.

В 1960 году запущена в производство серия консольно-фрезерных верстатів: 6М12П, 6М13П, 6М82, 6М82Г, 6М83, 6М83Г, 6М82Ш.

В 1972 году запущена в производство серия консольно-фрезерных верстатів: 6Р12, 6Р12Б, 6Р13, 6Р13Б, 6Р13Ф3, 6Р82, 6Р82Г, 6Р82Ш, 6Р83, 6Р83Г, 6Р83Ш.

В 1975 году запущены в производство копировальные консольно-фрезерные верстати: 6Р13К.

В 1978 году запущены в производство копировальные консольно-фрезерные верстати 6Р12К-1, 6Р82К-1.

В 1985 году запущена в производство серия 6Т-1 консольно-фрезерных верстатів: 6Т12-1, 6Т13-1, 6Т82-1, 6Т83-1 і ГФ2171.

В 1991 году запущена в производство серия консольно-фрезерных верстатів: 6Т12, 6Т12Ф20, 6Т13, 6Т13Ф20, 6Т13Ф3, 6Т82, 6Т82Г, 6Т82ш, 6Т83, 6Т83Г, 6Т83Ш.






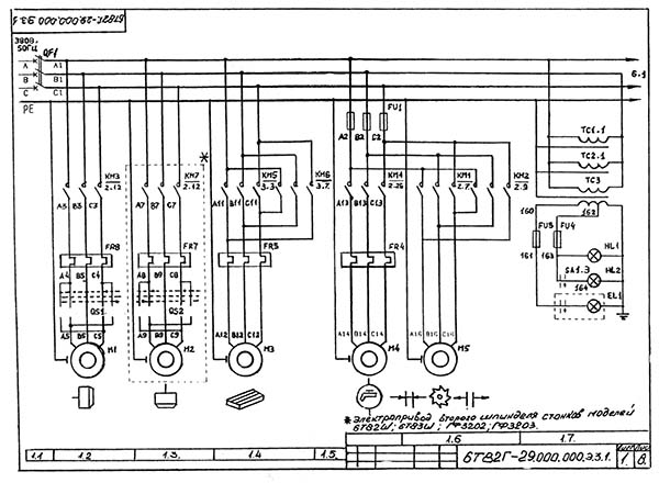
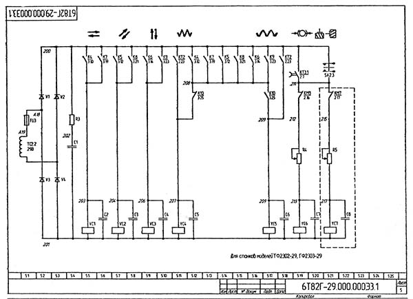
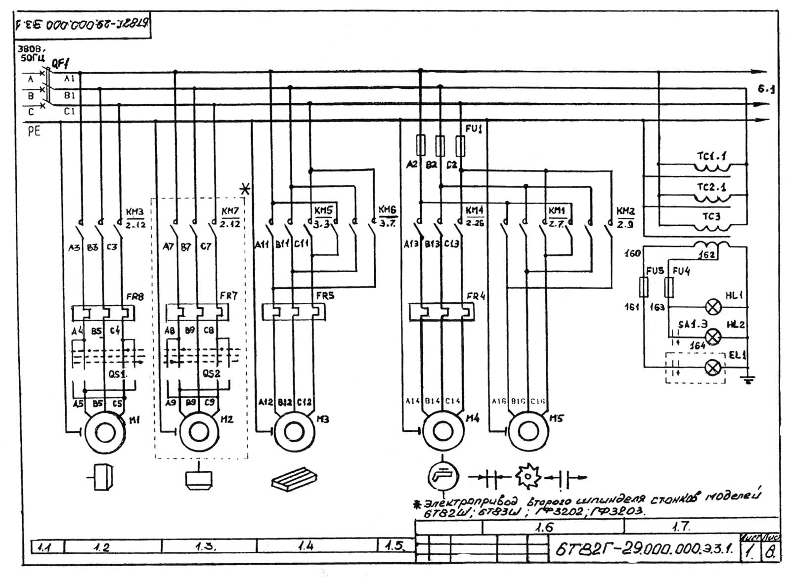
Cхема електрична консольно-фрезерных верстатів 6Т82Г-29, 6T82-29, 6T12-29, 6Т82Ш-29, 6Т83Г-29, 6T83-29, 6T13-29, 6Т83Ш-29

Електрична схема фрезерных верстатів серии 6Т…-29

Електрична схема 1 фрезерных верстатів серии 6Т…-29

Електрична схема фрезерных верстатів серии 6Т…-29. Скачать в увеличенном масштабе



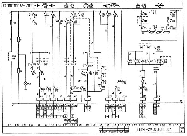
Електрична схема фрезерных верстатів серии 6Т…-29

Електрична схема 2 фрезерных верстатів серии 6Т…-29

Електрична схема фрезерных верстатів серии 6Т…-29. Скачать в увеличенном масштабе



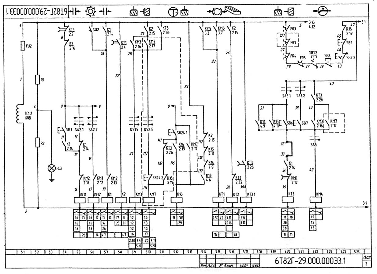
Електрична схема фрезерных верстатів серии 6Т…-29

Електрична схема 3 фрезерных верстатів серии 6Т…-29

Електрична схема фрезерных верстатів серии 6Т…-29. Скачать в увеличенном масштабе



Електрична схема фрезерных верстатів серии 6Т…-29

Електрична схема 4 фрезерных верстатів серии 6Т…-29

Електрична схема фрезерных верстатів серии 6Т…-29. Скачать в увеличенном масштабе



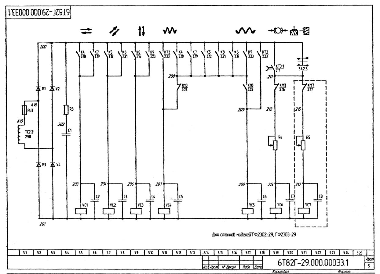
Електрична схема фрезерных верстатів серии 6Т…-29

Електрична схема 5 фрезерных верстатів серии 6Т…-29

Електрична схема фрезерных верстатів серии 6Т…-29. Скачать в увеличенном масштабе



Електрична схема фрезерных верстатів серии 6Т…-29

Електрична схема 6 фрезерных верстатів серии 6Т…-29

Електрична схема фрезерных верстатів серии 6Т…-29. Скачать в увеличенном масштабе






Cхема розположення електроустаткування на консольно-фрезерном станке

Cхема розположення електроустаткування на консольно-фрезерном станке серии 6Т…-29

Cхема розположення електроустаткування на фрезерном станке серии 6Т…-29

Cхема розположення електроустаткування на консольно-фрезерном станке серии 6Т…-29. Скачать в увеличенном масштабе



Список елементів схеми електрической принципиальной верстатів 6Т82Г, 6T82, 6T12, 6Т82Ш, 6Т83Г, 6T83, 6T13, 6Т83Ш

Список елементів схеми електрической принципиальной консольно-фрезерного верстата серии 6Т…-29

Список елементів схеми електрической принципиальной фрезерного верстата серии 6Т…-29

Список елементів схеми електрической принципиальной консольно-фрезерного верстата серии 6Т…-29. Скачать в увеличенном масштабе



Список елементів схеми електрической принципиальной консольно-фрезерного верстата серии 6Т…-29

Список елементів схеми електрической принципиальной фрезерного верстата серии 6Т…-29

Список елементів схеми електрической принципиальной консольно-фрезерного верстата серии 6Т…-29. Скачать в увеличенном масштабе



Список елементів схеми електрической принципиальной консольно-фрезерного верстата серии 6Т…-29

Список елементів схеми електрической принципиальной фрезерного верстата серии 6Т…-29

Список елементів схеми електрической принципиальной консольно-фрезерного верстата серии 6Т…-29. Скачать в увеличенном масштабе



Список елементів схеми електрической принципиальной консольно-фрезерного верстата серии 6Т…-29

Список елементів схеми електрической принципиальной фрезерного верстата серии 6Т…-29

Список елементів схеми електрической принципиальной консольно-фрезерного верстата серии 6Т…-29. Скачать в увеличенном масштабе



Список елементів схеми електрической принципиальной консольно-фрезерного верстата серии 6Т…-29

Список елементів схеми електрической принципиальной фрезерного верстата серии 6Т…-29

Список елементів схеми електрической принципиальной консольно-фрезерного верстата серии 6Т…-29. Скачать в увеличенном масштабе



Подключение верстата

ВНИМАНИЕ! ДО ПОДКЛЮЧЕНИЯ СТАНКА К ПИТАЮЩЕЙ ЭЛЕКТРОСЕТИ ПОДКЛЮЧИТЕ СТАНОК К ЦЕХОВОЙ СИСТЕМЕ ЗАЗЕМЛЕНИЯ.

Подвод кабеля от цеховой електрической сети к вводным клеммам верстата производится через отверстие на крыше епектрошкафа. Подключение выполнить кабелем з жилами сечением:

ЗАПРЕЩАЕТСЯ РАБОТА НА СТАНКЕ С ОТКРЫТЫМИ ШКАФОМ УПРАВЛЕНИЯ И КЛЕММНОИ КОРОБКОЙ. ПРОФИЛАКТИЧЕСКИЙ РЕМОНТ, ОСМОТР И ЧИСТКУ ЭЛЕКТРООБОРУДОВАНИЯ ПРОИЗВОДИТЬ ТОЛЬКО ПРИ ОТКЛЮЧЕННОЙ ПИТАющЕЙ ЭЛЕКТРИЧЕСКОЙ СЕТИ.

Электрическое сопротивление, измеренное между винтом заземления і любой металлической частью верстата, которая може оказаться под напряжением в результате пробоя изоляции, не должно превышать 0,1 Ом.

Обслуговування електроустаткування верстата должно производиться специалистами по електрооборудованию верстатів.

Помните, что при отключенном вводном выключателе его верхние зажимы і вводной клеммный набор находятся под напряжением питающей сети. Снимать кожухи ЗАПРЕЩАЕТСЯ.

Для осмотра і налагодження електроапаратури под напряжением (при открытой дверке шкафа) в схеме предусмотрен деблокирующий переключатель SA1, установленный в шкафу керування. Этим переключателем должны пользоваться специалисты-електрики.


Органы керування консольно-фрезерными верстатами 6Т82Г-29, 6T82-29, 6T12-29, 6Т82Ш-29, 6Т83Г-29, 6T83-29, 6T13-29, 6Т83Ш-29

Керування приводами верстата осуществляется з основного і бокового пультов керування. На основном пульті керування расположены:

На боковом пульті керування расположены:

На правой боковой стенке шкафа выведены ручка вводного выключателя QF1 і ручки реверсивных переключателей шпинделей QS1 И QS2.

На левой боковой стенке шкафа расположен блок переключателей SA7...SA10, предназначенный для набора циклов.

Все органы керування електрообладнанням верстата снабжены символами, определяющими их функциональное назначение. Список графических символів і обозначений органів керування приведены в первой частини руководства.





Список графических символів на консольно-фрезерном станке

Список графических символів на консольно-фрезерном станке

Список графических символів на консольно-фрезерном станке

Список графических символів на консольно-фрезерном станке. Скачать в увеличенном масштабе



Список графических символів на консольно-фрезерном станке

Список графических символів на консольно-фрезерном станке

Список графических символів на консольно-фрезерном станке. Скачать в увеличенном масштабе



Список графических символів на консольно-фрезерном станке

Список графических символів на консольно-фрезерном станке

Список графических символів на консольно-фрезерном станке. Скачать в увеличенном масштабе



Первоначальный пуск консольно-фрезерного верстата

Перед пуском верстата в експлуатацию внимательно ознакомьтесь з данным руководством, органами.





Опис роботи електросхеми консольно-фрезерных верстатів 6Т82Г-29, 6T82-29, 6T12-29, 6Т82Ш-29, 6Т83Г-29, 6T83-29, 6T13-29, 6Т83Ш-29

Привід головного руху

Привід головного руху осуществляется от асинхронных трехфазных двигателей переменного тока з короткозамкнутым ротором, обозначенных на схеме М1 і М2. Електродвигун М2 установлен только на верстатах моделей 6Т82Ш-29, 6Т83Ш-29, ГФ3202-29 і ГФ3203-29.

Захист електродвигателей М1 і М2 от токов короткого замыкания производится выключателем QF1, от перегрузок недопустимой продолжительности - тепловыми реле FR3 і FR7.

Пуск приводов шпинделей производится нажатием кнопок S86 (зона 2.26 на принципиальной схеме) или SB7 (зона 2.27). При етом включается реле часу КТЗ. которое замыкающим контактом включает пускатели КМЗ, КМ7 і подготавливает ланцюги увімкнення приводу стола (зона 3.8). Пускатели КМЗ, КМ7 подключают двигатели М1 і М2 к сети, одновременно их вспомогательные контакты ставят на самопитание реле КТЗ.

Останов приводов шпинделей производится кнопками SB8 (зона 2.28), SB9 (зона 2.29). При одновременном отключении приводов шпинделей і стола репе часу КТ1 і контакт реле К2 (зона 2.17) обеспечивают задержку на відключення приводов шпинделей,

Для торможения приводов шпинделей при их отключении используются електромагнітні муфты, обозначенные по схеме УС6 (зона 5.19), УС7 (зона 5.21). Время торможения шпинделей устанавливается выдержкой часу при отключении контакта реле КТЗ (зона 5.19) в пределах 2 - 5 сек.

Импульсное увімкнення електродвигуна М2, необходимое для четкого переключения частоти обертання второго шпинделя, производится кнопкой SB24 (зона 2 19). При нажатии кнопки SB24 включается пускатель КМ7 і двигатель М2, вспомогательный контакт пускателя КМ7 (зона 2 20) включает реле импульса К16, размыкающийся контакт которого (зона 2.18) отключает пускатель КМ7. Реле К16 остается на самопитании через кнопку SB24 і свой замыкающийся контакт.

Для изменения направления обертання і отключения електродвигателей М1 і М2 в их силових цепях установлены реверсивные переключатели QS1 і QS2.

ВНИМАНИЕ! ИЗМЕНЕНИЕ НАПРАВЛЕНИЯ ВРАЩЕНИЯ ШПИНДЕЛЕЙ ПРОИЗВОДИТЬ ТОЛЬКО ПРИ ОТКЛЮЧЕННЫХ ЭЛЕКТРОДВИГАТЕЛЯХ М1 И М2

Привід переміщення стола

Привід переміщення стола выполнен на асинхронном короткозамкнутом електродвигателе М3 і електромагнітних муфтах YC1...YC6. Захист електродвигуна от токов короткого замыкания производится автоматическим выключателем QF1, от перегрузок недопустимой продолжительности -тепловым реле FR5.

Увімкнення електроприводу стола в зависимости от направления руху производится кнопками SB 14 (зона 3.10), SB15, S816, SB19, SB20, SB21, SB17 і SB18, відключення - кнопками SB10 і SB13 (стоп подачі), а также кнопками SB8 і SB9 (стоп шпинделей).

Кнопки SB14 (влево), SB19 (вправо), реле К4, К7, муфта YC1 обеспечивают керування продольными ходуми стола, кнопки SB15 (вперед), SB20 (назад), реле К5, К8, муфта YC2 - поперечным ходом, кнопки SB 16 (вверх), SB21 (вниз), реле Кб, К9, муфта YC3 - вертикальным ходом. Требуемое направление переміщення обеспечивается реверсом двигуна М4 з помощью пускачів КМ5, КМ6.

При управлении з бокового пульта продольное, поперечное или вертикальное перемещение стопа выбирается переключателем SA4 (зона 3.15), увімкнення производится з помощью кнопок SB17, SB18, а останов кнопкой SB13.

Кнопки SB22, SB23 (зона 3.22), реле К10 і муфта YC5 обеспечивают быстрое толчковое перемещение при предварительно включенном движении стола.

Для ограничения свободных выбегов стола предусмотрено торможение путем одновременного увімкнення муфт швидкого ходу YC5 і подачі YC4 при отключенном двигателе время торможения определяется выдержкой часу реле КТ1.

Повторное увімкнення переміщення стопа після отключении кнопками стоп или наезде на ограничивающий конечный выключатель осуществляется з выдержкой часу (реле КТ2), необходимой для снятия остаточного передающего момента на муфтах YC4. YC5.

Привід зажиму инструмента

Привід зажиму инструмента осуществляется от асинхронного короткозамкнутого електродвигуна М5.

Захист електродвигуна от токов короткого замыкания производится плавкими предохранителями FU1.

Керування приводом производится трехпозиционным переключателем SA2 з самовозвратом в среднее фиксированное положение (зона 2.13), включающим пускатели КМ1 (зажим) или КМ2 (отжим).

Привід зажиму инструмента используется также для проворота первого шпинделя при переключении частоти обертання. При етом его увімкнення производится кнопкой SB3 (зона 2.11), воздействующей на пускатель КМ1.

Привід охлаждения

Охлаждение режущего инструмента производится от центробежного вертикального насоса, приводимого в рух асинхронным електродвигуном М4.

Захист електродвигуна насоса от токов короткого замыкания производится плавкими предохранителями FU1, а от перегрузок недопустимой продолжительности тепловым реле FR4.

Увімкнення насоса производятся переключателем SA5 (зона 2.28) при включенном приводе шпинделя.

Режим ручного керування

В данном режиме електрична схема обеспечивает керування всеми приводами верстата от кнопок, расположенных на пультах керування (см. 6.1..6.4). Возможно также керування дополнительным круглым столом, кинематически связанным з основным приводом подачі.

Для пуска приводу подачі необходимо выполнить наступні операции:

Для осуществления ускоренного переміщення следует нажать кнопки швидкого ходу SB22 или SB23. При етом включается реле К10, которое отключает муфту робочого ходу YC4 і включает муфту швидкого ходу YC5. Стол получает рух в том же направлении в режиме швидкого ходу. При освобождении кнопок SB22 ила SB23 реле К1О і муфта YC5 отключаются, а муфта YC4 включается вновь, вследствие чего стол продолжает рух в том же направлении в режиме робочого ходу.

Останов приводу стола производится кнопками SB10, SB13 или кнопками SB8, SB9 одновременно з отключением приводу головного руху.

Керування приводом стола в других направлениях аналогично выше описанному.

Режим толчкового керування

Режим толчкового керування предназначен для налагодження верстата, точного подвода заготовки при включенном і отключенном главном приводе і выбирается переключателем SA6 (56 - 65). расположенным на основном пульті керування.

Режим толчкового керування обеспечивает те же операции керування столом, что і ручной режим.

Режим автоматичного керування

В режиме автоматичного керування електрична схема обеспечивает обработку детали по следующим циклам.

При установці додаткових кулачков, воздействующих на путевые выключатели SQ12. SQ13, циклы 1, 2, 4, 5 преобразуются в скачкообразные типа быстрый ход, рабочий ход, быстрый ход, рабочий ход і т.д.

Для того чтобы настроить верстат на какой-либо цикл, необходимо по обрабатываемой детали расставить кулачки, воздействующие на путевые выключатели SQ4, SQ7, SQ12, SQ13, в зависимости от цикла обробки

Периодичность профилактических ремонтов електродвигателей устанавливается а зависимости от производственных условий, но не реже одного раза в год или через 4000 часов роботи. При профилактическом ремонтi производится разборка електродвигуна, внутренняя чистка і замена змазки підшибників Перед набивкой свежей смазкой підшипники необходимо промыть бензином, камеру заполнить свежей смазкой на 2/3 її объема. Рекомендуемые змазки для підшибників: смазка 1-13 жировая ОСТ 3801145-80 или смазка ЦИАТИМ-203 ГОСТ8773-73.





Вказівки по обслуговування електроустаткування

Надежность і долговечность роботи електроустаткування верстата обеспечивается правильной експлуатацией і надлежащим уходом. Систематические технические осмотры і чистка електроустаткування от загряз-

Технічні осмотры магнитных пускачів, реле і аппаратов защиты следует производить не реже одного раза в месяц. При осмотрах особо обращать внимание на правильное функционирование подвижных частин аппаратов, надежность крепления разъемных контактных з'єднань і крепежа аппаратов. При необходимости следует очистить от нагара і отрегулировать контактные системы електроаппаратов.

Технічні осмотры аппаратов ручного керування, трансформаторов, конденсаторов, резисторов і других неподвижных аппаратов следует производить не реже одного раза в шесть месяцев. При осмотрах проверяется надежность креплений, состояние ланцюгів заземлений. У трансформаторов проверяется величина сопротивления изоляции, которая должна быть не менее 0,5 Мом, измеренная мегометром на напряжение 1000В.

Периодичность осмотров електродвигателей устанавливается в зависимости от производственных условий, но не реже одного раза в два месяца. При осмотрах електродвигателей необходимо очистить их от загрязнений, проверить надежность заземления і соединения з приводным механізмом



Електроустаткування фрезерных верстатів Горьковского станкозавода, ГЗФС

Електроустаткування фрезерных верстатів 6T12, 6T13, 6T82, 6Т82Г, 6Т82Ш, 6T83, 6Т83Г, 6Т83Ш

  • Електроустаткування фрезерных верстатів 6Т82Г-29, 6T82-29, 6T12-29, 6Т82Ш-29, 6Т83Г-29, 6T83-29, 6T13-29, 6Т83Ш-29

    Електроустаткування фрезерных верстатів 6P12, 6P13, 6Р82, 6Р82Г, 6Р82Ш, 6Р83, 6Р83Г, 6Р83Ш, 6Р12Б, 6Р13Б

    Електроустаткування фрезерных верстатів 6М12П, 6М12ПБ, 6М13П, 6М13ПБ, 6М82, 6М82Ш, 6М82ГБ, 6М83, 6М83Ш

    Електроустаткування фрезерных верстатів Вильнюсского станкозавода Жальгирис

    Електроустаткування фрезерных верстатів 6Т10, 6Т80, 6Т80Г, 6Т80Ш

    Електроустаткування фрезерных верстатів 6Р10, 6Р80, 6Р80Г, 6Р80Ш

    Електроустаткування фрезерных верстатів 6Н10, 6Н80, 6Н80Г, 6Н80Ш

    Електроустаткування фрезерных верстатів Дмитровского станкозавода, ДЗФС

    Електроустаткування фрезерных верстатів 6Р11, 6Р81, 6Р81Г, 6Р81Ш

    Електроустаткування фрезерных верстатів 6Н11, 6Н81, 6Н81Г, 6Н81А





  • Опис електроустаткування фрезерных верстатів. Відеоролик.





      Список литературы:

    1. Консольно-фрезерные верстати 6Т82Г, 6Т82, 6Т12, 6Т82Ш, 6Т83Г, 6Т83, 6Т13, 6Т83Ш, ГФ3202, ГФ3203 виконання 29. Руководство по експлуатации електроустаткування 6Т82Г-29.00.000 РЭ1

    2. Игнатов В.А. Електроустаткування современных металлорежущих верстатів і обрабатывающих комплексов, 1991
    3. Комаров А.Ф. Наладка і експлуатация електроустаткування металлорежущих верстатів, 1975
    4. Розман Пристрій, наладка і експлуатация електроприводов металлорежущих верстатів, 1985
    5. Чернов Е.А. Комплектные електроприводы верстатів з ЧПУ, 1989
    6. Харизоменов И.В. Электрическое обладнання металлорежущих верстатів, 1958